|
|
(21), (22) Заявка: 2007110566/06, 23.03.2007
(24) Дата начала отсчета срока действия патента:
23.03.2007
(46) Опубликовано: 10.11.2008
(56) Список документов, цитированных в отчете о поиске:
RU 2234664 С1, 20.08.2004. RU 2205350 С2, 27.05.2003. FR 2331766 А1, 10.06.1977. СН 656217 А5, 13.06.1986. RU 62219 U1, 27.03.2007. SU 896328 А1, 07.01.1982. RU 2202075 С1, 10.04.2003.
Адрес для переписки:
119992, Москва, ГСП-2, пр-д Девичьего поля, 4, ОА ВС РФ, НИО, М.М. Старостину
|
(72) Автор(ы):
Дикушин Федор Андреевич (RU), Медведев Владимир Романович (RU), Поздняков Александр Викторович (RU), Ткаченко Владимир Иванович (RU), Ткаченко Наталия Владимировна (RU), Чумак Татьяна Дмитриевна (RU), Шульга Сергей Владимирович (RU)
(73) Патентообладатель(и):
ОБЩЕВОЙСКОВАЯ АКАДЕМИЯ ВООРУЖЕННЫХ СИЛ РОССИЙСКОЙ ФЕДЕРАЦИИ (ОА ВС РФ) (RU)
|
(54) СИСТЕМА ЖИЗНЕОБЕСПЕЧЕНИЯ БОЕВОЙ МАШИНЫ
(57) Реферат:
Изобретение относится к средствам обеспечения тепловой энергией и ее использования. Технический результат заключается в том, что тепловая энергия используется как в технологических процессах (на производстве), так и для обогрева стационарных помещений, обитаемых отделений (отсеков), палаток, пневмосооружений и транспортных средств. В последнем случае обеспечивается жизнедеятельность и здоровье обслуживающего персонала. В системе жизнеобеспечения боевой машины, включающей двигатель с эжекционным устройством, сиденья членов экипажа, камеру сгорания с теплообменником и выхлопным патрубком, последовательно соединенные трубопроводами змеевики и полости обогрева, водяные радиатор и насос, электродвигатели, источник питания, нагнетатели топлива и воздуха, соединенные с камерой сгорания, вентилятор с дефлектором, указанный технический результат достигается тем, что в систему введены второе эжекционное устройство, установленное на выходе выхлопного патрубка камеры сгорания, разогреватель пищи, подключенный к теплообменнику, установленные на рабочих местах членов экипажа тепловые аккумуляторы с тепловыми отражателями, вмонтированные в каждое сиденье члена экипажа и снабженные герметичными крышками емкости для отходов жизнедеятельности членов экипажа с установленными в их верхней части впускными, а в нижней части выпускными клапанами и размельчителями с ручным приводом, соединенные через трубопроводы и краны со входами первого и второго эжекционных устройств. Использование предложенной системы жизнеобеспечения позволяет существенно повысить теплопроизводительность известных систем, особенно используемых на транспортных средствах (в 2,5 раза), за счет утилизации тепловой энергии горячих газов, а также повысить комфортность деятельности экипажа за счет возможности поддержания оптимальной температуры в обитаемом помещении и разогрева продуктов питания. Кроме того, в предложенной системе решена задача удаления отходов жизнедеятельности экипажа без разгерметизации обитаемого помещения. 1 ил.
Изобретение относится к средствам обеспечения тепловой энергией и ее использования. Тепловая энергия используется как в технологических процессах (на производстве), так и для обогрева стационарных помещений, обитаемых отделений (отсеков), палаток, пневмосооружений, транспортных средств и др. В последнем случае обеспечивается жизнедеятельность и здоровье обслуживающего персонала. При этом чем выше эффективность средств теплообразования, тем лучше условия обитаемости, тем выше производительность труда, тем больше вероятность сохранения здоровья всего личного состава, находящегося в зоне теплообразования.
Известна система жизнеобеспечения боевой машины (см., например, «Руководство по материальной части и эксплуатации танка Т-55», Воениздат МО СССР, М., 1965, с.483-602) [1], обеспечивающая разогрев двигателя и обслуживающих его систем перед пуском двигателя. Эта система содержит подогреватель с котлом, камерой сгорания и теплообменником, последовательно соединенные змеевики и полости обогрева, водяной радиатор и водяной насос, соединенный с теплообменником, электродвигатель, источник питания, нагнетатели топлива и воздуха, соединенные с камерой сгорания, свечи подогрева и накаливания, установленные в камере сгорания и соединенные с источником питания.
При работе системы жизнеобеспечения нагретая в подогревателе жидкость по трубопроводам поступает в змеевики масляных баков и в двигатель, нагревает их и возвращается в подогреватель. Система применяется перед пуском двигателя при температуре окружающего воздуха от 5 градусов Цельсия и ниже. Ее недостатком является малая производительность тепла для обогрева обитаемого отделения (помещения) машины в зимнее время. При отрицательных температурах окружающего воздуха температура в обитаемом отделении также отрицательна, особенно при стрельбе, то есть при включенных вентиляторах и интенсивной продувке обитаемого отделения.
Известна также система жизнеобеспечения боевой машины (см., например, «Танк 72А. Техническое описание и инструкция по эксплуатации». Книга вторая (часть первая). М., Воениздат МО СССР, 1989, с.363-372 [2],) – прототип. Она содержит двигатель с установленным на его выходе первым эжекционным устройством, сиденья членов экипажа, установленные на их рабочих местах, камеру сгорания и соединенные с ее первым и вторым выходами первыми входами соответственно теплообменник и выхлопной патрубок, последовательно соединенные трубопроводами змеевики и полости обогрева, водяной радиатор и водяной насос, выход которого водопроводом соединен со вторым входом теплообменника, первый и второй электродвигатели, источник питания, нагнетатели топлива и воздуха, соединенные посредством соответственно трубопровода и воздуховода с камерой сгорания, свечи накаливания, установленные в камере сгорания и соединенные через включатель с источником питания, вентилятор с дефлектором, сопряженные по воздушному тракту последовательно с водяным радиатором, змеевиком обогрева и сиденьями членов экипажа, при этом вход двигателя соединен со вторым выходом полостей обогрева, вход змеевиков обогрева соединен с первым выходом теплообменника, водяной насос, нагнетатели топлива и воздуха соединены с валом первого электродвигателя, а вентилятор соединен с валом второго электродвигателя.
В этой системе существенно повышена ее тепловая эффективность (производительность). Благодаря установке второго электродвигателя, вентилятора, дефлектора и водяного радиатора формируется дополнительный тепловой поток, способствующий повышению температуры в обитаемом отделении. Однако в ряде случаев этого бывает недостаточно. Например, при включении вентилятора и низкой температуре окружающего воздуха в обитаемом отделении через несколько минут температура становится отрицательной. В ряде случаев в обитаемом отделении необходимо создавать избыточное давление за счет подачи дополнительного наружного воздуха. Особенно часто это происходит в подвижных транспортных средствах: боевых машинах, включая прототип, медицинских комплексах, вездеходах и др. при их движении в зонах с нарушенной экологией, на зараженной местности. В этих случаях включаются фильтровентиляционные установки, нагнетатели-сепараторы, дополнительные вентиляторы и др. Работа этих устройств приводит к дополнительной подаче в обитаемое отделение больших объемов холодного воздуха, что приводит к резкому снижению температуры в нем. Это особенно опасно для таких обитаемых помещений, в которых находятся раненые, больные, ослабленные люди, то есть помещений: мобильных медицинских комплексов, боевых машин, бронированных медицинских машин, геологоразведочных комплексов, вездеходов (особенно работающих в условиях низких температур). Резкое снижение температуры в этих условиях может стать причиной простудных заболеваний и даже гибели людей. При этом ухудшаются условия обитаемости экипажей и обслуживающего персонала, снижающие эффективность выполнения ими своих функциональных обязанностей. Ситуация усугубляется при вынужденной разгерметизации обитаемых помещений, вызываемой необходимостью выхода личного состава из боевой машины, в частности, связанной с удалением продуктов жизнеобеспечения, в том числе отправлением естественных надобностей членов экипажа. Открывание люков (дверей) опасно не только чрезмерным охлаждением машин в зимнее время, но и, прежде всего, снижением безопасности личного состава, вызванного действием огня противника и поражающих факторов оружия массового поражения. Рассмотренные системы жизнеобеспечения без разгерметизации обитаемых помещений не дают возможности удалять из боевых машин отходы жизнедеятельности (в том числе и отправлять естественные надобности).
С целью устранения отмеченных недостатков и достижения технического результата, заключающегося в повышении теплопроизводительности, улучшении условий обитаемости и жизнедеятельности (путем удаления отходов жизнедеятельности без разгерметизации обитаемых помещений), в систему жизнеобеспечения боевой машины, содержащей двигатель с установленным на его выходе первым эжекционным устройством, сиденья членов экипажа, установленные на их рабочих местах, камеру сгорания и соединенные с ее первым и вторым выходами первыми входами соответственно теплообменник и выхлопной патрубок, последовательно соединенные трубопроводами змеевики и полости обогрева, водяной радиатор и водяной насос, выход которого водопроводом соединен со вторым входом теплообменника, первый и второй электродвигатели, источник питания, нагнетатели топлива и воздуха, соединенные посредством соответственно трубопровода и воздуховода с камерой сгорания, свечи накаливания, установленные в камере сгорания и соединенные через включатель с источником питания, вентилятор с дефлектором, сопряженные по воздушному тракту последовательно с водяным радиатором, змеевиком обогрева и сиденьями членов экипажа, при этом вход двигателя соединен со вторым выходом полостей обогрева, вход змеевиков обогрева соединен с первым выходом теплообменника, водяной насос, нагнетатели топлива и воздуха соединены с валом первого электродвигателя, а вентилятор соединен с валом второго электродвигателя, согласно изобретению введены второе эжекционное устройство, установленное на выходе выхлопного патрубка, разогреватель пищи, подключенный ко второму выходу теплообменника, установленные на рабочих местах членов экипажа тепловые аккумуляторы, каждый из которых сопряжен с воздушным трактом, подключен через соответствующий кран к третьему выходу теплообменника и снабжен тепловым отражателем, укрепленным на его корпусе и сопряженным через воздушный тракт с соответствующим сиденьем члена экипажа, вмонтированные в каждое сиденье члена экипажа и снабженные герметичными крышками емкости для отходов жизнедеятельности членов экипажа с установленными в их верхней части впускными, а в нижней части выпускными клапанами, размельчители отходов жизнедеятельности членов экипажа, каждый из которых снабжен ручным приводом и соединен входом с выпускным клапаном, а выходом – через трубопроводы и краны со входами первого и второго эжекционных устройств.
Введение новых элементов и связей позволяет в значительной степени устранить отмеченные недостатки, увеличить теплопроизводительность системы жизнеобеспечения с подачей тепла именно в обитаемое отделение, улучшить условия обитаемости и жизнедеятельности (путем удаления отходов жизнедеятельности без разгерметизации обитаемых помещений) экипажей боевых машин.
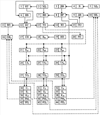
Изобретение поясняется чертежом, на котором показаны взаимное расположение и связи элементов предлагаемой системы жизнеобеспечения боевой машины и приняты следующие обозначения ее элементов:
1 – нагнетатель топлива (НТ),
2 – первый электродвигатель (ЭД1),
3 – дефлектор (ДФ),
4 – вентилятор (В),
5 – второй электродвигатель (ЭД2),
6 – нагнетатель воздуха (НВ),
7 – водяной насос (ВН),
8 – водяной радиатор (BP),
9 – двигатель (ДВ),
10 – первое эжекционное устройство (ЭЖ1),
11 – выхлопной патрубок (ВП),
12 – камера сгорания (КС),
13 – теплообменник (ТО), 14 – змеевик обогрева (ЗО),
15 – полость обогрева (ПО),
16 – второе эжекционное устройство (ЭЖ2),
17 – свечи накаливания (СН),
18 – включатель (Вкл),
19 – источник питания (ИП),
20 – разогреватель пищи (РП),
21 – первый кран (Кр1),
22 – второй кран (Кр2),
23 – n-й кран (Крn),
24 – первый тепловой аккумулятор (ТА1),
25 – второй тепловой аккумулятор (ТА2),
26 – n-й тепловой аккумулятор (TAn),
27 – первый тепловой отражатель (ТО1),
28 – второй тепловой отражатель (ТО2),
29 – n-й тепловой отражатель (ТОn),
30 – первое сиденье (C1),
31 – второе сиденье (C2),
32 – n-е сиденье (Cn),
33 – первая емкость (Е1),
34 – вторая емкость (Е2),
35 – n-я емкость (En),
36 – первый выпускной клапан (ВК1),
37 – второй выпускной клапан (ВК2),
38 – n-й выпускной клапан (ВКn),
39 – первый размельчитель (РМ1),
40 – второй размельчитель (РМ2),
41 – n-й размельчитель (РМn),
14 – змеевик обогрева (ЗО),
15 – полость обогрева (ПО),
16 – второе эжекционное устройство (ЭЖ2),
17 – свечи накаливания (CH),
18 – включатель (Вкл),
19 – источник питания (ИП),
20 – разогреватель пищи (РП),
21 – первый кран (Кр1),
22 – второй кран (Кр2),
23 – n-й кран (Крn),
24 – первый тепловой аккумулятор (ТА1),
25 – второй тепловой аккумулятор (ТА2),
26 – n-й тепловой аккумулятор (TAn),
27 – первый тепловой отражатель (TO1),
28 – второй тепловой отражатель (ТО2),
29 – n-й тепловой отражатель (ТОn),
30 – первое сиденье (C1),
31 – второе сиденье (С2),
32 – n-е сиденье (Cn),
33 – первая емкость (E1),
34 – вторая емкость (Е2),
35 – n-я емкость (Еn),
36 – первый выпускной клапан (ВК1),
37 – второй выпускной клапан (ВК2),
38 – n-й выпускной клапан (ВКn),
39 – первый размельчитель (PM1),
40 – второй размельчитель (РМ2),
41 – n-й размельчитель (РМn),
42 – первый ручной привод (РП1),
43 – второй ручной привод (РП2),
44 – n-й ручной привод (РПn).
Элементы с 1 по 9-й, с 11 по 15 и с 17 по 19 объединены в блоки. Нагнетатель 1 топлива предназначен для подачи в камеру 12 сгорания топлива. Он выполнен на основе шестеренчатого топливного насоса, приводимого во вращение первым электродвигателем 2. Нагнетатель 6 воздуха служит для подачи в камеру сгорания 12 воздуха. Он выполнен на основе центробежного вентилятора 4, приводимого во вращение также первым электродвигателем 2. Водяной центробежный насос 7 предназначен для обеспечения циркуляции охлаждающей жидкости по обогреваемым магистралям силовой установки (змеевики 14 и полости 15 обогрева). Водяной насос 7 приводится во вращение также первым электродвигателем 2. Водяной радиатор 8 совместно с дефлектором 3, вентилятором 4 и вторым электродвигателем 5 представляют собой обогреватель обитаемого отделения и служат для подогрева в нем воздуха, радиатор 8 – трубчато-пластичного типа обеспечивает подогрев воздуха в обитаемом помещении с помощью горячей жидкости, циркулирующей через него как при работе двигателя 9, так и при работе обогревателя. Дефлектор 3 служит для направления потока воздуха через радиатор 8 и защиты крыльчатки вентилятора 4. Камера 12 сгорания и теплообменник 13 соединены между собой шпильками. Между уплотняющими плоскостями фланцев устанавливается жаростойкая прокладка. В резьбовом отверстии камеры 12 сгорания устанавливается форсунка центробежного типа, обеспечивающая подачу распыленного воздуха в камеру 12 сгорания, теплообменник 13 пластинчатого типа состоит из наружного кожуха и сердцевины (из штампованных пластин, собранных попарно в секцию). Каналы, образованные между пластинами секций, и полость между кожухом и сердцевиной котла представляет собой тракт для циркуляции охлаждающей жидкости. Полости камеры 12 сгорания и выхлопной патрубок 11 образуют газовый тракт. Свечи 17 накаливания служат для подогрева и зажигания горючей смеси в камере 12 сгорания. Они установлены в резьбовые отверстия камеры 12 сгорания. Свеча 17 накаливания состоит из корпуса, стержня, спирали накаливания, слюдяных прокладок и асбестового уплотнения. Питание свечи 17 осуществляется от источника 19 питания через включатель 18.
Второе эжекционное устройство 16 принципиально и конструктивно аналогично первому устройству 10. Оба выполнены на основе трубок с соплами, обеспечивающими создание разрежения, под действием которого продукты отхода жизнедеятельности выбрасываются через выхлопные тракты двигателя 9 и обогревателя. Элементы с 20 по 29, объединенные в блок, предназначены для утилизации тепла горячих газов, выбрасываемых из газового тракта в атмосферу, обеспечивают разогрев пищи и обогрев рабочих мест членов экипажа боевой машины. Для этого выхлопной патрубок 11 газового тракта, являющийся вторым выходом теплообменника 13, соединен газоводами с разогревателем 20 пищи и через краны 21, 22, 23 со входами тепловых аккумуляторов 24, 25 и 26, в которых теплоаккумулирующие элементы, например трансформаторное масло, сопряжены с воздушным трактом вентилятора 4, дефлектора 3, водяного радиатора 8, тепловых аккумуляторов 24, 25, 26, тепловых отражателей 27, 28, 29 и сидений 30, 31, 32. Благодаря этому тепло не только аккумулируется и ускоряет нагрев обитаемого помещения, но и передается воздушным потокам, в которых направляется и фокусируется в области сидений 30-32 и самые необходимые зоны рабочих мест членов экипажа. Кранами 21, 22 и 23 обеспечивается регулировка отдаваемого тепла аккумуляторами 24-26, а тепловыми отражателями 27, 28 и 29 – оптимизация его перераспределения относительно сидений и объема рабочих мест.
Элементы с 30 по 44, объединенные в блок, обеспечивают возможность удаления отходов жизнедеятельности членов экипажа (в том числе и отправление естественных надобностей) без выхода их из боевых машин и разгерметизации обитаемых помещений. Для этого в каждое сиденье 30-32 члена экипажа вмонтирована емкость 33-35, снабженная герметичной крышкой. Емкости 33-35 вместе с крышкой помещаются под подушку сидений 30-32. В верхней части емкостей 33-35 установлены впускные клапаны, а в нижней – выпускные 36-38, через которые с емкостями 33-35 соединены размельчители 39-41 отходов жизнедеятельности членов экипажа, каждый из которых (размельчителей) снабжен ручным приводом 42-44 и через трубопровод с краном соединен со входами первого и второго эжекционных устройств 10 и 16.
Работа системы жизнеобеспечения боевой машины происходит следующим образом. Первоначально происходит подготовка системы обеспечения и объекта к работе. Включаются (вручную оператором, на схеме не показано) электродвигатели 2 и 5, включатель 18, благодаря чему напряжение от бортовой сети и источника 19 питания подается соответственно на первый, второй электродвигатели 2 и 5 и свечи 17 накаливания, которые, разогреваясь, нагревают полость камеры 12 сгорания. Первый электродвигатель 2 приводит в действие нагнетатели 1 и 6 соответственно топлива и воздуха и водяной насос 17. Второй электродвигатель 5 приводит во вращение вентилятор 4. Нагнетатель 1 топлива подает топливо через сетчатый фильтр и топливный кран (не показаны) в форсунку камеры 12 сгорания, где топливо, смешиваясь с воздухом, подаваемым нагнетателем воздуха 6, образует горючую смесь, которая подогревается и воспламеняется свечами 17 накаливания. Вследствие сгорания смеси нагревается жидкость, циркулирующая в жидкостном тракте теплообменника 13. При установившейся устойчивой работе камеры 12 сгорания свечи 17 накаливания отключаются. Нагретая жидкость водяным насосом 7 через змеевик 14 обогрева и полости 15 обогрева систем двигателя поступает в водяной радиатор 8 и далее через водяной насос 7 возвращается в теплообменник 13. Горячие газы, отдав часть тепла для нагрева жидкости в теплообменнике 13, поступают в разогреватель 20 пищи, являющийся одновременно и тепловым аккумулятором, а затем, после отдачи тепла, выбрасываются в атмосферу. Вентилятор 4 прогоняет воздух через дефлектор 3 и водяной радиатор 8, благодаря чему воздух, соприкасаясь с нагретыми трубками и пластинками водяного радиатора 8, а затем теплоаккумуляторов 20, 24, 25, 26 и тепловых отражателей 27, 28 29, значительно нагревается, и температура в обитаемом отделении повышается. Изменением угловых положений тепловых отражателей 27, 28, 29 относительно сидений 30-32 членов экипажа осуществляется регулировка температуры окружающего воздуха в зоне рабочих мест членов экипажа.
При необходимости удаления отходов жизнедеятельности на одном из рабочих мест соответствующим членом экипажа, например первым, поднимается подушка сиденья 30, затем открывается герметичная крышка емкости 33 и помещаются в нее отходы (или отправляются естественные надобности). Содержимое емкости 33 под действием разрежения, создаваемого вторым эжекционным устройством 16, выбрасывается в атмосферу. При этом, в случае необходимости, отходы предварительно размельчаются с помощью одного из ручных приводов 42-44.
В последующем при повышении температуры воды в водяном радиаторе 8 и разогреве других систем объекта до заданного уровня происходит запуск двигателя 9, который обеспечивает работу первого эжекционного устройства 10 и создание разрежения в нем. При этом происходит отключение нагнетателей 1 и 6 топлива и воздуха от первого электродвигателя 2, а также отключение источника 19 питания от свечей 17 накаливания посредством включателя 18. В результате этого камера 12 сгорания и второе эжекционное устройство 16 прекращают свою работу, а удаление отходов осуществляется через первое эжекционное устройство 10 (пока работает двигатель 9).
Нагрев воздуха в обитаемом помещении (на рабочих местах) и регулирование температуры происходят за счет подключения (отключения) разогревателя 20 пищи, тепловых аккумуляторов 24, 25 и 26 посредством элементов 21-23, объединенных в блок, а также изменением положения отражателей 27, 28, 29.
При определенном соотношении температур окружающего воздуха, обитаемого помещения и обслуживающих подсистем системы жизнеобеспечения боевой машины, включение ее элементов может происходить не полностью, а частично. Например, могут не включаться тепловые аккумуляторы 24, 25, 26 и (или) разогреватель 20 пищи (также тепловой аккумулятор). В основных режимах работы системы жизнеобеспечения, работе двигателя 9 и его подсистем, как правило, отключаются элементы 1, 6, 11, 12, 17, 18, 19 соответствующих блоков, не работает второе эжекционное устройство 16. На длительных стоянках, наоборот, может не использоваться двигатель 9 и первое эжекционное устройство 10. При частичном включении задействованные элементы работают так же, как описано выше при полном включении.
Возможность изготовления предложенной системы не вызывает сомнений, так как введенные элементы изготовляются серийно и находят широкое применение как в народном хозяйстве, так и на объектах военной техники.
Таким образом, введение в систему жизнеобеспечения боевой машины тепловых аккумуляторов, а также обеспечивающих их работу элементов и связей, позволяет существенно повысить (в 2,5 раза) практически без дополнительных затрат теплопроизводительность элементов штатных систем подогрева, особенно используемых на транспортных средствах, так как и энергия источника питания, и тепло горячих газов после теплообменников остаются, как правило, невостребованными либо полностью, либо частично. Тепловая энергия горячих газов после теплообменника в прототипе не используется совсем, а в предложенной системе эта энергия утилизируется.
Кроме того, в предложенной системе повышена комфортность деятельности экипажа за счет возможности поддержания оптимальной температуры в обитаемом помещении и разогрева продуктов питания, а также решена задача удаления отходов жизнедеятельности экипажа без разгерметизации обитаемого помещения, что существенно повышает выживаемость членов экипажа в боевой обстановке.
На длительных стоянках, наоборот, может не использоваться двигатель 9 и первое эжекционное устройство 10. При частичном включении задействованные элементы работают так же, как описано выше при полном включении.
Возможность изготовления предложенной системы не вызывает сомнений, так как введенные элементы изготовляются серийно и находят широкое применение как в народном хозяйстве, так и на объектах военной техники.
Таким образом, введение в систему жизнеобеспечения тепловых аккумуляторов, а также обеспечивающих их работу элементов и связей позволяет существенно повысить (в 2,5 раза) практически без дополнительных затрат теплопроизводительность элементов штатных систем подогрева, особенно используемых на транспортных средствах, так как и энергия источника питания, и тепло горячих газов после теплообменников остаются, как правило, невостребованными либо полностью, либо частично. Тепловая энергия горячих газов после теплообменника в прототипе не используется совсем, а в предложенной системе эта энергия утилизируется.
Кроме того, в предложенной системе повышена комфортность деятельности экипажа за счет возможности поддержания оптимальной температуры в обитаемом помещении и разогрева продуктов питания, а также решена задача удаления отходов жизнедеятельности экипажа без разгерметизации обитаемого помещения, что существенно повышает выживаемость членов экипажа в боевой обстановке.
Формула изобретения
Система жизнеобеспечения боевой машины, содержащей двигатель с установленным на его выходе первым эжекционным устройством, сиденья членов экипажа, установленные на их рабочих местах, камеру сгорания и соединенные с ее первым и вторым выходами первыми входами соответственно теплообменник и выхлопной патрубок, последовательно соединенные трубопроводами змеевики и полости обогрева, водяной радиатор и водяной насос, выход которого водопроводом соединен со вторым входом теплообменника, первый и второй электродвигатели, источник питания, нагнетатели топлива и воздуха, соединенные посредством соответственно трубопровода и воздуховода с камерой сгорания, свечи накаливания, установленные в камере сгорания и соединенные через включатель с источником питания, вентилятор с дефлектором, сопряженные по воздушному тракту последовательно с водяным радиатором, змеевиком обогрева и сиденьями членов экипажа, при этом вход двигателя соединен со вторым выходом полостей обогрева, вход змеевиков обогрева соединен с первым выходом теплообменника, водяной насос, нагнетатели топлива и воздуха соединены с валом первого электродвигателя, а вентилятор соединен с валом второго электродвигателя, отличающаяся тем, что введены второе эжекционное устройство, установленное на выходе выхлопного патрубка, разогреватель пищи, подключенный ко второму выходу теплообменника, установленные на рабочих местах членов экипажа тепловые аккумуляторы, каждый из которых сопряжен с воздушным трактом, подключен через соответствующий кран к третьему выходу теплообменника и снабжен тепловым отражателем, укрепленным на его корпусе и сопряженным через воздушный тракт с соответствующим сиденьем члена экипажа, вмонтированные в каждое сиденье члена экипажа и снабженные герметичными крышками емкости для отходов жизнедеятельности членов экипажа с установленными в их верхней части впускными, а в нижней части выпускными клапанами, размельчители отходов жизнедеятельности членов экипажа, каждый из которых снабжен ручным приводом и соединен входом с выпускным клапаном, а выходом – через трубопроводы и краны со входами первого и второго эжекционных устройств.
РИСУНКИ
|
|