|
|
(21), (22) Заявка: 2007101019/28, 09.01.2007
(24) Дата начала отсчета срока действия патента:
09.01.2007
(46) Опубликовано: 10.10.2008
(56) Список документов, цитированных в отчете о поиске:
RU 2269099 С2, 27.01.2006. SU 252648 А1, 22.09.1969. SU 1211610 А, 15.02.1986. SU 652796 А1, 07.10.1980. SU 916994 А1, 30.03.1982. US 5049878 А, 17.09.1991.
Адрес для переписки:
636000, Томская обл., ЗАТО, г.Северск, ул. Курчатова, 1, ФГУП Сибирский химический комбинат, ПИО
|
(72) Автор(ы):
Козлов Максим Петрович (RU), Корсаков Владислав Александрович (RU), Воробьев Геннадий Васильевич (RU)
(73) Патентообладатель(и):
Федеральное государственное унитарное предприятие “Сибирский химический комбинат” (RU)
|
(54) ВИБРАЦИОННЫЙ УРОВНЕМЕР ЖИДКОСТИ
(57) Реферат:
Изобретение относится к измерительной технике и может быть использовано для контроля жидких материалов и/или сыпучих материалов, обладающих высокой текучестью. Вибрационный уровнемер жидкости содержит связанный с чувствительным элементом в виде тонкого стержня якорь, генератор импульсов, усилитель, устройство возбуждения в виде катушки с ферромагнитным сердечником, подключенной к выходу генератора импульсов, датчик перемещений якоря, выполненный в виде катушки с ферромагнитным сердечником, подключенной к входу усилителя. При этом чувствительный элемент вибрационного уровнемера снабжен равномерно расположенными на нем лопатками, плоскости которых ориентированы перпендикулярно направлению колебаний. Площадь лопаток уменьшается к концу стержня. Кроме того, в состав уровнемера дополнительно введены детектор, входом подключенный к выходу усилителя, и устройство индикации, входом подключенное к выходу детектора. Технический результат: разработка вибрационного прибора контроля, обеспечивающего измерение уровня агрессивной жидкости или высокотекучего сыпучего материала при высокой температуре и давлении. 5 ил.
Изобретение относится к измерительной технике и может быть использовано для контроля жидких материалов и/или сыпучих материалов, обладающих высокой текучестью.
Известен вибрационный сигнализатор уровня, А.С. СССР №1211610, G01F 23/00, 1986 г., содержащий связанную с чувствительным элементом (щупом) механическую колебательную систему с устройством возбуждения в виде катушки с ферромагнитным сердечником, генератор импульсов и последовательно соединенные полосовой фильтр, усилитель и релейный блок. Сигнализатор имеет параметрический датчик перемещений щупа, связанный как с усилителем, так и с генератором. Этот сигнализатор обладает низкой чувствительностью, недостаточно высокой точностью срабатывания и мало пригоден для контроля уровня жидкости и высокотекучего сыпучего материала.
Известен вибрационный сигнализатор уровня, патент на изобретение RU №2269099 от 17.07.2002 г., предназначенный для контроля уровня сыпучих и жидких материалов, содержащий чувствительный элемент (щуп), связанный с якорем, устройство возбуждения в виде катушки с ферромагнитным сердечником, датчик перемещений якоря, генератор импульсов и последовательно соединенные усилитель и релейный блок. Усилитель охвачен регулируемой обратной связью.
Датчик перемещений якоря выполнен в виде катушки с ферромагнитным сердечником, первый вывод которой подключен к неинвертирующему входу усилителя, выход которого соединен с первым выводом катушки устройства возбуждения, с управляющим входом генератора и через переменный резистор со своим инвертирующим входом, при этом другой конец резистора и вторые выводы катушек датчика перемещений якоря и устройства возбуждения соединены с общей точкой, а участок якоря между катушкой устройства возбуждения и катушкой датчика перемещений якоря выполнен из немагнитного материала.
Этот сигнализатор позволяет контролировать уровень химически агрессивной жидкости или высокотекучего сыпучего материала при высокой температуре (до нескольких сотен градусов Цельсия) и давлении (до нескольких десятков атмосфер) только в одной точке и не дает возможность решить задачу измерения уровня материала в требуемом рабочем диапазоне, что является важным при реализации многих технологических процессов. Решить же задачу измерения уровня приборами иных типов при таких экстремальных условиях крайне проблематично.
Задачей данного изобретения является разработка вибрационного прибора контроля, обеспечивающего измерение уровня агрессивной жидкости или высокотекучего сыпучего материала при высокой температуре и давлении.
Задача измерения уровня решается тем, что чувствительный элемент вибрационного уровнемера, содержащего связанный с чувствительным элементом якорь, генератор импульсов, усилитель, устройство возбуждения в виде катушки с ферромагнитным сердечником, подключенной к выходу генератора импульсов, датчик перемещений якоря, выполненный в виде катушки с ферромагнитным сердечником, подключенной к входу усилителя, снабжен равномерно расположенными на нем лопатками, плоскости которых ориентированы перпендикулярно направлению колебаний, площадь лопаток уменьшается к концу стержня, а в состав уровнемера дополнительно введены детектор, входом подключенный к выходу усилителя, и устройство индикации, входом подключенное к выходу детектора.
При этом механическая колебательная система, связанная с чувствительным элементом непрерывно возбуждается с помощью устройства возбуждения, а по величине демпфирования чувствительного элемента, которая будет зависеть от степени погружения чувствительного элемента в контролируемый материал, с помощью датчика перемещений якоря, судят об уровне материала в емкости. Этим обеспечивается надежное измерение жидкости и/или высокотекучего материала в заданном диапазоне при высокой температуре (до нескольких сотен градусов Цельсия) и давлении (до нескольких десятков атмосфер).
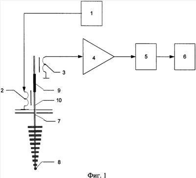
Изобретение поясняется графическим материалом, приведенным на фиг.1-5.
Вибрационный уровнемер жидкости содержит (см. фиг.1) генератор импульсов 1, выход которого соединен с устройством возбуждения, выполненным в виде катушки 2 с ферромагнитным сердечником, датчик перемещений якоря, выполненный в виде катушки 3 с ферромагнитным сердечником, подключенный к входу усилителя 4, выход которого подключен к входу детектора 5, который своим выходом соединен с устройством индикации 6, чувствительный элемент в виде тонкого стержня 7 с равномерно расположенными на нем лопатками 8, плоскости которых ориентированы перпендикулярно направлению колебаний, а их площади уменьшаются к концу стержня. Участок 9 якоря 10 выполнен из немагнитного материала, для исключения электромагнитной связи между катушками.
Уровнемер работает следующим образом (см. фиг.1). С выхода генератора импульсов 1 на устройство возбуждения подается непрерывная последовательность импульсов фиксированной амплитуды и частоты. Это приводит к возникновению вынужденных колебаний механической колебательной системы, связанной с чувствительным элементом, и, следовательно, колебаниям стержня 7 с лопатками 8 и связанного с ним через мембрану якоря 10. Сигнал с датчика перемещений якоря подается на вход усилителя 4, выход которого соединен с входом детектора 5, выход которого соединен с индикаторным устройством 6.
При повышении измеряемого уровня жидкости (см. фиг.2) увеличивается и количество лопаток 8, погруженных в измеряемую жидкость (см. фиг.3), а следовательно, и ступенчато увеличивается площадь, которая оказывает сопротивление перемещению чувствительного элемента в жидкости. Это приводит к пропорциональному ступенчатому уменьшению амплитуды колебаний чувствительного элемента и якоря. Уменьшение амплитуды колебаний якоря приводит к уменьшению амплитуды сигнала U1 с выхода датчика перемещения якоря (см. фиг.4), который после усиления и детектирования (см. фиг.5) поступает на устройство индикации. При уменьшении измеряемого уровня происходит обратный процесс.
Формула изобретения
Вибрационный уровнемер жидкости, содержащий связанный с чувствительным элементом в виде тонкого стержня якорь, генератор импульсов, усилитель, устройство возбуждения в виде катушки с ферромагнитным сердечником, подключенной к выходу генератора импульсов, датчик перемещений якоря, выполненный в виде катушки с ферромагнитным сердечником, подключенной к входу усилителя, отличающийся тем, что чувствительный элемент вибрационного уровнемера снабжен равномерно расположенными на нем лопатками, плоскости которых ориентированы перпендикулярно направлению колебаний, площадь лопаток уменьшается к концу стержня, а в состав уровнемера дополнительно введены детектор, входом подключенный к выходу усилителя, и устройство индикации, входом подключенное к выходу детектора.
РИСУНКИ
|
|