|
| На основании пункта 1 статьи 1366 части четвертой Гражданского кодекса Российской Федерации патентообладатель обязуется заключить договор об отчуждении патента на условиях, соответствующих установившейся практике, с любым гражданином Российской Федерации или российским юридическим лицом, кто первым изъявил такое желание и уведомил об этом патентообладателя и федеральный орган исполнительной власти по интеллектуальной собственности. |
|
(21), (22) Заявка: 2007105655/06, 14.02.2007
(24) Дата начала отсчета срока действия патента:
14.02.2007
(46) Опубликовано: 10.10.2008
(56) Список документов, цитированных в отчете о поиске:
RU 2258819 С2, 10.02.2005. SU 1502867 A1, 23.08.1989. RU 2163681 C2, 27.02.2001. US 3301244 A, 31.01.1967. RU 2228452 C2, 10.05.2004. RU 2046972 С1, 27.10.1995. FR 2491147 А, 02.04.1982.
Адрес для переписки:
690080, г.Владивосток, ул. Космонавтов, 1, кв.40, И.П. Печкину
|
(72) Автор(ы):
Печкин Илья Петрович (RU)
(73) Патентообладатель(и):
Печкин Илья Петрович (RU)
|
(54) СПОСОБ ПОВЫШЕНИЯ ЭФФЕКТИВНОСТИ РАБОТЫ ПОРШНЕВОГО ДВИГАТЕЛЯ ВНУТРЕННЕГО СГОРАНИЯ (СПОСОБ ПЕЧКИНА)
(57) Реферат:
Изобретение относится к области энергомашиностроения. Технический результат заключается в улучшении основных характеристик поршневого двигателя внутреннего сгорания. Сущность изобретения заключается в том, что неподвижное положение и возвратно-поступательное движение поршень совершает при помощи подпружиненного коромысла, один конец которого связан с валом нагрузки, а другой его конец может фиксироваться на одном из зубьев зубчатой собачки, в результате чего в цилиндре двигателя происходят процессы впуска, сжатия, сгорания, рабочего такта и выпуска газов продуктов сгорания. В двигателе предусмотрен также управляющий вал с барабаном, на котором вращают с помощью электродвигателя полукольца-датчики. Вокруг барабана установлены электроприемники. В случае объединения одноцилиндровых двигателей в многоцилиндровый двигатель автоматическая система управления обеспечивает работу электроприводов пружин коромысел таким образом, что одноименные процессы в цилиндрах многоцилиндрового двигателя осуществляются либо поочередно, либо одновременно, либо группами. 15 ил.
Изобретение относится к области энергомашиностроения, в частности усовершенствует способ повышения эффективности работы поршневого двигателя внутреннего сгорания, предназначенного для энергетических установок, например, на электростанциях, на кораблях, тепловозах, автомобилях и в авиации.
В двигателестроении широко известен способ преобразования вращательного движения коленчатого вала в возвратно-поступательное движение поршня, в результате чего в цилиндре поршневого двигателя внутреннего сгорания осуществляются процессы впуска, сжатия, рабочего такта и выпуска газов продуктов сгорания (Ваншейдт В.А. Судовые двигатели внутреннего сгорания. – Л.: Судпромгиз, 1962 – с.81).
Недостатком способа повышения эффективности работы поршневого двигателя внутреннего сгорания является то, что коленчатый вал, являясь движителем поршня, совершает восемь тактов за цикл в четырехтактном двигателе.
Однако термодинамический цикл четырехтактного двигателя имеет два скоростных и два затяжных процесса. Таким образом, устройства для реализации известного способа работают по нескоординированным диаграммам. Это не позволяет получить высокую эффективную мощность (Ne) в устройстве для реализации способа, потому что детали цилиндропоршневой группы выполняют две функции, работая в режиме компрессора, а затем – двигателя.
Известен также способ работы поршневого двигателя внутреннего сгорания (описание изобретения к патенту RU №2163681 С2, 7 F02В 75/32 за 2001 г.). Сущность способа состоит в том, что кулачковый вал преобразует вращательное движение в неподвижное и возвратно-поступательное движение поршня, в результате этого в цилиндре двигателя происходят процессы впуска, сжатия, рабочего такта и выпуска газов продуктов сгорания. При этом цикл управляющего вала стал иметь два скоростных и два затяжных такта. Это позволило улучшить работу устройства для реализации способа.
Недостатком известного способа является то, что механический способ управления двигателем не позволяет эффективно осуществлять отбор мощности в широких пределах от цилиндров многоцилиндрового двигателя. Поэтому для этих целей используют коробки передач.
Наиболее близким к заявленному изобретению является способ повышения эффективности работы поршневого двигателя внутреннего сгорания (описание изобретения к патенту RU 2258819 С2, 7 F02В 75/32 за 2005 г.). Сущность данного способа состоит в том, что неподвижное и возвратно-поступательное движение поршень совершает за счет преобразования механической энергии пружины и кулачка, вращающегося на валу сельсина-приемника синхронно с сельсином-датчиком, в результате этого в цилиндре двигателя происходят процессы впуска, сжатия, рабочего такта и выпуска продуктов сгорания, причем при объединении одноцилиндровых двигателей в многоцилиндровый двигатель используют сельсин-датчик, сельсин-приемник и электрически цепи, в результате этого одноименные процессы в разных цилиндрах многоцилиндрового двигателя осуществляют либо поочередно, либо одновременно, либо группами.
Использование сельсинов в устройстве для осуществления известного способа позволяет осуществлять отбор мощности у многоцилиндровых двигателей в широких пределах без вспомогательных устройств. Однако сельсинный способ управления двигателем мало изучен, поэтому не имеет хорошего комплектующего оборудования. Кроме того, сельсинный способ непригоден для двигателей большой мощности.
Исходя из вышеизложенного была поставлена задача разработать такой способ работы поршневого двигателя внутреннего сгорания, который улучшит основные технические характеристики параметров поршневого многоцилиндрового двигателя внутреннего сгорания.
Поставленная задача решается заявленным способом повышения эффективности работы поршневого двигателя внутреннего сгорания, включающим преобразование механической энергии пружины в неподвижное и возвратно-поступательное движение поршня, в результате чего в цилиндре двигателя происходят процессы впуска, сжатия, сгорания, рабочего такта и выпуска газов продуктов сгорания. Пружины осуществляют движения по команде полуколец-датчиков, вращающихся на барабане. Путем автоматической системы управления (АСУ) с помощью электроприемников, расположенных в веерном порядке вокруг барабана, при объединении одноцилиндровых двигателей в многоцилиндровый двигатель одноименные процессы в разных цилиндрах многоцилиндрового двигателя совершают либо поочередно, либо одновременно, либо группами.
В заявленном способе признаками изобретения, общими для него и его наиболее близкого аналога, являются:
– управляющий кулачок обеспечивает неподвижное положение и возвратно-поступательное движение поршня, в результате чего в рабочем цилиндре двигателя происходят процессы впуска, сжатия, сгорания, рабочего такта и выпуска газов продуктов сгорания;
– при объединении одноцилиндровых двигателей в многоцилиндровый двигатель одноименные процессы в разных цилиндрах осуществляют либо поочередно, либо одновременно, либо группами;
– использован электрический способ управления двигателем.
В заявленном способе признаками изобретения, отличающими его от его наиболее близкого аналога, являются:
– неподвижное положение и возвратно-поступательное движение поршня обеспечивает пружина, в результате чего в рабочем цилиндре двигателя происходят процессы впуска, сжатия, сгорания, рабочего такта и выпуска газов продуктов сгорания;
– управляющий вал выполняют в виде барабана, на котором размещены полукольца-датчики;
– вокруг управляющего барабана в веерном порядке установлены электроприемники;
– автоматическая система управления с помощью полуколец-датчиков и электроприемников обеспечивает соединение одноцилиндровых двигателей в многоцилиндровый двигатель таким образом, что одноименные процессы в разных цилиндрах многоцилиндрового двигателя осуществляют либо поочередно, либо одновременно, либо группами.
Данная совокупность отличительных признаков изобретения вместе с общими признаками заявленного способа и наиболее близкого его аналога обеспечивают получение положительного эффекта изобретения во всех случаях, на которые распространяется испрашиваемый объем правовой охраны.
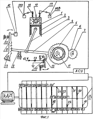
На фиг.1 изображена кинематическая схема устройства для реализации способа повышения эффективности работы поршневого двигателя внутреннего сгорания.
На фиг.2 – идеальная диаграмма работы четырехтактного одноцилиндрового ДВС, построенная по способу Гриневецкого-Мазинга в координатах: давление (Р) кгс/см2; угол поворота коленчатого вала ( °) в градусах.
На фиг.3 – диаграмма хода поршня четырехтактного одноцилиндрового ДВС, построенная по способу Брикса в координатах: ход поршня (n) в мм, угол поворота коленчатого вала ( °) в градусах.
На фиг.4 – реальная индикаторная диаграмма работы четырехтактного одноцилиндрового ДВС в координатах: давление (Р) кгс/см2, угол поворота коленчатого вала ( °) в градусах.
На фиг.5 – индикаторная диаграмма работы четырехтактного четырехцилиндрового двигателя в координатах: давление (Р) кгс/см2, угол поворота коленчатого вала ( °) в градусах.
На фиг.6 – индикаторная диаграмма работы четырехтактного четырехцилиндрового ДВС при 1500 об/мин, а после переключения скорости – при 5000 об/мин, в координатах: давление (Р) кгс/см2, угол поворота коленчатого вала ( °) в градусах.
На фиг.7 – силы, действующие на коленвал со стороны поршней во время работы четырехтактного четырехцилиндрового ДВС при 1500 об/мин, а после переключения скорости при 5000 об/мин:
1. силы, возникающие во время протекания вспомогательных процессов (F1);
2. силы, возникающие во время протекания рабочих тактов в цилиндрах ДВС (F2);
3. силы, возникающие во время протекания процессов сгорания топливовоздушной смеси (F3);
4. силы, действующие на коленвал во время отключения нагрузки в момент переключения скорости.
На фиг.8 – индикаторные диаграммы цилиндров четырехтактного четырехцилиндрового ДВС, одни и те же процессы в которых совершаются одновременно (по аналогии параллельного соединения электрических источников).
На фиг.9 – диаграмма эффективных мощностей цилиндров, одни и те же процессы в которых совершаются одновременно.
На фиг.10 – индикаторные диаграммы цилиндров четырехтактного четырехцилиндрового ДВС, одноименные процессы в которых совершаются поочередно (по аналогии последовательного соединения электрических источников).
На фиг.11 – диаграмма эффективных мощностей цилиндров, одноименные процессы в которых совершаются поочередно.
На фиг.12 – индикаторные диаграммы цилиндров четырехтактного четырехцилиндрового ДВС, одноименные процессы в которых совершают группами (по аналогии смешанного соединения электрических источников).
На фиг.13 – диаграмма эффективных мощностей цилиндров, одноименные процессы в которых совершаются группами.
На фиг.14 изображена однолинейная электрическая схема управления устройством для реализации способа повышения эффективности работы поршневого двигателя внутреннего сгорания.
На фиг.15 – кинематическая схема газораспределения первого рабочего цилиндра на управляющем барабане.
Устройство для реализации способа повышения эффективности работы поршневого двигателя внутреннего сгорания содержит цилиндр 1, поршень 2, шатун 3 и коромысло 4. Один конец коромысла жестко соединен с храповым колесом 5. Пружина 9 позволяет коромыслу 4 качаться относительно оси 11. Второй конец коромысла 4 в хвостовой части имеет возможность фиксироваться в нижнем положении на одном из зубьев зубчатой собачки 8. Пружина 12 позволяет зубчатой собачке 8 качаться относительно оси 13 между приводом 1С и опорой пружины 12. С помощью ролика 15 рычаг 17 замыкает контакты сигнальной лампочки 1Л. На верхней крышке цилиндра 1 установлены форсунка 10, клапан 14 выпуска газов продуктов сгорания с приводом 1 КВ, а также клапан 16 наполнения цилиндра воздухом с приводом 1КН. Зубчатый обод храпового колеса 5 вращает малое зубчатое колесо 6, которое связано с валом 7 нагрузки.
Устройство для реализации способа имеет управляющий барабан, на котором размещены полукольца-датчики. Каждый рабочий цилиндр обслуживают три полукольца-датчика (см. фиг.15).
Вокруг управляющего барабана рядами с интервалом в 90° на отметках 0°, 90°, 180° и 270° установлены электроприемники. Таким образом, первый рабочий цилиндр смогут обслужить двенадцать электроприемников. Водитель (оператор) с помощью одного лишь выключателя задает нужный режим, и автоматическая система управления (АСУ) быстро и безошибочно осуществит нужные процессы во всех рабочих цилиндрах ДВС.
Перед запуском устройства для реализации способа повышения эффективности работы поршневого двигателя внутреннего сгорания оператор (водитель) проверяет готовность двигателя к пуску. В этом он убеждается по сигнальным лампочкам 1Л, 2Л, 3Л и 4Л. Если лампочки не горят, оператор включает сначала выключатель 1П. Это позволит через выключатель 1П подать напряжение 12V (вольт) на катушку 1KH клапана 16 наполнения и тем самым подать сжатый воздух из ресивера (на фиг.1 не показан) в первый рабочий цилиндр (см. фиг.1 и фиг.14).
О подаваемом количестве воздуха в цилиндр оператор узнает по сигнальной лампочке 1Л, которая должна загореться по окончании данной операции. Аналогичные операции произойдут с каждым рабочим цилиндром четырехцилиндрового двигателя, если оператор включит поочередно выключатели 2П, 3П и 4П.
Далее оператор включает в работу управляющий барабан путем подачи напряжения 12V к электродвигателю ЭДП постоянного тока через выключатель ДБ и один из резисторов R (см. фиг.15). После включения выключателя ДБ напряжение 12V появится также на сплошном кольце 18 барабана через щеткодержатель Щ.
От кольца 18 напряжение распределится по всем полукольцам-датчикам, закрепленным на барабане. Затем оператор включает выключатель 1ВР режима магнитного пускателя 1P. После включения магнитного пускателя 1P напряжение появится в катушках магнитных пускателей: 1МП-0; 2МП-90; 3 МП-180 и 4МП-270. Это позволит во время запуска двигателя включить в работу цилиндры четырехцилиндрового двигателя таким образом, чтобы одноименные процессы в разных цилиндрах совершались поочередно через интервал в 90°. Для примера рассмотрим, каким образом начнет работать первый рабочий цилиндр при запуске. Во время вращения барабана полукольцо-датчик 19 приближается, а затем коснется электроприемника 1С-0. Это позволит подать напряжение 12V с полукольца-датчика 20, замкнутые контакты 1С1 магнитного пускателя 1МП-0 в катушку привода 1С зубчатой собачки 8 первого рабочего цилиндра. После этого привод 1С сожмет пружину 12, повернет зубчатую собачку 8 влево и освободит хвостовик коромысла 4. Под воздействием пружины 9 коромысло 4 вместе с шатуном 3, поршнем 2 поднимутся вверх, а поршень 2 сожмет при этом воздух в цилиндре 1. В районе верхней точки хода поршня в полость цилиндра с помощью форсунки 10 поступит топливо, которое воспламенится и сгорит. Под действием высокого давления поршень поменяет свое направление и начнет двигаться вниз, увлекая за собой шатун 3 с коромыслом 4. При этом коромысло 4 будет поворачивать храповое колесо 5 против часовой стрелки. Храповое колесо 5 передаст вращательное движение малой шестерне 6, которая связана с валом 7 нагрузки. Кроме того, коромысло 4 сожмет пружину 9, а в нижнем положении его хвостовик повернет зубчатую собачку 8 влево и зафиксируется на одном из зубьев собачки 8. В это время полукольцо-датчик 20 приблизится, а затем коснется электроприемника 1КВ-0 на отметке 0°, после чего напряжение 12V, минуя замкнутые контакты 1КВ1 магнитного пускателя 1МП-0, поступит в катушку 1KB привода клапана 14 выпуска отработанных газов в первом рабочем цилиндре. В последнем начнется процесс выпуска газов продуктов сгорания в атмосферу. Затем полукольцо-датчик 21 коснется электроприемника 1КН-0 первого рабочего цилиндра на отметке 0°. После чего напряжение 12V через контакты 1КН1 магнитного пускателя 1МП-0 поступит в катушку 1КН привода клапана 16 наполнения первого рабочего цилиндра. Это позволит сжатому воздуху из ресивера направиться в первый рабочий цилиндр, вытесняя при этом отработанные газы. Вскоре конец полукольца-датчика 20 приблизится, а затем покинет отметку 0° на барабане. После этого прекратиться подача электроэнергии в катушку 1KB привода выпускного клапана 14 первого рабочего цилиндра. Затем аналогичным образом исчезнет ток в катушке 1КН привода клапана 16 наполнения первого рабочего цилиндра воздухом.
Таким образом, в первом рабочем цилиндре закончится полный цикл, и рабочий цилиндр снова будет готов выполнить следующий четырехтактный цикл. Об этом будет сигнализировать лампочка 1Л. За один оборот управляющего барабана во всех четырех цилиндрах совершатся аналогичные процессы, причем одноименные процессы с интервалом в 90° будут происходить в разных цилиндрах по мере вращения управляющего барабана.
При таком режиме выходная мощность двигателя будет небольшой, так как рабочие процессы в цилиндрах двигателя будут совершаться поочередно. Поэтому в любой момент времени на выходной вал будет действовать только цилиндровая мощность одного цилиндра. Для того чтобы увеличить выходную мощность двигателя в два раза, оператор должен отключить выключатель режима 1ВР, а затем включить выключатель режима 2 ВР. Это позволит отключить катушку магнитного пускателя 1P и включить под напряжение катушку магнитного пускателя 2Р. После включения магнитного пускателя 2Р напряжение появится в катушках магнитных пускателей: 1МП-0; 2МП-0, а также 3МП-180; 4МП-180. Это позволит совершать одноименные процессы сразу в двух цилиндрах, то есть в первом и во втором на отметке 0°. И в третьем и четвертом цилиндрах на отметке 180°. Для примера рассмотрим, каким образом будут совершать одноименные процессы сразу два цилиндра. Во время вращения управляющего барабана полукольцо-датчик 19 приблизится, а затем прикоснется к электроприемнику 1С-0. Это позволит подать напряжение 12V с полукольца-датчика 19, замкнутые контакты 1С1 магнитного пускателя 1МП-0 в катушку привода 1С зубчатой собачки 8 первого рабочего цилиндра. Одновременно напряжение 12V появится в катушке привода 2С зубчатой собачки 8 второго рабочего цилиндра, с полукольца-датчика 22, замкнутые контакты 2С1 магнитного пускателя 2МП-0. После этого зубчатые собачки 8 синхронно повернутся в первом и во втором цилиндрах и освободят хвостовики коромысел 4 в обоих цилиндрах. Под воздействием пружин 9 коромысла 4 вместе с шатунами 3 и поршнями 2 поднимутся вверх, сжимая при этом воздух в двух цилиндрах одновременно. В районе верхней точки хода поршня через форсунки 10 в первый и второй цилиндры поступит топливо. Благодаря высокой температуре от сжатого воздуха топливо в цилиндрах одновременно воспламенится и сгорит. Под воздействием высокого давления поршни первого и второго цилиндров поменяют свое направление и опустятся вниз вместе с шатунами 3, коромыслами 4. При этом коромысла 4 первого и второго цилиндров одновременно повернут храповые зубчатые колеса 5 против часовой стрелки. Это позволит повернуть в несколько раз быстрее вал 7 нагрузки сразу двумя малыми шестернями 6 первого и второго цилиндров. Кроме того, коромысла 4 первого и второго цилиндров синхронно сожмут пружины 9, а в нижних положениях, повернув зубчатые собачки 8 влево, зафиксируются на отдельных зубцах собачек 8.
В это время полукольцо-датчик 20 первого цилиндра вместе с полукольцом-датчиком 23 второго цилиндра приблизятся, а затем коснутся электроприемников 1КВ-0 и 2КВ-0 на отметке 0°. После чего напряжение 12V через контакты 1КВ1 магнитного пускателя 1МП-0 поступит в катушку 1KB привода клапана 14 выпуска отработанных газов первого рабочего цилиндра. Одновременно напряжение 12V появится в катушке привода 2КВ клапана 14 выпуска отработанных газов второго цилиндра, с полукольца-датчика 23 замкнутые контакты 2КВ1 магнитного пускателя 2МП-0. После чего отработанные газы начнут покидать первый и второй цилиндры. Далее полукольца-датчики 21 первого и 24 второго цилиндров коснутся электроприемников 1КН-0 первого и 2КН-0 второго цилиндров на отметке 0°. После чего напряжение 12V через контакты 1КН1 магнитного пускателя 1МП-0 поступит в катушку 1КН клапана 16 наполнения первого цилиндра, а через контакты 2КН1 магнитного пускателя 2МП-0 – в катушку 2КН привода клапана 16 наполнения второго рабочего цилиндра. Это позволит сжатому воздуху из ресивера направиться сразу в полости первого и второго цилиндров и начать вытеснять отработанные газы в обоих цилиндрах. После конец полукольца-датчика 20 приблизится, а затем покинет отметку 0 на барабане. После этого прекратится подача электроэнергии в катушку 1KB привода выпускного клапана 14 первого рабочего цилиндра. Одновременно исчезнет электропитание в катушке 2KB привода выпускного клапана 14 второго рабочего цилиндра. Затем аналогичным образом исчезнет ток в катушке 1КН привода клапана 16 наполнения первого рабочего цилиндра после того, как полукольцо-датчик 21 покинет отметку 0°. Одновременно исчезнет ток в катушке 2КН привода наполнения клапана 16 второго цилиндра после того, как полукольцо-датчик 24 покинет отметку 0°. Таким образом, в первом и во втором цилиндрах совершатся синхронно одноименные процессы. За один поворот управляющего барабана одноименные процессы будут совершаться при данном режиме сразу в двух цилиндрах, то есть в первом и во втором на отметке 0°. И в третьем и четвертом на отметке 180° (см. фиг.15). Если обстановка потребует увеличения мощности двигателя, оператор отключит выключатель режима 2 ВР, а затем включит выключатель 3 ВР. Это позволит совершать одноименные процессы во всех четырех цилиндрах одновременно на отметке 0°. Таким образом, мощность двигателя возрастет в четыре раза, то есть будет равна сумме цилиндровых мощностей всех цилиндров. Кроме того, на данном режиме оператор сможет увеличивать выходную мощность путем увеличения скорости вращения управляющего барабана. Это позволит получить максимальную мощность ДВС.
Прежде чем перейти к изложению технико-экономических преимуществ, подкреплю убедительными примерами цель изобретения. В настоящее время в мире выпускают ДВС транспортных средств по проектам, которые были предложены более века назад и были созданы без научных, технических знаний. Это привело к тому, что отрасль двигателестроения отстала от других отраслей, в частности от энергетики, железнодорожного транспорта, более чем на век.
Согласно теоретическим основам, разработанным русским ученым В.И.Гриневецким и его последователями, ДВС (см. фиг.2) должен работать по индикаторной диаграмме Гриневецкого-Мазинга. Это, по сути дела, идеальная диаграмма работы четырехтактного ДВС в координатах: давления (Р) кгс/см2; угол поворота коленчатого вала ( °) в градусах. Если посмотреть на диаграмму фиг.2, то станет ясно, что четырехтактный двигатель должен иметь два скоростных (2с) и два затяжных (2з) такта в цикле. Схематически это можно будет выразить так: 2с × 2з × 2с ×…
Однако коленчатый вал, являясь движителем поршня, не позволяет последнему осуществлять нужные процессы (такты) в цилиндре ДВС. Это связано с тем, что коленвал может двигать поршень по диаграмме, построенной по способу Брикса (см. фиг.3) в координатах: ход поршня (n) в мм; угол поворота коленчатого вала ( °) в градусах. Из диаграммы фиг.3 видно, что цикл коленчатого вала четырехтактного двигателя имеет иное чередование тактов: один скоростной (1с); далее идет один затяжной (1з); потом снова один скоростной (1с) и т.д. Схематически это будет выглядеть так: 1c × 1з × 1c ×… Если сравнить диаграммы термодинамического и механического циклов, приведенных на фиг.2 и 3, то станет ясно, что включать в параллельную работу их нельзя, так как они нескоординированы. Очевидно, первооткрыватели ДВС об этом не знали, поэтому поручили деталям цилиндропоршневой группы выполнять функции нескольких механизмов путем коленвала: компрессора высокого давления (процесс сжатия отработанных газов); вентилятора (процесс наполнения) и, наконец, двигателя (процесс сжатия, сгорания и рабочий такт).
Таким образом, реальная диаграмма четырехтактного двигателя приняла иной вид (см. фиг.4), отличающийся от диаграмм фиг.2 и 3. На диаграмме фиг.4 видно, что в одном затяжном (1з) такте наполнения (термодинамического цикла фиг.2) размещаются: один скоростной (1с) и два затяжных (2з) такта коленчатого вала (диаграммы фиг.3). Далее скоростной (1с) такт – сжатия (термодинамического цикла фиг.2) совпал со скоростным (1с) тактом коленвала (диаграммы фиг.3). Вместе с этим сверхскоростной (1сс) рабочий такт (термодинамического цикла фиг.2) опережает рабочий скоростной такт (1с) коленчатого вала (диаграммы фиг.3) на затяжной (1з) процесс.
По опытным данным рабочий такт в ДВС протекает наиболее эффективно при достижении максимальных параметров: давления и температуры газов продуктов сгорания в цилиндре двигателя. Очевидно, в этот момент и нужно как можно быстрее осуществлять процесс преобразования внутренней энергии в механическую работу. Однако если посмотреть на диаграмму фиг.4, то станет ясно, что в момент, когда продукты сгорания имеют высокие параметры, поршень-механизм, осуществляющий преобразование внутренней энергии в механическую работу, «отдыхает» в «мертвой зоне» – затяжном такте коленвала. А когда поршень с коленвалом начнут двигаться «быстро», то есть совершать скоростной такт, продукты сгорания остынут, отдав большую долю энергии стенкам цилиндра, который в этот момент омывался водой. Кроме того, во время получения энергии во втором цилиндре двигателя (см. фиг.5) в результате процесса сжатия, а потом процесса сгорания топливовоздушной смеси образуется механическая энергия, которая с силой F – давит на шейку кривошипа коленвала второго цилиндра с другой стороны.
Напротив, процесс преобразования внутренней энергии в механическую работу, который совершается в первом цилиндре в этот момент, с силой F2 направлен на шейку кривошипа первого коленвала, но только с противоположной стороны верхней мертвой точки коленвала. Двигателисты знают, что эффективная мощность (Ne) двигателя возрастает с увеличением частоты вращения коленвала. Это объясняется, прежде всего, тем, что при быстром сжатии топливовоздушной смеси она рационально сгорает, образуя при этом больше энергии.
Однако с увеличением частоты вращения резко уменьшается время, отведенное на протекание вспомогательных (затяжных) процессов. Это вызывает сжатие диаграммы (см. фиг.6 и 7). Из этого следует, что при увеличении частоты вращения значение эффективной мощности возросло незначительно, а вот коэффициент наполнения цилиндра ( V) уменьшился сильно.
Кроме того, возросли потери энергии на работу ДВС в режиме компрессора высокого давления (процесс сжатия продуктов сгорания и разрежения). Вместе с этим появились резонансные явления во всасывающем и выпускном трактах.
Вот поэтому газы и топливовоздушная смесь (или воздух), двигаясь с большой скоростью в трубопроводах, создают сильные звуки при этом.
В настоящее время двигателисты классифицируют мощность ДВС транспортных средств по объему (V) или диаметру (Д) цилиндра. Они считают, что это единственный основной параметр, определяющий мощность двигателя. Это заблуждение породило массу существенных недостатков, а вернее, парадоксов. Так, при создании судовых ДВС диаметры цилиндров возросли до астрономических размеров (более 1 метра). Очевидно поэтому на флоте появились ДВС – «великаны». Цилиндры таких двигателей работают поочередно, т.е. в одноцилиндровом режиме. Это значит, что общая мощность такого ДВС огромная, а используется для работы режим с наименьшей мощностью. Вот почему коэффициент полезного действия (КПД) современных ДВС транспортных средств ниже КПД паровоза, умершего около века назад.
В устройстве для реализации способа повышения эффективности работы поршневого двигателя внутреннего сгорания использованы принципиальные электрические схемы, которые были созданы на основе известных законов природы более века назад и используются энергетиками и железнодорожниками.
Судите сами. Например, если нам нужно будет получить большую эффективную мощность в многоцилиндровом двигателе, водитель транспортного средства путем одного лишь выключателя с пульта управления сможет заставить все рабочие (входящие в состав многоцилиндрового ДВС) цилиндры работать таким образом, чтобы в разных цилиндрах одни и те же процессы совершались одновременно. Это позволит получить общую цилиндровую эффективную мощность (Ne) двигателя путем сложения цилиндровых мощностей цилиндров, входящих в состав многоцилиндрового двигателя. Результат этой операции можно будет увидеть на фиг.8 и 9.
Очевидно, все цилиндры многоцилиндрового ДВС при таком режиме будут работать синхронно (одновременно) по аналогии одноцилиндрового двигателя. Естественно, при таком режиме все цилиндры смогут работать на высоких скоростях (современные одноцилиндровые двигатели развивают до 30000 об/мин) и выдавать наибольшую мощность. Это позволит отказаться от больших цилиндров в многоцилиндровых ДВС благодаря повышению коэффициента загруженности, а также повышению основных технических параметров устройства для реализации способа.
Если нам не нужна будет большая эффективная мощность, достаточно будет переключить полукольца-датчики на управляющем барабане таким образом, чтобы в разных цилиндрах одноименные процессы совершались поочередно. Результат этой операции можно увидеть на фиг.10 и 11.
Очевидно, при последовательной работе цилиндров многоцилиндрового ДВС эффективная мощность будет наименьшая. Это объясняется тем, что все цилиндры при таком режиме будут работать поочередно. Кроме того, при таком режиме нельзя развивать большие обороты потому, что частота повторения циклов приведет к снижению коэффициента наполнения (см. фиг.6) и другим негативным эффектам. Вместе с этим, при таком режиме использовать большое количество цилиндров нельзя. Результат этого утверждения можно увидеть на фиг.11. Если рабочие цилиндры многоцилиндрового двигателя соединить таким образом, чтобы в разных цилиндрах многоцилиндрового двигателя одноименные процессы совершались группами. Это позволит получить эффективную мощность двигателя в промежутке от мощности, полученной при синхронной работе цилиндров, до мощности поочередного рабочего режима. Результат этого режима можно увидеть на фиг.12 и 13.
Все эти операции можно будет осуществить при работающем двигателе с помощью автоматической системы управления (АСУ). Вместе с тем, в устройстве для реализации способа с электрическим управлением исчезнут сложнейшие «надстройки»: кривошипно-шатунный механизм с коленвалом; коробки передач; полуавтоматы; автоматы; мощная система охлаждения будет заменена обыкновенным вентилятором. Исчезнут резонансные явления в трубопроводах, поэтому глушители шумов также станут не нужны.
Благодаря вышеизложенным преимуществам устройства для реализации предлагаемого способа повышения эффективности работы поршневого двигателя внутреннего сгорания будут иметь большую агрегатную мощность по сравнению с современными ДВС (при меньших размерах), которую при этом можно будет неограниченно увеличивать, удовлетворяя растущие потребности использования двигателей для решения многочисленных научных и технических проблем, а также в обороне страны.
Формула изобретения
Способ повышения эффективности работы поршневого двигателя внутреннего сгорания путем обеспечения неподвижного положения и возвратно-поступательного движения поршня, связанного с валом нагрузки, в результате чего в цилиндре двигателя происходят процессы впуска, сжатия, сгорания, рабочего такта и выпуска газов продуктов сгорания, при этом управляющий вал вращает сельсин-приемник, а при объединении одноцилиндровых двигателей в многоцилиндровый двигатель управляющие валы отдельных цилиндров соединяют с помощью сельсинов-датчиков таким образом, что одни и те же процессы в цилиндрах многоцилиндрового двигателя осуществляют либо поочередно, либо одновременно, либо группами, отличающийся тем, что неподвижное положение и возвратно-поступательное движение поршень совершает при помощи подпружиненного коромысла, один конец которого связан с валом нагрузки, а другой его конец может фиксироваться на одном из зубьев зубчатой собачки, управляющий вал выполняют в виде барабана, на котором вращают полукольца-датчики, вокруг барабана установлены в веерном порядке электроприемники, а соединение одноцилиндровых двигателей в многоцилиндровый с поочередными, либо одновременными, либо группами одноименными рабочими процессами в разных цилиндрах осуществляют при помощи полуколец-датчиков с электроприемниками и автоматической системы управления.
РИСУНКИ
|
|