|
|
(21), (22) Заявка: 2007107155/04, 26.02.2007
(24) Дата начала отсчета срока действия патента:
26.02.2007
(46) Опубликовано: 10.10.2008
(56) Список документов, цитированных в отчете о поиске:
RU 2073699 C1, 20.02.1997. RU 2288949 С1, 10.12.2006. RU 2175001 С1, 20.10.2001. RU 2171274 С1, 27.01.2001. RU 2293066 С1, 10.02.2007. RU 2174148 С1, 27.09.2001. GB 1429163 А, 24.03.1976. GB 374915 А, 09.06.1932. US 2002023869 А, 28.02.2002.
Адрес для переписки:
664005, г.Иркутск, ул. Боткина, 8а, кв.60, П.И. Трояну
|
(72) Автор(ы):
Троян Павел Иванович (RU)
(73) Патентообладатель(и):
Троян Павел Иванович (RU)
|
(54) УСТРОЙСТВО И СПОСОБ ПЕРЕРАБОТКИ ОТРАБОТАННЫХ МОЮЩИХ РАСТВОРОВ И СМАЗОК, ОБРАЗОВАННЫХ ПРИ МОЙКЕ БУКС КОЛЕСНЫХ ПАР И УЗЛОВ ПОДВИЖНОГО СОСТАВА ЖЕЛЕЗНЫХ ДОРОГ
(57) Реферат:
Группа изобретений относится к переработке отработанных моющих растворов и смазок, образованных при мытье буксовых узлов и мойке узлов подвижного состава железных дорог. Установка для переработки отработанных моющих растворов и смазок содержит аппарат (5) с вертикальным цилиндрическим корпусом, крышкой и коническим днищем, нагревательными элементами, патрубками (17) и (18) в верхней части аппарата для отбора отстоявшегося мыла и масла, краном для отбора шлама в нижней части аппарата, установка также включает узел по сбору и отстою моющих растворов, который включает емкость (7) для сбора и отстоя мыла, конвейер (16) с дозатором для разлива мыла, узел по сбору и отстою масла, который включает емкость (3) для сбора и отстоя, устройство (19) для разлива масла в тару, узел по сбору шлама, который включает емкость (11) для сбора шлама, конвейер (12) для разлива шлама в формы и сушильную камеру (13) с нагревательным элементом, узел сбора эмульсии, который включает емкость (8) для сбора и отстоя эмульсии, а также – емкость (10) для сбора эмульсии, устройство (15) для разлива эмульсии в тару, насос (1) для подачи воды в аппарат (5) и перекачки воды с эмульсией в емкость (8). Представлен также способ переработки указанных растворов и смазок. Достигается повышение эффективности и упрощение процесса. 2 н.п. ф-лы, 1 ил.
Изобретение относится к технике и способу переработки отработанных моющих растворов и смазок, образованных при мытье буксовых узлов и мойке узлов подвижного состава железных дорог.
При ремонте букс колесных пар, а также других узлов подвижного состава железных дорог необходимо очистить их от смазки и грязи с помощью моющих средств.
В депо скапливается большое количество отработанных моющих растворов, которое необходимо утилизировать.
Известен способ очистки подмыльных щелоков (1), включающий обработку подмыльного щелока растворимыми солями алюминия, адсорбирование на гидроокиси алюминия и эфирорастворимых веществ и отделение образовавшегося осадка.
Отличие заключается в том, что предварительно подкисляют подмыльный щелок путем электролиза, содержащейся в нем соли до рН 12, далее отделяют выделившиеся жировые вещества, обрабатывают кислый обезжиренный раствор гальванопарой алюминий железо с флотацией коагулированных коллоидных веществ и подщелачивают водную фазу за счет электролиза с последующим отделением гидроокиси алюминия с адсорбированными на ней веществами.
Причем выделяющийся в процессе электролиза хлор используют для нейтрализации содопродуктов подмыльного щелока.
Использовать данное изобретение для утилизации отработанных моющих средств и масел сложно из-за большого объема отработанных веществ.
Имеется устройство для отделения жира от воды (2), которое включает корпус с наклонным днищем, расположенную в корпусе обечайку, выполненную в виде усеченного конуса, обращенного меньшим основанием к днищу, установленный внутри обечайки отделитель жира, представляющий собой расположенный вверх дном стакан, а также патрубки для подвода водожировой массы, слива жира и отвода воды.
Устройство также снабжено распределительным лотком, форма которого аналогична форме обечайки, закрепленной концентрично последней в ее нижней части и имеющим дно, расположенное с наклоном в сторону обечайки, при этом патрубок для подвода водожировой массы сообщен с распределительным лотком, а в стенке обечайки на уровне патрубка для слива расположено отверстие для отвода жидкости.
Патрубок для подвода водожировой массы расположен по касательной к образующей лотка, а в дне последнего выполнено отверстие для очистки устройства.
Данное изобретение решает только одну узкую задачу по разделению жира от воды, и не решает вопрос всего комплекса работ по переработке отработанных веществ.
Имеется установка безреактивного расщепления жиров (3), которая включает последовательно установленные и сообщенные между собой системой трубопроводов автоклава, понизителя давления, отстойника в виде цилиндрической емкости, снабженной крышкой и дном и соединенной через систему вентиляции с атмосферой, жироловушкой, сборниками конденсата и глицериновой воды.
Установка снабжена тремя последовательно установленными кожухо-рубчатыми теплообменниками, струйным насосом и фильтром-барботером, сообщающими отстойник с системой вентиляции, при этом трубопровод, соединяющий понизитель давления с отстойником, снабжен рубашкой со штуцерами входа и выхода хладоагента. Причем отстойник выполнен герметичным и снабжен пробоотборниками, выполненными в виде сифонных трубок, одни концы которых снабжены трехходовыми кранами, а противоположные – введены через крышку внутрь отстойника и размещены на различном расстоянии от его дна.
К недостаткам следует отнести необходимость расщеплять жиры в автоклаве при температуре 225°С и давлении до 25 атм, что увеличивает капитальные и производственные расходы.
Наиболее близка по конструкции установка для извлечения жирных кислот из соапстока (4), которая включает реактор с вертикальным цилиндрическим корпусом, крышкой и коническим днищем, сепаратор, сообщенный через эжектор и вертикальную трубу с фильтром-барботером, линии подачи воды, исходного сырья, кислоты, отвода промышленных вод с жироловушкой и слива жирных кислот. Установка также имеет линию подачи кислоты герметичной емкости, с вертикальной трубой в ней, патрубками подвода и отвода для ликвидации газовых выбросов, при этом патрубки подвода и отвода размещены соостно в верхней части герметичной емкости.
Вертикальная труба соединена с патрубком отвода и выполнена таким образом, что ее нижний срез размещен от оси патрубков на расстоянии, равном 28-32 диаметрам трубы.
Жироловушка снабжена люком с герметичной крышкой и смотровым окном и подключена к эжектору.
Предложенная установка предназначена для извлечения жирных кислот с помощью химической реакции с серной кислотой и снижения газовых выбросов в производстве. Недостатком данной установки является использование серной кислоты, что усложняет установку и удорожает процесс.
Целью нашего изобретения является разделение масел, мыла, шлама и воды, по удельным весам, без использования химических реакций, что значительно снижает затраты и обеспечивают соблюдение санитарных условий работы в производстве.
Задача реализуется тем, что разработана установка и способ для переработки отработанных моющих растворов и смазок.
Установка представляет собой аппарат с вертикальным корпусом, крышкой и коническим днищем, нагревательными элементами, имеются патрубки,
в верхней части аппарата для отбора отстоявшегося мыла и масла, краном для отбора шлама в нижней части аппарата, установка также включает узел по сбору и отстою моющих растворов, который включает емкость для сбора и отстоя мыла, конвейер с дозатором для разлива мыла, узел по сбору и отстою масла, который включает емкость для сбора и отстоя, устройство для разлива масла в тару, узел по сбору шлама, который включает емкость для сбора шлама, конвейер для разлива шлама в формы и сушильную камеру с нагревательным элементом, узел сбора эмульсии, который включает емкость для сбора и отстоя эмульсии, а также – емкость для сбора эмульсии, устройство для разлива эмульсии в тару, насос для подачи воды в аппарат и перекачки воды с эмульсией в емкость.
Способ переработки отработанных моющих растворов и смазок включает подачу в аппарат отработанных моющих растворов, смазки и воды, включение нагревательных элементов, нагрев содержащихся в аппарате веществ до кипения, выдержку при температуре кипения до начала разделения веществ на фракции, последующее отключение нагревательных элементов, отстаивание веществ до полного разделения на фракции, подачу снизу воды под давлением в аппарат и выдавливание масла через патрубок в емкость для сбора и отстоя масла, выдавливание через другой патрубок мыла в емкость для сбора и отстоя мыла, последующий забор шлама из аппарата и емкости для сбора отработанного моющего раствора, разлив его по формам, сушку для сжигания с последующим перекачиванием оставшейся воды и эмульсии в емкость для отстоя, после отстоя эмульсию выдавливают и разливают в тару, а воду используют повторно.
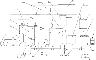
Сущность изобретения поясняется чертежом. На чертеже представлена общая схема устройства для переработки отработанных моющих растворов смазок.
Устройство для переработки отработанных веществ включает:
– емкость 6 для хранения отработанной смазки;
– емкость 9 для хранения отработанного моющего раствора;
– аппарат 5 для разделения раствора на фракции, оснащенного нагревательными элементами 2, люком 4 для загрузки отработанных веществ, патрубков для отбора моющих растворов 17 и масла 18;
– узел сбора, отстоя отработанных моющих растворов, включающий емкость 7 для сбора и отстоя мыла, конвейер с дозатором для разлива мыла 16;
– узел сбора, отстоя масла, включающий емкость 3 для сбора и отстоя масла; устройство 19 для разлива масла;
– узел сбора шлама, включающий емкость 11 для сбора шлама, конвейер 12 для разлива в формы и сушильную камеру 13 с нагревательным элементом 14;
– узел сбора эмульсии, включающий насос 1 для перекачки, устройство 15 для разлива эмульсии в тару;
– краны В1, В2, В3, В4, В4, В5, В6, В7, В8, В9, В10.
Осуществление заявленного способа происходит следующим образом. В аппарат 5 через горловину подают отработанные моющие растворы из емкости 9, через люк 4 отработанную смазку из емкости 6, плотно закрывают аппарат 5.
Затем насосом 1 заполняют аппарат водой из магистрали или отстоявшейся водой из емкости 8 до контрольного уровня (на схеме уровнемер не показан).
Далее включают нагревательные элементы 2 и нагревают смесь отработанных моющих растворов, масел и воды до кипения.
При этом режиме указанную смесь выдерживают до начала разделений на фракции (компоненты).
При температуре кипения отработанная смазка становится жидкой и основной компонент смазки смесь нефтяных масел начинает всплывать, а шлам спускается вниз аппарата 5, а в отработанном моющем растворе мыло начинает всплывать, а шлам спускается вниз.
Как только началось разделение на компоненты, выключают нагревательные элементы 2 и отстаивают содержание в аппарате 5 до полного разделения на фракции (масло, мыло, воду и шлам) по удельному весу.
Затем через кран В1 насосом 1 подают снизу в аппарат 5 воду и постепенно выдавливают самую легкую фракцию – масло через патрубок 18 до появления мыла в контрольном окне, после чего закрывают кран В5.
Масло сливают в емкость 3, затем через кран В4 и устройство 19 разливают в тару.
После слива масла открывают кран В6 и через патрубок 17 выдавливают мыло (до появления в контрольном окне эмульсии) в емкость 7, затем через кран В9 разливают мыло по формочкам. После слива мыла открывают кран В2 и спускают шлам, скопившееся в нижней части аппарата 5 и подают его в емкость 11.
В емкости 9 также происходит расслоение, шлам скапливается в нижней части емкости 9, его также подают в емкость 11.
Собранный шлам в емкости 11 на конвейере 12 разливают в формы и подают в сушильную камеру 13, включают нагревательные элементы 14. Высушенный шлам сжигают в топках.
После слива шлама из аппарата 5, перекрывают кран В2, открывают кран В1 и с помощью насоса 1 откачивают воду с эмульсией в емкость 8. В емкости 8 происходит дальнейшее расслоение, эмульсия всплывает, вода остается внизу. После окончания расслоения в верхней части аппарата 8 образуется слой эмульсии. Методом выдавливания водой снизу аппарата 8, суспензию сливают в емкость 10, далее через кран В10 производят разлив с помощью устройства 15 в тару для дальнейшего использования в производстве.
Вода из емкости 8 используется повторно для подачи в аппарат 5 или для приготовления растворов.
Краны используются: В3 – для слива мыла в случае его попадания в емкость 3, В7 – для повторного использования воды в аппарате 5, В8 – для слива воды в случае дополнительного отстоя.
Предложенный способ был опробирован как в лабораторных условиях, а также в условиях депо и дал хорошие результаты.
Литература
1. Патент РФ № 2103339, МПК С11В 13/00, дата подачи заявки 03.04.1996 г.
2. Патент РФ № 2034912, МПК С11В 13/00, дата подачи заявки 09.04.1991 г.
3. Патент РФ № 2175001, МПК С11В 13/00, дата подачи заявки 21.03.2000 г.
4. Патент РФ № 2073699, МПК С11В 13/02, дата подачи заявки 26.01.1993 г.
Формула изобретения
1. Установка для переработки отработанных моющих растворов и смазок, содержащая аппарат (5) с вертикальным цилиндрическим корпусом, крышкой и коническим днищем, нагревательными элементами, патрубками (17) и (18) в верхней части аппарата для отбора отстоявшегося мыла и масла, краном для отбора шлама в нижней части аппарата, установка также включает узел по сбору и отстою моющих растворов, который включает емкость (7) для сбора и отстоя мыла, конвейер (16) с дозатором для разлива мыла, узел по сбору и отстою масла, который включает емкость (3) для сбора и отстоя, устройство (19) для разлива масла в тару, узел по сбору шлама, который включает емкость (11) для сбора шлама, конвейер (12) для разлива шлама в формы и сушильную камеру (13) с нагревательным элементом, узел сбора эмульсии, который включает емкость (8) для сбора и отстоя эмульсии, а также емкость (10) для сбора эмульсии, устройство (15) для разлива эмульсии в тару, насос (1) для подачи воды в аппарат (5) и перекачки воды с эмульсией в емкость (8).
2. Способ переработки отработанных моющих растворов и смазок, включающий подачу в аппарат отработанных моющих растворов, смазки и воды, включение нагревательных элементов, нагрев содержащихся в аппарате веществ до кипения, выдержку при температуре кипения до начала разделения веществ на фракции, последующее отключение нагревательных элементов, отстаивание веществ до полного разделения на фракции, подачу снизу воды под давлением в аппарат и выдавливание масла через патрубок в емкость для сбора и отстоя масла, выдавливание через другой патрубок мыла в емкость для сбора и отстоя мыла, последующий забор шлама из аппарата и емкости для сбора отработанного моющего раствора, разлив его по формам, сушку для сжигания с последующим перекачиванием оставшейся воды и эмульсии в емкость для отстоя, после отстоя эмульсию выдавливают и разливают в тару, а воду используют повторно.
РИСУНКИ
|
|