|
(21), (22) Заявка: 2006139703/11, 09.11.2006
(24) Дата начала отсчета срока действия патента:
09.11.2006
(43) Дата публикации заявки: 20.05.2008
(46) Опубликовано: 10.10.2008
(56) Список документов, цитированных в отчете о поиске:
RU 2048423 C1, 20.11.1995. RU 56365 U1, 10.09.2006. DE 1164623 A, 05.03.1964. SU 537934, 05.12.1976.
Адрес для переписки:
420012, г.Казань, Толстого, 16, кв.32, Ю.М. Реутову
|
(72) Автор(ы):
Реутов Юрий Михайлович (RU), Идиятуллина Ляля Равильевна (RU), Козлов Адольф Васильевич (RU), Черемных Валентин Клеменьтьевич (RU)
(73) Патентообладатель(и):
Волжско-Камский научно-исследовательский институт лесного комплекса (ВКНИИЛК) (RU), Центр экономических исследований и экспертиз “Совет” (ЦЭИЭ “Совет”) (RU)
|
(54) КРАН ДЛЯ ПОДЪЕМА ГРУЗОВ В ОКОННЫЙ ПРОЕМ, НА ЛОДЖИИ И БАЛКОНЫ СТРОЯЩИХСЯ И РЕМОНТИРУЕМЫХ ЗДАНИЙ
(57) Реферат:
Изобретение относится к области краностроения. Кран для подъема и подачи грузов содержит стойку, стрелу, лебедку с электроприводом, струбцины для крепления к зданию и механизм поворота стрелы в горизонтальной плоскости. В верхнем конце стойки прикреплена квадратная коробка с отверстием для соединения со струбциной, которая имеет зажим для фиксации стойки, а нижний конец стойки опирается на гнездо переходной съемной муфты, надетой на одну из струбцин и выполненной в виде двух отрезков трубы квадратного сечения, скрепленных друг с другом взаимно перпендикулярно. Один отрезок трубы выполнен в виде стакана. Кран может быть снабжен штангой, взаимодействующей со стойкой крана, подкосом и струбцинами. Один конец штанги выполнен в виде струбцины для крепления к зданию, а другим концом она устанавливается в отверстие квадратной коробки. Достигается расширение технологических возможностей изделия без увеличения уровня сложности. 3 ил.
Изобретение относится к строительной индустрии и может быть использовано при создании кранов малой грузоподъемности для применения на строительстве и ремонте зданий.
Известен [1] кран для подъема и подачи грузов в оконный проем здания, содержащий телескопическую стойку, смонтированный на ней в горизонтальной плоскости кронштейн с вертикальными щеками, установленную на щеках с возможностью поворота в вертикальной плоскости стрелу, приспособление для фиксации положения последней, грузозахватное приспособление и трособлочную систему с приводом для подъема грузов, отличающийся тем, что, с целью автоматической подачи грузов в оконный проем, он снабжен жестко закрепленным на стойке торцовым эксцентриковым кулачком с наклонной кольцевой рабочей поверхностью, поворотный кронштейн установлен с возможностью перемещения вдоль стойки и выполнен с опорным элементом на нижнем торце, взаимодействующим с рабочей поверхностью кулачка, а фиксирующее приспособление представляет собой двуплечий рычаг, установленный на упомянутых щеках с возможностью захода одного его плеча, подпружиненного по направлению к стойке, в паз кулачка и взаимодействия другого плеча в верхнем положении стрелы с выполненным на ней упором.
Положительный свойством изобретения [1] является возможность поворота стрелы с грузом в оконный проем боковой гравитационной силой от веса груза. Это позволяет перемещать груз через оконный проем без применения усилий рабочего.
Недостатками технического решения по изобретению [1] являются следующие:
– нет возможности регулировать расположение грузоподъемного устройства по высоте оконного проема, что может быть необходимо при обслуживании зданий с различными размерами окон;
– механизм поворота грузоподъемного устройства под действием гравитационных сил достаточно сложен, что удорожает изделие в целом;
– изобретение не может быть использовано в создании крана для работы с лоджий или балконов строящихся и ремонтируемых зданий.
Известен также кран по заявке [2] для подъема в оконный проем здания, снабженный механизмов для поворота стрелы в оконном проеме, однако он не может быть использован для подъема груза на лоджию или балкон, что ограничивает область его применения.
Кроме того, этот кран в оконном проеме устанавливается своим основанием на подоконник, при этом в высоких оконных проемах верхняя часть проема не используется, что ограничивает возможность переноса через такой оконный проем в помещение значительных по высоте грузов.
Целью изобретения является расширение технологических возможностей изделия без увеличения уровня сложности.
Достигается это тем, что в целях упрощения конструкции и расширения ее функциональных возможностей, кран выполнен в составе нескольких простых узлов (приспособлений), соединение которых в нужных комбинациях позволит производить грузоподъемные работы не только из оконного проема но и с лоджий, балконов и других выступающих площадок здания.
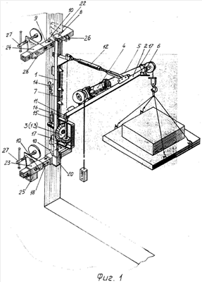
На фиг.1, 2 и 3 кран изображен закрепленным в оконном проеме (фиг.1), установленным на платформе лоджии или балкона (фиг.2), на перилах лоджии или балкона (фиг.3).
Кран состоит из грузоподъемного устройства и приспособлений, обеспечивающих его установку в рабочее положение в необходимых местах.
Грузоподъемное устройство (фиг.1) включает стойку 1, стрелу 2, поворотный механизм 3. На стреле монтируется электролебедка 4, трособлочная система 5 и «конечный» выключатель 6. На стойке имеется отвес 7 для установки ее под необходимым углом к вертикали.
К верхнему концу стойки прикреплена квадратная коробка 8 для соединения со струбциной 9 при работе крана из оконного проема или с штангой, при использовании крана с лоджии или балкона. На коробке имеется зажим 10 для фиксации стойки на струбцине или штанге. Стрела к стойке присоединяется через шарнир со штырем 11 с возможностью поворота в горизонтальной плоскости гравитационной силой или механизмом поворота 3, в вертикальной плоскости для установки стрелы с необходимым углом используется талпер 12.
Механизм поворота 3 (фиг.1) содержит коническую пару 13 с обратным передаточным числом (например 2:1) и рычаг 14 с фиксатором 15 положения стрелы в горизонтальной плоскости. На верхнем конце вертикальной оси конической пары имеется проушина 16 для установки стрелы.
Стрела 2 с установленной на ней электролебедкой 4 легко отсоединяются от стойки 1. Стойка и стрела снабжены ручками 17 для переноски этих узлов рабочими.
Комплект приспособлений для установки грузоподъемного устройства в рабочее положение состоит из двух струбцин фиг.1, 2, 3, поз. 9, 18, штанги 19 (фиг.2; 3) и муфты 20, обеспечивающих соединение грузоподъемного устройства со струбцинами и штангой в необходимых комбинациях. Этот комплект включает также подкос 21 (фиг.2; 3), необходимый для установки грузоподъемного устройства для работы с лоджии или балкона.
Струбцины 9 и 18 имеют одну неподвижную лапу 22 и одну подвижную съемную лапу 23 и 24 соответственно. На струбцине 18 подвижная лапа 23 имеет прикрепленную к ней коробку 25 с квадратным гнездом в виде стакана и зажим 10, а на струбцине 9, ближе к неподвижной лапе, прикреплены ушки 26. Подвижные лапы на каждой струбцине имеют упорные винты 27. Штанга 19 (фиг.2, 3) представляет собой отрезок квадратной трубы, один конец которой выполнен в виде струбцины, аналогичной струбцине 9.
Штыри 11 для всех соединений имеют пружинные фиксаторы, предотвращающие их выпадение из соединяемых деталей. Такие штыревые соединения обеспечат монтаж – демонтаж крана без применения инструментов.
Переходная муфта 20 представляет собой два отрезка трубы квадратного сечения, скрепленных друг с другом взаимно перпендикулярно, причем один отрезок выполнен в виде стакана, а на втором отрезке со сквозным отверстием имеется зажим 10.
Кран используется следующим образом.
1. При работе из оконного проема, фиг.1.
Грузоподъемное устройство закрепляется на нужной высоте на стене оконного проема при помощи струбцин 9 и 18. Для этого с обеих струбцин снимаются съемные лапы (упоры) 23 и 24. На струбцину 18 надевается переходная муфта 20 с отверстиями, расположенными под прямым углом. После надвигания на струбцину съемной лапы и закрепления муфты на струбцине зажимом 10, эта струбцина при помощи упорного винта 27 крепится на необходимой высоте к стене в оконном проеме. В вертикальное гнездо стакана переходной муфты 20 вставляется нижний конец стойки 1 грузоподъемного устройства, затем в коробку 8 на верхнем конце стойки 1 вставляется вторая струбцина 9, на которой после этого закрепляется съемная лапа 24.
Стойка 1 с использованием отвеса 7 устанавливается в вертикальное положение, затем ей придается наклон в сторону здания, необходимый для поворота стрелы с грузом через оконный прием под действием гравитационных сил. В этом положении стойка закрепляется струбцинами и зажимами 10 на коробке 8 и на муфте 20. На стойку ставится стрела 2 с грузоподъемным механизмом 4 и закрепляется штырем 11. Стреле при помощи талрепа 12 придается необходимый для работы наклон.
В этом положении кран готов к работе.
Поворотом рычага 14 оператор устанавливает стрелу под прямым углом к наружной стене здания.
В этом положении стрела закрепляется фиксатором 15 поворотного устройства. Грузовой крюк стрелы 2 грузоподъемным механизмом опускается до земли, здесь к нему прицепляют (грузят) груз. Груз поднимается до верхнего положения, где конечный выключатель 6 (ограничитель подъема) отключает электромотор и включает тормозное устройство. Оператор через тягу, расположенную на рукоятке рычага 14, воздействует на фиксатор 15 стрелы, при этом стрела освобождается и под действием боковой составляющей гравитационных сил или усилия рабочего, приложенного к рукоятке 14, поворачивается через оконный проем в помещение. При этом, воздействуя на рукоятку рычага 14 поворотного механизма 3, оператор регулирует скорость поворота стрелы с грузом и следит, чтобы груз не задел за противоположную стену оконного проема. В положении, когда стрела в горизонтальной плоскости становится под прямым углом к внутренней стене здания, происходит ее закрепление фиксатором 15 поворотного механизма. В этом положении груз опускается на пол. Далее процесс повторяется.
Демонтаж крана производится в обратной последовательности описанному монтажу.
2. При использовании крана с основания (консольно установленная железобетонная плита) лоджии или балкона до установки на них перил или ограждения, фиг.2.
На струбцину 18 надевается подвижная лапа 23 со стаканом 25. Эта струбцина устанавливается на краю плиты в вертикальном положении напротив края дверного или оконного проема, выходящего на лоджию (балкон). В стакан 25 вставляется стойка 1. Штанга 19 одним концом вставляется в отверстие квадратной коробки 8 на верхнем конце стойки 1, а второй конец ее, который служит струбциной, закрепляется на стене дверного или оконного проема. Затем, на некотором расстоянии от струбцины 18 (фиг.2 влево), вертикально устанавливается струбцина 9 с предварительно надетой на нее подвижной лапой 24, на которой имеются ушки 28. К ушкам с помощью штыря 11 одним концом прикрепляется подкос 21. Другой конец его прикрепляется штырем 11 к ушкам 29, расположенным на верхнем конце стойки 1.
С использованием отвеса 7 стойку 1 устанавливают с нужным наклоном в сторону здания и закрепляют зажимами 10.
Стрела с грузоподъемным устройством устанавливается на стойку. Подъем груза и подача его на место производится так же, как в случае работы из оконного проема.
3. При использовании крана с лоджии или балкона при наличии ограждения (перил), фиг.3.
На струбцину 18 надвигается переходная муфта 20, струбцина горизонтально устанавливается на перила (ограждение) лоджии или балкона и закрепляется винтом 27. В вертикальное гнездо стакана муфты 20 вставляется стойка 1. Штанга 19 одним концом вставляется в отверстие квадратной коробки 8 на верхнем конце стойки 1, а второй конец ее, который служит струбциной, закрепляется на стене дверного или оконного проема.
Затем, на некотором расстоянии от струбцины 18 (на фиг.3 влево), на перила горизонтально устанавливается струбцина 9. На нее надевается подвижная лапа 24. К ушкам 26 с помощью штыря 11 одним концом прикрепляется подкос 21. Другой конец его прикрепляется штырем 11 к ушкам 29, расположенным на верхнем конце стойки 1.
Дальнейшее закрепление грузоподъемного устройства, установка под нужным углом стойки 1 и стрелы и подъем груза производятся, как в предыдущих случаях.
Положительный эффект использования изобретения достигается за счет применения для установки грузоподъемного устройства крана в оконном проеме, на лоджии или балконе винтовых струбцин со съемным упором (лапой), штанги, подкоса и переходной муфты с взаимно перпендикулярными отверстиями.
ИСТОЧНИКИ ИНФОРМАЦИИ
1. Патент 2048423 (Прекратил действие по данным на 19.09.05). Кран для подъема и подачи грузов в оконный проем здания с приоритетом 1991.06.20. Авторы: Деулин И.Я. и др.
2. Решение о выдаче патента на полезную модель по заявке №2006103385/22(003689) с приоритетом от 26.01.2006. Кран для подъема и подачи грузов в оконный проем здания. Авторы: Реутов Ю.М., Идиатуллина Л.Р., Козлов А.В.
Формула изобретения
Кран для подъема грузов в оконный проем, на лоджии и балконы строящихся и ремонтируемых зданий, содержащий стойку, стрелу, лебедку с электроприводом, струбцины для крепления к зданию и механизм поворота стрелы в горизонтальной плоскости, отличающийся тем, что в верхнем конце стойки крана прикреплена квадратная коробка с отверстием для соединения со струбциной, которая имеет зажим для фиксации стойки, а нижний конец стойки опирается на гнездо переходной съемной муфты, надетой на одну из струбцин и выполненной в виде двух отрезков трубы квадратного сечения, скрепленных друг с другом взаимно перпендикулярно, причем один отрезок выполнен в виде стакана, также кран может быть снабжен штангой, взаимодействующей со стойкой крана, подкосом и струбцинами, один конец штанги выполнен в виде струбцины для крепления к зданию, а другим концом она устанавливается в отверстие квадратной коробки.
РИСУНКИ
|