|
|
(21), (22) Заявка: 2006141489/11, 24.11.2006
(24) Дата начала отсчета срока действия патента:
24.11.2006
(43) Дата публикации заявки: 27.05.2008
(46) Опубликовано: 10.10.2008
(56) Список документов, цитированных в отчете о поиске:
RU 2247044 C1, 27.02.2005. DE 2246840 A1, 04.04.1974. US 3642149 A, 15.02.1972.
Адрес для переписки:
127994, Москва, ул. Образцова, 15, МИИТ
|
(72) Автор(ы):
Василенко Александр Иванович (RU), Величко Виктор Иванович (RU), Маловичко Владимир Валентинович (RU), Филиппов Виктор Николаевич (RU)
(73) Патентообладатель(и):
Открытое акционерное общество ОАО “Алтайвагон” (RU), Государственное образовательное учреждение высшего профессионального образования “Московский государственный университет путей сообщения” (МИИТ) (RU)
|
(54) ВАГОН С ОТКЛОНЯЮЩИМ УСТРОЙСТВОМ АВТОСЦЕПКИ
(57) Реферат:
Вагон оснащен механизмом согласования угла поворота автосцепки в зависимости от угла поворота тележки, содержащим шарнирно закрепленный на вагоне двуплечий рычаг (7), продольный стержень (16), шарнирно соединенный с двуплечим рычагом и боковиной (18) тележки или с поперечной перекладиной, соединяющей боковины тележки, а также поперечный стержень (10), шарнирно соединенный с двуплечим рычагом и автосцепкой. Улучшаются условия сцепления длиннобазных вагонов в кривых участках пути. 4 з.п. ф-лы, 6 ил.
Изобретение относится к железнодорожному транспорту, в частности к автосцепным устройствам длиннобазных вагонов.
Известен вагон, содержащий автосцепку, шарнирно установленную на хребтовой балке рамы вагона и опирающуюся на нее с помощью центрирующей балочки центрирующего механизма (В.В.Коломийченко и др. Автосцепное устройство подвижного состава, М., Транспорт, 1980 г., с.6, 7).
Недостатком вагона является отсутствие механизма согласования поворота автосцепки в зависимости от угла поворота тележки, что не позволяет использовать его в конструкции длиннобазных грузовых вагонов, так как оно не обеспечивает сцепляемость автосцепок смежных вагонов в кривых участках пути.
В качестве прототипа принят вагон с отклоняющим устройством автосцепки, содержащий шарнирно установленную на нем автосцепку, тележку, включающую, по меньшей мере, боковые части, механизм согласования угла поворота автосцепки в зависимости от угла поворота тележки, содержащий шарнирно закрепленный на вагоне двуплечий рычаг, продольный стержень, первый конец которого шарнирно соединен с тележкой, а второй – с двуплечим рычагом, поперечный стержень, один конец которого шарнирно соединен с двуплечим рычагом (патент РФ №2247044, кл. B61G 7/10, B61G 7/12 Автосцепное устройство железнодорожного вагона, 14.04.2003 г.).
Недостатком прототипа является размещение точки привода в действие механизма согласования в технологическом отверстии в боковой стенке надрессорной балки, которое удалено от оси поворота тележки на небольшую величину. Следовательно, перемещение в направлении оси вагона точки привода в действие механизма согласования при поворотах тележки в кривых участках пути также имеет небольшую величину.
Поэтому для обеспечения требуемой величины отклонения автосцепки вагона в кривых участках пути требуется многозвенная конструкция механизма согласования и увеличение его передаточного отношения. В результате на элементы тележки и детали механизма согласования действуют повышенные усилия, которые могут достигать более 1000 кг. Эти усилия будут возникать при отклонении автосцепки в кривых участках пути малого радиуса, и их величина значительно превышает допускаемые нормами проектирования вагонов отклоняющие усилия на автосцепку. Кроме этого, увеличивается количество зазоров в звеньях механизма согласования, сам механизм усложняется. Усложняется и эксплуатация вагона – требуется отслеживание его состояния в эксплуатации, поскольку общее изменение величин зазоров в эксплуатации вследствие износа приводит к изменению передаточного отношения механизма согласования. В свою очередь это ведет к изменению угла отклонения автосцепки в кривых. Все это снижает надежность длиннобазных вагонов при сцеплении их в кривых участках пути.
Таким образом, известные конструкции не обеспечивают надежное сцепление длиннобазных вагонов в кривых участках пути.
Техническим результатом изобретения является повышение надежности сцепления длиннобазных вагонов со смежными вагонами в кривых участках пути, упрощение механизма согласования, снижение нагрузок, действующих на детали механизма согласования, автосцепку и тележку, повышение надежности работы механизма согласования, повышение безопасности и улучшение условий обслуживания и ремонта механизма согласования.
Сущность изобретения состоит в том, что в предлагаемом вагоне с отклоняющим устройством автосцепки, содержащем шарнирно установленную на нем автосцепку, тележку, включающую, по меньшей мере, боковые части, механизм согласования угла поворота автосцепки в зависимости от угла поворота тележки, содержащий шарнирно закрепленный на вагоне двуплечий рычаг, продольный стержень, первый конец которого шарнирно соединен с тележкой, а второй – с двуплечим рычагом, поперечный стержень, один конец которого шарнирно соединен с двуплечим рычагом, согласно изобретению второй конец поперечного стержня шарнирно соединен с автосцепкой, а первый конец продольного стержня соединен с боковой частью тележки, или с размещенным на боковой части кронштейном, или с поперечной перекладиной, соединяющей боковые части тележки, или с размещенным на указанной перекладине кронштейном.
Кроме того, кронштейн размещен под углом 5-50 градусов к поперечной оси тележки; соотношение плеч двуплечего рычага находится в пределах от 3:1 до 1:3; продольный стержень снабжен, по меньшей мере, одним шарниром, ось которого расположена в горизонтальной плоскости; двуплечий рычаг, продольный и поперечный стержни расположены в одной плоскости.
Конец продольного стержня, шарнирно соединенный с боковой частью тележки или с размещенным на ней кронштейном, либо ось этого шарнира является точкой привода в действие механизма согласования угла поворота автосцепки в зависимости от угла поворота тележки. Шарнирное соединение одного из концов продольного стержня с боковой частью тележки или с размещенным на ней кронштейном позволяет значительно удалить точку привода в действие механизма согласования от оси поворота тележки и обеспечить значительные продольные (вдоль вагона) перемещения этой точки. Удаление точки привода в действие механизма согласования от оси поворота тележки на значительное расстояние обеспечивает возможность перемещения точки привода в действие механизма согласования на большие расстояния при любой конструкции рамы тележки. Это позволяет значительно уменьшить передаточное число двуплечего рычага и поэтому упростить конструкцию механизма согласования, снизить нагрузки, действующие на детали механизма согласования, автосцепку и тележку, повысить надежность работы механизма согласования.
Также улучшаются условия монтажа, регулировки механизма согласования, условия его диагностики, обслуживания и ремонта в эксплуатации. Кроме этого, улучшаются условия работы персонала при эксплуатации вагонов, и повышается безопасность. Объясняется это тем, что произвести осмотр (диагностирование), определить состояние деталей механизма согласования и отремонтировать их при необходимости можно, не забираясь под вагон, так как они могут находиться на расстоянии вытянутой руки от стоящего возле вагона специалиста.
Закрепление кронштейна к перекладине под углом 5-50 градусов к поперечной оси тележки позволяет обеспечить использование предлагаемого технического решения при любой конструкции шкворневых балок и других элементов вагона без ограничения угла поворота тележек.
Соединение боковых частей тележки поперечной перекладиной и шарнирное прикрепление к ней или к размещенному на перекладине кронштейну первого конца продольного стержня позволяет снизить усилия, действующие на элементы тележки и на элементы крепления кронштейна, повысить надежность крепления кронштейна.
Использование длины плеч двуплечего рычага в соотношении от 3:1 до 1:3 позволяет выбрать необходимое передаточное число механизма согласования при различных параметрах вагонов, механизмов согласования и обеспечить сцепление вагонов с различными базой и тележками в кривых любого радиуса – до 50 м.
Введение шарнира, ось которого расположена в горизонтальной плоскости, позволяет устранить воздействие на продольный стержень вертикальных изгибающих усилий, возникающих при изменении положения кузова вагона по высоте.
Размещение двуплечего рычага, продольного и поперечного стержней в одной плоскости позволяет свести к минимуму влияние вертикальных перемещений вагонов на величину отклонения автосцепки.
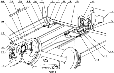
На фиг.1 показан общий вид вагона с механизмом согласования угла поворота автосцепки в зависимости от угла поворота тележки. На фиг.2 показан вариант закрепления кронштейна на боковине тележки. На фиг.3 показан механизм согласования с креплением точки привода его в действие к боковой части тележки, вид сбоку. На фиг.4 – то же, вид сверху. На фиг.5 – механизм согласования с креплением точки привода его в действие к кронштейну на поперечной перекладине, вид сбоку. На фиг.6 – то же, вид сверху.
Вагон 1 содержит шарнирно установленную автосцепку 2 (фиг.1). Автосцепка 2 опирается на балочку 3 центрирующего механизма 4 и имеет возможность отклонения в плане, то есть – поворота относительно вертикальной оси 5 (фиг.4) – вправо и влево. К вагону 1 жестко прикреплен кронштейн 6, на котором шарнирно закреплен двуплечий рычаг 7 (фиг.1). К плечу 8 двуплечего рычага 7 шарнирно прикреплен один из концов 9 поперечного стержня 10. Второй конец 11 поперечного стержня 10 не жестко соединен с кронштейном 12, жестко связанным с балочкой 3. Для соединения с кронштейном 12 второй конец 11 поперечного стержня 10 может быть изогнут и вставлен в поперечный (относительно оси пути, на котором стоит вагон) паз 13 кронштейна 12, образуя таким образом подвижный шарнир, ось которого может перемещаться вдоль паза 13. Конец 11 поперечного стержня 10 может быть соединен с кронштейном 12 так же шарнирно (не показано), как конец 9 с плечом 8.
К плечу 14 двуплечего рычага 7 шарнирно прикреплен один из концов 15 продольного стержня 16. Второй конец 17 продольного стержня 16 шарнирно соединен с боковой частью тележки – боковиной 18 или с жестко закрепленным на ней кронштейном 19. Боковые части (боковины) 18 могут быть раздельными, с возможностью относительного перемещения, или соединенными друг с другом жестко, образующими цельную раму (не показано).
Для обеспечения беспрепятственного поворота тележки относительно своей оси 20 – без контакта ее с элементами рамы, например со шкворневой балкой 21 (фиг.6) или другими поперечными балками или элементами вагона – кронштейн 19 может быть расположен не только под прямым углом, но и под углом =5-50 градусов к поперечной оси 22 тележки (фиг.6) и приварен или закреплен жестко на боковине 18 другим способом, например, с помощью болтового соединения 23 (фиг.2). Кронштейн 19 может бать также не прямым, а Г-образным, криволинейным и т.п. (не показано). Для закрепления кронштейна могут быть использованы выступы, приливы, отверстия и т.п., имеющиеся в конструкции тележки или выполненные на ней специально для этой цели. На фиг.2 показано закрепление кронштейна 19 к кронштейну 24 боковины 18, предназначенному для крепления к тележке тормозных деталей. Кронштейн 24 со стороны автосцепки 2 (торца вагона) в стандартных тележках типа 18-100 грузовых вагонов обычно свободен.
Двуплечий рычаг 7, поперечный стержень 10 и продольный стержень 16 образуют механизм согласования угла поворота автосцепки 2 в зависимости от угла поворота тележки 18 (фиг.1). Конец продольного стержня 17, шарнирно соединенный с кронштейном 19, или ось 25 шарнирного соединения является точкой привода в действие механизма согласования.
Детали, из которых состоит механизм согласования (кроме изогнутого конца 11), могут размещаться в одной плоскости относительно друг друга (фиг.3, 5).
Механизм согласования угла предназначен для отклонения автосцепки в кривых малого радиуса, когда не обеспечивается автоматическая сцепляемость автосцепок вагонов, стоящих на этой кривой. Исполнение механизма согласования зависит от конструкции и параметров вагона, таких как база вагона, база тележки, длина консольной части вагона. Эти параметры в первую очередь влияют на величину, на которую необходимо отклонять автосцепку в кривых малого радиуса для обеспечения сцепления вагона с другими вагонами, находящимися на этой кривой или смежном с ней участке пути.
При отклонении автосцепки на большую величину требуются и большие усилия. Поэтому параметры механизма согласования должны обеспечивать отклонения автосцепки в кривой на достаточную, но не чрезмерную величину, чтобы обеспечивалось сцепление вагонов, чтобы не возникали повышенные нагрузки на элементы вагона и механизм согласования. Конструкция механизма согласования на вагоне может быть любой. Передаточное число механизма согласования может быть постоянным или переменным. Исполнение его может зависеть от конструкции (конфигурации) консольной части вагона, места расположения механизма согласования, его передаточного числа и т.д. Принцип действия также может быть любым. Механизм согласования может быть механическим, например, как на фиг.1-6, пневматическим, гидравлическим, электромеханическим и т.д., и должен обеспечить отслеживание угла поворота тележки в зависимости от радиуса кривой и в соответствии с этим углом обеспечивать поворот автосцепки на угол, достаточный для обеспечения сцепления вагона с соседними вагонами.
Соотношение плеч двуплечего рычага, его расположение, удаление точки привода в действие механизма согласования от оси поворота тележки и расположение этой точки относительно продольной оси вагона позволяет выбрать параметры механизма согласования для требуемого отклонения автосцепки длиннобазных вагонов с различными параметрами.
На фиг.3, 4 показан механизм согласования с креплением точки привода его в действие 25 к боковой части 18 тележки в зоне технологического окна 26 тележки типа 18-100. Кронштейн 27, к которому шарнирно прикреплен продольный стержень 16, жестко закреплен на боковине 18, например, болтовыми соединениями.
Стержень 10 или 16 может быть снабжен механизмом 28 (фиг.1) регулировки длины в направлении оси стержня, например, в виде резьбовых соединений – для регулировки механизма согласования в процессе его монтаже на вагоне – с целью обеспечения требуемого положения деталей механизма согласования относительно автосцепки 2 или самой автосцепки 2. А именно, конец 11 поперечного стержня 10 (фиг.1) при расположении вагона на прямом участке пути должен находиться посередине паза 13 кронштейна 12 (при выполнении подвижного шарнира 11-13). Это достигается с помощью механизма 28 регулировки длины, который позволяет для этого удлинять или укорачивать стержень, на котором смонтирован механизм 28. При соединении поперечного стержня 10 с кронштейном 12 таким же образом, как конца 9 с плечом 8, т.е. с помощью обычного шарнира, длину стержня 10 или 16 регулируют таким образом, чтобы автосцепка 2 на прямом участке пути располагалась вдоль оси пути или оси вагона.
На одном из этих стержней 10 или 16 также может быть смонтировано амортизирующее устройство 29 для смягчения продольных усилий при чрезмерных поворотах тележки в кривых очень малого радиуса. Для этой цели может быть использовано пружинное устройство.
Кронштейн 19 может быть закреплен на поперечной перекладине 30, в качестве которой может быть использована балка авторежима тормозного оборудования (фиг.5, 6) или аналогичная. Балка 30 авторежима крепится на боковинах 18 стандартным способом, так же как штатная балка для авторежима – болтовыми соединениями к штатным кронштейнам 24 боковин 18 (фиг.2, крепление балки не показано).
Кронштейн 19 может быть выполнен заодно с балкой 30 авторежима. То есть кронштейн 19 может быть продолжением одной детали – балки 30. B этом случае кронштейн 19 и балка 30 выполняются в виде единой детали (не показано).
Продольный стержень 16 может быть снабжен шарниром 31, ось 32 которого расположена в горизонтальной плоскости (фиг.6). Шарнир 31 необходим для устранения изгибных нагрузок на стержень при вертикальных колебаниях вагона 1, поскольку один конец 17 продольного стержня 16 закреплен на боковине 18 тележки или на кронштейне 19 на постоянной высоте, а второй конец 15 – на двуплечем рычаге 7, закрепленном на кронштейне 6 вагона 1, высота которого может меняться в зависимости от загрузки и при колебаниях вагона 1 в процессе движения.
Точку привода в действие механизма согласования целесообразно размещать в зоне, ограниченной плоскостью боковой поверхности вагона, например боковой стены 33, и плоскостью S (фиг.6). Положение плоскости S определяется положением внутренней боковой поверхности скользуна 34, ближнего к боковой поверхности 33 вагона. В качестве элемента боковой поверхности скользуна 34 рассматривается соответствующая плоскость корпуса или коробки скользуна. При наличии боковых ребер жесткости 35 плоскостью S считается плоскость, проходящая через крайние точки ребер жесткости, приливов и т.п. элементов скользуна тележки или рамы вагона, как показано на фиг.6.
Работа вагона осуществляется следующим образом. В кривых участках пути тележка 18 поворачивается, и точка (ось) 25 привода в действие механизма согласования перемещается вместе с тележкой, приводя в действие механизм согласования, а следовательно, вызывает поворот автосцепки 2.
Например, при повороте тележки по часовой стрелке относительно вертикальной оси 20 (по стрелке А – фиг.6) кронштейн 19 с точкой 25 также поворачивается по часовой стрелке. В результате продольный стержень 16 тянет за собой соединенное с ним плечо 14 двуплечего рычага 7. Двуплечий рычаг 7 поворачивается по часовой стрелке В, и второе его плечо тянет поперечный стержень 10 с соединенным с ним кронштейном 12. Вследствие этого автосцепка 2 поворачивается в ту же сторону, что и тележка, – по стрелке С. При повороте тележки против часовой стрелки соответствующим образом происходит поворот автосцепки 2 против часовой стрелки.
В результате в кривых участках пути автосцепка смещается внутрь кривой и обеспечиваются надежные условия сцепления вагона со смежными вагонами, стоящими в кривых участках пути.
Формула изобретения
1. Вагон с отклоняющим устройством автосцепки, содержащий шарнирно установленную на нем автосцепку, тележку, включающую, по меньшей мере, боковые части, механизм согласования угла поворота автосцепки в зависимости от угла поворота тележки, содержащий шарнирно закрепленный на вагоне двуплечий рычаг, продольный стержень, первый конец которого шарнирно соединен с тележкой, а второй – с двуплечим рычагом, поперечный стержень, один конец которого шарнирно соединен с двуплечим рычагом, отличающийся тем, что второй конец поперечного стержня шарнирно соединен с автосцепкой, а первый конец продольного стержня соединен с боковой частью тележки, или с размещенным на боковой части кронштейном, или с поперечной перекладиной, соединяющей боковые части тележек, или с размещенным на указанной перекладине кронштейном.
2. Вагон по п.1, отличающийся тем, что кронштейн размещен под углом 5-50° к поперечной оси тележки.
3. Вагон по п.1, отличающийся тем, что соотношение плеч двуплечего рычага находится в пределах от 3:1 до 1:3.
4. Вагон по п.1, отличающийся тем, что продольный стержень снабжен, по меньшей мере, одним шарниром, ось которого расположена в горизонтальной плоскости.
5. Вагон по п.1, отличающийся тем, что двуплечий рычаг, продольный и поперечный стержни расположены в одной плоскости.
РИСУНКИ
|
|