|
(21), (22) Заявка: 2004124514/28, 13.08.2004
(24) Дата начала отсчета срока действия патента:
13.08.2004
(43) Дата публикации заявки: 27.01.2006
(46) Опубликовано: 10.10.2008
(56) Список документов, цитированных в отчете о поиске:
SU 1609515 A1, 30.11.1990. SU 1726055 A1, 15.04.1992. SU 1269854 A1, 15.11.1986. SU 1664412 A1, 23.07.1991. SU 1292846 A1, 28.02.1987.
Адрес для переписки:
109004, Москва, Б. Факельный пер., 2/22, кв.44, А.И. Костюку
|
(72) Автор(ы):
Костюк Анатолий Иванович (RU)
(73) Патентообладатель(и):
Костюк Анатолий Иванович (RU)
|
(54) СПОСОБ ВОЗБУЖДЕНИЯ РЕЗОНАНСНЫХ МЕХАНИЧЕСКИХ КОЛЕБАНИЙ И УСТРОЙСТВО ДЛЯ ЕГО ОСУЩЕСТВЛЕНИЯ
(57) Реферат:
Изобретение относится к вибрационной технике и может быть использовано в различных отраслях хозяйственной деятельности. Технический результат направлен на возбуждение резонансных механических колебаний без применения уравновешивающей массы или фундамента. Способ возбуждения резонансных механических колебаний заключается в том, что резонансные колебания массы на упругой связи возбуждают путем принудительного периодического перемещения противоположного конца упругой связи, изменяют период принудительного периодического перемещения конца упругой связи и настраивают резонансные колебания заданной амплитуды, причем принудительное периодическое перемещение концу упругой связи сообщают инерционным вибратором, инерционный вибратор удерживают в пространстве виброизолирующей упругой связью с основанием, резонансные колебания возбуждают в области периода колебаний То, который выбирают по формуле

при этом выдерживают соотношение С>>Со, где Со – жесткость виброизолирующей упругой связи. Устройство для возбуждения резонансных механических колебаний содержит массу, соединенную с упругим элементом, противоположный конец которого присоединен к механизму принудительного периодического перемещения, механизм выполнен с возможностью изменения периода принудительного периодического перемещения, причем в качестве механизма принудительного периодического перемещения применен инерционный вибратор с блоком управления, соединенный с основанием через виброизолирующую упругую подвеску, упругий элемент выполнен с жесткостью, определяемой по формуле

виброизолирующая упругая подвеска выполнена с жесткостью Со, связанной с жесткостью упругого элемента соотношением Со<<С. 2 н.п. ф-лы, 1 ил.
Изобретение относится к вибрационной технике и может быть использовано в различных отраслях хозяйственной деятельности.
Известен по а.с. СССР 1609515, В06В 1/16, способ возбуждения резонансных колебаний механических систем синхронным электродвигателем, заключающийся в подаче на электродвигатель электрического напряжения, в измерении колебаний механической системы, осуществлении сдвига фазы измеренного сигнала, его усилении и подаче на электродвигатель, при этом одновременно подают напряжение на фазную обмотку и обмотку возбуждения электродвигателя, изменяют амплитуду напряжения, подаваемого на обмотки, поворачивают статор до обеспечения условия возбуждения резонансных колебаний.
Известен по а.с. СССР 1726055, В06В 1/16, способ поддержания резонансных колебаний механической системы синхронным электродвигателем, заключающийся в подаче напряжения одновременно на фазную обмотку и обмотку возбуждения электродвигателя, измерении колебаний механической системы, осуществлении сдвига фаз измеренного сигнала, усилении его и подаче на электродвигатель, при этом изменяют амплитуду напряжения, подаваемого на электродвигатель, и поворачивают статор до обеспечения условий возбуждения резонансных колебаний, при измерении колебаний определяют ускорение колебаний механической системы, осуществляют сдвиг фазы измеренного сигнала на /2, изменяют амплитуду напряжения, подаваемого на фазную обмотку, и поворачивают статор до совпадения движущего момента с моментом нагрузки, а на обмотку возбуждения подают постоянное напряжение.
Описанные аналоги имеют недостаток: резонансные колебания рабочего органа возбуждаются на упругой связи, жестко соединенной с основанием. Такая связь оказывает значительное динамическое воздействие на основание. Практически эти способы могут быть осуществлены только в случае применения массивного фундамента.
Известен по а.с. СССР 1269854, В06В 1/14, способ возбуждения колебаний заданной частоты в вибрационной резонансной системе с двумя степенями свободы, заключающийся в том, что на вибрационную резонансную систему воздействуют возмущающей силой, при этом для вибрационных систем с упругими элементами, имеющими билинейную характеристику с изломом в положении статического равновесия, частоту возмущающей силы выбирают близкой к сумме двух собственных частот 1 и 2 колебательной системы, которые определяют по соответствующей формуле.
Недостатком способа является необходимость применения уравновешивающей массы, которая как правило имеет величину того же порядка, что и масса рабочего органа. Это приводит к значительному увеличению металлоемкости и усложнению конструкции устройства для осуществления способа.
В качестве прототипов выбраны способ и устройство, описанные на стр.34-36 в книге: Элементарный учебник физики. Под ред. акад. Г.С.Ландсберга. Том 111. Колебания, волны. Оптика. Строение атома. Изд. четвертое, исправленное. Изд-во «Наука». Главная редакция физико-математической лит-ры. М., 1966.
Колебательная система, включающая груз, висящий на пружине, свободным концом пружины присоединена к механизму, позволяющему при вращении рукоятки механизма сообщать присоединенному концу пружины периодическое вынужденное перемещение. Это приводит к возбуждению вынужденных колебаний груза на пружине. При увеличении частоты вращения рукоятки амплитуда вынужденных колебаний возрастает и достигает максимального значения при совпадении периода изменения силы с собственным периодом колебательной системы, т.е. при резонансе.
Приведенное описание устройства и особенностей его работы позволяет сформулировать следующие существенные признаки осуществленного в нем способа возбуждения резонансных механических колебаний, а также существенные признаки устройства.
Существенные признаки способа в прототипе: резонансные колебания массы на упругой связи возбуждают путем принудительного периодического перемещения противоположного конца упругой связи, принудительное периодическое перемещение конца упругой связи осуществляют относительно основания по схеме жесткой кинематической связи, изменяют период принудительного периодического перемещения и настраивают резонансные колебания заданной амплитуды.
Существенные признаки устройства в прототипе: устройство содержит массу, соединенную с упругим элементом, противоположный конец которого присоединен к механизму принудительного периодического перемещения, механизм закреплен на основании и выполнен с возможностью изменения периода принудительного периодического перемещения.
Недостатком описанного способа и устройства является то, что резонансные колебания массы возбуждаются на упругой связи, которая присоединена к основанию. Такая связь, как и в случаях с описанными выше аналогами, оказывает значительное динамическое воздействие на основание, что требует применения массивного фундамента. Использование же упругой связи низкой жесткости, обеспечивающей виброизоляцию устройства от основания, не приемлемо в силу низкой частоты собственных колебаний системы и получения вследствие этого незначительного виброускорения, что не приемлемо по требованиям современных технологий, осуществляемых с применением вибрационной техники.
Задачей изобретения является возбуждение резонансных механических колебаний без применения уравновешивающей массы или фундамента.
Решение задачи достигается тем, что в предлагаемом способе резонансные колебания массы на упругой связи возбуждают путем принудительного периодического перемещения противоположного конца упругой связи, изменяют период принудительного периодического перемещения конца упругой связи и настраивают резонансные колебания заданной амплитуды, причем принудительное периодическое перемещение концу упругой связи сообщают инерционным вибратором, инерционный вибратор удерживают в пространстве виброизолирующей упругой связью с основанием, резонансные колебания возбуждают в области периода колебаний Тo, который выбирают по формуле

где То – период колебаний в с;
C – жесткость упругой связи в Н/м;
m – колеблющаяся масса в кг;
при этом выдерживают соотношение С>>Со,
где Со – жесткость виброизолирующей упругой связи.
Поставленная задача решается также тем, что заявляемое устройство для возбуждения резонансных механических колебаний содержит массу, соединенную с упругим элементом, противоположный конец которого присоединен к механизму принудительного периодического перемещения, механизм выполнен с возможностью изменения периода принудительного периодического перемещения, причем в качестве механизма принудительного периодического перемещения применен инерционный вибратор с блоком управления, соединенный с основанием через виброизолирующую упругую подвеску, упругий элемент выполнен с жесткостью, определяемой по формуле

где C – жесткость упругого элемента в Н/м;
m – колеблющаяся масса в кг;
To – период колебаний в с;
виброизолирующая упругая подвеска выполнена с жесткостью Со,
связанной с жесткостью упругого элемента соотношением Со<<С.
Применение предложенных совокупностей существенных признаков позволяет получить новый технический результат: возбуждать резонансные механические колебания без применения уравновешивающей массы или фундамента.
Анализ уровня техники в области вибрационной техники показал, что предложенные в способе и устройстве для его осуществления совокупности существенных признаков являются новыми, явным образом не следуют из уровня техники и таким образом, предлагаемое изобретение является новым и имеет изобретательский уровень.
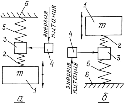
Сущность изобретения поясняется чертежом, на котором показана принципиальная схема устройства для осуществления способа возбуждения резонансных механических колебаний. Устройство содержит массу 1, которая через упругий элемент 2 соединена с инерционным вибратором 3. Инерционный вибратор получает питание от блока управления 4, с помощью которого изменяют период принудительного периодического перемещения конца упругого элемента. Через виброизолирующую подвеску 5 инерционный вибратор соединен с основанием 6.
Устройство работает следующим образом. Инерционный вибратор 3 создает возмущающую силу инерции, под действием которой прикрепленный к нему конец упругого элемента 2 совершает принудительное периодическое перемещение. Благодаря этому возбуждаются через упругий элемент 2 вынужденные колебания массы 1. Поскольку жесткость упругого элемента 2 существенно превышает жесткость виброизолирующей упругой подвески 5, амплитуда принудительного периодического перемещения инерционного вибратора 3 и связанного с ним конца упругого элемента 2 будет зависеть практически от статического момента вибратора и его массы, а также от жесткости упругого элемента 2 и массы 1. С помощью блока управления 4 изменяют период принудительного периодического перемещения конца упругого элемента в области периода То на восходящей ветви резонансной кривой и настраивают резонансные колебания заданной амплитуды (или виброускорения).
Способ возбуждения резонансных механических колебаний осуществляют следующим образом.
Чтобы возбудить вынужденные колебания массы на связанном с ней упругом элементе без непосредственной жесткой связи противоположного конца упругого элемента с основанием (или уравновешивающей массой), необходимо выполнить следующие условия.
Первое условие: необходимо применить источник возмущающей силы, способный создавать периодическую вынуждающую силу без опоры на основание или уравновешивающую массу. Это условие может быть выполнено только при использовании источника возмущающей силы инерционной природы. Как известно, силы инерции обусловлены не взаимодействием тел, а свойствами самих неинерциальных систем отсчета (см. стр.48-52 в книге: Иродов И.Е. Основные законы механики: Учебн. Пособие для вузов. – 2-е изд., перераб. – М.: Высшая школа, 1978. – 240 с., ил.). Очевидно, что указанное выше условие может быть выполнено при использовании инерционного вибратора (центробежного или с возвратно-поступательным движением массы).
Второе условие: необходимо инерционный вибратор удерживать в пространстве на упругой связи, которая бы обеспечила «динамическую автономность» колебательной системы «масса – упругий элемент – инерционный вибратор». Выполнение этого условия создает два преимущества. Во-первых, позволит получить колебательную систему с высокой частотой квазисвободных колебаний и, следовательно, с высокой частотой резонансных колебаний. Во-вторых, позволит уменьшить до допустимого значения величину динамического воздействия колебательной системы на основание. Очевидно, что условие может быть выполнено, если инерционный вибратор удерживать в пространстве на виброизолирующей упругой связи с основанием, отличительной особенностью которой является низкая жесткость (см. стр.102 и 178 в книге: Ивович В.А., Онищенко В.Я. Защита от вибрации в машиностроении. – М.: Машиностроение, 1990. – 272 с.: ил.).
Удержание инерционного вибратора 3 в пространстве виброизолирующей упругой связью с основанием 6 и его воздействие на упругую связь (соединенную противоположным концом с массой 1) создает эффект динамической псевдоопоры. Иначе говоря, инерционный вибратор будет выполнять функции не только устройства, сообщающего прикрепленному к нему концу упругой связи принудительное периодическое перемещение, но и функцию подвижной «опоры», относительно которой масса 1 будет совершать вынужденные (а в области периода То – резонансные) колебания.
Для осуществления способа выполняют следующие действия.
Массу 1 удерживают в пространстве на связанных с ней последовательно упругой связи в виде упругого элемента 2, инерционном вибраторе 3 и виброизолирующей упругой связи в виде виброизолирующей упругой подвески 5 с основанием 6. При этом соблюдают условие, чтобы жесткость С упругой связи и жесткость Со виброизолирующей упругой связи были связаны соотношением C>>Со. Инерционным вибратором 3 создают принудительное периодическое перемещение связанного с ним конца упругой связи. Благодаря этому на противоположном конце упругой связи возникают вынужденные колебания массы 1. Изменяют период принудительного периодического перемещения вибратора в области периода То и настраивают резонансные колебания массы 1 заданной амплитуды. Период выбирают по формуле

где Tо – период колебаний в с;
С – жесткость упругой связи в Н/м;
m – колеблющаяся масса в кг;
при этом выдерживают соотношение С>>Cо,
где Co – жесткость виброизолирующей упругой связи.
Предложенные способ и устройство в сравнении с прототипами имеют преимущество т.к. позволяют возбуждать резонансные механические колебания без применения уравновешивающей массы или фундамента.
Для проверки возможности практического осуществления способа и устройства была изготовлена по схеме устройства для реализации способа действующая модель. Модель имела следующие параметры: масса mв лабораторного инерционного вибратора, выполненного на базе электромотора постоянного тока, mВ=1,5 кг; масса, имитирующая колеблющуюся массу, выбиралась по распространенному на практике соотношению m>10mВ, принято m=15 кг; соотношение жесткости С упругого элемента и жесткости Со виброизолирующей подвески выбиралось с учетом требований виброизоляции (см. стр.102 в книге: В.А.Ивович, В.Я.Онищенко. Защита от вибрации в машиностроении. М.: Машиностроение, 1990), – при этом для C=24·104 Н/м жесткость виброизолирующей подвески была выбрана равной Со=0,065·104 Н/м. Период возмущающей силы, создаваемой вибратором, регулировался реостатом, включенным последовательно в цепь питания электромотора. По формуле определили, что период резонансных колебаний массы на упругом элементе относительно инерционного вибратора должен составлять 0,05 с.
Эксперименты показали, что по мере приближения к периоду 0,05 с амплитуда вынужденных колебаний массы заметно увеличивается и достигает максимального значения при периоде 0,05 с.
Таким образом, предложенное изобретение промышленно применимо.
Формула изобретения
1. Способ возбуждения резонансных механических колебаний, заключающийся в том, что резонансные колебания массы на упругой связи возбуждают путем принудительного периодического перемещения противоположного конца упругой связи, изменяют период принудительного периодического перемещения конца упругой связи и настраивают резонансные колебания заданной амплитуды, отличающийся тем, что принудительное периодическое перемещение концу упругой связи сообщают инерционным вибратором, инерционный вибратор удерживают в пространстве виброизолирующей упругой связью с основанием, резонансные колебания возбуждают в области периода колебаний То – который выбирают по формуле

где То – период колебании, с;
С – жесткость упругой связи, Н/м;
m – колеблющаяся масса, кг;
при этом выдерживают соотношение С>>Со,
где Со – жесткость виброизолирующей упругой связи.
2. Устройство для возбуждения резонансных механических колебаний, содержащее массу, соединенную с упругим элементом, противоположный конец которого присоединен к механизму принудительного периодического перемещения, механизм выполнен с возможностью изменения периода принудительного периодического перемещения, отличающееся тем, что в качестве механизма принудительного периодического перемещения применен инерционный вибратор с блоком управления, соединенный с основанием через виброизолирующую упругую подвеску, упругий элемент выполнен с жесткостью, определяемой по формуле

где С – жесткость упругого элемента, Н/м;
m – колеблющаяся масса, кг;
То – период колебаний, с;
виброизолирующая упругая подвеска выполнена с жесткостью Со связанной с жесткостью упругого элемента соотношением Со<<С.
РИСУНКИ
|