|
|
(21), (22) Заявка: 2007112862/11, 29.03.2007
(24) Дата начала отсчета срока действия патента:
29.03.2007
(46) Опубликовано: 27.09.2008
(56) Список документов, цитированных в отчете о поиске:
RU 2288111 C1, 27.11.2006. RU 2292272 C1, 27.01.2007. RU 2208530 C2, 20.07.2003. US 4260938, 07.04.1981.
Адрес для переписки:
195009, Санкт-Петербург, ул. Ватутина, 3, Лит.А, ОАО “Силовые машины”, дирекция по управлению имуществом, директору К.А.Лыкову
|
(72) Автор(ы):
Корнев Александр Сергеевич (RU), Иващенко Валерий Олегович (RU), Чандер Олег Константинович (RU), Гоголев Григорий Александрович (RU), Присенко Сергей Валерьевич (RU), Черахчиев Максим Валерьевич (RU), Чернов Сергей Сергеевич (RU)
(73) Патентообладатель(и):
Открытое акционерное общество “Силовые машины-ЗТЛ, ЛМЗ, Электросила, Энергомашэкспорт” (ОАО “Силовые машины”) (RU)
|
(54) ТЯГОВЫЙ ЭЛЕКТРОПРИВОД ПОСТОЯННОГО ТОКА С УПРАВЛЕНИЕМ НА ПОЛУПРОВОДНИКОВЫХ УСТРОЙСТВАХ
(57) Реферат:
Изобретение относится к области транспорта и направлено на усовершенствование электропривода с плавным регулированием тока возбуждения тяговых электродвигателей постоянного тока. Электропривод содержит последовательно соединенные источник питания, выключатель, не менее двух тяговых электродвигателей постоянного тока с якорными обмотками и обмотками возбуждения, датчик тока возбуждения, датчик тока якоря, заземляющее устройство. Параллельно тяговым электродвигателям включены датчик напряжения контактной сети и диод. Параллельно обмоткам возбуждения включен прерыватель тока, который содержит главный тиристор, резисторы, транзистор и контактор ослабления возбуждения. Управление прерывателем тока осуществляет блок управления. Технический результат заключается в улучшении тягово-энергетических характеристик электропривода, повышении его надежности и уменьшении габаритов. 1 ил.
Изобретение относится к транспорту, а именно к тяговым электроприводам постоянного тока с управлением на полупроводниковых устройствах.
Известен тяговый электропривод постоянного тока с тиристорным управлением, содержащий источник питания, выключатель, последовательно соединенные якорные обмотки первого и второго тяговых электродвигателей постоянного тока, последовательно соединенные обмотки возбуждения первого и второго тяговых электродвигателей постоянного тока, датчик тока возбуждения и датчик тока якоря, а также прерыватель тока возбуждения, содержащий главный тиристор и тиристор гашения, аноды которых объединены и подключены к одному из выводов первого резистора, являющегося первым входом прерывателя тока возбуждения, другой вывод первого резистора соединен с одним из выводов коммутирующего конденсатора, катодом главного тиристора и с одним из выводов второго резистора, другой вывод которого соединен с выводом третьего резистора и одним из выводов контактора ослабления возбуждения, другой вывод которого соединен со вторым выводом третьего резистора, являющимся первым выходом прерывателя тока возбуждения, другой вывод коммутирующего конденсатора соединен с катодом тиристора гашения и одним из выводов четвертого резистора, другой вывод которого, являющийся вторым выходом прерывателя тока возбуждения, подключен к одному из выводов датчика тока якоря (Локомотив, №3, 2001 г., с.29-30).
Недостатком данного электропривода является наличие тиристора гашения с цепями управления и коммутирующего конденсатора, что приводит к низкой надежности при нестационарных режимах работы и увеличению габаритных размеров. Если нестационарный режим работы возникает в промежутке времени заряда коммутирующего конденсатора, то конденсатор окажется незаряженным и главный тиристор может оказаться не выключенным, что при резком увеличении тока якоря может привести к выходу из строя электродвигателей.
Наиболее близким техническим решением к заявляемому изобретению является тяговый электропривод постоянного тока с тиристорным управлением, содержащий источник питания, выключатель, два тяговых электродвигателя постоянного тока с якорными обмотками и обмотками возбуждения, датчики тока возбуждения и тока якоря, два согласующих блока, масштабирующий усилитель, компаратор, блок управления, блок защиты от юза и боксования, контактор шунтирования с соответствующими связями, а также прерыватель тока возбуждения, содержащий главный тиристор, тиристор гашения, коммутирующий конденсатор, контактор ослабления возбуждения и резисторы. Существенные признаки, которые совпадают с признаками заявляемого изобретения, – это последовательно соединенные источник питания, выключатель, якорные обмотки первого и второго тяговых электродвигателей постоянного тока, последовательно соединенные обмотки возбуждения первого и второго тяговых электродвигателей постоянного тока, причем вывод обмотки возбуждения первого тягового электродвигателя соединен с одним из выводов якорной обмотки второго тягового электродвигателя, датчик тока возбуждения, датчик тока якоря, заземляющее устройство, блок управления, причем один из выводов датчика тока возбуждения соединен с выводом обмотки возбуждения второго тягового электродвигателя, а второй вывод датчика тока возбуждения соединен с выводом датчика тока якоря, при этом выходы датчиков тока якоря и тока возбуждения подключены к соответствующим входам блока управления, другой вывод датчика тока якоря соединен с заземляющим устройством, а также прерыватель тока возбуждения, содержащий главный тиристор, контактор ослабления возбуждения, резисторы, причем вывод первого резистора подключен к выводам якорной обмотки второго тягового электродвигателя и обмотки возбуждения первого тягового электродвигателя и является первым входом прерывателя тока возбуждения, другой вывод первого резистора соединен с катодом главного тиристора и с одним из выводов второго резистора, управляющий электрод главного тиристора подключен к соответствующему выходу блока управления и является вторым входом прерывателя тока возбуждения (Патент РФ №2208530, В60L 15/08, бюл. №20, 20.07.2003).
Недостатком данного устройства является низкая его надежность в нестационарных режимах работы и значительные габаритные размеры.
Задача изобретения – повышение надежности устройства при нестационарных режимах работы, обеспечение плавного регулирования тока возбуждения тяговых электродвигателей постоянного тока, снижение габаритных размеров.
Технический результат достигается тем, что тяговый электропривод постоянного тока с управлением на полупроводниковых устройствах содержит последовательно соединенные источник питания, выключатель, якорные обмотки не менее двух тяговых электродвигателей постоянного тока, обмотки возбуждения этих тяговых электродвигателей, датчики тока возбуждения и тока якоря, заземляющее устройство, причем выход датчика тока возбуждения подключен к соответствующему входу блока управления, выход датчика тока якоря также подключен к соответствующему входу блока управления, электропривод дополнительно содержит диод, датчик напряжения контактной сети, причем катод диода подключен к выводу якорной обмотки первого тягового электродвигателя, анод диода подключен к заземляющему устройству, датчик напряжения контактной сети подключен к аноду и катоду диода, выход датчика напряжения контактной сети подключен к соответствующему входу блока управления, электропривод также содержит прерыватель тока, который включает главный тиристор, резисторы, транзистор и контактор ослабления возбуждения, причем вывод первого резистора подключен к выводам якорной обмотки последнего тягового электродвигателя и обмотки возбуждения первого тягового электродвигателя, а также к одному из выводов силового контакта контактора ослабления возбуждения и является соответствующим входом прерывателя тока, другой вывод силового контакта контактора ослабления возбуждения подключен к аноду главного тиристора, свободный вывод первого резистора соединен с катодом главного тиристора, с одним из выводов второго резистора и коллектором транзистора, свободный вывод второго резистора подключен к эмиттеру транзистора и к свободному выводу обмотки возбуждения последнего тягового электродвигателя и является соответствующим выходом прерывателя тока, два вывода контакта управления контактора ослабления возбуждения подключены к соответствующим входам блока управления и являются соответствующими выходами прерывателя тока, управляющий электрод главного тиристора является соответствующим входом прерывателя тока и подключен к соответствующему выходу блока управления, база транзистора подключена к соответствующему выходу блока управления и является соответствующим входом прерывателя тока.
Признаки, отличающие предлагаемый электропривод постоянного тока с управлением на полупроводниковых устройствах от наиболее близкого к нему электропривода постоянного тока с тиристорным управлением, известного по патенту РФ №2208530 (прототип), характеризуют наличие диода, датчика напряжения контактной сети, причем катод диода подключен к свободному выводу якорной обмотки первого тягового электродвигателя, анод диода подключен к заземляющему устройству, к аноду и катоду диода подключен датчик напряжения контактной сети, выход которого подключен к соответствующему входу блока управления, и прерывателя тока, который дополнительно содержит транзистор, база транзистора подключена к соответствующему выходу блока управления и является соответствующим входом прерывателя тока, к общей точке соединения двух резисторов и катода тиристора подключен коллектор транзистора, эмиттер транзистора подключен к свободному выводу обмотки возбуждения последнего тягового электродвигателя и к свободному выводу второго резистора и является соответствующим выходом прерывателя тока, один из выводов силового контакта контактора ослабления возбуждения подключен к соответствующему входу прерывателя тока, другой вывод силового контакта контактора ослабления возбуждения подключен к аноду тиристора, оба вывода контакта управления контактора ослабления возбуждения подключены к соответствующим входам блока управления и являются соответствующими выходами прерывателя тока.
Указанная совокупность новых признаков не выявлена в уровне техники, что позволяет сделать вывод о соответствии предлагаемого изобретения условию патентоспособности «изобретательский уровень».
Такое схемное решение электропривода постоянного тока с транзисторно-тиристорным управлением позволяет обеспечить уменьшение габаритных размеров за счет исключения цепей конденсаторной коммутации главного тиристора. Кроме того, введение транзистора в прерыватель тока позволяет обеспечить плавное регулирование тока возбуждения, что улучшает тягово-энергетические характеристики электропривода. Надежность электропривода постоянного тока обеспечена за счет использования взамен индуктивного шунта тиристора в сочетании с транзистором.
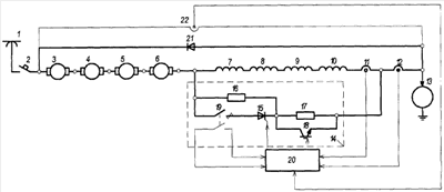
Сущность заявляемого устройства поясняется блок-схемой тягового электропривода постоянного тока с управлением на полупроводниковых устройствах для четырех тяговых электродвигателей, показанной на чертеже.
Тяговый электропривод постоянного тока с транзисторно-тиристорным управлением содержит последовательно соединенные источник питания 1, выключатель 2, якорные обмотки 3 первого, 4 второго, 5 третьего, 6 четвертого тяговых электродвигателей постоянного тока, последовательно соединенные обмотки возбуждения 7 первого, 8 второго, 9 третьего, 10 четвертого тяговых электродвигателей. К свободному выводу якорной обмотки 6 четвертого тягового электродвигателя подключен вывод обмотки возбуждения 7 первого тягового электродвигателя. Один из выводов датчика тока возбуждения 11 соединен с выводом обмотки возбуждения 10 четвертого тягового электродвигателя, а свободный вывод датчика тока якоря 12 подключен к заземляющему устройству 13. Место включения датчика тока возбуждения 11 и датчика тока якоря 12 в схему не имеет принципиального значения для достижения указанного технического результата. Важно, чтобы эти датчики измеряли ток возбуждения и ток якоря обмоток тяговых электродвигателей. Через датчик тока возбуждения 11 протекает ток обмоток возбуждения 7 первого, 8 второго, 9 третьего и 10 четвертого тяговых электродвигателей, а через датчик тока якоря 12 протекает ток якорных обмоток 3 первого, 4 второго, 5 третьего и 6 четвертого тяговых электродвигателей.
Прерыватель тока 14 осуществляет регулирование тока возбуждения тяговых электродвигателей, обеспечивает защиту электропривода при нестационарных режимах и содержит главный тиристор 15, резисторы 16 и 17, транзистор 18, контактор ослабления возбуждения 19. Вывод резистора 16 является первым входом прерывателя тока 14, подключенным с одной стороны к выводам якорной обмотки 6 четвертого тягового электродвигателя и обмотки возбуждения 7 первого тягового электродвигателя, а с другой стороны к одному из выводов силового контакта контактора ослабления возбуждения 19. Свободный вывод резистора 16 соединен с катодом главного тиристора 15 и с одним из выводов резистора 17. К этой точке подключен коллектор транзистора 18. Транзистор 18 подключен параллельно резистору 17. Оба вывода контакта управления контактора ослабления возбуждения 19 подключены к первому и второму входам блока управления 20 и являются первым и вторым выходами прерывателя тока 14. Другой вывод силового контакта контактора ослабления возбуждения 19 подключен к аноду главного тиристора 15. Управляющий электрод главного тиристора 15 является вторым входом прерывателя тока 14 и подключен к первому выходу блока управления 20. База транзистора 18 подключена ко второму выходу блока управления 20 и является третьим входом прерывателя тока 14. Свободный вывод резистора 17 подключен к эмиттеру транзистора 18 и к свободному выводу обмотки возбуждения 10 четвертого тягового электродвигателя и является третьим выходом прерывателя тока 14.
Выход датчика тока возбуждения 11 подключен к пятому входу блока управления 20. Выход датчика тока якоря 12 подключен к четвертому входу блока управления 20.
Катод диода 21 подключен к выводу якорной обмотки 3 первого тягового электродвигателя, анод диода подключен к заземляющему устройству 13.
Параллельно диоду 21 подключен датчик напряжения контактной сети 22, выход датчика напряжения контактной сети 22 подключен к третьему входу блока управления 20.
Блок управления 20 реализует алгоритм управления тяговым электроприводом в зависимости от сигналов, поступающих от датчиков. Блок управления 20 может быть выполнен на микросхемах (на последовательных или логических схемах), например, К511 и К561 или на базе панели микроконтроллера с микропроцессором, например, TMS320F2812 фирмы «Texas Instruments», в перепрограммируемое постоянное запоминающее устройство которого записана программа управления тяговым электроприводом.
В качестве транзистора 18 используется силовой модуль IGBT.
Тяговый электропривод постоянного тока с транзисторно-тиристорным управлением в режиме тяги работает следующим образом. При замыкании выводов контакта управления и выводов силового контакта контактора ослабления возбуждения 19 прерывателя тока 14 в блоке управления 20 формируются управляющие сигналы, которые поступают на главный тиристор 15 прерывателя тока 14 и транзистор 18 прерывателя тока 14 и открывают их. При этом транзистор 18 включается при минимальной длительности открытого состояния, в результате чего тяговые электродвигатели постоянного тока переходят в режим ослабленного возбуждения, степень возбуждения уменьшается скачком с 94% до 79%. Затем степень возбуждения тяговых электродвигателей постоянного тока плавно уменьшается с помощью транзистора 18 с 79% до 25%, обеспечивая режим стабилизации тока якорных обмоток 3 первого, 4 второго, 5 третьего, 6 четвертого тяговых электродвигателей под контролем блока управления 20 и датчиков тока возбуждения 11 и тока якоря 12.
При отключении источника питания 1 импульсы управления главным тиристором 15, поступающие от блока управления 20, блокируются по сигналу датчика напряжения контактной сети 22. Выключение главного тиристора 15 происходит благодаря изменению полярности напряжения на обмотках возбуждения 7 первого, 8 второго, 9 третьего, 10 четвертого тяговых электродвигателей в результате спадания тока обмоток возбуждения 7 первого, 8 второго, 9 третьего и 10 четвертого тяговых электродвигателей постоянного тока, который замыкается через диод 21. При этом обратное напряжение прикладывается к главному тиристору 15 в течение не менее 50 мс. Поэтому применение устройств конденсаторной коммутации для запирания главного тиристора 15 не требуется, что значительно упрощает схему и уменьшает габаритные размеры устройства. При включении источника питания 1 и выключенных главном тиристоре 15 и транзисторе 18 обмотки возбуждения 7 первого, 8 второго, 9 третьего, 10 четвертого тяговых электродвигателей шунтируются резисторами 16 и 17 прерывателя тока 14, т.е. включение вращающихся тяговых электродвигателей происходит при степени возбуждения 79% и отсутствии аварийных бросков тока в якорных обмотках 3 первого, 4 второго, 5 третьего, 6 четвертого тяговых электродвигателей.
При коротком замыкании на корпус цепи тяговых электродвигателей ток якорных обмоток 3 первого, 4 второго, 5 третьего и 6 четвертого тяговых электродвигателей и обмоток возбуждения 7 первого, 8 второго, 9 третьего и 10 четвертого тяговых электродвигателей изменяет свое направление, благодаря чему тяговые электродвигатели постоянного тока размагничиваются, и амплитуда тока короткого замыкания не увеличится до аварийных значений, а выключатель 2 успевает отключить схему от источника питания 1.
Предлагаемый электропривод постоянного тока с управлением на полупроводниковых устройствах содержит известные устройства, изготавливается известными способами, что позволяет сделать вывод о соответствии предлагаемого изобретения условию патентоспособности «промышленная применимость».
Формула изобретения
Тяговый электропривод постоянного тока с управлением на полупроводниковых устройствах, содержащий последовательно соединенные источник питания, выключатель, якорные обмотки не менее двух тяговых электродвигателей постоянного тока, обмотки возбуждения этих двигателей, датчик тока возбуждения, датчик тока якоря, заземляющее устройство, а также содержащий блок управления, к соответствующим входам которого подключены выходы датчика тока возбуждения и датчика тока якоря, и прерыватель тока, который содержит главный тиристор, контактор ослабления возбуждения и резисторы, причем вывод одного из резисторов подключен к выводам якорной обмотки последнего тягового электродвигателя и обмотки возбуждения первого тягового электродвигателя и является соответствующим входом прерывателя тока, свободный вывод этого резистора соединен с катодом главного тиристора и с одним из выводов другого резистора, управляющий электрод главного тиристора подключен к соответствующему выходу блока управления и является соответствующим входом прерывателя тока, отличающийся тем, что электропривод дополнительно содержит датчик напряжения контактной сети, диод, причем катод диода подключен к выводу якорной обмотки первого тягового электродвигателя, анод диода подключен к заземляющему устройству, к аноду и катоду диода подключен датчик напряжения контактной сети, выход которого подключен к соответствующему входу блока управления, а прерыватель тока дополнительно содержит транзистор, база которого подключена к соответствующему выходу блока управления, коллектор транзистора подключен к общей точке соединения двух резисторов и катода главного тиристора, эмиттер транзистора подключен к свободному выводу другого резистора и выводу обмотки возбуждения последнего тягового электродвигателя и является соответствующим выходом прерывателя тока, причем один из выводов силового контакта контактора ослабления возбуждения подключен к выводам якорной обмотки последнего тягового электродвигателя и обмотки возбуждения первого тягового электродвигателя, другой вывод силового контакта контактора ослабления возбуждения подключен к аноду главного тиристора, оба вывода контакта управления контактора ослабления возбуждения являются соответствующими выходами прерывателя тока, которые подключены к соответствующим входам блока управления.
РИСУНКИ
TK4A – Поправки к публикациям сведений об изобретениях в бюллетенях “Изобретения (заявки и патенты)” и “Изобретения. Полезные модели”
Напечатано: (21)(22) 2007112862/11, 29.03.2007 (24) 29.03.2007
Следует читать: (21)(22) 2007112862/11, 29.03.2007 (23) 11.04.2006 (2005140838 от 26.12.2005) (24) 29.03.2007
Номер и год публикации бюллетеня: 27-2008
Код раздела: FG4A
Извещение опубликовано: 20.12.2008 БИ: 35/2008
|
|