|
|
(21), (22) Заявка: 2006139825/11, 13.11.2006
(24) Дата начала отсчета срока действия патента:
13.11.2006
(46) Опубликовано: 27.09.2008
(56) Список документов, цитированных в отчете о поиске:
SU 1085865 А1, 15.04.1984. RU 2208529 C2, 20.07.2003. EP 0046065 A1, 17.02.1982. «Руководство по эксплуатации вагонов метрополитена моделей 81-717.5 и 81-714». М.: – Транспорт, 1993, с.189-208.
Адрес для переписки:
125171, Москва, Ленинградское шоссе, д.2а, ЗАО “ЗРЭПС”, Е.С. Барабановой
|
(72) Автор(ы):
Винник Леонид Владимирович (RU), Конищев Леонид Степанович (RU), Гладников Александр Сергеевич (RU), Сакаев Вагиз Шайхулович (RU), Стригун Николай Николаевич (RU)
(73) Патентообладатель(и):
Закрытое акционерное общество “Завод по ремонту электроподвижного состава” (RU)
|
(54) УСТРОЙСТВО ДЛЯ РЕГУЛИРОВАНИЯ СКОРОСТИ ТРАНСПОРТНОГО СРЕДСТВА
(57) Реферат:
Изобретение относится к области транспорта, в частности к устройствам регулирования скорости транспортных средств. Устройство содержит два тяговых двигателя постоянного тока последовательного возбуждения, регуляторы тока в обмотках возбуждения, контакторы с дистанционным управлением, через контакты которых двигатели подключаются к источнику питания, регулируемые резисторы, диод перехода с последовательного соединения двигателей на параллельное. Резисторы с регуляторами их величины включены последовательно соответственно между обмотками возбуждения первого и второго двигателя и минусом источника питания. Два дополнительно введенных диода включены между обмоткой якоря и обмоткой возбуждения первого и второго двигателя. Третий дополнительный диод катодом подключен к обмотке якоря первого двигателя, а анодом – к минусу источника питания, четвертый дополнительный диод катодом подключен к обмотке якоря второго двигателя, а анодом – к минусу источника питания. Диод перехода с последовательного соединения двигателей на параллельное катодом подключен к обмотке якоря второго двигателя, а в качестве переключателей перехода с последовательного соединения двигателей на параллельное используются тиристоры. Технический результат заключается в повышении надежности, снижении эксплуатационных затрат, а также в снижении величины тормозных путей. 1 ил.
Изобретение относится к транспорту, в частности к устройствам регулирования скорости транспортного средства.
Известно устройство для регулирования скорости транспортного средства, опубликованное в издании «Руководство по эксплуатации вагонов метрополитена моделей 81-717.5 и 81-714». Москва, Транспорт, 1993, стр.189-208.
Известное устройство содержит тяговые двигатели постоянного тока последовательного (сериесного) возбуждения, регуляторы тока в обмотках возбуждения, нормально разомкнутые контакты контакторов с дистанционным управлением, через часть контактов которых двигатели подключаются к источнику питания, резисторы с регуляторами их величины, причем в цепь первого двигателя резистор с регулятором его величины включен последовательно с обмоткой возбуждения, диод перехода с последовательного соединения двигателей на параллельное соединение двигателей анодом подключен к резистору с регулятором его величины, включенному последовательно с обмоткой возбуждения первого двигателя, два переключателя на параллельное соединение двигателей, один из которых включен между резистором с регулятором его величины и минусом источника питания, а второй подключен к одному из контактов контактора с дистанционным управлением.
В известном устройстве переключение двигателей с последовательного на параллельное соединение с ходового на тормозной режим и обратно осуществляется с помощью контакторных групповых аппаратов. Эти аппараты инерционные и требуют больших затрат для поддержания их в работоспособном состоянии. Кроме этого, при заклинивании или юзе колесной пары в режиме торможения в двигателях возникают кратковременные аварийные токи, что неблагоприятно сказывается на их работе.
Технической задачей, на решение которой направлено заявляемое техническое решение, является снижение эксплуатационных затрат и повышение надежности.
Указанный технический результат достигается тем, что устройство для регулирования скорости транспортного средства, содержащее тяговые двигатели постоянного тока последовательного (сериесного) возбуждения, регуляторы тока в обмотках возбуждения, нормально разомкнутые контакты контакторов с дистанционным управлением, через часть контактов которых двигатели подключаются к источнику питания, резисторы с регуляторами их величины, причем в цепь первого двигателя резистор с регулятором его величины включен последовательно с обмоткой возбуждения, диод перехода с последовательного соединения двигателей на параллельное соединение двигателей анодом подключен к резистору с регулятором его величины, включенному последовательно с обмоткой возбуждения первого двигателя, два переключателя на параллельное соединение двигателей, один из которых включен между резистором с регулятором его величины и минусом источника питания, а второй подключен к одному из контактов контактора с дистанционным управлением, отличается тем, что резистор с регулятором его величины включен между обмоткой возбуждения второго двигателя и минусом источника питания, два дополнительно введенных диода включены между обмоткой якоря и обмоткой возбуждения первого и второго двигателя, третий дополнительный диод катодом подключен к обмотке якоря первого двигателя, а анодом – к минусу источника питания, четвертый дополнительный диод анодом подключен к обмотке якоря второго двигателя и минусом источника питания, параллельно каждому последовательно соединенному с обмоткой якоря диоду, включенному последовательно с обмоткой возбуждения, подключены контакты контактора с дистанционным управлением, диод перехода с последовательного соединения двигателей на параллельное соединение двигателей катодом подключен к обмотке якоря второго двигателя, а в качестве переключателей перехода с последовательного соединения двигателей на параллельное соединение двигателей используются тиристоры.
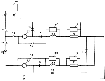
На чертеже изображена принципиальная электрическая схема устройства для регулирования скорости транспортного средства.
Устройство содержит, как минимум, два тяговых двигателя постоянного тока с обмотками якоря 1.1; 2.1 и обмотками возбуждения 1.2; 2.2, параллельно обмоткам возбуждения 1.2; 2.2 подключены регуляторы тока 3.1. и 3.2, между обмотками якорей 1.1; 2.1 и обмотками возбуждения 1.2; 2.2 включены диоды 4 и 5, причем анодом с обмоткой якоря, а катодом с обмоткой возбуждения, последовательно с обмотками возбуждения включены резисторы 6, 7 с регуляторами их величины 8, 9, причем резистор 7 соединен с минусом источника 10 питания непосредственно, а резистор 6 через тиристор 11, параллельно соединенным диоду 4, обмотке возбуждения 1.2 и резистору 6 включен диод 12 анодом с резистором 6, а катодом с анодом диода 4, параллельно последовательно соединенным диоду 5, обмотке возбуждения 2.2 и резистору 7 подключен диод 13 анодом к резистору 7, а катодом к аноду диода 5, диод 14 перехода с последовательного соединения двигателей на параллельное соединение двигателей подключен анодом к катоду тиристора 11, а катодом к обмотке якоря 2.1 двигателя, параллельно последовательно соединенным обмотке якоря 1.1, диоду 4 и обмотке якоря 2.1, диоду 5 включены соответственно нормально-разомкнутые контакты 15, 16 контакторов с дистанционным управлением, обмотка якоря 1.1 подключена к плюсу источника питания 10 через последовательно соединенные нормально разомкнутые контакты 17, 18 контакторов с дистанционным управлением, обмотка якоря 2.1 через последовательно соединенные нормально разомкнутые контакты 17, 19 и тиристор 20.
Устройство работает следующим образом.
При замыкании нормально разомкнутых контактов 17, 18 контакторов с дистанционным управлением по обмотке якоря 1.1, диоду 4, обмотке возбуждения 1.2, резистору 6, диоду 14, обмотке якоря 2.1, диоду 5, обмотке возбуждения 2.2, резистору 7 начинает протекать ток. Двигатели при этом включены последовательно. Регулятором 8 и 9 регулируется величина тока до тех пор, пока напряжение на обмотках якоря и обмотке возбуждения не станет равно половине источника питания. После этого замыкаются нормально разомкнутые контакты 19 и включаются тиристоры 11 и 20, а регуляторы 8, 9 величины резистора обеспечивают постоянную величину тока в цепи обмоток якорей 1.1, 1.2 и обмоток возбуждения.
После полного вывода из цепи двигателей сопротивлений 6 и 7 в работу вступают регуляторы 3.1; 3.2 величины тока в обмотках возбуждения 1.2; 2.2 и доводят величину тока до заданной величины, скорость вращения якоря двигателя при этом все время увеличивается.
При размыкании нормально замкнутых контактов 17, 18, 19 вращение двигателей продолжается по инерции со снижением скорости вращения.
Снижение скорости вращения якорей двигателей по инерции можно регулировать, если замкнуть нормально разомкнутые контакты 15 и 16 контакторов с дистанционным управлением. При этом двигатели переходят на работу в генераторном режиме по двум независимым контурам. Первый контур обмотка якоря 1.1, н.р. контакты контактора 15 с дистанционным управлением обмотки возбуждения 1.2, резистор 6 с регулятором его величины 8, диод 12, обмотка якоря 11. Второй контур: обмотка якоря 2.1, н.р. контакт 16 контактора с дистанционным управлением, обмотка возбуждения 2.2, резистор 7 с регулятором его величины, диод 13, обмотка якоря 2.1.
С помощью регуляторов 3.1, 3.2 величины тока в обмотках возбуждения и регуляторов 8, 9 величины сопротивлений 6, 7 осуществляется требуемая величина снижения скорости.
При юзе одной колесной пары или заклинивании якоря одного из двигателей напряжение на его зажимах становится равным нулю, т.к. в предлагаемом устройстве контура независимое влияние на второй двигатель не будет оказано.
Замена группового контакторного кулачкового аппарата минимальным количеством диодов и тиристоров позволяет повысить надежность, снизить эксплуатационные затраты, ускорит переход из ходового режима в тормозной, что способствует снижению тормозных путей, а следовательно, расстояния между поездами.
Формула изобретения
Устройство для регулирования скорости транспортного средства, содержащее тяговые двигатели постоянного тока последовательного /сериесного/ возбуждения, регуляторы тока в обмотках возбуждения, нормально-разомкнутые контакты контакторов с дистанционным управлением, через часть контактов которых двигатели подключаются к источнику питания, резисторы с регуляторами их величины, причем в цепь первого двигателя резистор с регулятором его величины включен последовательно с обмоткой возбуждения, диод перехода с последовательного соединения двигателей на параллельное соединение двигателей анодом подключен к резистору с регулятором его величины, включенному последовательно с обмоткой возбуждения первого двигателя, два переключателя на параллельное соединение двигателей, один из которых включен между резистором с регулятором его величины и минусом источника питания, а второй подключен к одному из контактов контактора, отличающееся тем, что резистор с регулятором его величины включен между обмоткой возбуждения второго двигателя и минусом источника питания, два дополнительно введенных диода включены между обмоткой якоря и обмоткой возбуждения первого и второго двигателя, третий дополнительный диод катодом подключен к обмотке якоря первого двигателя, а анодом – к минусу источника питания, четвертый дополнительный диод катодом подключен к обмотке якоря второго двигателя, а анодом – к минусу источника питания, параллельно каждому последовательно соединенному с обмоткой якоря диоду, включенному последовательно с обмоткой возбуждения, подключены контакты контактора с дистанционным управлением, диод перехода с последовательного соединения на параллельное соединение двигателей катодом подключен к обмотке якоря второго двигателя, а в качестве переключателей перехода с последовательного соединения двигателей на параллельное соединение двигателей используются тиристоры.
РИСУНКИ
|
|