|
|
(21), (22) Заявка: 2006145683/12, 22.12.2006
(24) Дата начала отсчета срока действия патента:
22.12.2006
(46) Опубликовано: 27.09.2008
(56) Список документов, цитированных в отчете о поиске:
RU 2276608 С2, 20.05.2006. RU 2190482 C1, 10.10.2002. SU 1297929 A1, 23.03.1987. SU 1121051 A, 30.10.1984. JP1168369 A, 03.07.1989.
Адрес для переписки:
127081, Москва, а/я 50, Л.М. Березкиной
|
(72) Автор(ы):
Загнитько Александр Васильевич (RU), Першин Алексей Николаевич (RU), Мозалевская Марина Александровна (RU)
(73) Патентообладатель(и):
Загнитько Александр Васильевич (RU), Першин Алексей Николаевич (RU), Мозалевская Марина Александровна (RU), Общество с ограниченной ответственностью “ИНГАТЕК” (ООО “ИНГАТЕК”) (RU)
|
(54) УСТРОЙСТВО ДЛЯ ПОЛУЧЕНИЯ ГИГРОСКОПИЧНОГО СУБМИКРОННОГО АЭРОЗОЛЯ ИОДИДА ЩЕЛОЧНЫХ МЕТАЛЛОВ В АТМОСФЕРНОМ ВОЗДУХЕ
(57) Реферат:
Устройство относится к области физики аэродисперсных систем, а именно к устройствам для получения гигроскопичных субмикронных аэрозолей иодидов щелочных металлов, и может быть использовано в системах кондиционирования воздуха и создания целебного микроклимата помещений, а также в медицине при лечении заболеваний, при которых показаны ингаляции атмосферного воздуха, содержащего гигроскопичный субмикронный аэрозоль иодида щелочных металлов. В устройстве для получения гигроскопичного субмикронного аэрозоля иодида щелочных металлов в атмосферном воздухе на верхнем торце цилиндрического корпуса размещена съемная перфорированная крышка. Вентилятор установлен соосно трубчатому каналу непосредственно перед цилиндрической электропечью. Между трубчатым каналом электропечи и вентилятором соосно электропечи размещен цилиндрический тигель из металла, диаметр которого превышает диаметр трубчатого канала. Технический результат заключается в повышении электропожаробезопасности и надежности работы устройства для получения гигроскопичного субмикронного аэрозоля иодида щелочных металлов в атмосферном воздухе. 2 з.п. ф-лы, 1 ил.
Изобретение относится к области физики аэродисперсных систем, а именно к устройствам для получения гигроскопичных субмикронных аэрозолей иодидов щелочных металлов, и может быть использовано в системах кондиционирования воздуха и создания целебного микроклимата помещений, а также в медицине при лечении заболеваний, при которых показаны ингаляции атмосферного воздуха, содержащего гигроскопичный субмикронный аэрозоль иодида щелочных металлов.
Известно устройство для получения субмикронного аэрозоля галогенидов щелочных металлов, содержащее стеклянный цилиндрический реактор, в котором установлена платиновая проволока с хлористым натрием (NaCl) или иодидом калия (KI), подключенная к источнику тока, камеру охлаждения парогазового потока и конденсации пересыщенных паров с образованием субмикронных частиц с размером от 0,005 до 0,1 мкм (см., например, D.L.Swift, Properties of aerosol produced by evaporation from a hot wire. Proceedings of the 7-th international conference on condensation and ice nuclei, September 18-24, 1969, Prague and Vienna, p.128-131 [1]).
Недостатком данного устройства является необходимость использования очищенного инертного газа (баллон с азотом) и проволоки из благородного металла (платина) для исключения образования оксидов металлов на поверхности проволоки, а также временная нестабильность по размеру и концентрации субмикронного аэрозоля неорганических солей щелочных металлов.
Известно также устройство для получения субмикронного аэрозоля иодида металла в атмосферном воздухе, включающее цилиндрическую печь, в которой установлен реактор с кварцевой ложечкой, содержащей испаряющийся иодид серебра (AgI), патрубок подачи атмосферного воздуха в реактор, камеру охлаждения паровоздушного потока из реактора и конденсации пересыщенных паров с образованием субмикронного аэрозоля AgI для исследования его льдообразующей активности в атмосфере (см., например, А.М.Бакланов, Б.М.Гольдман, Б.З.Горбунов, К.П.Куценогий, В.И.Макаров, В.М.Сахаров, Новая установка для исследования льдообразующей активности аэрозолей. Известия Сибирского отделения АН СССР, сер. хим., выпуск 4, №9, стр.155-161, 1976 [2]).
Недостатком описанного устройства является невозможность использования субмикронного аэрозоля AgI в системах кондиционирования воздуха и создания целебного микроклимата помещений, а также его использование в медицинских целях, поскольку частицы негигроскопичны и, соответственно, не растворяются в организме человека. Кроме того, для создания паровоздушного потока в реакторе используют компрессор (баллон сжатого воздуха).
Известно устройство для получения субмикронного аэрозоля галогенидов щелочных металлов, включающее цилиндрическую электропечь, в которой установлен кварцевый цилиндрический реактор с испаряющимся гигроскопичным галогенидом щелочного металла, патрубок подачи воздуха от компрессора в кварцевый цилиндрический реактор, камеру турбулентного смешения на выходе из кварцевого цилиндрического реактора паровоздушной смеси с холодным воздухом с образованием субмикронного аэрозоля галогенида щелочного металла. В качестве галогенида щелочного металла используют хлористый натрий (см., например, Н.А.Фукс, А.Г.Сутугин, Высокодисперсные аэрозоли. Успехи химии, том 37, выпуск 11, стр.1965-1976, 1968 [3]).
Недостатком данного устройства является низкое давление паров NaCl, что требует высокой температуры нагрева (от 800 до 900°С) для его интенсивного испарения с давлением насыщенных паров Р>0,1 мм Hg и соответствующего термического оборудования и энергозатрат. Кроме того, используют компрессор (баллон сжатого воздуха) для получения воздушного потока в цилиндрическом кварцевом реакторе и не используются атмосферные потоки для генерации и разбавления субмикронного аэрозоля внутри помещения или при ингаляции. Наконец, субмикронный аэрозоль неорганической соли не заряжен и не содержит иодида щелочного металла, что снижает его лечебные и профилактические свойства (М.В.Велданова, А.В.Скальный, Йод знакомый и не знакомый, Петрозаводск, изд. «ИнтелТех», а/я 72, 186 стр., 2004; В.И.Ксензенко, Д.С.Стасиневич, Химия и технология брома, иода и их соединений, М., Наука, 1979 [4, 5]).
Наиболее близким по технической сути и достигаемому техническому результату является устройство для получения гигроскопичного субмикронного аэрозоля иодида щелочных металлов в атмосферном воздухе, содержащее цилиндрический корпус, в центральной части которого соосно с кольцевым зазором расположена цилиндрическая электропечь, в трубчатом канале которой размещен химически инертный реактор с испаряющимся иодидом щелочного металла, вентилятор для подачи через сетку, установленную в нижнем торце цилиндрического корпуса, атмосферного воздуха внутрь трубчатого канала цилиндрической электропечи и в кольцевой зазор между ней и цилиндрическим корпусом, камеру турбулентного разбавления с охлаждением паровоздушной смеси на выходе из химически инертного реактора потоком атмосферного воздуха из кольцевого зазора между цилиндрическим корпусом и цилиндрической электропечью, блоки питания вентилятора и электропечи регулируемым напряжением, установленные в нижней части цилиндрического корпуса (А.В.Загнитько, А.Н.Першин, “Способ получения гигроскопичного субмикронного аэрозоля иодида щелочных металлов в атмосферном воздухе”, патент РФ, № 2276608 С2, МПК А61L 9/14, В05В 1/24, В05В 5/00, БИ № 14, 20.05.2006, прототип [6]).
Недостатком устройства по прототипу является неразвитая система электропожаробезопасности и, соответственно, недостаточная надежность для длительной эксплуатации, обусловленная тем, что на верхнем торце цилиндрического корпуса установлен вентилятор, который в случае его случайного или аварийного выключения может подвергнуться термической деструкции под действием потока конвективного горячего воздуха и теплового-инфракрасного излучения из трубчатого канала цилиндрической электропечи, а также отсутствие предохранительной емкости-экрана для непрерывного поглощения-рассеивания теплового излучения и для сбора расплавленного иодида щелочного металла в случае случайного или аварийного разрушения химически инертного реактора, что может привести к возгоранию и/или к электрическому замыканию при попадании электропроводного жидкого расплава соли с температурой около 700°С в нижнюю часть цилиндрического корпуса, в которой расположены блоки питания вентилятора и электропечи.
Технический результат, ожидаемый от использования изобретения, заключается в повышении электропожаробезопасности и надежности работы устройства для получения гигроскопичного субмикронного аэрозоля иодида щелочных металлов в атмосферном воздухе.
Указанный технический результат достигают тем, что в устройстве для получения гигроскопичного субмикронного аэрозоля иодида щелочных металлов в атмосферном воздухе, содержащем цилиндрический корпус, в центральной части которого соосно с кольцевым зазором расположена цилиндрическая электропечь, в трубчатом канале которой размещен химически инертный реактор с испаряющимся иодидом щелочного металла, вентилятор для подачи через сетку, установленную в нижнем торце цилиндрического корпуса, атмосферного воздуха внутрь трубчатого канала цилиндрической электропечи и в кольцевой зазор между ней и цилиндрическим корпусом, камеру турбулентного разбавления с охлаждением паровоздушной смеси на выходе из химически инертного реактора потоком атмосферного воздуха из кольцевого зазора между цилиндрическим корпусом и цилиндрической электропечью, блоки питания вентилятора и электропечи регулируемым напряжением, установленные в нижней части цилиндрического корпуса, на верхнем торце цилиндрического корпуса размещена съемная перфорированная крышка, а вентилятор установлен соосно трубчатому каналу непосредственно перед цилиндрической электропечью, при этом между ее трубчатым каналом и вентилятором соосно электропечи размещен цилиндрический тигель из металла, диаметр которого превышает диаметр трубчатого канала.
Кроме того, расстояние между цилиндрическим тиглем и трубчатым каналом диаметром d составляет L=(0,2-0,5)d, а объем цилиндрического тигля превышает объем расплавленного иодида щелочных металлов в химически инертном реакторе.
Наконец, химически инертный реактор изготовлен из корундовой керамики на основе окиси алюминия Al2О3.
В результате установки вентилятора в нижней части цилиндрического корпуса и размещения между ним и трубчатым каналом цилиндрического тигля из металла, диаметр которого превышает диаметр трубчатого канала, удается повысить электропожаробезопасность и, соответственно, надежность длительной эксплуатации устройства за счет одновременного решения четырех взаимосвязанных задач, а именно:
устранить непрерывное воздействие теплового-инфракрасного излучения из трубчатого канала цилиндрической электропечи на корпус вентилятора, блоков электрического питания путем его экранировки – рассеивания металлической поверхностью цилиндрического тигля;
исключить возможное воздействие конвективного горячего потока воздуха, поднимающегося вверх из трубчатого канала, на корпус вентилятора в случае его случайного или аварийного отключения;
обеспечить сбор жидкого расплава иодида щелочных металлов в цилиндрический тигель при случайном или аварийном разрушении химически инертного реактора с вытеканием соли малой вязкостью (1-3 сантипуаз) под действием силы тяжести в нижнюю часть корпуса и таким образом защитить электрическую схему устройства, вентилятор и блоки питания от разрушения и пожара;
повысить коррозионную и термическую стойкость химически инертного реактора путем его изготовления из корундовой керамики на основе окиси алюминия (Al2О3 – корунд).
Емкость цилиндрического тигля выбирают такой, чтобы ее объем превышал объем расплавленного иодида щелочных металлов в химически инертном реакторе, равный VI=MI/ ж, где MI и ж – масса и плотность расплавленного иодида щелочного металла, загруженного в химически инертный реактор.
Для обеспечения подачи воздуха в трубчатый канал цилиндрической электропечи расстояние L=(0,2-0,5)d. Увеличение L>0,5 d нецелесообразно, так так это увеличивает габариты устройства. Уменьшение L<0,2d приводит к созданию существенного газодинамического сопротивления в зазоре между трубчатым каналом и цилиндрическим тиглем, что практически приводит к прекращению подачи воздуха в трубчатый канал электропечи от вентилятора и за счет конвекции.
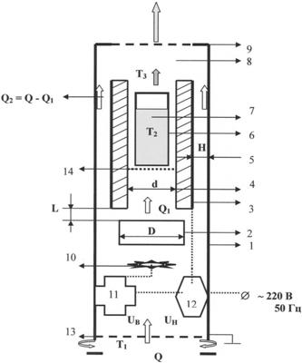
Изобретение поясняется чертежом, где приведена принципиальная схема устройства для получения гигроскопичного субмикронного аэрозоля иодида щелочных металлов в атмосферном воздухе. Устройство, описанное ниже, содержит цилиндрический корпус – 1, цилиндрический тигель из металла – 2, цилиндрическую электропечь – 3 с трубчатым каналом – 4, кольцеобразный зазор – 5 между цилиндрическим корпусом 1 и цилиндрической электропечью 3, химически инертный реактор – 6, испаряющийся иодид щелочных металлов – 7, помещенный внутрь химически инертного реактора 6, камеру – 8 для турбулентного разбавления с охлаждением паровоздушной смеси на выходе из химически инертного реактора 6 потоком атмосферного воздуха из кольцевого зазора 5, съемная перфорированная крышка 9, размещенная на верхнем торце цилиндрического корпуса 1, вентилятор – 10, установленный в нижней части цилиндрического корпуса 1, блок питания вентилятора – 11 регулируемым напряжением UB, блок питания цилиндрической электропечи – 12 регулируемым напряжением UH, сетку – 13, установленную на нижнем торце цилиндрического корпуса 1 для подачи атмосферного воздуха в устройство, перфорированную подставку – 14 в трубчатом канале 4.
На схеме приняты также следующие обозначения: D – диаметр цилиндрического тигля 2; d – диаметр трубчатого канала 4; Н – ширина кольцевого зазора 5; L=(0,2-0,5)d – расстояние между цилиндрическим тиглем 2 и трубчатым каналом 4; Q=Q1+Q2 – объемный расход атмосферного воздуха, подаваемый вентилятором 10 в корпус 1 через сетку 13; Q1 – объемный расход воздушного потока в трубчатый канал 4; Q2 – дополнительный объемный расход воздушного потока через кольцевой зазор 5 для теплосъема и последующего охлаждения с турбулентным перемешиванием и одновременным разбавлением аэрозольного потока Q1; T1 – температура воздушного потока на входе в цилиндрический корпус 1; Т2 – температура в центре химически инертного реактора; Т3 – температура аэрозольного потока на выходе из реактора 6; UB – напряжение питания вентилятора, UH – напряжение питания электропечи.
Корпус 1, тигель 2, электропечь 3, трубчатый канал 4, реактор 6, камера 8 и съемная крышка 9 расположены коаксиально. Примеси йода, содержащиеся в иодиде щелочного металла, в качестве которого используют йодистый калий (KI) и/или йодистый натрий (NaI), реагируют с металлами при нагревании в присутствии влаги, поэтому реактор 6 выполнен из химически инертного материала (кварц, корунд). Его установку в трубчатый канал 4 осуществляют при снятой перфорированной крышке 9. Нагреваемое вещество KI-NaI засыпают в реактор 6 в виде гранул. Кроме того, для увеличения производительности устройства по массе развивают поверхность испарения иодида щелочных металлов путем их заправки в химически инертный реактор в виде гранул, нанесенных тонким пористым слоем на керамические, кислотоогнеупорные кольца Рашига и Инталокс с развитой поверхностью [7]. В качестве теплоизолятора цилиндрической электропечи 3 применяют картон и войлок на основе муллитокремнезема [7].
Объем V цилиндрического тигля 2 превышает объем VI заправленного в реактор 6 иодида щелочного металла 7 массой MI, т.е. V= D2/h>VI=MI/ ж, где h – высота тигля, ж=(0,75-0,8)× I – плотность расплавленного иодида щелочного металла, a I – его плотность в твердом, кристаллографическом состоянии [7].
Устройство работает следующим образом. С помощью вентилятора 10 из окружающей атмосферы в устройство поступает воздушный поток Q с комнатной температурой Т1. Далее небольшую часть потока с объемной скоростью Q1 подают в трубчатый канал 4, в котором установлен химически инертный цилиндрический реактор 6, содержащий иодид щелочных металлов 7,например, KI или смесь KI и NaI. В случае использования смеси йодистого калия и йодистого натрия их весовое соотношение варьируют от 0,1-10. Одновременно, дополнительный воздушный поток Q2 подают в кольцевой зазор 5 между цилиндрическим корпусом 1 и цилиндрической электропечью 3. Поток Q1 насыщают парами испаряющегося иодида калия и/или смеси KI-NaI при температуре 550-750°С. Их нагрев осуществляют электропечью 3.
Паровоздушный поток Q1 на выходе из химически инертного цилиндрического реактора первоначально охлаждают до температуры Т3=150-250°С коаксиальным потоком атмосферного воздуха Q2 в ламинарном режиме за счет излучения и теплопроводности. В процессе спонтанной термоконденсации пересыщенных паров KI-NaI с величиной LI>102 образуются биполярно заряженные аэрозольные частицы йодистого калия-натрия с диаметром от 0,005 до 1 мкм, массовая концентрация которых зависит от температуры Т2 и величины поверхности испарения иодидов щелочных металлов в цилиндрическом реакторе. Далее поток Q1 с субмикронным аэрозолем дополнительно охлаждают в камере 8 до температуры 30-50°С с одновременным разбавлением его концентрации от 2 до 100 турбулентным перемешиванием в камере 8 с тем же дополнительным потоком атмосферного воздуха Q2. Соотношение объемных скоростей потоков Q2/Q1 варьируют от 2 до 100 для соответствующего разбавления массовой концентрации субмикронного аэрозоля от 2 до 100. Дополнительно турбулентное перемешивание воздушных потоков осуществляют при их течении через перфорированную крышку 9.
Таким образом, на первом этапе осуществляют охлаждение паровоздушной смеси до Т3=150-250°С с образованием субмикронного аэрозоля иодида калия и/или натрия с использованием преимущественно ламинарного потока из атмосферы Q2, а на втором этапе дополнительно охлаждают аэрозольный поток практически до комнатной температуры с одновременным разбавлением массовой концентрации субмикронных частиц турбулентным перемешиванием с дополнительным атмосферным потоком Q2.
Поток Q2 создают не только для охлаждения, разбавления концентрации субмикронного аэрозоля и последующего его перемешивания с атмосферным воздухом, но и для снятия тепловых нагрузок с цилиндрического корпуса 1. В результате его температура отличается от температуры окружающей воздушной атмосферы не более чем на 10-20°С.
Экспериментально было также показано, что часть субмикронных аэрозольных частиц KI и/или NaI положительно и отрицательно (биполярно) заряжены с зарядом q=+/-(1-4)е, где е=1,6×10-19 кулона – заряд электрона. Доля биполярно заряженного аэрозоля Х зависит от условий образования и величины размера частиц. С уменьшением их размера величина Х уменьшается [6].
В отличие от прототипа вентилятор 10 защищен от воздействия теплового-инфракрасного излучения рассеивающей поверхностью цилиндрического тигля из металла 2, диаметр которого больше диаметра трубчатого канала 4 (D>d). Кроме того, в случае случайного или аварийного отключения вентилятора конвективный поток воздуха из трубчатого канала не воздействует на вентилятор, поскольку последний расположен ниже электропечи, а конвективный поток направлен вверх.
В отличие от прототипа при случайном или аварийном разрушения реактора 6, расплавленную соль KI или NaI полностью собирают в емкость цилиндрического тигля из металла 2, так как его объем V>VI.
Оптимальная относительная влажность атмосферного воздуха для генерации субмикронного аэрозоля иодида щелочных металлов составляет 30-70% при температуре 10-40°С. Оптимальная рабочая температура Т2 в реакторе 6 составляет 660-710°С, а максимальная рабочая температура не превышает 750°С.
Пример 1
Работа устройства при температуре химически инертного реактора 660°С.
Для заправки аэрозольного генератора использовался йодистый калий согласно (ГОСТ 4232-74, чистый для анализа, содержание KI по массе более 99,5%). Водный раствор иодида калия (20% по массе) выпаривали в смеси с кольцами Рашига при температуре 80-90°С. В результате испарения дистиллированной воды на керамических, кислотоогнеупорных кольцах Рашига оставались кристаллические и аморфные гранулы иодида калия. Около 10 г йодистого калия на кольцах Рашига помещалось в химически инертный реактор, выполненный из корундовой трубки с внутренним диаметром 14 мм и длиной 120 мм.
Относительная влажность атмосферного воздуха составляла около 50% при 22-24°С. Объемный расход атмосферного воздуха Q1=0,04 литр/сек, а расход воздуха Q2=0,8 литр/сек. Величина кратности разбавления концентрации аэрозольных частиц на выходе из устройства при турбулентном перемешивании потоков Q2 и Q1 была равна отношению Q2/Q1=20. Температуру вдоль оси и на поверхности реактора регистрировали термопарами из материала хромель-алюмель.
Соль KI гигроскопична и при комнатной температуре адсорбирует влагу в зависимости от величины относительной влажности и температуры атмосферного воздуха. Это может влиять на коррозионную стойкость химически инертного реактора в процессе возможного пирогидролиза материала. Поэтому осуществляли предварительную сушку йодистого калия в реакторе 6 при его нагревании от 100 до 500°С в течение 15-30 минут.
Диаметр трубчатого канала 4 составлял d=25 мм, а диаметр цилиндрического тигля D=30 мм. Расстояние между тиглем 2 и трубчатым каналом 4 было равно L=0,3d=7,5 мм. Объем йодистого калия в реакторе VI=MI/ ж 4 см3, поскольку его плотность в жидком состоянии ж (0,75-0,8) 2,5 г/см3. Кристаллографическая плотность йодистого калия р=3,2 г/см3 [7]. Объем цилиндрического тигля V=20 см3.
При температуре в реакторе T2=660°С давление насыщенных паров йодистого калия составляет Р(660°С) 0,2 мм рт.ст., а при температуре на выходе из реактора Т3=200°С давление паров Р(200°С)<10-5 мм рт.ст. Соответственно, степень пересыщения LI=Р(660°С)/Р(200°С)>103. Измеренное значение массовой производительности субмикронного аэрозоля KI было равно М=0,4 микрограмм/сек. Массовая концентрация определялась путем отбора аэрозоля на плоские стекловолокнистые фильтры с ультратонким диаметром волокон (тип «ФСВ-У» [8]). Средний размер гигроскопичных частиц KI, измеренный по величине коэффициента их диффузии [9], составлял около 0,05-0,1 мкм. Доля заряженных частиц, измеренная путем пропускания потока аэрозолей через плоский конденсатор с напряженностью электрического поля Е=5 кВ/см [6], была равна Х=35-40%. Заряд частиц q=+/-(1-2)е, где е=1,6×10-19 кулона – заряд электрона. Температура аэрозольного потока на выходе из устройства составляла около 30-40°С.
Массовая производительность аэрозолей йода (I2), измеренная путем отбора на стекловолокнистый фильтр «ФСВ-У» [8], составляла около 0,004 микрограмм/сек.
Напряжение питания вентилятора UB=10 В, а электропечи UH=140 В.
Прямые измерения показали, что температура корпуса вентилятора 10 близка к температуре T1 атмосферного воздуха на входе в устройство, т.е. вентилятор 10 и блоки питания 11 и 12 защищены от воздействия теплового инфракрасного излучения. В ходе создания аварийной ситуации с разрушением реактора 6 было установлено, что расплав KI полностью собирали в цилиндрическую емкость тигля 2 и последний не протекал в нижнюю часть цилиндрического корпуса 1.
Заправленной соли иодида калия ( 18 г) было достаточно для непрерывного получения биполярно заряженного субмикронного аэрозоля KI с размером частиц от 0,05 до 0,1 мкм в атмосферном воздухе с массовым расходом-производительностью М=0,4 микрограмм/сек при непрерывной работе по 8 часов в сутки в течение 750 дней.
Пример 2
Работа устройства при температуре химически инертного реактора 750°С.
Для заправки аэрозольного генератора использовался йодистый калий согласно (ГОСТ 4232-74, ч.д.а., содержание KI по массе более 99,5%). Около 22 г йодистого калия было загружено в виде гранул в цилиндрическую трубку из корунда с внутренним диаметром 14 мм и длиной 65 мм.
Диаметр трубчатого канала 4 составлял d=25 мм, а диаметр цилиндрического тигля D=30 мм. Расстояние между тиглем 2 и трубчатым каналом 4 было равно L=0,3d=7,5 мм. Объем йодистого калия в реакторе VI=MI/ ж 9 см3, поскольку его плотность ж (0,75-0,8) 2,5 г/см3. Кристаллографическая плотность йодистого калия =3,2 г/см3 [7]. Объем цилиндрического тигля V=20 см3.
Относительная влажность атмосферного воздуха составляла около 50% при 22-24°С. Объемный расход атмосферного воздуха Q1=0,04 литр/сек, а расход коаксиального потока воздуха Q2=0,8 литр/сек. Величина кратности разбавления концентрации аэрозольных частиц на выходе из устройства при турбулентном перемешивании потоков Q2 и Q1 была равна отношению Q2/Q1=20. Температуру вдоль оси и на поверхности реактора регистрировали термопарами из материала хромель-алюмель.
Соль KI гигроскопична и при комнатной температуре адсорбирует влагу в зависимости от величины относительной влажности и температуры атмосферного воздуха. Это может влиять на коррозионную стойкость химически инертного реактора в процессе возможного пирогидролиза материала в присутствии йода. Поэтому осуществляли предварительную сушку йодистого калия в реакторе 6 при его нагревании от 100 до 500°С в течение 15-30 минут.
При температуре в реакторе Т2=750°С давление насыщенных паров йодистого калия или йодистого натрия составляет Р(750°С) 1,1 мм рт.ст., а при температуре на выходе из кварцевого реактора Т2=250°C давление паров Р(250°С)<10-5 мм. рт.ст. Соответственно, степень пересыщения LI=Р(750°С)/Р(250°С)>105. Измеренное значение массовой производительности субмикронного аэрозоля KI было равно М=3 микрограмм/сек. Массовая концентрация измерялась путем отбора на плоские стекловолокнистые фильтры с ультратонким диаметром волокон (тип «ФСВ-У» [8]). Средний размер гигроскопичных частиц KI, измеренный по величине коэффициента их диффузии [9], составлял около 0,15-0,2 мкм. Доля заряженных частиц, измеренная путем пропускания потока аэрозолей через плоский конденсатор с напряженностью электрического поля Е=5 кВ/см [6], была равна Х=70-75%. Заряд частиц q=+/-(1-4)е, где е=1,6×10-19 кулона. Температура аэрозольного потока после турбулентного перемешивания на выходе из устройства составляла 50°С.
Напряжение питания вентилятора UB=12 В, а электропечи UH=170-175 В.
Прямые измерения показали, что температура корпуса вентилятора 10 близка к температуре T1 атмосферного воздуха на входе в устройство, т.е. вентилятор и блоки питания 11 и 12 защищены от воздействия теплового инфракрасного излучения.
В ходе создания аварийной ситуации с разрушением реактора 6 было установлено, что расплав KI полностью собирали в цилиндрическую емкость тигля 2 и последний не протекал в нижнюю часть цилиндрического корпуса 1.
Заправленной соли иодида калия ( 22 г) было достаточно для непрерывного получения биполярно заряженного субмикронного аэрозоля KI в атмосферном воздухе с массовым расходом-производительностью М=3 микрограмм/сек при непрерывной работе по 8 часов в сутки в течение 210 дней.
Следовательно, в отличие от прототипа, описанное устройство обеспечивает получение в атмосферном воздухе гигроскопичного субмикронного аэрозоля иодида щелочных металлов (KI-NaI) с размером положительно и отрицательно заряженных частиц от 0,005 до 1 мкм в условиях повышенной электропожаробезопасности и надежности работы, что является объективным и необходимым условием для длительной эксплуатации устройства в бытовых, общественных и производственных помещениях. Это позволяет использовать данное устройство для моделирования морского воздуха по содержанию йода, натрия и калия в усваиваемой организмом форме в системах кондиционирования воздуха и создания лечебного микроклимата внутри помещений, а также в медицинских лечебно-профилактических целях путем ингаляции атмосферного воздуха, содержащего гигроскопичный субмикронный аэрозоль иодида калия и/или натрия с регулируемой массовой концентрацией [4].
Литература
1. D.L.Swift, Properties of aerosol produced by evaporation from a hot wire, (Свойства аэрозоля, полученного испарением с горячей проволоки). Proceedings of the 7-th international conference on condensation and ice nuclei, September 18-24, 1969, Prague and Vienna, p.128-131.
2. А.М.Бакланов, Б.М.Гольдман, Б.З.Горбунов, К.П.Куценогий, В.И.Макаров, В.М.Сахаров, Новая установка для исследования льдообразующей активности аэрозолей. Известия Сибирского отделения АН СССР, сер. хим., выпуск 4, № 9, стр.155-161, 1976.
3. Н.А.Фукс, А.Г.Сутугин, Высокодисперсные аэрозоли. Успехи химии, том 37, выпуск 11, стр.1965-1976, 1968 (зарубежная публикация аналога: A.G.Sutigin, N.A.Fuchs, J. of Colloid and Interface Science, № 27, p.216-228, 1968).
4. М.В.Велданова, А.В.Скальный, Йод знакомый и не знакомый, Петрозаводск, изд. «ИнтелТех», а/я 72, 186 стр., 2004.
5. В.И.Ксензенко, Д.С.Стасиневич, Химия и технология брома, иода и их соединений, М., Наука, 1979.
6. А.В.Загнитько, А.Н.Першин, “Способ получения гигроскопичного субмикронного аэрозоля иодида щелочных металлов в атмосферном воздухе”, патент РФ, № 2276608 С2, МПК А61L 9/14, В05В 1/24, В05В 5/00, БИ № 14, 20.05.2006, прототип.
7. В.А.Рабинович, З.Я.Хавин, Краткий химический справочник. Химия, Ленинградское отделение, с.392, 1978.
8. А.В.Загнитько, А.А.Кирш, И.Б.Стечкина, О характеристике субмикронных аэрозолей, образующихся при пневматическом диспергировании жидкости, Ж. Физической химии, т.62, № 11, с.3058, 1988.
9. А.А.Кирш, А.В.Загнитько, П.В.Чечуев, О диффузионном методе определения размеров субмикронных аэрозолей, Ж. Физической химии, т.55, № 12, с.3034, 1981.
Формула изобретения
1. Устройство для получения гигроскопичного субмикронного аэрозоля иодида щелочных металлов в атмосферном воздухе, содержащее цилиндрический корпус, в центральной части которого соосно, с кольцевым зазором расположена цилиндрическая электропечь, в трубчатом канале которой размещен химически инертный реактор с испаряющимся иодидом щелочного металла, вентилятор для подачи через сетку, установленную в нижнем торце цилиндрического корпуса, атмосферного воздуха внутрь трубчатого канала цилиндрической электропечи и в кольцевой зазор между ней и цилиндрическим корпусом, камеру турбулентного разбавления с охлаждением паровоздушной смеси на выходе из химически инертного реактора потоком атмосферного воздуха из кольцевого зазора между цилиндрическим корпусом и цилиндрической электропечью, блоки питания вентилятора и электропечи регулируемым напряжением, установленные в нижней части цилиндрического корпуса, отличающееся тем, что на верхнем торце цилиндрического корпуса размещена съемная перфорированная крышка, а вентилятор установлен соосно трубчатому каналу непосредственно перед цилиндрической электропечью, при этом между ее трубчатым каналом и вентилятором соосно электропечи размещен цилиндрический тигель из металла, диаметр которого превышает диаметр трубчатого канала.
2. Устройство по п.1, отличающееся тем, что объем цилиндрического тигля превышает объем расплавленного иодида щелочных металлов в химически инертном реакторе, а расстояние между цилиндрическим тиглем и трубчатым каналом диаметром составляет: L=(0,2-0,5)d, где L – расстояние между цилиндрическим тиглем и трубчатым каналом, d – диаметр трубчатого канала цилиндрической электропечи.
3. Устройство по п.1, отличающееся тем, что химически инертный реактор изготовлен из корундовой керамики на основе окиси алюминия Al2О3.
РИСУНКИ
|
|