|
(21), (22) Заявка: 2007122236/09, 13.06.2007
(24) Дата начала отсчета срока действия патента:
13.06.2007
(46) Опубликовано: 20.09.2008
(56) Список документов, цитированных в отчете о поиске:
RU 2059988 C1, 10.05.1996. RU 2258292 C2, 10.08.2005. RU 2287885 С1, 20.11.2006. SU 408402 A1, 01.01.1973. US 5914542, 22.06.1999.
Адрес для переписки:
662972, Красноярский край, ЗАТО Железногорск, г. Железногорск, ул. Ленина, 52, ФГУП НПО ПМ, Р.П. Туркеничу
|
(72) Автор(ы):
Коротких Виктор Владимирович (RU), Кудряшов Виктор Спиридонович (RU)
(73) Патентообладатель(и):
Федеральное государственное унитарное предприятие “Научно-производственное объединение прикладной механики им. академика М.Ф. Решетнева” (RU)
|
(54) СПОСОБ ПИТАНИЯ НАГРУЗКИ ПОСТОЯННЫМ ТОКОМ В АВТОНОМНОЙ СИСТЕМЕ ЭЛЕКТРОПИТАНИЯ ИСКУССТВЕННОГО СПУТНИКА ЗЕМЛИ
(57) Реферат:
Изобретение относится к электротехнической промышленности и может быть использовано при проектировании автономных систем электропитания искусственных спутников Земли (ИСЗ). Предлагается способ питания нагрузки постоянным током в автономной системе электропитания ИСЗ от источника ограниченной мощности, например солнечной батареи, и комплекта из вторичных источников электроэнергии – аккумуляторных батарей, заключающийся в стабилизации напряжения на нагрузке, проведении заряд-разрядных циклов через индивидуальные зарядные и разрядные преобразователи, контроле аккумуляторных батарей и проведении профилактических работ с аккумуляторными батареями. Технический результат заключается в повышении эффективности использования аккумуляторных батарей и удельных энергетических характеристик автономной системы электропитания. Суть предлагаемого решения поясняется данными о выборе соотношений для определения количества аккумуляторов в одной аккумуляторной батарее и емкости аккумуляторов. Кроме того, число аккумуляторов в каждой аккумуляторной батарее увеличивают на допустимое число отказавших аккумуляторов, а число аккумуляторных батарей выбирают равным двум. 1 з.п. ф-лы, 1 ил.
Изобретение относится к электротехнической промышленности и может быть использовано при проектировании автономных систем электропитания искусственных спутников Земли (ИСЗ).
В настоящее время в космической технике успешно развивается процесс создания ИСЗ для решения широкого круга народнохозяйственных задач. Это связь, навигация, геодезия, картография, метеорология и многое другое.
При создании ИСЗ существенное значение имеет оптимизация системы электропитания ИСЗ, так как она занимает порядка (15-20)% массы ИСЗ и во многом определяет функциональные и ресурсные возможности создаваемого спутника.
Известны способы питания нагрузки постоянным током в автономных системах электропитания ИСЗ, описанные в монографии «Системы электропитания космических аппаратов, Новосибирск, ВО “Наука”, 1994 г.» [1].
Известные способы и автономные системы электропитания ИСЗ предусматривают стабилизацию напряжения от первичного источника ограниченной мощности (солнечной батареи) на нагрузке стабилизированными преобразователями различного типа.
Известен способ питания нагрузки постоянным током, предусматривающий наращивание мощности автономной системы электропитания установкой дополнительных модулей с обеспечением их равномерной загрузки (см. [1] главу 2, рис.2.14).
Наиболее близким техническим решением является способ питания нагрузки постоянным током, реализованный «Автономной системой электропитания искусственного спутника Земли» (патент RU № 2059988 от 10 мая 1996 г.), который выбран в качестве прототипа.
Известная автономная система электропитания содержит солнечную батарею, подключенную к нагрузке через стабилизированный преобразователь напряжения, и «n» вторичных источников электроэнергии (аккумуляторных батарей) с индивидуальными зарядными и разрядными преобразователями, подключенными к солнечной батарее и нагрузке соответственно.
Общим недостатком известных способов является то, что они не дают рекомендаций по оптимизации количества применяемых аккумуляторных батарей, количества аккумуляторов в аккумуляторных батареях и номинальной емкости аккумуляторов, что не позволяет создать систему электропитания с высокими удельными энергетическими характеристиками и высокой надежностью.
Задачей заявляемого изобретения является повышение эффективности использования аккумуляторных батарей и удельных энергетических характеристик автономной системы электропитания.
Поставленная задача достигается тем, что Nакк в каждой аккумуляторной батарее выбирают из соотношения
Nакк (Uн+1)/Uакк.мин,
где Nакк – число аккумуляторов в одной аккумуляторной батарее;
Uн – напряжение на выходе автономной системы электропитания;
Uакк.мин – минимальное разрядное напряжение одного аккумулятора,
а емкость аккумуляторов выбирают из соотношения:
Сн=Рн· р/Nаб· сп·Uразр.ср·Кглуб·Nакк,
где Cн – номинальная емкость аккумуляторов;
Рн – мощность нагрузки ИСЗ;
р – максимальное время разряда аккумуляторной батареи в цикле заряд-разряд;
Nаб – число аккумуляторных батарей в автономной системе электропитания;
сп – коэффициент полезного действия разрядного преобразователя напряжения;
Uразр.cp – среднее разрядное напряжение одного аккумулятора;
Кглуб – допустимая глубина разряда аккумуляторной батареи.
Кроме того, число аккумуляторов в каждой аккумуляторной батарее увеличивают на допустимое число отказавших аккумуляторов, а число аккумуляторных батарей выбирают равным двум.
Совершенно очевидно, что, с точки зрения удельных энергетических характеристик автономной системы электропитания, применение одной аккумуляторной батареи с одним зарядным и одним разрядным преобразователями наиболее оптимально. При этом минимальное разрядное напряжение аккумуляторной батареи должно быть по величине больше, чем стабилизируемое на выходе разрядного преобразователя напряжение. Это позволяет исключить в разрядном преобразователе вольтодобавочный узел, снижающий коэффициент полезного действия и увеличивающий массу устройства разрядного преобразователя.
В этом случае необходимая для конкретного ИСЗ энергетика от вторичного источника электроэнергии, аккумуляторной батареи легко регулируется варьированием числа аккумуляторов в аккумуляторной батарее. При этом надежность аккумуляторной батареи обеспечивается установкой дополнительного количества аккумуляторов («горячий» резерв) и использованием в аккумуляторных батареях байпасных зарядных и разрядных цепей для каждого аккумулятора. Увеличение количества аккумуляторных батарей неизбежно ведет к снижению удельных энергетических характеристик автономной системы электропитания за счет тиражирования зарядных и разрядных преобразователей и элементов интерфейса.
В то же время анализ результатов эксплуатации аккумуляторных батарей в составе ИСЗ показывает, что для поддержания (восстановления) высоких характеристик аккумуляторных батарей при их длительной эксплуатации требуется периодическое проведение глубоких профилактических разрядов (см. патент RU №2289178 от 10 декабря 2006 г.).
При этом непрогнозированное нарушение ориентации солнечной батареи при разряженной аккумуляторной батарее грозит потерей ИСЗ, что не позволяет применять известные способы при использовании в составе ИСЗ только одной аккумуляторной батареи.
Исходя из изложенного с позиций обеспечения живучести (надежности) ИСЗ число аккумуляторных батарей в составе автономной системы электропитания должно быть не менее двух, а с позиций удельных энергетических характеристик – минимальным. Таким образом, оптимальное число аккумуляторных батарей в автономной системе электропитания ИСЗ равно двум.
Из условия по минимальному напряжению аккумуляторной батареи (минимальное разрядное напряжение аккумуляторной батареи должно быть по величине больше, чем стабилизируемое на выходе разрядного преобразователя напряжение) и, зная величину минимального разрядного напряжения аккумуляторов при этом, можно рассчитать необходимое число аккумуляторов в аккумуляторной батарее, используя следующее математическое выражение:
Nакк (Uн+1)/Uакк.мин.
Известно, что потери напряжения на транзисторном ключе разрядных преобразователей не превышают 1 В.
При Nакк=(Uн+1)/Uакк.мин обеспечивается минимально необходимое число аккумуляторов, а при Nакк>(Uн+1)/Uакк.мин, решается задача обеспечения требуемой энергоемкости (Вт·час) аккумуляторной батареи при ограниченной номенклатуре типоразмеров аккумуляторов.
Далее необходимо определить номинальную емкость аккумуляторов для обеспечения необходимой энергетики ИСЗ при прохождении теневых участков орбиты. Это можно сделать, используя следующее математическое выражение:
Сн=Рн· р/Nаб· сп·Uразр.ср·Nакк·Кглуб.
Действительно, мощность нагрузки, умноженная на максимальное время разряда аккумуляторной батареи в цикле заряд-разряд (Рн· р), соответствует величине максимальной энергии, потребляемой ИСЗ на теневом участке орбиты (Вт·час). При этом, в отношении величины энергии аккумуляторной батареи, необходимо учесть коэффициент полезного действия разрядного преобразователя напряжения ( сп). Полученную величину, для перехода от (Вт·час) к (А·час), необходимо разделить на среднее разрядное напряжение аккумуляторной батареи, равное Uразр.cp·Nакк. Кроме того, необходимо учесть число применяемых аккумуляторных батарей путем деления на Nаб. И еще один фактор, который необходимо учесть, – это допустимая глубина разряда аккумуляторной батареи (Кглуб), стоящая так же в знаменателе этого математического выражения.
Для обеспечения длительного ресурса работы аккумуляторной батареи (10 лет и более) необходимо ограничение глубины ее разряда, которая зависит от нескольких эксплуатационных факторов. Наиболее важные из них: количество циклов заряд-разряд, температура аккумуляторов, токи заряда и разряда.
Из практики проектирования и эксплуатации современных ИСЗ, значения Кглуб составляют:
– для низкоорбитальных ИСЗ (количество циклов заряд-разряд – несколько тысяч в год, а предельный расчетный срок службы ИСЗ до 5-7 лет) – 0,25-0,4;
– для геостационарных ИСЗ (100 циклов в год, а срок службы 10-15 лет) – 0,7-0,8.
При этом максимальные значения Кглуб в указанных диапазонах реализуются при обеспечении оптимальной средней температуре аккумуляторов – не выше 15°С.
Для других (промежуточных) типов орбит значения Кглуб лежат в диапазоне – 0,4-0,7.
Рассчитав число аккумуляторов в аккумуляторной батарее и величину емкости аккумуляторов и принимая во внимание, что оптимальное число аккумуляторных батарей в автономной системе электропитания ИСЗ равно двум, можно формировать требования к аккумуляторной батарее варьируя числом аккумуляторов и их емкостью и руководствуясь уже экономическими соображениями в плане выбора из существующих типоразмеров аккумуляторов или проведения разработки нового типоразмера.
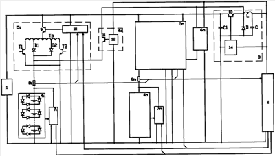
На чертеже, приведена функциональная схема автономной системы электропитания ИСЗ для реализации заявляемого способа.
Автономная система электропитания ИСЗ содержит солнечную батарею 1, подключенную к нагрузке 2 через преобразователь напряжения 3, аккумуляторные батареи 41-4n, подключенные через зарядные преобразователи 51-5n к солнечной батарее 1, а через разрядные преобразователи 61-6n – к входу выходного фильтра преобразователя напряжения 3. Кроме того, аккумуляторные батареи 41-4n содержат в своем составе байпасные цепи: зарядные – из трех последовательно соединенных диодов, подключенных параллельно каждому аккумулятору и разрядные – из одного диода (количество диодов на схеме показано применительно к никель-водородным аккумуляторным батареям).
При этом нагрузка 2 в своем составе содержит бортовую ЭВМ, систему телеметрии и командно-измерительную радиолинию.
Параллельно аккумуляторным батареям 41-4n подключены устройства контроля аккумуляторных батарей 71-7n, связанные входом с аккумуляторными батареями 41-4n для контроля напряжения, давления и температуры аккумуляторов, а выходом с нагрузкой 2. Кроме того, устройства контроля аккумуляторных батарей 71-7n содержат в своем составе разрядные сопротивления (на схеме не показано) для проведения глубоких разрядов аккумуляторных батарей 41-4n.
В цепи заряда-разряда аккумуляторных батарей установлены измерительные шунты 81-8n.
Зарядные преобразователи 51-5n состоят из регулирующего ключа 9, управляемого схемой управления 10, вольтодобавочного узла, выполненного на трансформаторе Тр, транзисторах Т1 и Т2 и выпрямителя на диодах D1 и D2.
Разрядные преобразователи 61-6n состоят из регулирующего ключа 11, управляемого схемой управления 12.
Преобразователь напряжения 3 состоит из регулирующего ключа 13, управляемого схемой управления 14, входного фильтра С1 и выходного фильтра на диоде D, дросселе L и конденсаторе С.
Схемы управления: 10-зарядных преобразователей 51-5n, 12-разрядных преобразователей 61-6n, 14 – преобразователя напряжения 3, выполнены в виде широтно-импульсных модуляторов, входом подключенных к шинам стабилизируемого напряжения. Схемы управления 10-зарядных преобразователей 51-5n дополнительно связаны с измерительными шунтами 81-8n и нагрузкой 2.
Устройство работает следующим образом. В процессе эксплуатации аккумуляторные батареи 41-4n работают в основном в режиме хранения и периодических дозарядов от солнечной батареи 1 через зарядные преобразователи 51-5n. Такой режим работы позволяет содержать их в постоянной готовности на случай аварийных ситуаций (потеря ориентации ИСЗ на Солнце) или на прохождение штатных теневых участков орбиты.
Питание нагрузки 2 осуществляется при этом от солнечной батареи 1 через преобразователь напряжения 3.
При прохождении теневых участков орбиты либо при нарушении ориентации нагрузка 2 питается от аккумуляторных батарей 41-4n через разрядные преобразователи 61-6n.
Устройства контроля 71-7n контролируют напряжение, давление и температуру аккумуляторов аккумуляторных батарей 41-4n и передают информацию об их состоянии в нагрузку 2.
В процессе эксплуатации аккумуляторной батареи, по результатам анализа телеметрических данных, при необходимости, по командам с Земли через командно-измерительную радиолинию запускают программы профилактического разряда какой-либо аккумуляторной батареи. Такие работы проводят на освещенном участке орбиты ИСЗ и на время проведения разряда работу соответствующего зарядного преобразователя блокируют.
Таким образом, предлагаемый способ питания нагрузки постоянным током в автономной системе электропитания ИСЗ позволяет повысить эффективность использования аккумуляторных батарей и удельные энергетические характеристики самой автономной системы электропитания.
Формула изобретения
1. Способ питания нагрузки постоянным током в автономной системе электропитания искусственного спутника Земли от источника ограниченной мощности, например солнечной батареи, и комплекта из Nаб вторичных источников электроэнергии – аккумуляторных батарей, содержащих Nакк аккумуляторов, соединенных последовательно, с байпасными зарядными и разрядными цепями на каждом аккумуляторе, заключающийся в стабилизации напряжения на нагрузке, проведении заряд – разрядных циклов через индивидуальные зарядные и разрядные преобразователи, контроле аккумуляторных батарей и проведении профилактических работ с аккумуляторными батареями, отличающийся тем, что Nакк в каждой аккумуляторной батарее выбирают из соотношения:
Nакк (Uн+1)/Uакк.мин,
где Nакк – число аккумуляторов в одной аккумуляторной батарее;
Uн – напряжение на выходе автономной системы электропитания;
Uакк.мин – минимальное разрядное напряжение одного аккумулятора, а емкость аккумуляторов выбирают из соотношения:
Сн=Рн· р/Nаб· сп·Uразр.ср·Кглуб·Nакк,
где Сн – номинальная емкость аккумуляторов;
р – максимальное время разряда аккумуляторной батареи в цикле заряд-разряд;
Nаб – число аккумуляторных батарей в автономной системе электропитания;
сп – коэффициент полезного действия разрядного преобразователя напряжения;
Uразр.cp – среднее разрядное напряжение одного аккумулятора;
Кглуб – допустимая глубина разряда аккумуляторной батареи.
2. Способ по п.1, отличающийся тем, что число аккумуляторов в каждой аккумуляторной батарее увеличивают на допустимое число отказавших аккумуляторов, а число аккумуляторных батарей выбирают равным двум.
РИСУНКИ
|