|
|
(21), (22) Заявка: 2006109505/09, 27.03.2006
(24) Дата начала отсчета срока действия патента:
27.03.2006
(43) Дата публикации заявки: 27.12.2007
(46) Опубликовано: 20.09.2008
(56) Список документов, цитированных в отчете о поиске:
RU 2124230 C1, 27.12.1998. RU 2210418 C2, 20.04.2003. US 2004032084 В, 19.02.2004. WO 03/00365 A1, 03.01.2003. DE 3911846, 18.10.1990. KR 20040029354, 06.04.2004.
Адрес для переписки:
103006, Москва, пер. Воротниковский, 5/9, кв.4, пат.пов. Г.А.Флястер
|
(72) Автор(ы):
Зибров Александр Николаевич (RU), Лиздунов Анатолий Иванович (RU), Штыкова Наталья Николаевна (RU), Халезов Александр Сергеевич (RU)
(73) Патентообладатель(и):
Закрытое акционерное общество “ИНТЕРЛОТ” (RU)
|
(54) СПОСОБ ПРОВЕДЕНИЯ ЛОТЕРЕИ И УСТРОЙСТВО ДЛЯ ЕГО РЕАЛИЗАЦИИ
(57) Реферат:
Изобретение относится к проведению розыгрыша лотерей. Техническим результатом изобретения является увеличение эффективности производственного процесса при проведении различных взаимосвязанных лотерей с использованием одного и того же процессингового центра. В способе разрабатывают электронные макеты лотерейных билетов основной и дополнительной лотерей, в которых предусматривают общий для основной и дополнительной лотерей сектор в игровом поле с общими игровыми данными, создают электронную базу учетных, игровых и защитных данных лотерейных билетов лотерей, а также электронные базы данных реализованных билетов, электронные базы данных призовых фондов каждого тура розыгрыша, устанавливают порядковые номера розыгрышей, которые одновременно участвуют в основной и дополнительной лотереях, после проведения розыгрыша основной лотереи проводят розыгрыш дополнительной лотереи, при этом осуществляют розыгрыш каждого сектора игрового поля лотерейного билета дополнительной лотереи. 2 н.п.ф-лы, 1 ил.
Изобретение относится к коллективным играм и может быть использовано для проведения розыгрыша лотерей.
Известен способ для проведения лотерейных игр, заключающийся в создании и тиражировании пронумерованных лотерейных билетов с нанесенными на них основным и дополнительным игровыми полями. Основное поле содержит две игровые карты, каждая из которых состоит их трех строк по девять ячеек, а дополнительное поле содержит три ячейки. Каждое игровое поле случайным образом заполняют набором цифровых символов из массива от 1 до 90, причем эти наборы не повторяются в других билетах данного тиража. Проводят розыгрыш на ожидание совпадения случайно сформированного во время проведения розыгрыша количества символов с символами, нанесенными в ячейки основного игрового поля. Победителя розыгрыша по дополнительному полю определяют по совпадению не разыгранных в основном розыгрыше символов с символами, нанесенными в дополнительном поле (Лотерея «Русское лото» билет №0804556, тираж 315, 22 октября 2000 г, патент RU №2137522).
Недостатком известного способа является незначительная величина призового фонда дополнительного розыгрыша, ибо он формируется из единого призового фонда за счет его перераспределения.
Известен способ работы процессингового центра, заключающийся в формировании электронных баз данных лотерейных билетов, призового фонда и жеребеек с числами, розыгрыше призового фонда по закону случайных чисел в несколько тиражей, в котором одновременно проводят розыгрыш N лотерей, для чего парциально выделяют информационные сигналы, соответствующие числу лотерейных билетов одновременно участвующих в розыгрыше для каждой из N проводимых лотерей, формируют сигналы их отличительных признаков, в соответствии с которыми тиражируют лотерейные билеты, вычисляют размер призового фонда по каждой проводимой лотерее в отдельности, а затем, после розыгрыша по заранее заданным условиям проведения лотереи по закону случайных чисел, определяют информационные сигналы, соответствующие выигрышным лотерейным билетам, из которых выделяют сигнал с информационным признаком конкретной лотереи, в которой обнаружен выигрыш, фиксируют идентификационные сигналы выигравшего билета и соответственно изменяют информационные электронные базы данных призового фонда, сравнивают их с порогом, установленным до начала розыгрыша и в случае превышения порога изменяют значения сигналов, определяющих входные параметры установки условий следующего тура розыгрыша в этой лотерее и продолжают проводить процедуру розыгрыша по всем лотереям циклически и каждый раз изменяют установочные сигналы в той лотерее, в которой происходит выигрыш, а при превышении пороговых соотношений фиксируют ее конкретный идентификационный признак, по которому формируют сигнал, запрещающий доступ к информационной базе данных этой лотереи, изменяют установочные сигналы, которые определяют условия игры следующего тура и проводят аналогично розыгрыш по оставшимся (N-1) лотереям до полного исчерпания призового фонда по каждой из проводимых лотерей. (Патент RU №2210418, выд 20.08.03).
Недостатком известного способа являются территориальные ограничения при определении возможности участия билета в розыгрыше дополнительного выигрыша, уменьшении вероятности ожидания совпадения в связи с отсутствием собственного игрового поля.
Наиболее близким техническим решением, т.е. прототипом заявленного способа, является способ работы процессингового центра, заключающийся в том, что в процессинговом центре создают электоронный макет лотерейного билета основной лотереи, электронную базу учетных данных основной лотереи, электронную базу игровых данных основной лотереи, электронную базу данных реализованных лотерейных билетов основной лотереи в блоке памяти процессингового центра, осуществляют изготовление лотерейных билетов основной лотереи, для чего сформированные учетные и игровые данные указанных электронных баз через интерфейс передают в блок формирования защитных данных лотерейных билетов основной лотереи, после чего соответствующие сформированным данным сигналы передают в соответствующие базы данных блока памяти для хранения и в блок подготовки и тиражирования лотерейных билетов для изготовления лотерейных билетов, после изготовления которых в полиграфическом или электронном исполнении они поступают на терминалы, предназначенные для реализации лотерейных билетов, проводят розыгрыш основной лотереи, в результате которого определяют выигрышную последовательность символов игровых данных основной лотереи, генерируют набор сигналов учетных и игровых данных соответствующих баз данных блока памяти, сравнивают их с соответствующими сигналами базы данных реализованных лотерейных билетов блока памяти, относящихся к основной лотерее, и определяют учетный номер выигравшего лотерейного билета основной лотереи по заданному условию (патент RU №2124230).
Известно устройство для проведения лотереи, содержащее блок подготовки и тиражирования лотерейных билетов, блок формирования учетных и игровых данных, первый и второй блок памяти, первый генератор случайных чисел, блок сортировки, блок ввода-вывода информации, М терминалов реализации лотерейных билетов, блок расчета призового фонда, блок установки условий игры, блок сравнения и блок сигнализации, имеющие двухстороннюю связь с интерфейсом, а также соединенные двухсторонней связью с интерфейсом блок первых N счетчиков, блок формирования отличительных признаков лотерей, блок присвоения условного признака лотереи, блок вторых N счетчиков, второй генератор случайных чисел, блок определения условного признака дополнительной лотереи, причем второй выход генератора кодовых слов соединен со вторым входом блока присвоения условного признака лотереи (Патент RU №2210418, выд. 20.08.03).
Недостатком известного устройства является невозможность его применения для создания билетов с использованием разных типов игровых карт и невозможность проведения одновременного розыгрыша билетов разных лотерей, использующих неодинаковые игровые символы.
Наиболее близким техническим решением, т.е. прототипом, является устройство, содержащее процессинговый центр лотереи, который содержит блок подготовки и тиражирования лотерейных билетов, блок формирования учетных данных, первый блок формирования игровых данных, первый блок формирования защитных данных, блок памяти, блок сортировки, блок ввода-вывода информации, М терминалов реализации лотерейных билетов, блок расчета призового фонда, блок установки условий игры, первый блок сравнения, банк, первый блок проведения розыгрыша, таймер, имеющие двухстороннюю связь с интерфейсом, при этом второй выход блока установки условий игры подключен к второму входу блока сигнализации, а второй выход первого блока сравнения соединен с третьим входом блока сигнализации, при этом второй вход/выход блока подготовки и тиражирования лотерейных билетов соединен с каждым из вторых входов М терминалов реализации лотерейных билетов, каждый из третьих вход/выходов которых двухсторонней линией связи соединен с вторым входом банка при этом третий выход первого блока проведения розыгрыша подключен к второму входу первого блока сравнения (патент RU №2124230).
Недостатком известного устройства является невозможность проведения одновременного розыгрыша N различных лотерей с собственными призовыми фондами.
Результатом изобретения является увеличение экономической эффективности производственного процесса за счет проведения нескольких различных взаимносвязанных лотерей с использованием единого процессингового центра как средства подготовки, изготовления, тиражирования и определения выигравших лотерейных билетов.
Сущность заявленного в изобретении способа заключается в том, что в процессинговом центре создают электоронный макет лотерейного билета основной лотереи, электронную базу учетных данных основной лотереи, электронную базу игровых данных основной лотереи, электронную базу данных реализованных лотерейных билетов основной лотереи в блоке памяти процессингового центра, осуществляют изготовление лотерейных билетов основной лотереи, для чего сформированные учетные и игровые данные указанных электронных баз через интерфейс передают в блок формирования защитных данных лотерейных билетов основной лотереи, после чего соответствующие сформированным данным сигналы передают в соответствующие базы данных блока памяти для хранения и в блок подготовки и тиражирования лотерейных билетов для изготовления лотерейных билетов, после изготовления которых в полиграфическом или электронном исполнении они поступают на терминалы, предназначенные для реализации лотерейных билетов, проводят розыгрыш основной лотереи, в результате которого определяют выигрышную последовательность символов игровых данных основной лотереи, генерируют набор сигналов учетных и игровых данных соответствующих баз данных блока памяти, сравнивают их с соответствующими сигналами базы данных реализованных лотерейных билетов блока памяти, относящихся к основной лотерее и определяют учетный номер выигравшего лотерейного билета основной лотереи по заданному условию, дополнительно создают электронный макет лотерейного билета дополнительной лотереи, в котором предусматривают наличие общего с лотерейным билетом основной лотереи сектора в игровом поле с общими игровыми данными указанных лотерей, в блоке памяти создают электронную базу учетных данных дополнительной лотереи, электронную базу игровых данных дополнительной лотереи, электронную базу защитных данных лотерейных билетов дополнительной лотереи и базу данных реализованных лотерейных билетов дополнительной лотереи, устанавливают порядковые номера розыгрышей основной лотереи, которые одновременно участвуют в розыгрыше дополнительной лотереи, при создании электронного макета лотерейного билета дополнительной лотереи сектор игрового поля с общими данными составляют из символов игровых данных основной лотереи, количество которых равно числу установленных порядковых номеров розыгрышей, общих для основной и дополнительной лотерей, а игровые символы в оставшихся секторах игрового поля лотерейных билетов дополнительной лотереи составляют из символов, отличных от символов игровых данных основной лотереи, соответствующие сформированные таким образом учетные и игровые данные передают в соответствующие базы данных блока памяти и в блок подготовки и тиражирования лотерейных билетов для изготовления лотерейных билетов дополнительной лотереи, после изготовления которых в полиграфическом или электронном исполнении они поступают на терминалы, предназначенные для реализации лотерейных билетов, при проведении розыгрыша основной лотереи определяют его порядковый номер, после проведения этого розыгрыша основной лотереи, если указанный номер совпадает с порядковым номером розыгрыша дополнительной лотереи общего с основной лотереей, осуществляют розыгрыш каждого сектора игрового поля лотерейного билета дополнительной лотереи, начиная с сектора с общими игровыми данными указанных лотерей, для чего в блоке проведения розыгрыша формируют выпавший символ для сравнения с общими игровыми данными основной лотереи, в случае совпадения выпавшего символа формируют сигнал, соответствующий учетным данным лотерейных билетов дополнительной лотереи и фиксируют эти данные в соответствующем разделе блока памяти, по окончании всех розыгрышей основной лотереи продолжают розыгрыши дополнительной лотереи по установленным правилам и определяют учетные данные выигравших лотерейных билетов.
Сущность предлагаемого в изобретении устройства заключается в том, что в устройство, содержащее процессинговый центр лотереи, который содержит блок подготовки и тиражирования лотерейных билетов, блок формирования учетных данных, блок формирования игровых данных, первый блок формирования защитных данных, блок памяти, блок сортировки, блок ввода-вывода информации, М терминалов реализации лотерейных билетов, блок расчета призового фонда, блок установки условий игры, первый блок сравнения, банк, первый блок проведения розыгрыша, таймер, имеющие двухстороннюю связь с интерфейсом, при этом второй выход блока установки условий игры подключен к второму входу блока сигнализации, а второй выход первого блока сравнения соединен с третьим входом блока сигнализации, при этом второй вход/выход блока подготовки и тиражирования лотерейных билетов соединен с каждым из вторых входов М терминалов реализации лотерейных билетов, каждый из третьих вход/выходов которых двухсторонней линией связи соединен с вторым входом банка, при этом третий выход первого блока проведения розыгрыша подключен к второму входу первого блока сравнения дополнительно введены первый, второй, третий генераторы случайных чисел, второй блок формирования защитных данных, счетчик, второй блок проведения розыгрыша, второй блок сравнения, каждый из которых двухсторонней линией связи соединен с интерфейсом, при этом второй и третий выход блока формирования учетных данных подключены соответственно к второму входу блока формирования игровых данных и к второму входу первого генератора случайных чисел, а четвертый выход блока формирования учетных данных одновременно подключен к третьему входу первого генератора случайных чисел и второму входу второго генератора случайных чисел и пятый выход блока формирования учетных данных одновременно соединен с третьим входом второго генератора случайных чисел и вторым входом третьего генератора случайных чисел, а также первый и второй выходы счетчика соединены соответственно с вторым входом первого блока проведения розыгрыша и первым входом блока сигнализации, при этом второй выход первого блока проведения розыгрыша подключен к второму входу второго блока сравнения к тому же третий и четвертый выходы блока установки условий игры соединены соответственно с третьим входом второго блока проведения розыгрыша и с пятым входом второго блока сравнения, а второй выход второго блока проведения розыгрыша подключен к третьему входу второго блока сравнения, при этом четвертый выход второго блока проведения розыгрыша соединен с четвертым входом второго блока сравнения, второй выход которого подключен к четвертому входу блока сигнализации.
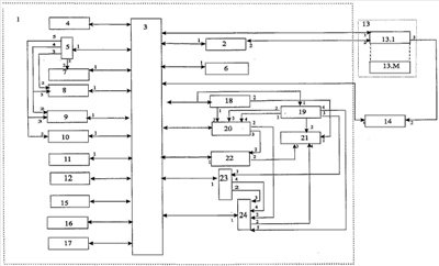
Техническая реализация процессингового центра для проведения лотереи осуществляется на элементной базе компьютерной техники и показана на следующем примере его работы.
На чертеже представлена функциональная схема процессингового центра для проведения лотереи, где процессинговый центр лотереи – 1, блок подготовки и тиражирования лотерейных билетов – 2, интерфейс – 3, блок ввода/вывода информации – 4, блок формирования учетных данных – 5, блок памяти – 6, первый блок формирования игровых данных – 7, первый генератор случайных чисел – 8, второй генератор случайных чисел – 9, третий генератор случайных чисел – 10, первый блок формирования защитных данных – 11, второй блок формирования защитных – 12, терминалы реализации лотерейных билетов – 13.1-13.М, банк – 14, блок расчета призового фонда – 15, таймер – 16, блок сортировки – 17, счетчик – 18, блок установки условий игры – 19, первый блок проведения розыгрыша – 20, блок сигнализации – 21, первый блок сравнения – 22, второй блок проведения розыгрыша – 23, второй блок сравнения – 24.
Работает процессинговый центр для проведения лотереи следующим образом.
На предварительном этапе подготовки лотереи устанавливают правила ее проведения: вид индивидуального игрового поля билета, размерность игровых карт и их количество в игровом поле, правило заполнения игровых карт, процедуру проведения розыгрыша, процедуру определения победителя, процедуру расчета призового фонда и т.д.
Предлагаемый способ проведения лотереи состоит в том, что объединяют N отдельных лотерей путем формирования одного или нескольких общих игровых элементов, причем одна из лотерей является независимой лотереей (основной), а другие – дополнительными, зависимыми лотереями.
Наиболее просто способ реализуют для случая объединения двух лотерей.
Пусть, например, в качестве основной лотереи проводят лотерею «Золотой ключ», построенную по принципу ожидания совпадения по объявленным заранее правилам набора случайных символов, в виде цифр, расположенных в двух игровых картах на игровом поле билета с некоторой случайной игровой последовательностью цифр, формируемых при проведении розыгрыша.
Игровые карты основной лотереи выполняют в виде матрицы M·N, где М – количество строк, N – количество столбцов. В каждой строке игрового поля размещают заранее установленное число Q игровых символов.
В предлагаемой дополнительной лотерее одно из игровых полей формируют из G
При назначении дат проведения розыгрышей тиражей обязательным является выполнение условий:
– время проведения розыгрыша основной лотереи должно предшествовать времени проведения розыгрышей дополнительных лотерей,
– реализация билетов дополнительных лотерей должна быть завершена до проведения розыгрыша тиража основной лотереи.
Пусть для нашего примера конечный срок реализации билетов дополнительной лотереи точно соответствует сроку реализации основной лотереи.
Организаторы лотереи устанавливают и заранее объявляют конкретное число игровых символов G, которое будет являться общим в данном конкретном тираже дополнительной лотереи и такое же число G конкретных порядковых номеров Ji розыгрыша этих случайных символов. Пусть G=2. Это означает, например, что два символа при розыгрыше основной лотереи в текущем тираже являются общими для основной и дополнительной лотереи. Необходимо лишь указать заранее в каких розыгрышах (т.е. на каком конкретном ходу) эти два разыгрываемых символа будут определены.
Способ проведения лотереи по рассмотренным правилам поясняется в описании работы предложенного устройства.
В нашем примере для основной лотереи на игровом поле размещают две игровые карты, каждая из которых состоит из трех строк по девять ячеек в строке. Весь розыгрыш тиража разделен на туры, а в каждом туре разыгрывают в соответствии с заранее объявленными правилами одну игру. Например, в первом туре выигрывают билеты, в которых раньше всех обнаружено совпадение символов, содержащихся в любой одной строке на игровом поле билета с символами, формируемыми при проведении розыгрыша. Соответственно, во втором туре выигрывают билеты, в которых раньше всех обнаружено совпадение в двух любых строках и т.д.
Игровое поле билета дополнительной лотереи содержит N секторов произвольной конфигурации, которые неизменны для всех билетов тиража.
Пусть в первом секторе размешают G случайным образом сформированных символов первого массива МG 1, во втором секторе размещают q символов второго массива МQ2, а в третьем, соответственно, – элементы третьего массива символов МJ3 и т.д. Один и тот же символ в игровой карте данного сектора билета не повторяется.
Например, в качестве первого массива символов выбран массив, который использован в известной лотерее «Золотой ключ», составленный из девяноста чисел от 1 до 90. Для первого сектора игрового поля дополнительной лотереи каждого билета из этого массива по случайному закону выбирают G, например, один символ.
Второй сектор игрового поля составляют из других символов, например, пяти «игральных карт». В этом случае второй массив МQ2 представляет собой 36 игральных карт стандартного набора, т.е. четыре масти по 9 карт в каждой, от шестерки до туза. Индивидуальный игровой набор символов для каждого билета составляется путем случайной выборки из этого массива, например пяти карт.
Пусть, согласно предварительно объявленным правилам, в третьем секторе игрового поля формируют признак «козырной» масти, для чего в игровом поле располагают символ этой масти (например, специальная карта, на которую нанесен лишь признак масти). В этом случае второй массив соответственно содержит 4 карты, по одной карте каждой из четырех мастей.
Для повышения зрелищности игры во время розыгрыша, например, с помощью лототрона, используемое число карт может быть произвольно увеличено в целое число раз.
Из этого массива производят случайную выборку одного символа. В общем случае каждую позицию в каждой игровой карте отмечают идентификатором, причем в качестве идентификаторов могут быть использованы любые символы (цифры, буквы, рисунки и т.д.).
В процессинговом центре лотереи – 1 в блоке подготовки и тиражирования лотерейных билетов 2, имеющим двухстороннюю связь с интерфейсом 3, производят дизайнерскую разработку лотерейных билетов для основной и дополнительной лотерей, в которых предусматривают поля для указания места, даты и времени проведения тиража, поля для нанесения учетных, защитных и игровых данных. Для каждой лотереи устанавливают конкретное значение специально разработанных для нее игровых карт, размещаемых в игровом поле.
Оператор лотереи в блоке ввода/вывода информации 4 формирует сигнал начала процесса формирования базы данных лотерейных билетов основной лотереи, который по двухсторонним линиям связи через интерфейс 3 поступает на первый вход блока формирования учетных данных 5 и на его первом выходе вырабатывают электрический сигнал, соответствующий первой учетной записи основной лотереи, который по двухсторонним линиям связи через интерфейс 3 подают на вход блока памяти 6 и запоминают.
Одновременно на втором выходе блока формирования учетных данных 5 формируют управляющий сигнал, который подают на второй вход блока формирования игровых данных – 7, в качестве которого может использоваться генератор случайных чисел, с помощью которого формируют наборы игровых данных для двух игровых карт основной лотереи, причем игровые символы в каждой паре игровых карт не повторяются. Соответствующий сигнал с 1-го входа/выхода блока формирования игровых данных – 7 подают по двухсторонней линии связи через интерфейс 3 на вход блока памяти 6 и запоминают в требуемом разделе. Модифицируют сигнал на выходе блока формирования учетных данных 5, генерируют с помощью блока формирования игровых данных – 7 следующий набор случайных чисел и далее весь процесс циклически повторяют до тех пор, пока не будет выполнено условие формирования заданного числа S учетных записей, которое предварительно устанавливают организаторы лотереи, причем S L, где L – число распространяемых лотерейных билетов текущего тиража.
После завершения этой процедуры выключают блок формирования игровых данных 7, а в блоке ввода/вывода информации 4 формирует сигнал начала процесса формирования базы данных лотерейных билетов дополнительной лотереи, который с его входа/выхода через интерфейс 3 поступает на первый вход блока формирования учетных данных 5 и на его первом входе/выходе вырабатывают электрический сигнал, соответствующий первой учетной записи дополнительной лотереи, который через интерфейс 3 подают на вход блока памяти 6 и запоминают в соответствующем разделе.
Одновременно на третьем выходе блока формирования учетных данных 5 формируют управляющий сигнал, который подают на второй вход первого генератора случайных чисел 8, с помощью которого формируют игровые данные для первого сектора игрового поля дополнительной лотереи, в котором, например, размещают G символов, участвующих в розыгрыше основной лотереи. В нашем примере игровые данные основной лотереи формируют из массива чисел Мосн=90, изменяющихся от 1 до 90, поэтому при G=1 первый генератор случайных чисел 8 формирует для каждой учетной записи одно случайное число из указанного массива, а соответствующий этому числу электрический сигнал с его первого выхода через интерфейс 3 подают по двухсторонней линии связи на вход блока памяти 6 и запоминают в требуемом разделе. Модифицируют сигнал на выходе блока формирования учетных данных 5, генерируют с помощью первого генератора случайных чисел 8 следующее случайное число и далее весь процесс циклически повторяют до тех пор, пока не будет выполнено условие формирования заданного числа Sдоп учетных записей, которое предварительно устанавливают организаторы дополнительной лотереи, причем Sосн Sдоп для текущего тиража.
После завершения процедуры формирования массива игровых данных для первого сектора на четвертом выходе блока формирования учетных данных 5 формируют управляющий сигнал, который одновременно подают на третий вход первого генератора случайных чисел 8 и второй вход второго генератора случайных чисел 9. Этот управляющий сигнал выключает первый генератор случайных чисел 8 и включает второй генератор случайных чисел 9, предназначенный для формирования условных кодовых комбинаций случайных чисел в соответствии с требованиями правил во втором секторе игрового поля. Для нашего случая генератор должен формировать пять случайных символов из массива, состоящего из тридцати шести символов.
На первом выходе второго генератора случайных чисел 9 формируют соответствующий этим кодовым комбинациям электрический сигнал, который через интерфейс 3 подают на вход блока памяти 6, где запоминают в соответствующем разделе, затем модифицируют сигнал на первом выходе блока формирования учетных данных 5, генерируют следующий учетный номер и следующее случайное число и повторяют далее весь процесс циклически до тех пор, пока не будет выполнено условие формирования заданного заранее числа учетных записей для второго сектора.
После завершения процедуры формирования массива игровых данных для второго сектора на пятом выходе блока формирования учетных данных 5 формируют управляющий сигнал, который одновременно подают на третий вход второго генератора случайных чисел 9 и второй вход третьего генератора случайных чисел 10. Этот управляющий сигнал выключает второй генератор случайных чисел 9 и включает третий генератор случайных чисел 10, предназначенный для формирования условных кодовых комбинаций случайных чисел в соответствии с требованиями правил в третьем секторе игрового поля. Для нашего примера, когда необходимо обеспечить равную вероятность выбора одного из четырех событий, генератор должен формировать один случайный символ из массива, состоящего, например, из W=4·w, где w – любое произвольное целое число.
Вновь устанавливают в исходное состояние генерации блок формирования учетных данных 5 и соответственно для каждой учетной записи на первом выходе третьего генератора случайных чисел 10 формируют соответствующие электрические сигналы, которые через интерфейс 3 подают на вход блока памяти 6, где и запоминают в соответствующем разделе.
Для изготовления лотерейных билетов основной лотереи сигналы учетных и игровых данных с выхода блока памяти 6 подают через интерфейс 3 на вход первого блока формирования защитных данных лотерейных билетов 11 основной лотереи, а соответствующий сигнал защитной метки с его первого выхода через интерфейс 3 подают в блок подготовки и тиражирования лотерейных билетов 2, а также в блок памяти 6 и запоминают.
Для изготовления лотерейных билетов дополнительной лотереи сигналы учетных и игровых данных с выхода блока памяти 6 подают на вход второго блока формирования защитных данных 12, а соответствующий сигнал с его первого выхода через интерфейс 3 подают в блок подготовки и тиражирования лотерейных билетов 2, а также в блок памяти 6 и запоминают.
По разрешающему сигналу от оператора лотереи билеты основной и дополнительной лотерей в полиграфическом и электронном исполнении поступают в терминалы реализации лотерейных билетов 13.1-13.М, а соответствующие денежные средства по каждой лотерее в отдельности после их реализации поступают в банк 14, соединенный двухсторонней линией связи через интерфейс 3 процессингового центра 1 в блок расчета призового фонда 15, выполненного как вычислитель, в котором для каждой лотереи в отдельности проводят необходимые финансовые расчеты.
В терминалах реализации 13.1-13.М формируют отчетные списки номеров реализованных билетов в отдельности по основной и дополнительной лотереям и соответствующие электрические сигналы с первого входа/выхода по двухсторонней линии связи передают в процессинговый центр лотереи 1, где через интерфейс 3 запоминают в соответствующих разделах блока памяти 6 раздельно.
В соответствии с предварительно объявленным временем конца срока реализации билетов сигнал от таймера 16 подают через интерфейс 3 в банк 14 и одновременно прекращают прием средств от терминалов реализации 13.1-13.М по текущим тиражам основной и дополнительной лотерей. Соответствующий сигнал с выхода банка 14 подают по двухсторонним линиям связи и интерфейс 3 на вход блока расчета призового фонда 15, в котором для каждой лотереи в отдельности вычисляют призовой фонд и призовые фонды по каждому проводимому туру розыгрыша в отдельности, а также производят все необходимые финансовые операции.
По сигналу от таймера 16 в блок сортировки 17 подают по двухсторонним линиям связи и интерфейс 3 сигнал с выхода блока памяти 6, соответствующий учетным и игровым данным реализованных билетов основной лотереи. Проводят, для упрощения дальнейшей обработки, систематизацию по требуемому параметру, например по порядковому номеру, который затем с выхода блока сортировки 17 вновь через интерфейс 3 подают на вход блока памяти 6 и запоминают.
Затем проводят аналогично систематизацию проданных билетов дополнительной лотереи, для чего сигнал с выхода блока памяти 6, соответствующий учетным и игровым данным реализованных билетов дополнительной лотереи, также подают для обработки в блок сортировки 17, а с его выхода через интерфейс 3 подают на вход блока памяти 6 и запоминают.
В предлагаемом способе первым всегда проводят розыгрыш основной лотереи.
В нашем примере основной лотерей взята лотерея «Золотой ключ». В правилах проведения лотереи для каждого тиража обязательно объявляется заранее количество разыгрываемых чисел (бочонков, шаров, жеребеек и т.д.)
В этом случае возможны два варианта проведения розыгрыша:
Вариант 1. Организаторы дополнительной лотереи произвольно назначают и заранее объявляют порядковые номера розыгрышей чисел, которые будут общими для обеих лотерей. Так как в примере рассматривался вариант одного общего числа в игровом поле билета дополнительной лотереи, то пусть это будет первый разыгрываемый шар тиража основной лотереи.
Вариант 2. Перед проведением розыгрыша тиража основной лотереи проводят розыгрыш порядкового номера розыгрыша в основной лотерее, который будет общим в основной и дополнительной лотереях.
Итак, пусть, например, установленное число разыгрываемых символов в основной лотерее – 90, конкретное общее число розыгрышей – 87 и порядковый номер розыгрыша основной лотереи, который учитывают при розыгрыше дополнительной лотереи, – J=1.
Оператор лотереи формирует в блоке ввода/вывода информации 4 установочный сигнал, определяющий порядковый номер розыгрыша основной лотереи (J=1), который учитывают при проведении розыгрыша дополнительной лотереи, который через интерфейс 3 подают на вход счетчика 18 и на первый вход блока установки условий игры 19. Сигнал с первого выхода счетчика 18 подают на второй вход первого блока проведения розыгрыша 20, на четвертый вход которого подают сигнал с первого выхода блока установки условий игры 19.
При совпадении порядкового номера текущего хода розыгрыша с установленным в счетчике 18 начальным значением, на его втором выходе формируют управляющий сигнал, который подают на первый вход блока сигнализации 21, в котором формируют набор сигналов для звукового и визуального оповещения участников розыгрыша об обнаруженном совпадении.
В нашем примере принято, что первое символ, разыгранный в основной лотерее, будет участвовать в розыгрыше дополнительной лотереи.
На первом розыгрыше (ходу) на третьем выходе первого блока проведения розыгрыша 20 формируют электрический сигнал, соответствующий полученному случайному символу, который подают на второй вход первого блока сравнения 22, на первый вход которого через интерфейс 3 подают сигналы игровых данных лотерейных билетов основной лотереи из соответствующего раздела блока памяти 6.
В первом блоке сравнения 22 формируют набор сигналов, соответствующих учетным номерам билетов основной лотереи, в которых обнаружено совпадение, и с его первого выхода по двухсторонним линиям связи через интерфейс 3 подают в блок памяти 6, где запоминают в требуемом разделе.
Одновременно на втором выходе первого блока сравнения 22 формируют управляющий сигнал, который подают на третий вход блока сигнализации 21 для оповещения участников розыгрыша об обнаружении совпадений в билетах основной лотереи.
При совпадении порядкового номера текущего хода розыгрыша с установленным в счетчике 18 начальным значением на втором выходе блока установки условий игры 19 формируют управляющий сигнал, который подают на третий вход первого блока проведения розыгрыша 20.
Соответственно на втором выходе блока проведения розыгрыша 20 формируют тот же сигнал выпавшего числа (символа), который подают на второй вход второго блока сравнения 24, на первый вход которого подают сигналы игровых данных первого игрового поля билетов дополнительной лотереи с первого выхода блока памяти 6 по двухсторонней линии связи через интерфейс 3 процессингового центра лотереи 1.
На первом выходе второго блока сравнения 24 формируют сигнал, соответствующий учетным номерам билетов дополнительной лотереи, в которых обнаружено совпадение случайного числа (символа), полученного при проведении первого розыгрыша (хода) основной лотереи со случайным числом (символом), изображенным в первом игровом поле билета дополнительной лотереи, который по двухсторонним линиям связи через интерфейс 3 подают в блок памяти 6, где фиксируют в соответствующем разделе.
На втором выходе второго блока сравнения 24 формируют сигнал, который подают на четвертый вход блока сигнализации 21 для оповещения участников розыгрыша об обнаружении совпадений в билетах дополнительной лотереи.
По окончании розыгрыша всех туров тиража основной лотереи и завершении расчетов конкретных сумм выигрышей продолжают розыгрыш дополнительной лотереи.
Так как первый тур розыгрыша дополнительной лотереи уже был проведен на первом розыгрыше основной лотереи, то по команде оператора лотереи в блоке ввода/вывода информации 4 формируют сигнал, который через интерфейс 3 подают в блок установки условий игры 19 и на его втором выходе формируют сигнал, который подают на третий вход первого блока проведения розыгрыша 20 и отключают его, а на третьем выходе блока установки условий игры 19 формируют сигнал, который подают на третий вход второго блока проведения розыгрыша 23 и включают его для работы по новым начальным условиям.
Второй блок проведения розыгрыша 23 выполняют, например, либо как генератор случайных чисел, содержащий, например, массив из 36 чисел, каждая из которых соотнесена с игровой картой, либо как электромеханическое устройство с приемным бункером на 36 карт, блоком для перемешивания карт и приемником на 5 карт.
В соответствии с правилами лотереи проводят розыгрыш второго тура дополнительной лотереи на ожидание совпадения, например, пяти игровых карт в игровом поле лотерейного билета с сформированной во время проведения розыгрыша случайной последовательностью чисел (символов в виде игровых карт).
Например, по правилам проведения лотереи во втором туре дополнительной лотереи необходимо определить выигрышные билеты, у которых первыми совпадут заданное число символов с символами разыгрываемой последовательности.
При розыгрыше первого случайного числа второго тура на втором выходе второго блока проведения розыгрыша 23 дополнительной лотереи формируют соответствующий сигнал, который подают на третий вход второго блока сравнения 24, на первый вход которого подают сигналы игровой базы данных второго сектора игрового поля реализованных лотерейных билетов с выхода блока памяти 6 через интерфейс 3, сравнивают и определяют учетные номера реализованных билетов, в которых обнаружено совпадение. Эту процедуру повторяют циклически до тех пор, пока не будут обнаружены лотерейные билеты, удовлетворяющие поставленному условию. При этом в каждом случае совпадения на втором выходе второго блока сравнения 24 формируют сигнал, который подают на четвертый вход блока сигнализации 21 для оповещения участников розыгрыша об обнаружении совпадений в билетах дополнительной лотереи.
Для нашего примера розыгрыш будет продолжаться до тех пор, пока не будет найден билет, у которого все пять символов(игровых карт) во втором игровом поле не совпадут с символами, сформированной в процессе проведения розыгрыша последовательности. Одновременно подсчитывают иные выигрышные комбинации совпадений в соответствии с предварительно объявленными правилами определения выигрышных билетов, число билетов, в которых обнаружено одинаковое число совпадений, и т.д.
Сигнал, соответствующий учетным номерам выигрышных билетов, с первого выхода второго блока сравнения 24 через интерфейс 3 подают на вход блока памяти 6 и запоминают, а сигнал, соответствующий числу билетов, в которых обнаружено одинаковое число совпадений, через интерфейс 3 подают на вход блока расчета призового фонда 15, где определяют конкретные значения выигрыша по проведенному туру розыгрыша.
В зависимости от количества обнаруженных совпадений варьируется величина выигрыша. В том случае, если в какой-либо категории совпадения не обнаружены, то не разыгранный призовой фонд переносится, например, в эту же категорию следующего тиража, причем число переносов ограничивают некоторым конкретным числом F, например F=20. После подряд 20 переносов призовой фонд разыгрывают принудительно путем, например, увеличения числа розыгрышей в туре.
В общем случае количество туров розыгрыша в дополнительной лотерее не ограничено. Пусть для нашего примера число туров в дополнительной лотерее будет равно трем.
Пусть, согласно правилам, например, к третьему туру розыгрыша допускают билеты, выигрывшие во втором туре.
Для проведения третьего тура розыгрыша дополнительной лотереи второй блок проведения розыгрыша 23 выполняют либо как генератор случайных чисел, содержащий, например, массив из R чисел, причем числа равномерно соотнесены с мастью игровой карты таким образом, что все четыре масти представлены в массиве равномерно (например, четыре масти по пять карт каждой масти составят игровой массив из двадцати карт), либо как электромеханическое устройство с бункером на R карт, подобранных по тому же условию (например, четыре масти по пять карт каждой масти составят игровой массив из двадцати карт), блоком для их перемешивания карт и приемником на 1 карту и т.д.
По команде оператора лотереи на выходе блока ввода/вывода информации 4 формируют управляющий сигнал начала проведения третьего тура розыгрыша, который через интерфейс 3 подают на первый вход блока установки условий 19, на третьем выходе которого вновь формируют управляющий сигнал, который подают на третий вход второго блока проведения розыгрыша 23 и устанавливают его в режим работы по новым условиям.
Одновременно с четвертого выхода блока установки условий игры 19 подают управляющий сигнал на пятый вход второго блока сравнения 24 и устанавливают его в режим работы третьего тура дополнительной лотереи.
На четвертом выходе второго блока проведения розыгрыша 23 формируют случайный сигнал, соответствующий выигрышным условиям третьего тура, который подают на четвертые вход второго блока сравнения 24, на первый вход которого подают набор сигналов из того раздела блока памяти 6, где записаны номера выигрышных билетов второго тура дополнительной лотереи. Соответственно, во втором блоке сравнения 24 формируют набор сигналов, соответствующих номерам выигрышных билетов третьего тура, которые с его второго выхода подают на четвертый вход блока сигнализации 21 и через 1 выход второго блока сравнения 24 и интерфейс 3 подают на вход блока памяти 6 и запоминают.
На первом выходе второго блока сравнения 24 формируют также сигнал, соответствующий общему числу выигрышных билетов в третьем туре, который через интерфейс 3 подают на вход блока расчета призового фонда 15, где проводят расчет доли призового фонда для каждого победителя третьего тура, а соответствующий сигнал через интерфейс 3 подают на вход блока памяти 6 и запоминают.
Использование заявленного изобретения позволит увеличить экономическую эффективность производственного процесса за счет проведения нескольких различных взаимосвязанных лотерей с использованием единого процессингового центра как средства подготовки, изготовления, тиражирования и определения выигравших лотерейных билетов.
Формула изобретения
1. Способ работы процессингового центра проведения лотерей, заключающийся в том, что в процессинговом центре создают электронный макет лотерейного билета основной лотереи, электронную базу учетных данных основной лотереи, электронную базу игровых данных основной лотереи, электронную базу данных реализованных лотерейных билетов основной лотереи в блоке памяти процессингового центра,
осуществляют изготовление лотерейных билетов основной лотереи, для чего сформированные учетные и игровые данные указанных электронных баз через интерфейс передают в блок формирования защитных данных лотерейных билетов основной лотереи, после чего соответствующие сформированным данным сигналы передают в соответствующие базы данных блока памяти для хранения и в блок подготовки и тиражирования лотерейных билетов для изготовления лотерейных билетов, после изготовления которых в полиграфическом или электронном исполнении они поступают на терминалы, предназначенные для реализации лотерейных билетов, проводят розыгрыш основной лотереи, в результате которого определяют выигрышную последовательность символов игровых данных основной лотереи, генерируют набор сигналов учетных и игровых данных соответствующих баз данных блока памяти, сравнивают их с соответствующими сигналами базы данных реализованных лотерейных билетов блока памяти, относящихся к основной лотереи, и определяют учетный номер выигравшего лотерейного билета основной лотереи по заданному условию,
дополнительно создают электронный макет лотерейного билета дополнительной лотереи, в котором предусматривают наличие общего с лотерейным билетом основной лотереи сектора в игровом поле с общими игровыми данными указанных лотерей, в блоке памяти создают электронную базу учетных данных дополнительной лотереи, электронную базу игровых данных дополнительной лотереи, электронную базу защитных данных лотерейных билетов дополнительной лотереи и базу данных реализованных лотерейных билетов дополнительной лотереи, устанавливают порядковые номера розыгрышей основной лотереи, которые одновременно участвуют в розыгрыше дополнительной лотереи, при создании электронного макета лотерейного билета дополнительной лотереи сектор игрового поля с общими игровыми данными составляют из символов игровых данных основной лотереи, количество которых равно числу установленных порядковых номеров розыгрышей, общих для основной и дополнительной лотерей, а игровые символы в оставшихся секторах игрового поля лотерейных билетов дополнительной лотереи составляют из символов, отличных от символов игровых данных основной лотереи, соответствующие сформированные таким образом учетные и игровые данные передают в соответствующие базы данных блока памяти и в блок подготовки и тиражирования лотерейных билетов для изготовления лотерейных билетов дополнительной лотереи, после изготовления которых в полиграфическом или электронном исполнении они поступают на терминалы, предназначенные для реализации лотерейных билетов, при проведении розыгрышей основной лотереи определяют его порядковый номер, после проведения этого розыгрыша основной лотереи, если указанный порядковый номер совпадает с порядковым номером розыгрыша дополнительной лотереи общего с основной лотереей, осуществляют розыгрыш каждого сектора игрового поля лотерейного билета дополнительной лотереи, начиная с сектора с общими игровыми данными указанных лотерей, для чего в блоке проведения розыгрыша формируют выпавший символ для сравнения с общими игровыми данными основной лотереи, в случае совпадения выпавшего символа формируют сигнал, соответствующий учетным данным лотерейных билетов дополнительной лотереи, и фиксируют эти данные в соответствующем разделе блока памяти, по окончании всех розыгрышей основной лотереи продолжают розыгрыши дополнительной лотереи по установленным правилам и определяют учетные данные выигравших лотерейных билетов.
2. Устройство для реализации способа по п.1, содержащее процессинговый центр лотереи, который содержит блок подготовки и тиражирования лотерейных билетов, блок формирования учетных данных, блок формирования игровых данных, первый блок формирования защитных данных, блок памяти, блок сортировки, блок ввода-вывода информации, М терминалов реализации лотерейных билетов, блок расчета призового фонда, блок установки условий игры, первый блок сравнения, банк, первый блок проведения розыгрыша, таймер, имеющие двухстороннюю связь с интерфейсом, при этом второй выход блока установки условий игры подключен к второму входу блока сигнализации, а второй выход первого блока сравнения соединен с третьим входом блока сигнализации, при этом второй вход/выход блока подготовки и тиражирования лотерейных билетов соединен с каждым из вторых входов М терминалов реализации лотерейных билетов, каждый из третьих вход/выходов которых двухсторонней линией связи соединен с вторым входом банка, при этом третий выход первого блока проведения розыгрыша подключен к второму входу первого блока сравнения, отличающееся тем, что в него дополнительно введены первый, второй, третий генераторы случайных чисел, второй блок формирования защитных данных, счетчик, второй блок проведения розыгрыша, второй блок сравнения, каждый из которых двухсторонней линией связи соединен с интерфейсом, при этом второй и третий выходы блока формирования учетных данных подключены соответственно к второму входу блока формирования игровых данных и к второму входу первого генератора случайных чисел, а четвертый выход блока формирования учетных данных одновременно подключен к третьему входу первого генератора случайных чисел и второму входу второго генератора случайных чисел, и пятый выход блока формирования учетных данных одновременно соединен с третьим входом второго генератора случайных чисел и вторым входом третьего генератора случайных чисел, а также первый и второй выходы счетчика соединены соответственно с вторым входом первого блока проведения розыгрыша и первым входом блока сигнализации, при этом второй выход первого блока проведения розыгрыша подключен к второму входу второго блока сравнения, к тому же третий и четвертый выходы блока установки условий игры соединены соответственно с третьим входом второго блока проведения розыгрыша и с пятым входом второго блока сравнения, а второй выход второго блока проведения розыгрыша подключен к третьему входу второго блока сравнения, при этом четвертый выход второго блока проведения розыгрыша соединен с четвертым входом второго блока сравнения, второй выход которого подключен к четвертому входу блока сигнализации.
РИСУНКИ
MM4A – Досрочное прекращение действия патента СССР или патента Российской Федерации на изобретение из-за неуплаты в установленный срок пошлины за поддержание патента в силе
Дата прекращения действия патента: 28.03.2008
Извещение опубликовано: 27.02.2009 БИ: 06/2009
NF4A – Восстановление действия патента СССР или патента Российской Федерации на изобретение
Дата, с которой действие патента восстановлено: 27.04.2009
Извещение опубликовано: 27.04.2009 БИ: 12/2009
|
|