|
|
(21), (22) Заявка: 2007115004/28, 13.04.2007
(24) Дата начала отсчета срока действия патента:
13.04.2007
(46) Опубликовано: 20.09.2008
(56) Список документов, цитированных в отчете о поиске:
RU 2106679 C1, 10.03.1998. RU 2004920 C1, 15.12.1993. RU 2250565 С1, 20.04.2005. RU 2011999, 30.04.1994. DE 3813883 A1, 09.11.1989. JP 8-94683, 12.04.1986.
Адрес для переписки:
196105, Санкт-Петербург, ул. Решетникова, 17, корп. 4А, ООО “Северо-Западное региональное патентное бюро”, А.С. Толстикову
|
(72) Автор(ы):
Бессонов Евгений Иванович (RU), Полянский Владимир Иванович (RU), Лакийчук Дмитрий Евменович (RU), Степанцов Олег Евгеньевич (RU)
(73) Патентообладатель(и):
Федеральное государственное унитарное предприятие “Специальное конструкторское бюро “Титан” (RU)
|
(54) УСТРОЙСТВО ДЛЯ КОНТРОЛЯ ПАРАМЕТРОВ ЭЛЕКТРИЧЕСКИХ ЦЕПЕЙ
(57) Реферат:
Изобретение относится к измерительной технике и может быть использовано для контроля исправности отдельных узлов и цепей электрооборудования, преимущественно автоматизированных систем управления объектами и технологическими процессами, за счет автоматизированного измерения сопротивления цепей и сопротивления их изоляции. Сущность: устройство содержит процессор, постоянное и оперативное запоминающие устройства, контроллер, локальную шину, переключатель режимов, по меньшей мере, один блок коммутаторов, управляемый источник измерительного напряжения, два управляемых делителя напряжения, три преобразователя напряжение-напряжение, преобразователь ток-напряжение, преобразователь напряжение-ток, блок эталонных резисторов сопротивления изоляции, блок эталонного резистора сопротивления цепи, аналого-цифровой преобразователь, цифроаналоговый преобразователь, измерительный коммутатор, общий провод, измерительные входы и выходы. Технический результат: расширение функциональных возможностей за счет выполнения, кроме контроля сопротивления изоляции, дополнительной функции контроля исправности подключаемых электрических цепей, а также повышение точности измерения сопротивления изоляции. 3 з.п. ф-лы, 5 ил.
Изобретение относится к области автоматики и вычислительной техники и может быть использовано для контроля исправности отдельных узлов и цепей электрооборудования, преимущественно автоматизированных систем управления объектами и технологическими процессами, за счет автоматизированного измерения сопротивления цепей и сопротивления их изоляции.
Известно устройство для осуществления способа измерения эквивалентного сопротивления изоляции электрической сети (RU 2011999, 1994), которое содержит источник опорного напряжения, делитель напряжения, шунтирующий резистор, два ключа, буферное устройство, однокристальную ЭВМ, шину запуска, преобразователь двоичного кода в двоично-десятичный и блок индикации. Данное известное устройство позволяет контролировать сопротивление изоляции электрических цепей, но не обеспечивает автоматизации процесса контроля.
Известна автоматизированная контрольно-проверочная аппаратура (RU 2250565, 2005), которая содержит персональный компьютер, коммутатор каналов, блок управления, многоканальный блок сравнения, виртуальный эталон, коммутатор, формирователь выходных сигналов, мультиплексор и блок нормализации. Данная известная аппаратура обеспечивает автоматизированный контроль только целостности цепей многоканальных систем связи, но не позволяет осуществлять контроль сопротивления их изоляции, что при использовании является ее существенным недостатком.
Как видно из анализа современного уровня техники рассматриваемой области, существующие известные устройства контроля параметров электрических цепей обеспечивают измерение и контроль либо только сопротивления изоляции, либо только сопротивления самих контролируемых цепей.
Такое положение связано с трудностями, возникающими при измерении сопротивлений протяженных линий электрооборудования в диапазоне от единиц Ом до десятков МОм.
Вместе с тем, для обеспечения исправности и безотказности электрического оборудования в течение длительного времени эксплуатации необходимо контролировать не только сопротивление изоляции цепей, но и сопротивление самих цепей.
Наиболее близким по конструкции к настоящему изобретению является устройство контроля параметров (RU 2106679, 1998), которое обеспечивает автоматизированный поочередный контроль сопротивления изоляции обесточенных электрических цепей оборудования, подключенных к измерительным входам устройства. Данное известное устройство, являющееся ближайшим аналогом, содержит коммутатор контактный, измерительный источник питания постоянного напряжения, два ключа, три измерительных преобразователя, аналого-цифровой преобразователь, два управляемых делителя напряжения, два имитатора, выполняющие функцию эталонных резисторов, распределитель управляющих сигналов, блок обработки результатов, задатчик уставок и блок связи.
При работе данного известного устройства измерительный источник питания постоянного напряжения формирует измерительное напряжение, которое через два управляемых делителя напряжения подается относительно корпуса на измерительные входы устройства, к которым подключены контролируемые электрические цепи. С помощью коммутатора контактного каждая из цепей поочередно подключается к измерительной схеме, в которой напряжения на различных участках и ток измеряются и преобразуются в коды, по значениям которых осуществляется вычисление сопротивления изоляции каждой цепи.
Недостатком данного известного устройства, являющегося ближайшим аналогом, является то, что трудоемкие измерения сопротивления изоляции не обеспечивают требуемой точности при значительном количестве контролируемых цепей. Так, например, при сопротивлении одной пары разомкнутых контактов электромагнитного реле, равном 200 МОм, общее сопротивление, например, пятидесяти пар контактов, определяемых количеством контролируемых цепей и подключаемых к измерительной части в ближайшем аналоге параллельно, составляет 4 МОм, что либо меньше, либо соизмеримо с сопротивлением изоляции одной цепи и поэтому оказывает значительное влияние на точность измерения, в особенности при изменении температуры и влажности.
Как отмечалось выше, исправность и безотказность электрических цепей оборудования в течение длительного времени эксплуатации характеризуется не только сопротивлением их изоляции, но и сопротивлением самих электрических цепей. Однако известное устройство, являющееся ближайшим аналогом, не позволяет осуществлять измерение и контроль сопротивления электрических цепей, что существенно ограничивает возможности контроля и обеспечения надежности оборудования.
Задачей настоящего изобретения является достижение технического результата, который заключается в расширении функциональных возможностей устройства за счет выполнения, кроме контроля сопротивления изоляции, дополнительной функции контроля исправности подключаемых электрических цепей, а также в повышении точности измерения сопротивления изоляции.
Поставленная задача решена согласно настоящему изобретению, тем, что устройство для контроля параметров электрических цепей, содержащее, в соответствии с ближайшим аналогом, измерительные входы, управляемый источник измерительного напряжения, первый и второй управляемые делители напряжения, первый и второй преобразователи напряжение-напряжение, преобразователь ток-напряжение, блок эталонных резисторов сопротивления изоляции, аналого-цифровой преобразователь, измерительный коммутатор, локальную шину и общий провод, соединенный с источником измерительного напряжения, с первым и вторым управляемыми делителями напряжения, с блоком эталонных резисторов сопротивления изоляции и с корпусом, выход управляемого источника измерительного напряжения подключен к входу первого управляемого делителя напряжения, первый выход которого подключен к входу второго управляемого делителя напряжения, первый выход которого подключен к входу блока эталонных резисторов сопротивления изоляции, второй выход первого управляемого делителя напряжения через первый преобразователь напряжение-напряжение подключен к первому входу аналого-цифрового преобразователя, второй выход второго управляемого делителя напряжения через второй преобразователь напряжение-напряжение подключен к второму входу аналого-цифрового преобразователя, третий выход второго управляемого делителя напряжения через преобразователь ток-напряжение подключен к третьему входу аналого-цифрового преобразователя, выход которого подключен к второму входу локальной шины, первый выход которой подключен к входу измерительного коммутатора, первый выход которого подключен к управляющему входу управляемого источника измерительного напряжения, второй выход – к управляющему входу первого управляемого делителя напряжения, третий выход – к управляющему входу второго управляемого делителя напряжения, четвертый выход – к управляющему входу блока эталонных резисторов сопротивления изоляции, отличается от ближайшего аналога тем, что оно снабжено измерительными выходами, переключателем режимов, третьим преобразователем напряжение-напряжение, преобразователем напряжение-ток, цифроаналоговым преобразователем, блоком эталонного резистора сопротивления цепи, процессором, постоянным и оперативным запоминающими устройствами, контроллером, по меньшей мере, одним блоком коммутаторов, выход блока эталонных резисторов сопротивления изоляции подключен к первому входу переключателя режимов, управляющий вход которого подключен к пятому выходу измерительного коммутатора, к второму входу переключателя режимов подключен первый выход блока эталонного резистора сопротивления цепи, второй выход которого через третий преобразователь напряжение-напряжение подключен к четвертому входу аналого-цифрового преобразователя, к выходу переключателя режимов подключен первый вход блока коммутаторов, остальные входы которого использованы в качестве измерительных входов, к второму входу блока эталонного резистора сопротивления цепи подключен первый выход блока коммутаторов, остальные выходы которого использованы в качестве измерительных выходов, к первому входу блока эталонного резистора сопротивления цепи подключен выход преобразователя напряжение-ток, к входу которого подключен через цифроаналоговый преобразователь четвертый выход локальной шины, пятый выход которой подключен к управляющему входу блока коммутаторов, третий – к процессору, подключенному к постоянному запоминающему устройству, к оперативному запоминающему устройству и к контроллеру.
При этом блок коммутаторов содержит последовательно соединенные коммутатор группы контроля, вход которого использован в качестве первого входа блока коммутаторов, и коммутатор измерительных выходов, соединенный с общим проводом, коммутатор измерительных входов, а также дешифратор, вход которого использован в качестве управляющего входа блока коммутаторов, а выход подключен к блоку реле, одна пара нормально разомкнутых контактов одного из которых использована в качестве коммутатора группы контроля, а остальные пары нормально разомкнутых контактов включены в коммутатор измерительных входов, входы которого использованы в качестве входов блока коммутаторов, а выход – в качестве первого выхода блока коммутаторов, и в коммутатор измерительных выходов, выходы которого использованы в качестве выходов блока коммутаторов.
Коммутатор измерительных выходов содержит пары нормально-разомкнутых контактов реле, первые контакты которых соединены между собой и использованы в качестве его входа, а вторые, соединенные через нагрузочные резисторы с общим проводом, – использованы, за исключением одного, в качестве его выходов.
Коммутатор измерительных входов содержит пары нормально разомкнутых контактов реле, первые контакты которых использованы в качестве входов коммутатора измерительных входов, а вторые – соединены между собой и использованы в качестве его выхода.
Технический результат, заключающийся в расширении функциональных возможностей устройства для контроля параметров электрических цепей за счет выполнения, кроме контроля сопротивления изоляции, дополнительной функции контроля исправности подключаемых электрических цепей, в предлагаемом изобретении достигнут благодаря тому, что устройство для контроля параметров электрических цепей снабжено измерительными выходами, переключателем режимов, третьим преобразователем напряжение-напряжение, преобразователем напряжение-ток, цифроаналоговым преобразователем, блоком эталонного резистора сопротивления цепи, процессором, постоянным и оперативным запоминающими устройствами, контроллером и, по меньшей мере, одним блоком коммутаторов, когда ко второму входу переключателя режимов подключен первый выход блока эталонного резистора сопротивления цепи, второй выход которого через третий преобразователь напряжение-напряжение подключен к четвертому входу аналого-цифрового преобразователя, к выходу переключателя режимов подключен первый вход блока коммутаторов, остальные входы которого использованы в качестве измерительных входов, к второму входу блока эталонного резистора сопротивления цепи подключен первый выход блока коммутаторов, остальные выходы которого использованы в качестве измерительных выходов, к первому входу блока эталонного резистора сопротивления цепи подключен выход преобразователя напряжение-ток, к входу которого подключен через цифроаналоговый преобразователь четвертый выход локальной шины, пятый выход которой подключен к управляющему входу блока коммутаторов, третий – к процессору, подключенному к постоянному запоминающему устройству, к оперативному запоминающему устройству и к контроллеру.
В результате, в предлагаемом устройстве с помощью блока коммутаторов, содержащего коммутатор группы контроля, коммутатор измерительных выходов и коммутатор измерительных входов, обеспечено поочередное подключение контролируемых цепей двумя сигнальными выводами через измерительный вход и измерительный выход устройства параллельно эталонному резистору сопротивления цепи. Эталонный резистор сопротивления цепи подключен к выходу преобразователя напряжение-ток, который обеспечивает высокоточное формирование тока непосредственно от процессора через цифроаналоговый преобразователь. В процессор для вычисления сопротивления контролируемой цепи поступает преобразованное в код с помощью аналого-цифрового преобразователя падение напряжения на контролируемой цепи, измеренное третьим преобразователем напряжение-напряжение, выполняющим одновременно функцию нормализатора. Таким образом, в предлагаемом устройстве реализован многофункциональный контроль исправности подключенной цепи с выдачей информации о значении его сопротивления, соответствующему короткому замыканию, разрыву, норме или не норме.
Технический результат, заключающийся в повышении точности измерения сопротивления изоляции при осуществлении контроля, обеспечен благодаря тому, что предлагаемое устройство снабжено последовательно соединенными переключателем режимов и блоком коммутаторов, выходы которого использованы в качестве измерительных выходов, а входы – в качестве измерительных входов.
Каждый блок коммутаторов содержит последовательно соединенные коммутатор группы контроля, вход которого использован в качестве первого входа блока коммутаторов, и коммутатор измерительных выходов, соединенный с общим проводом, коммутатор измерительных входов, а также дешифратор, вход которого использован в качестве управляющего входа блока коммутаторов, а выход подключен к блоку реле, одна пара нормально разомкнутых контактов одного из которых использована в качестве коммутатора группы контроля, а остальные пары нормально разомкнутых контактов включены в коммутатор измерительных входов, входы которого использованы в качестве входов блока коммутаторов, а выход – в качестве первого выхода блока коммутаторов, и в коммутатор измерительных выходов, выходы которого использованы в качестве выходов блока коммутаторов. Кроме того, повышение точности контроля сопротивления изоляции обеспечено также благодаря тому, что коммутатор измерительных выходов содержит пары нормально разомкнутых контактов реле, первые контакты которых соединены между собой и использованы в качестве его входа, а вторые, соединенные через нагрузочные резисторы с общим проводом, использованы, за исключением одного, в качестве его выходов.
В результате, точность измерения сопротивления изоляции повышена благодаря тому, что к измерительной части в предлагаемом устройстве подключается только группа с небольшим (например, не более семи) числом контролируемых цепей, отделенная от других цепей коммутатором группы контроля, сопротивление которого составляет около 200 МОм. Кроме того, повышение точности контроля сопротивления изоляции достигнуто введением нагрузочных резисторов в коммутатор измерительных выходов, обеспечивших уменьшение помех и уменьшение длительности переходных процессов, благодаря чему удалось многократно увеличить количество измерений сопротивления изоляции одной и той же цепи и повысить точность за счет усреднения результатов многократных измерений с предварительным отбрасыванием аномальных значений.
Общее число контролируемых цепей в предлагаемом устройстве для контроля параметров электрических цепей определяется количеством установленных блоков коммутаторов. Например, при установке восьми блоков коммутаторов обеспечивается проведение контроля 56 цепей.
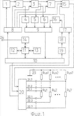
Сущность предлагаемого изобретения поясняется чертежами, представленными на фиг.1-5, где использованы следующие обозначения:
1 – управляемый источник измерительного напряжения;
1.1 – источник измерительного напряжения;
2 – первый управляемый делитель напряжения;
3 – второй управляемый делитель напряжения;
4 – первый преобразователь напряжение-напряжение;
5 – второй преобразователь напряжение-напряжение;
6 – преобразователь ток-напряжение;
7 – блок эталонных резисторов сопротивления изоляции;
8 – измерительный коммутатор;
9 – аналого-цифровой преобразователь (АЦП);
10 – локальная шина;
11 – процессор;
12 – постоянное запоминающее устройство;
13 – оперативное запоминающее устройство;
14 – контроллер;
15 – переключатель режимов;
16 – третий преобразователь напряжение-напряжение;
17 – блок эталонного резистора сопротивления цепи;
18 – преобразователь напряжение-ток;
19 – цифро-аналоговый преобразователь (ЦАП);
20 – блок коммутаторов;
21.1-21.7 – измерительные выходы устройства;
22.1-22.7 – измерительные входы устройства;
23 – корпус;
24 – выход связи;
25 – дешифратор измерительного коммутатора 8;
26 – блок усилителей измерительного коммутатора 8;
27 – блок реле измерительного коммутатора 8;
28 – коммутатор группы контроля;
29 – коммутатор измерительных выходов;
30 – коммутатор измерительных входов;
31 – дешифратор блока 20 коммутаторов;
32 – блок усилителей блока 20 коммутаторов;
33 – блок реле блока 20 коммутаторов;
R1-R6 – резисторы первого управляемого делителя 2 напряжения;
R7-R15 – резисторы второго управляемого делителя 3 напряжения;
R16-R18 – эталонные резисторы блока 7;
R19 – эталонный резистор блока 17;
Rиз1-Rиз7 – сопротивления изоляции цепей;
Rц1-Rц7 – сопротивления цепей;
С1-С4 – фильтрующие конденсаторы;
КР1-КР19 – контакты реле измерительного коммутатора 8;
1КР1-1КР16 – контакты реле блока 20 коммутаторов;
Rн1-Rн8 – нагрузочные резисторы.
На фиг.1 изображена структурная схема предлагаемого устройства для контроля параметров электрических цепей, на фиг.2 – структурная схема измерительного коммутатора 8, на фиг.3 – структурная схема блока 20 коммутаторов, на фиг.4 – электрическая схема измерительной части устройства для контроля параметров электрических цепей, на фиг.5 – электрическая схема блока 20 коммутаторов.
Предлагаемое устройство для контроля параметров электрических цепей (фиг.1) содержит управляемый источник 1 измерительного напряжения, первый управляемый делитель 2 напряжения, второй управляемый делитель 3 напряжения, первый преобразователь 4 напряжение-напряжение, второй преобразователь 5 напряжение-напряжение, преобразователь 6 ток-напряжение, блок 7 эталонных резисторов сопротивления изоляции, измерительный коммутатор 8, аналого-цифровой преобразователь 9, локальную шину 10, процессор 11, постоянное запоминающее устройство 12, оперативное запоминающее устройство 13, контроллер 14, переключатель 15 режимов, третий преобразователь 16 напряжение-напряжение, блок 17 эталонного резистора сопротивления цепи, преобразователь 18 напряжение-ток, цифроаналоговый преобразователь 19, блок 20 коммутаторов, измерительные выходы 21 устройства, измерительные входы 22 устройства, корпус 23 и выход 24 связи.
В предлагаемом устройстве последовательно соединены управляемый источник 1 измерительного напряжения, первый управляемый делитель 2 напряжения, второй управляемый делитель 3 напряжения, блок 7 эталонных резисторов сопротивления изоляции, переключатель 15 режимов и блок 20 коммутаторов. Второй выход первого управляемого делителя 2 напряжения через первый преобразователь 4 напряжение-напряжение подключен к первому входу аналого-цифрового преобразователя 9, ко второму входу которого через второй преобразователь 5 напряжение-напряжение подключен второй выход второго управляемого делителя 3 напряжения, третий выход которого через преобразователь 6 ток-напряжение подключен к третьему входу аналого-цифрового преобразователя 9, к четвертому входу которого подключен выход третьего преобразователя 16 напряжение-напряжение. Выход аналого-цифрового преобразователя 9 подключен к второму входу локальной шины 10, к которой подключен процессор 11, к которому подключены постоянное запоминающее устройство 12, оперативное запоминающее устройство 13 и контроллер 14. Первый выход локальной шины 10 подключен к входу измерительного коммутатора 8, выходы которого подключены к управляющим входам управляемого источника 1 измерительного напряжения, первого управляемого делителя 2 напряжения, второго управляемого делителя 3 напряжения, блока 7 эталонных резисторов сопротивления изоляции и переключателя 15 режимов. Четвертый выход локальной шины 10 через соединенные последовательно цифроаналоговый преобразователь 19 и преобразователь 18 напряжение-ток подключен к первому входу блока 17 эталонного резистора сопротивления цепи, первый выход которого подключен к второму входу переключателя 15 режимов, а второй выход – к третьему преобразователю 16 напряжение-напряжение.
Выход переключателя 15 режимов подключен к первому входу блока 20 коммутаторов, первый выход которого подключен к второму входу блока 17 эталонного резистора сопротивления цепи, а управляющий вход – к пятому выходу локальной шины 10.
В качестве измерительных выходов 21.1-21.7 использованы выходы блока 20 коммутаторов, а в качестве измерительных входов 22.1-22.7 использованы входы блока 20 коммутаторов.
К измерительным выходам 21.1-21.7 предлагаемого устройства подключены первые выводы одной группы контролируемых цепей, изображенных на фиг.1 условно в виде резисторов Rц1-Rц7, вторые выводы которых подключены к измерительным входам 22.1-22.7 с теми же номерами, какие имеют первые выводы. Сопротивления изоляции контролируемых цепей изображены на фиг.1 условно в виде резисторов RИ31-RИ37.
В предлагаемом устройстве может быть установлено несколько блоков 20 коммутаторов, например, 8, тогда количество контролируемых цепей составит 56. В этом случае, например, выходы восьмого блока 20 коммутаторов, так же, как и первого, показанного на фиг.1, будут использованы в качестве измерительных выходов 21.50-21.56 (не показаны) устройства, а его входы – в качестве измерительных входов 22.50-22.56 (не показаны) устройства. Первые входы всех используемых в устройстве блоков 20 коммутаторов, так же, как и первого, показанного на фиг.1, подключены к выходу переключателя 15 режимов, первые выходы – к второму входу блока 17 эталонного резистора сопротивления цепи, а управляющие входы – к пятому выходу локальной шины 10.
К контакту 23 подключен корпус устройства, к которому также подключен общий провод (показанный на фиг.4 и фиг.5). К выходу 24 связи подключен выход контроллера 14.
Измерительный коммутатор 8 (фиг.2) содержит последовательно соединенные дешифратор 25, вход которого использован в качестве входа измерительного коммутатора 8, блок 26 усилителей и блок 27 реле, контакты реле которого, показанные на фиг.4, включены, в соответствии с фиг.1, в цепи управления управляемого источника 1 измерительного напряжения, первого управляемого делителя 2 напряжения, второго управляемого делителя 3 напряжения, блока 7 эталонных резисторов сопротивления изоляции и переключателя 15 режимов.
Блок 20 коммутаторов (фиг.3) содержит коммутатор 28 группы контроля, коммутатор 29 измерительных выходов, коммутатор 30 измерительных входов, а также последовательно соединенные дешифратор 31, блок 32 усилителей и блок 33 реле. В качестве первого входа блока 20 коммутаторов использован вход коммутатора 28 группы контроля, соединенного последовательно с коммутатором 29 измерительных выходов. Выходы коммутатора 29 измерительных выходов использованы в качестве измерительных выходов блока 20 коммутаторов и измерительных выходов 21.1-21.7 устройства. В качестве измерительных входов 22.1-22.7 устройства использованы входы коммутатора 30 измерительных входов, выход которого использован в качестве первого выхода блока 20 коммутаторов. В качестве управляющего входа блока 20 коммутаторов использован вход дешифратора 31, а контакты блока 33 реле, показанные на фиг.5, включены, в соответствии с фиг.1, в коммутатор 28 группы контроля, коммутатор 29 измерительных выходов и коммутатор 30 измерительных входов.
Электрическая схема измерительной части устройства изображена на фиг.4. Здесь управляемый источник 1 измерительного напряжения, содержащий источник 1.1 измерительного напряжения, соединенный с общим проводом, и контакты КР1 его включения, подключен к входу первого управляемого делителя 2 напряжения, содержащего соединенные последовательно резисторы R1-R6. Параллельно резисторам R1-R3 включены нормально разомкнутые контакты, соответственно, КР2-КР4, реле измерительного коммутатора 8. Выводы резистора R5 подключены к второму выходу первого управляемого делителя 2 напряжения, подключенному к первому преобразователю 4 напряжение-напряжение. Резистор R6 соединен с общим проводом, а общая точка резисторов R4 и R5 подключена к первому выходу первого управляемого делителя 2 напряжения. Первый выход первого управляемого делителя 2 напряжения соединен с входом второго управляемого делителя 3 напряжения, к которому подключены первые выводы резисторов R7-R15, первые выводы конденсаторов С1 и С2 и первый вывод второго выхода, подключенный к второму преобразователю 5 напряжение-напряжение. Вторые выводы каждого из резисторов R7-R15 подключены через нормально разомкнутые контакты КР5-КР13 реле измерительного коммутатора 8 к первому выводу третьего выхода, подключенного к преобразователю 6 ток-напряжение, и через нормально-разомкнутые контакты КР14 реле – ко второму выводу второго выхода. Второй вывод третьего выхода подключен к первому выходу второго управляемого делителя 3 напряжения, соединенному с входом блока 7 эталонных резисторов сопротивления изоляции. К входу блока 7 эталонных резисторов сопротивления изоляции подключена общая точка нормально разомкнутых контактов КР15-КР17 реле измерительного коммутатора 8, каждый из которых соединен с общим проводом через резисторы R16-R18, соответственно. Между входом блока 7 эталонных резисторов сопротивления изоляции и общим проводом включены конденсаторы С3 и С4. Общая точка контактов КР15-КР17 реле подключена к выходу блока 7 эталонных резисторов сопротивления изоляции, соединенному с первым входом переключателя 15 режимов.
Переключатель 15 режимов содержит две пары нормально разомкнутых контактов КР18 и КР19 реле измерительного коммутатора 8, первая из которых расположена между первым входом и выходом, а вторая – между вторым входом и выходом. К второму входу переключателя 15 режимов подключен первый выход блока 17 эталонного резистора сопротивления цепи, содержащего эталонный резистор R19. К плюсовому выводу первого входа блока 17 эталонного резистора сопротивления цепи подключен первый вывод резистора R19, первый выход и плюсовой вывод второго выхода. Минусовой вывод первого входа блока 17 эталонного резистора сопротивления цепи соединен с минусовым выводом второго выхода, со вторым выводом резистора R19 и со вторым входом блока 17 эталонного резистора сопротивления цепи.
Выход переключателя 15 режимов (фиг.4) подключен к первому входу блока 20 коммутаторов (фиг.5). В блоке 20 коммутаторов в качестве первого входа использован вход коммутатора 28 группы контроля, содержащий пару нормально разомкнутых контактов 1КР1 блока 33 реле, один из которых подключен к входу, а второй – к выходу, соединенному с входом коммутатора 29 измерительных выходов.
Коммутатор 29 измерительных выходов содержит пары нормально разомкнутых контактов 1КР2-1КР9 блока 33 реле. Первые контакты этих пар соединены между собой и использованы в качестве входа, вторые контакты – соединены через нагрузочные резисторы RН1-RН8 с общим проводом и, за исключением одного, соединенного с резистором RН8, использованы в качестве выходов коммутатора 29 измерительных выходов, выходов блока 20 коммутаторов и измерительных выходов 21.1-21.7 устройства.
Коммутатор 30 измерительных входов содержит пары нормально разомкнутых контактов 1КР10-1КР16 блока 33 реле. Первые контакты этих пар использованы в качестве входов коммутатора 30 измерительных входов, входов блока 20 коммутаторов и измерительных входов 22.1-22.7 устройства. Вторые контакты этих пар соединены между собой и использованы в качестве выхода коммутатора 30 измерительных входов и первого выхода блока 20 коммутаторов.
Предлагаемое устройство работает в трех режимах: тестирования, контроля сопротивления изоляции и контроля целостности цепей.
Тестирование проводится после значительного перерыва в работе устройства с целью определения исправности составных частей и устройства в целом и начинается с подключения контролируемых цепей и включения питания всех устройств, за исключением управляемого источника 1 измерительного напряжения.
Критерием исправности узлов предлагаемого устройства является правильное прохождение тестовой задачи, получение заданных значений напряжений (токов) на каждом этапе проверки и получение конечного результата ее решения, т.е. получение известного значения измеряемого эталонного резистора. При отклонении измеренных значений от требуемых вырабатывается информация о неисправности конкретного узла.
Программы проведения режима тестирования, режима контроля сопротивления изоляции и режима контроля целостности цепей хранятся в постоянном запоминающем устройстве 12. В процессоре 11 по известным формулам, приведенным, например, в описании ближайшего аналога (RU 2106679, 1998), осуществляется вычисление сопротивлений на основании значений напряжений на выходах первого 4, второго 5 и третьего 16 преобразователей напряжение-напряжение, преобразователя 6 ток-напряжение, преобразованных в код аналого-цифровым преобразователем 9, а также по значениям напряжения на выходе цифроаналогового преобразователя 19 и тока на выходе преобразователя 18 напряжение-ток.
Тестирование предлагаемого устройства осуществляется в следующем порядке. По команде от процессора 11 измерительный коммутатор 8 замыкает контакты КР1 реле, подключающие (см. фиг.1 и фиг.4) к измерительной схеме управляемый источник 1 измерительного напряжения, вырабатывающий напряжение 100 В постоянного тока.
По напряжению на выходе первого преобразователя 4 напряжение-напряжение проверяется падение напряжения на резисторе R5 первого управляемого делителя 2 напряжения, которое при разомкнутых контактах реле КР2, КР3 и КР4 должно быть равно 27±0,5 В. Если это напряжение, преобразованное аналого-цифровым преобразователем 9 в код, соответствует указанному значению, записанному в постоянное запоминающее устройство 12, то тестирование продолжается и проверяется наличие короткого замыкания в измерительной части предлагаемого устройства.
Определение наличия короткого замыкания проводится по напряжениям на выходах преобразователя 6 ток-напряжение и первого преобразователя 4 напряжение-напряжение, преобразованным аналого-цифровым преобразователем 9 в код, в следующей последовательности.
1. Замыкаются одна из пар контактов КР5-КР13 второго управляемого делителя 3 напряжения и контакты КР18 переключателя 15 режимов. Наличие короткого замыкания оценивается по превышению напряжением на выходе преобразователя 6 ток-напряжение допустимого значения.
2. При замкнутых контактах реле по п.1, поочередно замыкаются контакты КР15-КР17 реле блока 7 эталонных резисторов сопротивления изоляции. Оценивается наличие короткого замыкания, как в п.1.
3. Замыкаются контакты КР15 реле блока 7 эталонных резисторов сопротивления изоляции и поочередно замыкаются контакты КР5-КР13 второго управляемого делителя 3 напряжения. Оценивается наличие короткого замыкания.
При наличии короткого замыкания при любом подключении дальнейший процесс тестирования прекращается и на выходе контроллера 14, т.е. на выходе 24 связи устройства, формируется сообщение «устройство неисправно».
При отсутствии короткого замыкания тестирование продолжается и проводится измерение величин эталонных резисторов R16-R18 в блоке 7 эталонных резисторов сопротивления изоляции в следующем порядке.
Сначала осуществляется измерение значения эталонного сопротивления R16, которое равно 10±0,1 кОм. По напряжению на выходе преобразователя 6 ток-напряжение, преобразованному аналого-цифровым преобразователем 9 в код, определяется ток через резистор R16. Если он меньше заданного значения, то осуществляется поочередное замыкание контактов КР2, КР3 и КР4 реле первого управляемого делителя 2 напряжения и измерение тока через резистор R16. Затем по напряжениям на выходах первого преобразователя 4 напряжение-напряжение и преобразователя 6 ток-напряжение, преобразованных аналого-цифровым преобразователем 9 в код, осуществляется вычисление значения сопротивления R16. Если полученное значение не отличается от номинального более чем на 5%, то контакты КР15 реле размыкаются и контактами КР16 реле подключается эталонный резистор R17, сопротивление которого равно 5±0,05 МОм.
Для измерения величин сопротивлений R17 и R18 блока 7 эталонных резисторов сопротивления изоляции контактами КР14 реле подключается преобразователь 5 напряжение-напряжение и контактами КР5-КР13 реле поочередно коммутируются резисторы R7-R15 второго управляемого делителя 3 напряжения. По напряжениям на выходах первого 4 и второго 5 преобразователей напряжение-напряжение и преобразователя 6 ток-напряжение, преобразованным аналого-цифровым преобразователем 9 в код, осуществляется вычисление значения сопротивления резистора R17. Если полученное значение сопротивления не отличается от номинального более чем на 5%, то контакты КР16 реле размыкаются и контактами КР17 реле подключается эталонный резистор R18, сопротивление которого равно 10±0,1 МОм.
По напряжениям на выходах первого 4 и второго 5 преобразователей напряжение-напряжение и преобразователя 6 ток-напряжение, преобразованным аналого-цифровым преобразователем 9 в код, осуществляется вычисление значения сопротивления R18. Если полученное значение сопротивления не отличается от номинального более чем на 5%, то контакты КР17 реле размыкаются и предлагаемое устройство автоматически переходит в режим контроля сопротивления изоляции.
В режиме контроля сопротивления изоляции измерения осуществляются аналогично измерениям сопротивлений эталонных резисторов в блоке 7 эталонных резисторов сопротивления изоляции, в следующем порядке.
При замкнутых контактах КР18 реле переключателя 15 режимов по команде из процессора 11 в блоке коммутаторов 20 (фиг.5) замыкаются контакты 1КР1 реле коммутатора 28 группы контроля. В результате, к выходу переключателя 15 режимов подключаются контакты реле только одной группы контроля, количество которых не превышает, например, восьми, установленных в коммутаторе 29 измерительных выходов. В случае установки дополнительных блоков 20 коммутаторов, подключенных первым входом к выходу переключателя 15 режимов, остальные группы будут отделены от контролируемой коммутаторами 28 групп контроля, сопротивление каждого из которых составляет около 200 МОм, и поэтому не будут влиять на точность измерений.
Объединение измеряемых цепей в группы и формирование новой структуры коммутации цепей с помощью блоков 20 коммутаторов является существенным преимуществом предлагаемого устройства по отношению к известным.
В предлагаемом устройстве в режиме контроля сопротивления изоляции общее сопротивление соединенных параллельно контактов реле в группе контроля, равное почти 30 МОм, не учитывается, а измеряется паразитное сопротивление RП группы контроля, которое подключено параллельно измеряемому. Для его определения коммутатор 29 измерительных выходов каждого блока 20 коммутаторов содержит контрольный нагрузочный резистор RН8 (фиг.5), который не подключен к измерительным выходам устройства.
Замыкаются контакты 1КР9 реле и к выходу переключателя 15 режимов подключается контрольный нагрузочный резистор RН8, сопротивление которого, так же, как и эталонного резистора R18, равно 10 МОм. По напряжениям на выходах первого 4 и второго 5 преобразователей напряжение-напряжение и преобразователя 6 ток-напряжение проводится определение общего с паразитным Rп сопротивления Rс группы. Вычисление паразитного сопротивления Rп проводится по формуле: Rп=RН8Rс/(RН8-Rс).
После этого контакты 1КР9 реле в коммутаторе 29 измерительных выходов размыкаются и поочередно замыкаются контакты 1КР2-1КР8 реле, которые подают относительно общего провода, соединенного с корпусом 23, напряжение измерительной части на измерительные выходы 21.1-21.7 устройства, к которым подключены первые выводы контролируемых цепей с реальным Rp сопротивлением, то есть с сопротивлением Rиз изоляции цепи, к которому подключено параллельно паразитное сопротивление Rп.
Измерения сопротивления изоляции в режиме контроля сопротивления изоляции проводятся по напряжениям на выходах первого 4 и второго 5 преобразователей напряжение-напряжение и преобразователя 6 ток-напряжение, аналогично измерениям в режиме тестирования сопротивления эталонных резисторов блока 7 эталонных резисторов сопротивления изоляции и сопротивления RН8 контрольного нагрузочного резистора.
Начинаются измерения с оценки короткого замыкания в измеряемой цепи, которая проводится аналогично оценке короткого замыкания в блоке 7 эталонных резисторов сопротивления изоляции. При наличии короткого замыкания дальнейшие измерения не проводятся, а с контроллера 14 на выход 24 связи устройства поступает соответствующая информация.
При отсутствии короткого замыкания по командам от процессора 11 проводится поочередное замыкание контактов 1КР2-1КР8 реле коммутатора 29 измерительных выходов, то есть поочередное подключение к измерительной схеме первых выводов контролируемых цепей для измерения сопротивления изоляции каждой из них. Измерение сопротивления RР при каждом подключении проводится многократно, например, 1000 раз. Затем по программам, находящимся в постоянном запоминающем устройстве 12, проводится обработка результатов, при которой аномальные значения отбрасываются, а остальные – усредняются. Только так в предлагаемом устройстве удалось устранить помехи, возникающие при измерении высокоомного сопротивления протяженной линии, которой является контролируемая цепь, и обеспечить требуемую точность измерений сопротивления изоляции, не достижимую применением, например, фильтрующих конденсаторов в известных устройствах. Истинное, без паразитного сопротивления Rп, значение сопротивления РИЗ изоляции вычисляется в процессоре 11 по формуле: RИЗ=RпRР/(Rп-RР). Окончательный результат измерений каждого сопротивления RИ31-RИ37 изоляции поступает с контроллера 14 на выход 24 связи устройства. Режим контроля сопротивления изоляции окончен.
Общее время многократного измерения сопротивления изоляции одной контролируемой цепи в предлагаемом устройстве не превосходит 3 с.
Таким образом, в предлагаемом устройстве, по сравнению с ближайшим аналогом, удалось существенно повысить точность измерения сопротивления изоляции каждой цепи.
Режим контроля целостности цепей в предлагаемом устройстве может проводиться автоматически, сразу по окончании режима контроля сопротивления изоляции, а может быть проведен независимо, например, перед началом работы оборудования или при регламентных работах.
В режиме контроля целостности цепей проверяются параметры, характеризующие возможные неисправности контролируемых цепей: «короткое замыкание» или «разрыв», а также – характеризующие значение сопротивления подключаемой цепи: «норма» или «не норма». Все параметры цепей оцениваются по напряжению на выходе третьего преобразователя 16 напряжение-напряжение, преобразованному в код аналого-цифровым преобразователем 9. Кроме того, большим преимуществом предлагаемого устройства является то, что ток на выходе преобразователя 18 напряжение-ток формируется цифроаналоговым преобразователем 19 по коду, поступающему из процессора 11. Третий преобразователь 16 напряжение-напряжение измеряет напряжение на эталонном резисторе R19, сопротивление которого равно 100 Ом.
Короткое замыкание в измеряемой цепи определяется тогда, когда напряжение на выходе третьего преобразователя 16 напряжение-напряжение равно нулю.
Разрыв в измеряемой цепи определяется тогда, когда напряжение на выходе третьего преобразователя 16 напряжение-напряжение максимально и равно, например, 5 В. При наличии в цепях короткого замыкания или разрыва другие параметры не оцениваются и с контроллера 14 на выход 24 связи устройства поступает соответствующая информация.
При значениях напряжения на выходе третьего преобразователя 16 напряжение-напряжение в диапазоне, не достигающем крайних значений, например 0,1-4,9 В, по командам от процессора 11 проводится измерение общего сопротивления Rc соединенных параллельно сопротивления резистора R19 блока 17 эталонного резистора сопротивления цепи и сопротивления RЦ внешней контролируемой цепи. После этого проводится вычисление сопротивления Rц цепи по формуле: Rц=R19RС/(R19-RС).
Полученное значение сопротивления Rц цепи сравнивается процессором 11 со значением, хранящимся в постоянном запоминающем устройстве 12. Если полученное значение сопротивления не отличается от номинала более чем на 5%, то с контроллера 14 на выход 24 связи устройства выдается сообщение «норма». В остальных случаях отклонения значения сопротивления Rц цепи от номинального значения выдается сообщение «не норма».
Для выполнения режима контроля целостности цепей по команде из процессора 11 в переключателе 15 режимов контакты КР18 реле размыкаются, а поступающий из процессора 11 в цифроаналоговый преобразователь 19 код (фиг.1) преобразуется в напряжение. Под действием этого напряжения на выходе преобразователя 18 напряжение-ток создается ток, значение которого, во избежание функционирования контролируемой цепи в номинальном режиме работы подключенных к ней устройств, выбирается меньше номинального тока. Например, при номинальном токе цепи 100 мА на выходе преобразователя 18 напряжение-ток может быть сформирован ток, равный 5 мА, который недостаточен для срабатывания подключенных к контролируемой цепи внешних устройств. Напряжение на выходе третьего преобразователя 16 напряжение-напряжение в случае разомкнутой внешней цепи должно быть максимально, что подтверждает отсутствие короткого замыкания в измерительных устройствах.
Затем по команде из процессора 11 замыкаются (фиг.4, фиг.5) контакты КР19 реле переключателя 15 режимов, контакты 1КР1 реле коммутатора 28 группы контроля, контакты 1КР2 реле коммутатора 29 измерительных выходов и контакты 1КР10 реле коммутатора 30 измерительных входов. В результате, параллельно эталонному резистору R19 блока 17 эталонного резистора сопротивления цепи подключается через измерительный выход 21.1 и измерительный вход 22.1 (фиг.1) первая контролируемая цепь, номинальное сопротивление Rц1 которой равно, например, 50 Ом. По напряжению на выходе третьего преобразователя 16 напряжение-напряжение в процессоре 11 осуществляется оценка наличия в контролируемой цепи короткого замыкания или разрыва. При отсутствии обоих видов неисправностей проводятся многократные измерения, обработка результатов, вычисление значения сопротивления Rц1 и выдача на выход 24 связи устройства сообщения: «норма» или «не норма».
По окончании измерения параметров цепи Rц1 по команде от процессора 11 контакты 1КР2 реле коммутатора 29 измерительных выходов и контакты 1КР10 реле коммутатора 30 измерительных входов размыкаются и поочередно замыкаются пары контактов реле этих коммутаторов, начиная с 1КР3 и 1КР11 и заканчивая 1КР8 и 1КР16, которые через измерительные выходы 21.2-21.7 и измерительные входы 22.2-22.7 подключают для измерений параметров контролируемые цепи этой группы с сопротивлениями RЦ2-RЦ7 цепей.
Процесс контроля параметров каждой цепи оканчивается выдачей с контроллера 14 на выход 24 связи устройства одного из указанных четырех видов сообщений: «короткое замыкание», «разрыв», «норма» или «не норма».
Режим контроля целостности цепей окончен.
Предлагаемое устройство может быть выполнено на типовых элементах. В первом управляемом делителе 2 напряжения, втором управляемом делителе 3 напряжения и в блоке коммутаторов 29 измерительных выходов могут быть применены высокоточные резисторы, например, типа С2-29 В.
Остальные устройства могут быть выполнены, например, на базе модулей и блоков фирмы Advantech (Тайвань), которые изготавливаются с возможностью совместного использования и поставляются серийно. Вместе с модулями поставляются инструкции пользователя и программы их драйверов.
В качестве процессора 11 может быть применен модуль центрального процессора РСА – 6186 Е2-00А1 с процессором Intel Celeron (Socket 478). В качестве постоянного запоминающего устройства 12 может быть применена, например, память типа флэш объемом 128 Мб, в качестве оперативного запоминающего устройства 13 – память оперативная DDR PC 2700 объемом 128 Мб; в качестве контроллера 14 – контроллер Ethernet 10/100 Base. Аналого-цифровой преобразователь 9 и цифроаналоговый преобразователь 19 могут быть выполнены на модуле АЦП-ЦАП типа PCl-1710; первый 4, второй 5 и третий 16 преобразователи напряжение-напряжение, преобразователь 6 ток-напряжение и преобразователь 18 напряжение-ток – на модуле нормализации многофункциональном аналоговом ADAM-3014. Измерительный коммутатор 8 и блок 20 коммутаторов могут быть построены на модулях дискретных РС1-1762, содержащих 16 реле постоянного тока. В качестве локальной шины может быть применена шина пассивная РСА-6114Р12.
Таким образом, задачи, поставленные при создании изобретения, по расширению функциональных возможностей устройства для контроля параметров электрических цепей за счет выполнения, кроме контроля сопротивления изоляции, дополнительной функции контроля исправности подключаемых электрических цепей, а также по повышению точности измерения сопротивления изоляции решены полностью.
В предлагаемом устройстве для контроля параметров электрических цепей, по сравнению с ближайшим аналогом, в дополнение к измерению сопротивления изоляции обеспечено выполнение новой функции: контроля целостности основных функциональных цепей оборудования, в результате которого выявляется наличие короткого замыкания или разрыва цепи, а также проводится высокоточное измерение сопротивления цепи с оценкой его соответствия норме. Такой контроль является основным видом диагностики любого сложного электрооборудования в любой энергоемкой отрасли экономики, так как с его помощью удается выявить динамику изменений параметров систем и предотвратить аварийные ситуации и катастрофы.
Для реализации этой функции в предлагаемом устройстве использованы общие для режимов контроля сопротивления изоляции и контроля целостности цепей измерительные выходы, средства измерения, управления, вычисления и связи, а также соединительные кабели между устройством и контролируемым оборудованием.
Кроме того, в предлагаемое устройство введены дополнительные устройства задания и измерения тока цепи, а также сформирована новая структура коммутации цепей, реализованная в блоке коммутаторов, содержащем коммутатор групп контроля и коммутаторы измерительных выходов и измерительных входов устройства.
Существенным преимуществом предлагаемого устройства перед известными является разделение контролируемых цепей на группы, подключенные к одному блоку 20 коммутаторов и отделенные от других цепей коммутатором 28 группы контроля. Теперь контролируемые цепи удобно объединять по принципу: одна группа контроля – одно устройство. В результате удалось повысить точность измерения сопротивления изоляции и сопротивления цепи, исключить взаимное влияние цепей, упростить поиск неисправностей и улучшить прогноз состояния оборудования.
В предлагаемом устройстве в блоке 7 эталонных резисторов сопротивления изоляции установлено три эталонных резистора сопротивления изоляции, что позволило измерять сопротивления изоляции в диапазоне от 10 кОм до 40 МОм с погрешностью, не превышающей 2%.
Преимуществом предлагаемого устройства является также то, что в нем установлены реле постоянного тока, контакты которых при отсутствии команды или при отключении напряжения питания находятся в разомкнутом состоянии, поэтому в отличие от ближайшего аналога в предлагаемом устройстве исключена операция установки реле в исходное положение и исключен аварийный режим при внезапном отключении и/или включении напряжения питания.
Высокая точность измерения сопротивления изоляции достигнуты в предлагаемом устройстве, в том числе, благодаря обеспечению высокой помехоустойчивости, осуществленной, например, 1000-кратным измерением с последующим усреднением результатов.
Существенные преимущества предлагаемому устройству по сравнению с ближайшим аналогом обеспечивают нагрузочные резисторы RН1-RН8 коммутатора 29 измерительных выходов. Во-первых, сопротивление (10 МОм) каждого из этих резисторов выбрано равным сопротивлению эталонного резистора R18 блока 7 эталонных резисторов сопротивления изоляции, что повышает точность измерений. Во-вторых, с помощью этих резисторов в предлагаемом устройстве уменьшен диапазон и разброс измеряемых величин, в результате чего удалось повысить точность измерения сопротивления изоляции. В-третьих, при измерении сопротивления изоляции уменьшено отрицательное влияние паразитных емкостей цепей на время достижения током установившегося значения, что позволило сократить время выполнения каждого измерения.
Кроме того, в предлагаемом устройстве повышена точность за счет исключения влияния переходного сопротивления контактов реле на точность измерения сопротивления изоляции и повышена надежность контактов, через которые при напряжении 100 В протекает ток, значение которого не меньше гарантированного тока, равного, например, 10 мкА. Благодаря введению нагрузочных резисторов в блок коммутаторов, удалось существенно уменьшить время переходного процесса и обеспечить тысячекратное измерение и достоверное вычисление одного сопротивления изоляции за время, не превышающее 3 с.
Повышение точности измерений и расширение функциональных возможностей в предлагаемом устройстве обеспечено, в том числе, применением программных средств управления и вычисления взамен аппаратных средств, примененных в ближайшем аналоге, благодаря чему удалось упростить структуру, уменьшить габариты и массу устройства, а также обеспечить его транспортабельность при необходимости проведения контроля удаленных стационарных объектов.
Формула изобретения
1. Устройство для контроля параметров электрических цепей, содержащее измерительные входы, управляемый источник измерительного напряжения, первый и второй управляемые делители напряжения, первый и второй преобразователи напряжение-напряжение, преобразователь ток-напряжение, блок эталонных резисторов сопротивления изоляции, аналого-цифровой преобразователь, измерительный коммутатор, локальную шину и общий провод, соединенный с источником измерительного напряжения, с первым и вторым управляемыми делителями напряжения, с блоком эталонных резисторов сопротивления изоляции и с корпусом, выход управляемого источника измерительного напряжения подключен к входу первого управляемого делителя напряжения, первый выход которого подключен к входу второго управляемого делителя напряжения, первый выход которого подключен к входу блока эталонных резисторов сопротивления изоляции, второй выход первого управляемого делителя напряжения через первый преобразователь напряжение-напряжение подключен к первому входу аналого-цифрового преобразователя, второй выход второго управляемого делителя напряжения через второй преобразователь напряжение-напряжение подключен к второму входу аналого-цифрового преобразователя, третий выход второго управляемого делителя напряжения через преобразователь ток-напряжение подключен к третьему входу аналого-цифрового преобразователя, выход которого подключен к второму входу локальной шины, первый выход которой подключен к входу измерительного коммутатора, первый выход которого подключен к управляющему входу управляемого источника измерительного напряжения, второй выход – к управляющему входу первого управляемого делителя напряжения, третий выход – к управляющему входу второго управляемого делителя напряжения, четвертый выход – к управляющему входу блока эталонных резисторов сопротивления изоляции, отличающееся тем, что оно снабжено измерительными выходами, переключателем режимов, третьим преобразователем напряжение-напряжение, преобразователем напряжение-ток, цифроаналоговым преобразователем, блоком эталонного резистора сопротивления цепи, процессором, постоянным и оперативным запоминающими устройствами, контроллером, по меньшей мере, одним блоком коммутаторов, выход блока эталонных резисторов сопротивления изоляции подключен к первому входу переключателя режимов, управляющий вход которого подключен к пятому выходу измерительного коммутатора, к второму входу переключателя режимов подключен первый выход блока эталонного резистора сопротивления цепи, второй выход которого через третий преобразователь напряжение-напряжение подключен к четвертому входу аналого-цифрового преобразователя, к выходу переключателя режимов подключен первый вход блока коммутаторов, остальные входы которого использованы в качестве измерительных входов, к второму входу блока эталонного резистора сопротивления цепи подключен первый выход блока коммутаторов, остальные выходы которого использованы в качестве измерительных выходов, к первому входу блока эталонного резистора сопротивления цепи подключен выход преобразователя напряжение-ток, к входу которого подключен через цифроаналоговый преобразователь четвертый выход локальной шины, пятый выход которой подключен к управляющему входу блока коммутаторов, третий – к процессору, подключенному к постоянному запоминающему устройству, к оперативному запоминающему устройству и к контроллеру.
2. Устройство по п.1, отличающееся тем, что блок коммутаторов содержит последовательно соединенные коммутатор группы контроля, вход которого использован в качестве первого входа блока коммутаторов, и коммутатор измерительных выходов, соединенный с общим проводом, коммутатор измерительных входов, а также дешифратор, вход которого использован в качестве управляющего входа блока коммутаторов, а выход подключен к блоку реле, одна пара нормально-разомкнутых контактов одного из которых использована в качестве коммутатора группы контроля, а остальные пары нормально-разомкнутых контактов включены в коммутатор измерительных входов, входы которого использованы в качестве входов блока коммутаторов, а выход – в качестве первого выхода блока коммутаторов, и в коммутатор измерительных выходов, выходы которого использованы в качестве выходов блока коммутаторов.
3. Устройство по п.1 или 2, отличающееся тем, что коммутатор измерительных выходов содержит пары нормально-разомкнутых контактов реле, первые контакты которых соединены между собой и использованы в качестве его входа, а вторые, соединенные через нагрузочные резисторы с общим проводом, использованы, за исключением одного, в качестве его выходов.
4. Устройство по п.1 или 2, отличающееся тем, что коммутатор измерительных входов содержит пары нормально-разомкнутых контактов реле, первые контакты которых использованы в качестве входов коммутатора измерительных входов, а вторые соединены между собой и использованы в качестве его выхода.
РИСУНКИ
|
|