|
|
(21), (22) Заявка: 2007100491/11, 09.01.2007
(24) Дата начала отсчета срока действия патента:
09.01.2007
(46) Опубликовано: 20.09.2008
(56) Список документов, цитированных в отчете о поиске:
RU 2031807 C1, 27.03.1995. RU 2070122 C1, 10.12.1996. RU 2253586 C1, 10.06.2005. RU 2035338 C1, 20.05.1995. SU 1717453 A1, 07.03.1992.
Адрес для переписки:
390044, г.Рязань-44, а/я 202, ЗАО “РРК”
|
(72) Автор(ы):
Логинов Сергей Николаевич (RU), Коба Сергей Васильевич (RU), Иванов Александр Андреевич (RU), Логинов Александр Сергеевич (RU)
(73) Патентообладатель(и):
ЗАКРЫТОЕ АКЦИОНЕРНОЕ ОБЩЕСТВО “РЯЗАНСКАЯ РАДИОЭЛЕКТРОННАЯ КОМПАНИЯ” (RU)
|
(54) УСТРОЙСТВО ДЛЯ ПРОВЕРКИ РАБОТОСПОСОБНОСТИ УСТРОЙСТВ АВТОМАТИЧЕСКОЙ ЛОКОМОТИВНОЙ СИГНАЛИЗАЦИИ
(57) Реферат:
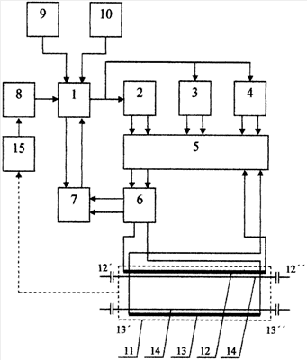
Изобретение относится к железнодорожной автоматике, а именно к устройствам для проверки работоспособности устройств автоматической локомотивной сигнализации АЛСН и многозначной автоматической локомотивной сигнализации АЛС-ЕН. Устройство для проверки работоспособности устройств автоматической локомотивной сигнализации содержит программное устройство (1), генератор сигналов АЛСН (2), генератор сигналов АЛС-ЕН (3), генератор помех (4), устройство сопряжения (5), измеритель тока (6), цифровое устройство фильтрации (7), адаптер сопряжения (8), пульт местного управления (9) и пульт дистанционного управления (10). Испытательный шлейф (11) выполнен в вице двух изолированных проводов (12) и (13), проложенных вдоль рельсов (14). Локомотивное оборудование автоматической локомотивной сигнализации (15) подключено к программному устройству (1) через адаптер сопряжения (8). Техническим результатом изобретения является расширение функциональных возможностей устройства и повышение объективности проверки. 1 з.п. ф-лы, 1 ил.
Изобретение относится к железнодорожной автоматике, а именно к устройствам для проверки работоспособности устройств автоматической сигнализации АЛСН и многозначной автоматической локомотивной сигнализации АЛС-ЕН, установленных на локомотивах или другом подвижном составе.
В качестве ближайшего аналога заявляемого технического решения выбрано устройство УПР-АЛСЕ, предназначенное для проверки работоспособности устройств АЛСН и АЛС-ЕН, установленных на локомотивном и моторвагонном подвижном составе [Устройство проверки УПР-АЛСЕ. Техническое описание 38983-01-00 ТО. 2000 г.]. Оно включает программное устройство, выходы которого подсоединены к генераторам сигналов АЛСН и АЛС-ЕН, и устройство сопряжения, входы которого соединены с выходами генераторов АЛСН и АЛС-ЕН, а выходы подключены к испытательному шлейфу, предназначенному для передачи информации на локомотив индуктивным способом.
Недостатки известного устройства, выбранного в качестве ближайшего аналога, связаны с его ограниченными функциональными возможностями и недостаточной объективностью процесса проверки работоспособности устройств АЛСН и АЛС-ЕН. Действительно:
– проверка работоспособности устройств АЛСН и АЛС-ЕН производится непосредственно оператором, что обуславливает присутствие в процессе проверки субъективного фактора;
– проверка работоспособности устройств АЛСН и АЛС-ЕН в известном устройстве производится в условиях, отличающихся от реальных, т.е. при отсутствии искажений сигналов автоматической локомотивной сигнализации и помех, которые существуют в реальных рельсовых цепях;
– отсутствует контроль сигнальных токов в испытательном шлейфе, имитирующем рельсовую цепь. Это не позволяет судить о работе устройств автоматической локомотивной сигнализации при различной величине тока в испытательном шлейфе, а также не позволяет производить проверку совместной работы устройств АЛСН и АЛС-ЕН при различных соотношениях токов;
– отсутствует режим проведения проверки при асимметрии токов в испытательном шлейфе, что обусловлено, в частности, его конструкцией.
Задача, решаемая изобретением, – расширение функциональных возможностей устройства для проверки работоспособности устройств автоматической локомотивной сигнализации и повышение объективности проверки.
Указанная задача решается тем, что устройство для проверки работоспособности устройств автоматической локомотивной сигнализации, содержащее программное устройство, генератор сигналов автоматической локомотивной сигнализации АЛСН и генератор сигналов многозначной автоматической локомотивной сигнализации АЛС-ЕН, входы которых подсоединены к первому выходу программного устройства, устройство сопряжения, пульты местного и дистанционного управления, связанные соответственно с первым и вторым входами программного устройства, и испытательный шлейф, индуктивно связанный с локомотивным оборудованием автоматической локомотивной сигнализации, отличающееся тем, что оно снабжено генератором помех, измерителем тока, цифровым устройством фильтрации и адаптером сопряжения, а испытательный шлейф выполнен в виде первого и второго изолированных проводов, проложенных вдоль рельсов, при этом первый и второй выходы генератора сигналов АЛСН подсоединены к первому и второму входам устройства сопряжения, первый и второй выходы генератора сигналов АЛС-ЕН подсоединены к третьему и четвертому входам устройства сопряжения, вход генератора помех подключен к первому выходу программного устройства, а первый и второй выходы подсоединены к пятому и шестому входам устройства сопряжения; первый и второй входы измерителя тока подсоединены к первому и второму выходам устройства сопряжения; первый провод испытательного шлейфа подключен к первому выходу измерителя тока и третьему выходу устройства сопряжения, а второй провод испытательного шлейфа подключен ко второму выходу измерителя тока и четвертому выходу устройства сопряжения, третий и четвертый выходы измерителя тока подсоединены соответственно к первому и второму входам цифрового устройства фильтрации, выход которого подключен к третьему входу программного устройства, а вход управления цифрового устройства фильтрации связан со вторым выходом программного устройства; адаптером сопряжения, первый вход-выход которого подключен к первому входу-выходу программного устройства, а первый вход подсоединен к локомотивному оборудованию автоматической локомотивной сигнализации.
Программное устройство выполнено в виде компьютера.
Изобретение иллюстрируется чертежом. На чертеже схематически изображено устройство для проверки работоспособности устройств автоматической локомотивной сигнализации.
Заявляемое устройство содержит программное устройство 1, выполненное, например, в виде компьютера, генератор сигналов АЛСН 2, генератор сигналов АЛС-ЕН 3 и генератор помех 4, устройство сопряжения 5, измеритель тока 6, цифровое устройство фильтрации 7, адаптер сопряжения 8, пульт местного управления 9 и пульт дистанционного управления 10. Испытательный шлейф 11 выполнен в виде двух изолированных проводов 12 и 13, проложенных вдоль рельсов 14 и индуктивно связанных с локомотивным оборудованием автоматической локомотивной сигнализации 15.
Входы генераторов 2, 3 и 4 подсоединены к первому выходу программного устройства 1, которое управляет их выходными параметрами. В генераторе АЛСН 2 управляемыми параметрами являются код огня, тип трансмиттера, несущая частота (25, 50 или 75 Гц), временные параметры импульсов (длительность импульсов, интервалы между ними и период), амплитуда тока; в генераторе АЛС-ЕН 3 управляемыми параметрами являются код сигнала и амплитуда тока; в генераторе помех 4 управляемыми параметрами являются спектральный состав помех и амплитуда помех. Кроме того, генератор 2 может формировать непрерывный немодулированный сигнал. Выходные параметры генераторов 2, 3 и 4 управляются независимо. Первый и второй выходы генератора АЛСН 2 подключены соответственно к первому и второму входам устройства сопряжения 5; первый и второй выходы генератора АЛС-ЕН 3 подсоединены соответственно к третьему и четвертому входам устройства сопряжения 5; первый и второй выходы генератора помех 4 подсоединены соответственно к пятому и шестому входам устройства сопряжения 5. Первый и второй выходы устройства сопряжения 5 подключены соответственно к первому и второму входам измерителя тока 6. Первый и второй выходы измерителя тока 6 связаны с проводами 12 и 13 шлейфа 11, причем первый выход измерителя тока 6 подсоединен к проводу 12 в точке 12′, а второй выход измерителя тока 6 подключен к проводу 13 в точке 13”. Противоположные концы проводов 12 и 13 (точки 12” и 13′) связаны соответственно с третьим и четвертым выходами устройства сопряжения 5. Третий и четвертый выходы измерителя тока 6 подсоединены соответственно к первому и второму входам цифрового устройства фильтрации 7, которое выполнено двухканальным, причем вход первого канала является первым входом устройства 7, а вход второго канала является вторым входом устройства 7. В первом канале производится фильтрация токового сигнала, текущего по одному из проводов шлейфа 11, а во втором канале производится фильтрация токового сигнала, текущего по другому проводу шлейфа 11. Каждый канал фильтрации может содержать, например, три фильтра, два из которых являются селективными и настроенными на частотный диапазон сигналов АЛСН (25, 50 или 75 Гц) и сигналов АЛС-ЕН (174,38 Гц), а третий фильтр является широкополосным и осуществляет фильтрацию суммарного сигнала, включая помехи. Настройка параметров фильтров производится с помощью управляющих сигналов, поступающих на вход управления устройства фильтрации 7 из программного устройства 1. Выход устройства фильтрации 7 соединен с третьим входом программного устройства 1. Первый вход-выход адаптера сопряжения 8 подсоединен к первому входу-выходу программного устройства 1, а первый вход адаптера 8 подключен к локомотивному оборудованию автоматической локомотивной сигнализации 15. Пульт местного управления 9 и пульт дистанционного управления 10 связаны соответственно с первым и вторым входами программного устройства 1.
Заявляемое устройство работает следующим образом.
1. Режим проверки работоспособности локомотивного оборудования автоматической локомотивной сигнализации сигналами АЛСН.
Программное устройство 1 вырабатывает управляющие сигналы, в соответствии с которыми генератор 2 формирует сигналы АЛСН с требуемыми параметрами и задает значения токов I1 и I2 в проводах 12 и 13 испытательного шлейфа 11. Отношение токов I1/I2 имитирует асимметрию тока в рельсовой цепи. Генератор 4 формирует сигнал помехи. Через устройство сопряжения 5 сигналы генераторов 2 и 4 поступают в провода 12 и 13 испытательного шлейфа 11. Посредством измерителя тока 6 осуществляется измерение токов I1 и I2 и их преобразование в цифровую форму. В устройстве фильтрации 7 производится фильтрация поступающих токовых сигналов, и данные о параметрах сигналов в цифровом виде передаются в программное устройство 1. Программное устройство 1 определяет соответствие между полученными параметрами сигналов и заданными. Соответствие результатов говорит об исправной работе заявляемого устройства, несоответствие – о наличие неисправностей в его работе. С испытательного шлейфа 11 сигналы АЛСН поступают в локомотивное оборудование 15 и далее через адаптер сопряжения 8 – в программное устройство 1, где проверяется соответствие результатов декодирования локомотивного оборудования 15 с параметрами сигналов, задаваемых программным устройством 1. Соответствие результатов говорит об исправной работе локомотивного оборудования 15, несоответствие – о неисправной работе.
В результате заявляемое устройство осуществляет проверку работоспособности локомотивного оборудования автоматической локомотивной сигнализации сигналами АЛСН при текущих значениях токов в проводах испытательного шлейфа с учетом степени асимметрии токов в проводах 12 и 13 и уровне помех, задаваемом при помощи генератора 4 и моделирующем реальную ситуацию. Варьируя величины токов I1 и I2, их отношение и уровень помех, можно получить информацию о работоспособности локомотивного оборудования автоматической локомотивной сигнализации сигналами АЛСН при различных значениях указанных факторов.
2. Режим проверки работоспособности локомотивного оборудования автоматической локомотивной сигнализации сигналами АЛС-ЕН.
Работа устройства в этом режиме аналогична работе устройства в режиме проверки работоспособности сигналами АЛСН с тем отличием, что в испытательный шлейф 11 поступают сигналы с генераторов 3 и 4. Изменение значений токов I1 и I2, их отношения и уровня помех позволяет получить информацию о работоспособности локомотивного оборудования автоматической локомотивной сигнализации сигналами АЛС-ЕН при различных значениях этих факторов. Аналогично режиму проверки работоспособности локомотивного оборудования автоматической локомотивной сигнализации сигналами АЛСН в данном режиме в программном устройстве 1 производится проверка соответствия между параметрами сигналов, полученных с устройства цифровой фильтрации 7, и заданными параметрами сигналов, а также проверка соответствия результатов декодирования локомотивного оборудования 15 с параметрами сигналов, задаваемых программным устройством 1. На основе результатов проверок делается вывод об исправной или неисправной работе заявляемого устройства и локомотивного оборудования 15.
3. Режим совместной проверки работоспособности локомотивного оборудования автоматической локомотивной сигнализации сигналами АЛСН и АЛС-ЕН.
В этом режиме программное устройство 1 вырабатывает управляющие сигналы, в соответствии с которыми генераторы 2 и 3 формируют сигналы АЛСН и АЛС-ЕН, а генератор 4 формирует сигнал помехи. Через устройство сопряжения 5 эти сигналы поступают в провода 12 и 13 испытательного шлейфа 11. При помощи измерителя тока 6 производится измерение токов, текущих по проводам 12 и 13. Выходной сигнал измерителя тока 6 в этом режиме является комбинацией тока АЛСН с частотой 25, 50 или 75 Гц, тока АЛС-ЕН с частотой 174,38 Гц и сигнала помехи. Выделение из суммарного сигнала значений токов АЛСН и АЛС-ЕН и помехи производится при помощи устройства фильтрации 7. Данные о параметрах сигналов в цифровом виде передаются в программное устройство 1. Соответствие результатов говорит об исправной работе заявляемого устройства, несоответствие – о наличие неисправностей в его работе. С испытательного шлейфа 11 сигналы АЛСН и АЛС-ЕН поступают в локомотивное оборудование 15 и далее через адаптер сопряжения 8 – в программное устройство 1, где проверяется соответствие результатов декодирования локомотивного оборудования 15 с параметрами сигналов, задаваемых программным устройством 1. Соответствие результатов говорит об исправной работе локомотивного оборудования 15, несоответствие – о неисправной работе.
Варьирование величин токов I1 и I2, их отношения и уровня помехи обеспечивает получение информации о работоспособности локомотивного оборудования автоматической локомотивной сигнализации в режиме совместной проверки сигналами АЛСН и АЛС-ЕН при различных значениях указанных выше факторов.
Таким образом, организация заявляемого устройства в виде устройства с обратными связями за счет подсоединения локомотивного оборудования автоматической локомотивной сигнализации через адаптер сопряжения к программному устройству, осуществляющему управление работой заявляемого устройства, и за счет введения в его состав измерителя токов, текущих по испытательному шлейфу, который связан с программным устройством через цифровое устройство фильтрации; выполнение испытательного шлейфа в виде двух изолированных проводов, проложенных вдоль рельсов, введение в состав устройства генератора помех, позволяющего производить проверку работоспособности локомотивного оборудования автоматической локомотивной сигнализации в условиях, максимально приближенных к реальной обстановке, позволяет расширить функциональные возможности устройства, повысить объективность проверки и, в конечном итоге, способствует повышению безопасности движения железнодорожного транспорта.
Формула изобретения
1. Устройство для проверки работоспособности устройств автоматической локомотивной сигнализации, содержащее программное устройство, генератор сигналов автоматической локомотивной сигнализации АЛСН и генератор сигналов многозначной автоматической локомотивной сигнализации АЛС-ЕН, входы которых подсоединены к первому выходу программного устройства, устройство сопряжения, пульты местного и дистанционного управления, связанные соответственно с первым и вторым входами программного устройства, и испытательный шлейф, индуктивно связанный с локомотивным оборудованием автоматической локомотивной сигнализации, отличающееся тем, что оно снабжено генератором помех, измерителем тока, цифровым устройством фильтрации и адаптером сопряжения, а испытательный шлейф выполнен в виде первого и второго изолированных проводов, проложенных вдоль рельсов, при этом первый и второй выходы генератора сигналов АЛСН подсоединены к первому и второму входам устройства сопряжения, первый и второй выходы генератора сигналов АЛС-ЕН подсоединены к третьему и четвертому входам устройства сопряжения, вход генератора помех подключен к первому выходу программного устройства, а первый и второй выходы подсоединены к пятому и шестому входам устройства сопряжения; первый и второй входы измерителя тока подсоединены к первому и второму выходам устройства сопряжения; первый провод испытательного шлейфа подключен к первому выходу измерителя тока и третьему выходу устройства сопряжения, а второй провод испытательного шлейфа подключен ко второму выходу измерителя тока и четвертому выходу устройства сопряжения, третий и четвертый выходы измерителя тока подсоединены соответственно к первому и второму входам цифрового устройства фильтрации, выход которого подключен к третьему входу программного устройства, а вход управления цифрового устройства фильтрации связан со вторым выходом программного устройства; адаптером сопряжения, первый вход-выход которого подключен к первому входу-выходу программного устройства, а первый вход подсоединен к локомотивному оборудованию автоматической локомотивной сигнализации.
2. Устройство по п.1, отличающееся тем, что программное устройство выполнено в виде компьютера.
РИСУНКИ
|
|