|
|
(21), (22) Заявка: 2006115291/11, 05.05.2006
(24) Дата начала отсчета срока действия патента:
05.05.2006
(43) Дата публикации заявки: 27.12.2007
(46) Опубликовано: 20.09.2008
(56) Список документов, цитированных в отчете о поиске:
RU 2122239 C1, 20.11.1998. RU 2182088 С1, 10.05.2002. US 5504482 А, 02.04.1996. GB 2279792 A, 11.01.1995.
Адрес для переписки:
355002, г.Ставрополь, ул. Лермонтова, 193а, кв.5, О.А. Халявскому
|
(72) Автор(ы):
Халявский Олег Аркадьевич (RU)
(73) Патентообладатель(и):
Общество с ограниченной ответственностью “ИКАР ЭЛЕКТРОНИКС” (RU)
|
(54) АВТОМОБИЛЬНЫЙ ПРОТИВОУГОННЫЙ КОМПЛЕКС С ОПРЕДЕЛЕНИЕМ ГЕОГРАФИЧЕСКИХ КООРДИНАТ
(57) Реферат:
Изобретение относится к системам охранной сигнализации и может быть использовано для управления транспортным парком, контроля за состоянием подвижных объектов и их перемещением в реальном масштабе времени, охраны стационарных и мобильных объектов. Комплекс состоит из сервисного центра со средствами сбора, передачи и отображения информации об объектах охраны, и абонентского комплекта оборудования. Последний включает в себя центральный процессор брелока, транскодер брелока, инфракрасный приемопередатчик брелока, инфракрасный приемопередатчик системы, транскодер системы, гальванический изолятор инфракрасного канала, контроллер инфракрасного интерфейса, центральное процессорное устройство, запоминающее устройство, генератор секундных импульсов, мультиплексор интерфейса, микропроцессорное устройство датчиков и исполнителей, блок изоляторов, GPS-модуль, GSM-модуль, контроллер датчиков, контроллер исполнителей, интерфейс для подключения внешнего персонального компьютера, радиомаяк, резервный модуль системного интерфейса, преобразователи уровня, силовые ключи, импульсный преобразователь напряжений питания системы, блок стабилизаторов напряжений питания системы, системную аккумуляторную батарею, импульсный преобразователь напряжений питания исполнителей, блок стабилизаторов напряжений исполнителей и исполнительную аккумуляторную батарею. Технический результат сводится к возможности передачи на большие расстояния тревожной сигнализации, игнорированию помех в канале связи при автономной защите объекта, организации высокозащищенного соединения для передачи конфиденциальных данных и координат объекта в сервисный центр обслуживания, высокой точности и оперативности удаленного управления объектами охраны, высокой стойкости системы к выводу из строя различными техническими средствами. 1 ил.
Область техники, к которой относится изобретение
Изобретение относится к системам охранной сигнализации, в частности к автомобильным противоугонным комплексам с определением географических координат, и может быть использовано для управления транспортным парком, контроля за состоянием подвижных объектов и их перемещением в реальном масштабе времени, охраны стационарных и мобильных объектов.
Уровень техники
Известна система безопасности, управления и навигации для автомобилей, содержащая запоминающее устройство для хранения дорожных карт в цифровой форме, устройство для ввода пункта назначения, устройство для формирования цифровых сигналов скорости и ускорения автомобиля для индикации аварийной ситуации и антенну для приема сигналов спутниковой системы радиоопределения (GPS) и сигналов, несущих информацию о транспортном потоке и передачи аварийных сигналов. Принятые сигналы преобразуются в цифровую форму. Устройство обработки определяет текущее местоположение автомобиля на основе сигналов GPS и сигналов, несущих информацию о скорости и ускорении, определяет первый маршрут между текущим местоположением и пунктом назначения и второй маршрут при высокой плотности транспортного потока на первом маршруте, передает аварийные сигналы, кодированные с учетом текущего местоположения, если ускорение автомобиля выходит за заданные пределы, и управляет автомобилем с помощью электронных средств (см. патент США №5504482, кл. G08G 1/123, опубл. 1997).
Недостатком данной системы является то, что работа системы ограничена навигацией мобильного объекта, при этом система не позволяет производить высокоточное определение координат в дифференциальном режиме, не обеспечивает звуковое сопровождение навигационной обстановки, контроль исправности системы, сбор и хранение информации о маршруте движения автомобиля.
Известна радиоканальная система тревожной сигнализации для централизованной охраны автотранспортных средств, недвижимости, людей и животных, содержащая установленные на охраняемых объектах недвижимости блоки стационарных охранных извещателей, связанные через буферные устройства со стационарными объектовыми оконечными устройствами, имеющими стационарные антенны для связи по радиоэфиру, установленные на автотранспортных средствах блоки возимых охранных извещателей, связанные с возимыми объектовыми оконечными устройствами, имеющими возимые антенны для связи по радиоэфиру, и находящиеся у людей и животных носимые объектовые оконечные устройства со встроенными антеннами для связи по радиоэфиру, находящиеся у владельцев автотранспортных средств и недвижимости персональные приемники владельцев со встроенными антеннами персональных приемников для приема сообщений по радиоэфиру, центр сбора и обработки информации, имеющий пультовое оконечное устройство с антенной пультового оконечного устройства для связи по радиоэфиру и пульт централизованного наблюдения, в состав которого входят связанные друг с другом плата адаптера ввода информации, соединенная с пультовым оконечным устройством, и процессор обработки информации, отличающийся тем, что связь по радиоэфиру выполнена в виде микросотовой сети передачи данных с базовыми станциями и ретрансляторами, выполненными с возможностью приема кодовых сообщений от возимых, стационарных и носимых объектовых оконечных устройств, селекции и ретрансляции указанных сообщений на ближайшую базовую станцию или ретранслятор, а в центр сбора и обработки информации дополнительно введены блок обработки и отображения картографической и семантической информации и принтер с адаптером принтера, вход которого соединен с процессором обработки информации, выполненным с возможностью подключения к блоку обработки и отображения картографической и семантической информации и с возможностью вывода информации на адаптер принтера, при этом пульт централизованного наблюдения выполнен с возможностью автоматического контроля исправности радиоканала посредством отслеживания периодического поступления извещений от каждого стационарного, возимого и носимого объектовых оконечных устройств.
В системе микросотовая сеть передачи данных выполнена с возможностью передачи сигналов тревоги от возимых, стационарных и носимых объектовых оконечных устройств последовательно по радиальным цепочкам ретрансляторов на единую базовую станцию, связанную с центром сбора и обработки информации выделенным каналом связи, а также с возможностью передачи в обратном направлении по указанным радиальным цепочкам от базовой станции сигналов телеуправления ретрансляторами и объектовыми оконечными устройствами.
В системе микросотовая связь передачи данных выполнена с возможностью приема сигналов тревоги от возимых, стационарных и носимых объектовых оконечных устройств одним или несколькими ретрансляторами и передачи этих сигналов тревоги на ближайшую базовую станцию с последующей передачей этих сигналов с нескольких базовых станций в центр сбора и обработки информации и передачи в обратном направлении по указанным выделенным каналам связи из центра сбора и обработки информации сигналов телеуправления базовыми станциями, а также передачи от базовых станций на находящиеся в их зонах действия ретрансляторы сигналов телеуправления этими ретрансляторами и сигналов телеуправления объектовыми оконечными устройствами.
В системе выделенные каналы связи выполнены с возможностью подключения к телефонной сети общего пользования.
В системе выделенные каналы связи выполнены с возможностью подключения к Интернет.
В системе выделенные каналы связи выполнены с возможностью передачи информации по радиоэфиру (см. патент РФ №2182088, кл. B60R 25/10, G0B 25/00, опубл. 10.05.2002 г.).
Недостатками данной системы является высокая зависимость надежности передачи тревожных сигналов и сигналов телеуправления от надежности каналов связи, неопределенность методики автономной охраны объекта при отсутствии связи, низкая защищенность каналов связи от несанкционированного считывания и подмены информации, низкая защищенность системы от выведения из строя с применением технических средств.
Известна система GSM-пейджер с модулем определения географических координат через GPS, осуществляющий передачу SMS-сообщений владельцу системы при возникновении тревожных состояний на объекте охраны. По запросу с компьютера владельца система определяет текущие координаты объекта охраны, имеет функцию накопителя данных. Сходные признаки: определение координат охраняемого объекта посредством средств GPS и передача их владельцу системы по GSM-каналу средствами обычной телефонной связи. Система осуществляет хранение накопленных данных и последующую их передачу при доступности канала связи.
Недостатками данной системы являются высокая зависимость надежности передачи тревожных сигналов и сигналов телеуправления от надежности каналов связи, узкие сервисные возможности и малая масштабируемость сервисного центра обслуживания, установленного на компьютере пользователя, низкая защищенность каналов связи от несанкционированного считывания и подмены информации, низкая защищенность системы от выведения из строя с применением технических средств.
Наиболее близкой по технической сущности и достигаемому положительному эффекту и принятая автором за прототип является система безопасности, навигации и мониторинга, содержащая аппаратуру потребителя, включающую в себя блок автономного питания и подключенные к нему навигационный приемник с антенной, трансивер с антенной, группу охранных датчиков и бортовой компьютер, содержащий процессор, предназначенный для обработки сигналов от навигационного приемника и охранных датчиков и выработки информационных сигналов для передачи по радиоканалу, и интерфейс, соединенный с процессором, навигационным приемником и группой охранных датчиков, отличающийся тем, что дополнительно содержит по меньшей мере один диспетчерский центр, связанный через антенну трансивера посредством радиоканала с аппаратурой потребителя, в которую дополнительно введены аудиосистема и соединенная с интерфейсом бортового компьютера клавиатура, а также подключенные к блоку автономного питания модем, который соединен с интерфейсом и трансивером, телекамера видеоконтроля и телемонитор, входы которого соединены с выходами телекамеры видеоконтроля, при этом бортовой компьютер дополнительно содержит запоминающее устройство, соединенное с интерфейсом, аналогово-цифровой преобразователь видеосигналов, вход которого подключен к выходу телекамеры видеоконтроля, а его выход подсоединен к интерфейсу, цифроаналоговый преобразователь аудиосигналов, вход которого соединен с интерфейсом, а его выход подсоединен к входу аудиосистемы, цифроаналоговый преобразователь видеосигналов, вход которого соединен с интерфейсом, а его выход подсоединен к входу телемонитора.
В системе диспетчерский центр содержит подключенные к блоку питания навигационный приемник с антенной, сервер контроля охраняемых объектов и связанный с ним компьютер дифференциальной коррекции координат контролируемых объектов, вход которого подключен к выходу навигационного приемника, и по числу наблюдаемых объектов компьютеры средств связи, связанные посредством компьютерной сети с сервером контроля охраняемых объектов, модемы, каждый из которых связан с соответствующим ему компьютером средства связи, и трансиверы, каждый из которых связан с антенной и соответствующим ему модемом.
В системе в качестве трансиверов аппаратуры потребителя и диспетчерского центра используют устройства, реализующие сотовую телефонную радиосвязь с соответствующими протоколами радиообмена.
В системе в качестве трансиверов аппаратуры потребителя и диспетчерского центра используют устройства, реализующие транкинговую радиосвязь с соответствующими протоколами радиообмена.
В системе в качестве трансиверов аппаратуры потребителя и диспетчерского центра используют устройства, реализующие радиосвязь по протоколу радиообмена «Aloha».
В системе в качестве трансиверов аппаратуры потребителя и диспетчерского центра используют устройства, реализующие космическую радиосвязь через спутники-ретрансляторы с соответствующими протоколами радиообмена.
В системе в качестве модемов аппаратуры потребителя и диспетчерского центра используют устройства, реализующие протокол обмена данными с трансиверами сотовой телефонной радиосвязи.
В системе в качестве модемов аппаратуры потребителя и диспетчерского центра используют устройства, реализующие протокол обмена данными с трансиверами транкинговой радиосвязи.
В системе в качестве модемов аппаратуры потребителя и диспетчерского центра используют устройства, реализующие протокол обмена данными Х.25 с трансиверами радиосвязи.
В системе в качестве модемов аппаратуры потребителя и диспетчерского центра используют устройства, реализующие протокол обмена данными с трансиверами космической радиосвязи.
В системе в качестве навигационных приемников аппаратуры потребителя и диспетчерского центра используют устройства, работающие по сигналам космических навигационных систем ГЛОНАСС и/или НАВСТАР и обеспечивающие геодезическую точность определения координат объектов.
В системе в качестве телекамеры видеоконтроля используют миниатюрную телекамеру внутреннего наблюдения с объективом pin – hole.
В системе в качестве телекамеры видеоконтроля используют телекамеру переднего и/или заднего обзора мобильного объекта.
В системе в качестве телекамеры видеоконтроля используют стационарную или мобильную телекамеру кругового обзора на гиростабилизированной платформе, устанавливаемую на наземных и воздушных объектах, регистрирующую излучение в видимом и инфракрасном диапазоне длин волн.
В системе в качестве охранных датчиков используют датчики проникновения или воздействия на охраняемый объект и датчики контроля параметров окружающей среды и технических параметров контролируемого объекта (см. пат. РФ №2122239, кл. G08B 25/10, G08G 1/123, B60R 25/10, опубл. 20.11.1998 г.).
Недостатками данной системы является возможность установки помех в каналах передачи тревожной информации, невозможность своевременного наблюдения и накопления видеоинформации в случае блокирования радиоканалов к диспетчерскому центру, возможность перехвата и подмены информации в радиоканале, низкая стойкость системы к внешним агрессивным воздействиям злоумышленников ввиду применения выносных антенн и сенсоров, высокая уязвимость ввиду отсутствия алгоритмов автономной защиты объекта и отсутствия защищенных носимых средств управления системой.
Раскрытие изобретения
Задачей предлагаемого изобретения является разработка автомобильного противоугонного комплекса с определением географических координат, обладающего способностью передачи на большие расстояния информации при помощи GSM-модуля, передающего информацию сервисному центру обслуживания через защищенные транспортные каналы сотовых телефонных сетей GSM, с возможностью передачи информации через резервные каналы связи и принятия автономных решений по защите объекта в случае невозможности установления связи с диспетчерским центром слежения (далее по тексту сервисным центром), с возможностью определения местонахождения транспортного средства и передачей его координат в сервисный центр обслуживания, обладающего высокой точностью и оперативностью удаленного управления охраняемыми объектами при высокой стойкости системы к агрессивным воздействиям извне.
Технический результат, который может быть получен с помощью предлагаемого изобретения, сводится к возможности передачи на большие расстояния тревожной сигнализации, игнорированию помех в канале связи при автономной защите объекта, организации высокозащищенного соединения для передачи конфиденциальных данных и координат объекта в сервисный центр обслуживания, высокой точности и оперативности удаленного управления объектами охраны, высокой стойкости системы к выводу из строя существующими на сегодняшний день техническими средствами.
Технический результат достигается с помощью автомобильного противоугонного комплекса с определением географических координат, состоящего из диспетчерского центра обслуживания (далее по тексту, сервисного центра), содержащего стандартные средства сбора, передачи и отображения информации об объектах охраны, и абонентского комплекта оборудования (далее по тексту, системы), которая состоит из следующих элементов: центральное процессорное устройство, мультиплексор интерфейса RS-232, GPS-модуль и GSM-модуль, при этом она дополнительно снабжена центральным процессором брелока, транскодером брелока, инфракрасным приемопередатчиком брелока, инфракрасным приемопередатчиком системы, транскодером системы, гальваническим изолятором инфракрасного канала, контроллером инфракрасного интерфейса, запоминающим устройством, генератором секундных импульсов, микропроцессорным устройством датчиков и исполнителей, блоком изоляторов, интерфейсом для подключения внешнего персонального компьютера, радиомаяком, резервным модулем системного интерфейса, преобразователями уровня и силовыми ключами, импульсным преобразователем напряжения питания центрального процессорного устройства, блоком стабилизаторов напряжений центрального процессорного устройства, системной аккумуляторной батареей, импульсным преобразователем напряжений питания исполнителей, блоком стабилизаторов напряжений исполнителей, исполнительной аккумуляторной батареей, при этом центральный процессор брелока соединен с транскодером брелока цифровым двунаправленным каналом по стандарту RS-232, транскодер брелока соединен двунаправленным цифровым каналом с инфракрасным приемопередатчиком брелока, а последний – двунаправленной инфракрасной связью с инфракрасным приемопередатчиком системы, который соединен цифровым двунаправленным каналом с транскодером системы, который соединен цифровым двунаправленным каналом с гальваническим изолятором инфракрасного канала; последний соединен цифровым двунаправленным каналом по стандарту RS-232 с контроллером инфракрасного интерфейса, при этом центральное процессорное устройство соединено цифровым двунаправленным каналом по стандарту SPI с запоминающим устройством, а цифровым однонаправленным каналом с генератором секундных импульсов и цифровым двунаправленным каналом по стандарту RS-232 с мультиплексором интерфейса RS-232, последний соединен цифровыми двунаправленными каналами по стандарту RS-232 с контроллером инфракрасного интерфейса, микропроцессорным устройством датчиков и исполнителей, блоком изоляторов, GPS-модулем и GSM-модулем, причем микропроцессорное устройство датчиков и исполнителей соединено пятиразрядным двунаправленным каналом с контроллером датчиков и шестиразрядным однонаправленным цифровым каналом с контроллером исполнителей, а контроллер датчиков соединен цифровым однонаправленным каналом с блоком изоляторов, с последним цифровым однонаправленным каналом контроллер исполнителей, при этом блок изоляторов соединен тремя цифровыми двунаправленными каналами по стандарту RS-232 с интерфейсом внешнего персонального компьютера, радиомаяком, резервным модулем системного интерфейса RS-232, и цифровыми однонаправленными каналами с преобразователями уровня и силовыми ключами, а импульсный преобразователь напряжений питания системы соединен линиями питания с блоком стабилизаторов напряжений питания системы, причем блок стабилизаторов системы для осуществления заряда соединен линиями питания с системной аккумуляторной батареей, которая служит резервным источником питания системы, а импульсный преобразователь напряжений питания исполнителей соединен линиями питания с блоком стабилизаторов напряжений питания исполнителей, который для осуществления заряда соединен с исполнительной аккумуляторной батареей, которая служит резервным источником питания датчиков и исполнителей внешнего контура блока изоляторов, соединенного с преобразователями уровня, предназначенными для преобразования уровня между сигналами датчиков на объекте и сигналами центрального процессорного устройства, и силовыми ключами, предназначенными для коммутации внешних исполнительных устройств.
Предлагаемое изобретение обладает новыми свойствами. Центральное процессорное устройство системы, содержащее основную программу системы, служит для сбора информации об объекте охраны, для управления объектом, связи с внешними процессорными устройствами и сервисным центром, осуществляя указанные функции посредством внутреннего асинхронного приемопередатчика. Центральное процессорное устройство системы, содержащее основную программу системы, служит для сбора информации об объекте охраны, управления объектом, связи с внешними процессорными устройствами и сервисным центром, посредством внутреннего асинхронного приемопередатчика (на чертеже не обозначен, так как является частью центрального процессорного устройства), соединенного двунаправленной связью с контроллером инфракрасного интерфейса, микропроцессорным устройством датчиков и исполнителей, GSM-модулем, GPS-модулем, радиомаяком, интерфейсом для подключения внешнего персонального компьютера, резервным модулем системного интерфейса, через мультиплексор интерфейса RS-232. При выходе из строя центрального процессорного устройства все указанные периферийные устройства будут продолжать функционировать в рамках последних полученных от центрального процессорного устройства команд.
Доступ пользователя к функциям системы осуществляется на основании обмена информацией посредством двунаправленной инфракрасной передачи между контроллером инфракрасного интерфейса и инфракрасным брелоком, что регистрируется центральным процессорным устройством посредством специальных однонаправленных линий. Инфракрасный брелок конструктивно является отдельным блоком системы и имеет собственное электрическое питание. При обмене инфракрасными сигналами используется изменяющаяся частота передачи, что в сочетании с применением криптографических механизмов несимметричного кодирования с длинами ключей более 64 байт делает невозможным достоверное считывание сигнала третьими лицами, находящимися вне оптического фокуса приемопередатчика, а также выводит возможность несанкционированной дешифровки сообщений за пределы мощностей существующей вычислительной техники. Опрос датчиков и запуск исполнительных устройств, установленных на объекте, осуществляется набором преобразователей уровней и силовых ключей, подключенных к контроллерам датчиков и исполнителей соответственно, которые подчиняются командам микропроцессорного устройства датчиков и исполнителей. Для защиты от внешних электрических воздействий, внешние коммуникации системы отделены от внутренней схемы блоком изоляторов, питающимся от двух различных источников питания, которые также осуществляют независимое питание внутренней и внешней частей системы и заряд двух независимых аккумуляторных батарей резервного питания. Системная аккумуляторная батарея питает внутреннюю частью схемы, содержащую центральное процессорное устройство, мультиплексор интерфейса RS-232, контроллер инфракрасного интерфейса, микропроцессорное устройство датчиков и исполнителей, контроллер датчиков, контроллер исполнителей, GSM-модуль, GPS-модуль, внутренний контур блока изоляторов. Исполнительная аккумуляторная батарея питает внешнюю часть системы, включающую в себя внешний контур блока изоляторов, преобразователи уровней, силовые ключи, радиомаяк, интерфейс персонального компьютера, транскодер и инфракрасный приемопередатчик центрального процессорного устройства. Применение двух источников питания в сочетании с полной гальванической развязкой внутренних схем системы с датчиками и исполнительными устройствами охраняемого объекта делает маловероятным выведение системы из строя электрическими воздействиями извне.
Радиомаяк, транскодер и инфракрасный приемопередатчик системы конструктивно являются отдельными блоками и подключены к главному блоку системы экранированными кабелями. Радиомаяк, системный блок питания, исполнительный блок питания конструктивно являются отдельными печатными платами и соединяются с основной печатной платой гибкими шлейфами с фиксирующимися разъемами в пределах одного корпуса изделия, что позволяет варьировать габариты и пространственную конфигурацию корпуса, осложняя злоумышленнику идентификацию установленной на объекте охраны системы среди другого оборудования. Преобразователи уровня и силовые ключи конструктивно исполнены на печатной плате блока изоляторов. При электрическом воздействии на систему извне блок изоляторов предотвращает возможные негативные последствия для системы в целом. В случае выхода из строя блока изоляторов осуществляется его оперативная замена. Исполнение указанных компонентов в виде отдельных блоков и печатных плат позволяет осуществлять их замену и модернизацию системы без специального ремонтного оборудования.
Система защищена от несанкционированного вскрытия, анализа и копирования путем заполнения пространства над компонентами главной печатной платы непрозрачной полимерной смолой с добавлениями наполнителя. В качестве наполнителя выступают фрагменты провода МГТФ. По завершению пластификации смолы, возможность доступа к плате представляется только прецизионным фрезерованием смолы-наполнителя, которое уничтожает электрические соединения навесных проводников, также исполненные проводом МГТФ, которые в большом количестве использованы в схеме. Наличие большого количества ложных проводников и частиц проводников исключает возможность восстановления принципиальной схемы устройства в разумный период времени, кроме того, экранирование частицами проводников делает неэффективным применение визуальных исследований с малыми интенсивностями излучений. Наличие антивандального фото датчика, скрытого на плоскости монтажа системы в сочетании с наличием в ее составе автономных источников питания, позволяет достоверно определять попытки несанкционированного демонтажа и оповещает сервисный центр через транспортный канал GSM. Таким образом, действия злоумышленника, приобретающего систему в качестве клиента, становятся явными.
Автономная подсистема безопасности водителя от разбойных нападений, интегрированная в структуру системы, состоит из двух датчиков: тревожной кнопки «Опасность» и датчика присутствия водителя, который устанавливается в водительском сидении. Предвидя потенциально опасную ситуацию, водитель транспортного средства заранее нажимает кнопку «Опасность» и посредством секретного светового индикатора контролирует включение режима «Опасность». Повторное нажатие на кнопку выводит систему из указанного режима. Если в течение режима «Опасность» сработал датчик, установленный в водительском сидении, система считает, что водитель был вынужден покинуть автомобиль, после чего происходит передача тревожного сигнала в сервисный центр и комплекс мероприятий по блокированию автомобиля. Кроме перечисленных, система требует подключения следующих стандартных датчиков: концевой выключатель капота автомобиля, концевой выключатель дверей автомобиля, ударный датчик, автомобильный СВЧ-датчик движения, стандартный индикатор поля GSM 900/1800. К системе могут быть подключены любые датчики, вызывающие состояния «1» и «0» в логических уровнях 12 вольт и любые исполнимые устройства мощностью до 120 Вт, совместимые с напряжением питания 12 вольт. Наличие прямой и обратной связи тревожного состояния и состояния охраны делает возможным установку системы в комплексе со штатной сигнализацией автомобиля.
В ходе работы система осуществляет периодическое определение географических координат, сбор информации о состоянии датчиков, установленных на объекте охраны, и исправности компонентов системы. Информация хранится в запоминающем устройстве системы и передается в сервисный центр как по инициативе последнего, так и во внеочередном порядке. Передача происходит в защищенном канале стандартными средствами GSM, с применением криптостойкого алгоритма кодирования AES. На основании получаемой от датчиков информации система автономно от сервисного центра осуществляет охрану объекта согласно имеющейся в центральном процессорном устройстве программы, которая может быть модифицирована командами из сервисного центра, переданными посредством транспортного канала GSM. Команды сервисного центра имеют приоритет над автономными охранными функциями системы.
Краткое описание чертежей
На чертеже дан автомобильный противоугонный комплекс с определением географических координат, функциональная схема.
Осуществление изобретения
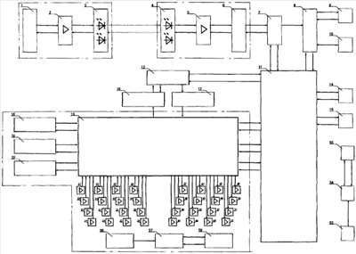
Автомобильный противоугонный комплекс с определением географических координат состоит из сервисного центра (не обозначен), содержащего стандартные средства сбора, передачи и отображения информации об объектах охраны, и абонентского комплекта оборудования (далее системы), которая состоит из следующих элементов: центральный процессор брелока 1, содержащий микропрограмму для идентификации пользователя системы, который соединен с транскодером брелока 2 цифровым двунаправленным каналом в стандарте RS-232. Транскодер брелока 2 предназначен для преобразования сигналов RS-232 в код инфракрасного приемопередатчика брелока и соединен двунаправленным цифровым каналом с инфракрасным приемопередатчиком брелока 3. Инфракрасный приемопередатчик брелока 3 предназначен для приема и передачи на расстоянии инфракрасного сигнала. Питание блоков 1, 2, 3, составляющих инфракрасных брелок управления, далее брелок (не пронумерован), осуществляется от автономного источника питания (не обозначен).
Во время функционирования брелока осуществляется двунаправленная инфракрасная связь между инфракрасным приемопередатчиком брелока 3 и инфракрасным приемопередатчиком системы 4. Инфракрасный приемопередатчик системы 4 предназначен для приема и передачи на расстоянии инфракрасного сигнала для организации информационного обмена с брелоками, идентифицирующими пользователя системы. Соединен двунаправленным цифровым каналом с транскодером системы 5. Транскодер системы 5 соединен цифровым двунаправленным каналом по стандарту RS-232 с гальваническим изолятором инфракрасного канала 6 и предназначен для преобразования сигналов по стандарту RS-232 в код инфракрасного приемопередатчика системы 4. Гальванический изолятор инфракрасного канала 6 служит для защиты системы от высоковольтных воздействий и является повторителем цифровых сигналов с гальванической развязкой; он соединен цифровым двунаправленным каналом по стандарту RS-232 с контроллером инфракрасного интерфейса 7. Контроллер инфракрасного интерфейса 7 содержит коды доступа на объект и служит для идентификации пользователя. Осуществляет передачу информации о срабатывании брелоков посредством четырехразрядного однонаправленного цифрового канала, центральному процессорному устройству 8. Центральное процессорное устройство 8, содержащее основную программу системы, служит для сбора информации об объекте охраны, управления объектом, связи с внешними процессорными устройствами и сервисным центром (не показаны). Центральное процессорное устройство 8 соединено цифровым двунаправленным каналом в стандарте SPI с запоминающим устройством 9, цифровым однонаправленным каналом с генератором секундных импульсов 10, а также цифровым двунаправленным каналом в стандарте RS-232 с мультиплексором интерфейса RS-232 11. Запоминающее устройство 9 с последовательным интерфейсом и страничным доступом предназначено для хранения информации и реализации функции «черного ящика» системы и построено по принципу очереди (FIFO). Генератор секундных импульсов 10 генерирует частотные импульсы для реализации функции реального времени системы, и соединен с центральным процессорным устройством 8. Мультиплексор интерфейса RS-232 11 предназначен для переключения интерфейсных линий стандарта RS-232 внешних устройств и коммутации с внутренним универсальным асинхронным приемопередатчиком центрального процессорного устройства 8 (не показан). Мультиплексор интерфейса RS-232 11 соединен цифровыми двунаправленными каналами в стандарте RS-232 с центральным процессорным устройством 8, контроллером инфракрасного интерфейса 7, микропроцессорным устройством датчиков и исполнителей 12, блоком изоляторов 13, GPS-модулем 14, GSM-модулем 15. Микропроцессорное устройство датчиков и исполнителей 12 осуществляет передачу информации центральному процессорному устройству 8 о срабатывании датчиков на объекте и прием команд на запуск исполнительных устройств для управления объектом. Соединено пятиразрядным двунаправленным цифровым каналом с контроллером датчиков 16 и шестиразрядным однонаправленным цифровым каналом с контроллером исполнителей 17. Контроллер датчиков 16 предназначен для преобразования сигналов датчиков в программное слово состояния датчиков, соединен цифровым однонаправленным каналом, содержащим 16 независимых линий, с блоком изоляторов 13. Контроллер исполнителей 17 предназначен для преобразования программного слова управления исполнителями в сигналы управления ими, соединен цифровым однонаправленным каналом, содержащим 16 независимых линий, с блоком изоляторов 13. Блок изоляторов 13 представляет собой гальваническую развязку и служит для защиты системы от внешних высоковольтных воздействий. Соединен тремя цифровыми двунаправленными каналами в стандарте RS-232: с интерфейсом для подключения внешнего персонального компьютера 18, радиомаяком 19, резервным модулем системного интерфейса RS-232 20, а также цифровыми однонаправленными каналами с преобразователями уровня 21, 22, 23, 24, 25, 26, 27, 28, 29, 30, 31, 32, 33, 34, 35, 36, и силовыми ключами: 37, 38, 39, 40, 41, 42, 43, 44, 45, 46, 47, 48, 49, 50, 51, 52. Интерфейс внешнего персонального компьютера 18 предназначен для программирования, контроля и наладки системы. Радиомаяк 19 предназначен для передачи данных посредством транкинговой радиосвязи между системой и сервисным центром (не показан) в аварийных режимах работы системы. Резервный модуль системного интерфейса RS-232 20 предусмотрен для подключения любых дополнительных устройств по интерфейсу RS-232. GPS-модуль 14 представляет собой приемник системы глобального спутникового позиционирования (GPS) и предназначен для получения координат объекта с использованием данных, передаваемых спутниками GPS. GSM-модуль 15 предназначен для осуществления связи с сервисным центром (не показан) стандартными средствами через транспортные каналы GSM. Конструктивно GPS-приемник 14 и GSM-модуль 15 исполнены на одной печатной плате.
Импульсный преобразователь напряжений питания системы 53 осуществляет преобразование напряжения питающей сети в напряжение питания системы, а также гальваническую развязку между цепями питания. Он соединен линиями питания с блоком стабилизаторов напряжений питания системы 54. Блок стабилизаторов напряжений питания системы 54 предназначен для формирования стабильного напряжения питания системы и обеспечения зарядного тока системной аккумуляторной батареи 55, для чего соединен с системной аккумуляторной батареей 55. Системная аккумуляторная батарея 55 служит резервным источником питания системы. Линии питания на чертеже не обозначены. Импульсный преобразователь напряжений питания исполнителей 56 осуществляет преобразование напряжения питающей сети в напряжения питания исполнителей, а также гальваническую развязку между цепями питания системы. Он соединен линиями питания с блоком стабилизаторов напряжений исполнителей 57. Блок стабилизаторов напряжений исполнителей 57 предназначен для формирования стабильного напряжения питания датчиков исполнителей и обеспечения зарядного тока исполнительной аккумуляторной батареи 58, для чего соединен с исполнительной аккумуляторной батареей 58. Исполнительная аккумуляторная батарея 58 служит резервным источником питания датчиков внешнего контура блока изоляторов 13, подключенного: к преобразователям уровня 21, 22, 23, 24, 25, 26, 27, 28, 29, 30, 31, 32, 33, 34, 35, 36, предназначенным для преобразования уровня между сигналами датчиков на объекте и сигналами центрального процессора, к силовым ключам 37, 38, 39, 40, 41, 42, 43, 44, 45, 46, 47, 48, 49, 50, 51, 52, предназначенным для коммутирования внешних исполнительных устройств (не указаны). Линии питания на чертеже не обозначены. Преобразователь уровня 21 предназначен для подключения концевого выключателя капота автомобиля (не показан). Преобразователь уровня 22 предназначен для подключения концевого выключателя дверей автомобиля (не показаны). Преобразователь уровня 23 предназначен для подключения СВЧ-датчика движения (не показан). Преобразователь уровня 24 предназначен для подключения сигнальной линии ударного датчика автомобиля (не показан). Преобразователь уровня 25 предназначен для подключения стандартного индикатора поля (не показан), отвечающего следующим характеристикам: настроенного на диапазоны 900/1800 Mhz, и выполняющего функции детектора подавления сети GSM, то есть при наличии в указанном диапазоне электромагнитного спектра сигнала, обладающего характеристикой сигнал/шум выше -103.2 dB, и отсутствии регистрации в сотовой сети (не обозначена) у GSM-модуля 15, система определяет, что действует режим установленных радиопомех.
Преобразователь уровня 26 предназначен для подключения к стабилизатору напряжений системы 54. Используется для определения отключения питания охраняемого объекта (не показан), на котором установлена система. Преобразователь уровня 27 зарезервирован в качестве входа тревожного сигнала с внешней системы сигнализации (не указана) охраняемого объекта (если она установлена). Преобразователь уровня 28 предназначен для подключения антивандального датчика, совмещенного с основным блоком системы (не указан). Функция антивандального датчика заключается в аварийном предупреждении сервисного центра при несанкционированных попытках демонтажа системы третьими лицами. Преобразователь уровня 29 предназначен для подключения тревожной кнопки «Опасность» (не показана). Преобразователь уровня 30 предназначен для подключения датчика присутствия водителя на водительском сидении (не показан). Преобразователи уровня 31, 32, 33, 34, 35, 36 зарезервированы для подключения любых датчиков, передающих бинарные состояния «1» и «0». Силовой ключ 37 предназначен для управления автомобильной сиреной (не указана). Силовой ключ 38 предназначен для имитации нажатия клавиши стандартного канала #2 брелока штатной сигнализации автомобиля (не показана), если таковая присутствует. Силовой ключ 39 предназначен для подключения иммобилайзера (не указан). Силовой ключ 40 предназначен для подключения устройства голосового оповещения, состоящего из микросхемы-кодека, хранящей аудиозапись, усилителя звуковой частоты и мегафона (не указаны). Силовой ключ 41 предназначен для имитации нажатия клавиши канала #1 брелока штатной сигнализации автомобиля (не обозначена), если таковая присутствует. Силовой ключ 42 является тревожным выходом системы, передающей состояние тревоги как «1» и нормальное состояние системы как «0». Силовые ключи 43, 44 предназначены для подключения тревожных исполнителей (не показаны). Силовые ключи 45, 46, 47, 48, 49, 50, 51, 52 зарезервированы для управления любыми коммутируемыми устройствами, управляемыми бинарными состояниями «1» и «0», путем получения системой запросов от сервисного центра (не указан) стандартными средствами GSM-модуля 15.
Области на чертеже, выделенные пунктиром, конструктивно представляют собой отдельные блоки и печатные платы, соединенные гибкими шлейфами с фиксирующимися разъемами.
Автомобильный противоугонный комплекс с определением географических координат работает следующим образом. При подаче напряжения питания от системной аккумуляторной батареи 27 запускается центральное процессорное устройство 8. Происходит запуск микропрограммы последнего, в ходе работы которой осуществляется инициализация портов ввода-вывода центрального процессорного устройства 8, предназначенных для осуществления описанных выше связей с контроллером инфракрасного интерфейса 7 и мультиплексором интерфейса RS-232 11. Далее осуществляется запуск программы самотестирования системы, которое сводится к следующей процедуре: центральное процессорное устройство 8 последовательно назначает мультиплексору интерфейса RS-232 11 адреса периферийных устройств: GPS-модуля 14, GSM-модуля 15, микропроцессорного устройства датчиков и исполнителей 12, контроллера инфракрасного интерфейса 7, передает на указанные устройства строку запроса состояния и получает ответ. Результаты ответа запоминаются в памяти центрального процессорного устройства 8 и влияют на дальнейший режим работы системы:
Режим I: в случае, если выявленные ошибки не позволяют осуществлять полноценное функционирование системы, центральное процессорное устройство 8 через мультиплексор интерфейса RS-232 11 передает команды GSM-модулю 15 автономно осуществить подачу аварийных сигналов на телефон сервисного центра (не показан). В случае неудачной отправки аварийных сигналов GSM-модулем 15, центральное процессорное устройство 8 через мультиплексор интерфейса RS-232 11 и блок изоляторов 13 передает команду радиомаяку 19 автономно осуществить подачу аварийных сигналов на приемник сервисного центра (не показан). Далее происходит повторный перезапуск системы. Работа в Режиме I повторяется до полного разряда системной аккумуляторной батареи 55, либо до исчезновения ошибок в процессе самотестирования.
Режим II: в случае, если выявленные ошибки позволяют осуществлять полное функционирование системы, либо ошибок не обнаружено, центральное процессорное устройство 8 через мультиплексор интерфейса RS-232 11 осуществляет опрос GPS-модуля 14 и получает актуальное мировое время (по Гринвичу) и географические координаты системы через спутники GPS (не обозначены).
Далее центральное процессорное устройство 8 синхронизирует собственное значение реального времени системы с полученным от GPS-модуля 14 актуальным мировым временем. С этого момента внутренний таймер центрального процессорного устройства 8 синхронизируется с сигналами генератора секундных импульсов 10. По завершении указанных процедур центральное процессорное устройство 8 через мультиплексор интерфейса RS-232 11 передает контроллеру инфракрасного интерфейса 7 актуальные данные об известных брелоках, после чего передает команду для микропроцессорного устройства датчиков и исполнителей 12 осуществить обнуление состояния силовых ключей 37, 38, 39, 40, 41, 42, 43, 44, 45, 46, 47, 48, 49, 50, 51, 52, соединенных с контроллером исполнителей 17, то есть отключает соединенные с указанными ключами внешние исполнительные устройства (не обозначены), после чего передает команду GSM-модулю 15 о готовности перейти в основной Режим III работы системы.
Режим III работы системы (основной). Заключается в циклическом опросе периферийных устройств и периодическом выполнении действий, указанных ниже:
– 1 раз в 0.005 секунды центральное процессорное устройство 8 считывает состояние однонаправленных линий от контроллера инфракрасного интерфейса 7 на наличие в зоне действия инфракрасного приемопередатчика системы 4 функционирующего брелока, состоящего из элементов 1, 2, 3, и обладающего внутренними данными, известными центральному процессорному устройству 8. Результат чтения контроллера инфракрасного интерфейса 7 сохраняется в центральном процессорном устройстве 8 и используется для дальнейшей работы системы.
– 1 раз в 0.25 секунды центральным процессорным устройством 8 через мультиплексор интерфейса RS-232 11 производится опрос микропроцессорного устройства 12, считывающего состояние контроллера датчиков (12), которое состоит из 16 битов и формируется согласно состояниям на преобразователях уровней 21, 22, 23, 24, 25, 26, 27, 28, 29, 30, 31, 32, 33, 34, 35, 36, связанных с внешними датчиками (не обозначены). Результаты чтения по обратной связи через блоки микропроцессорное устройство датчиков и исполнителей 12, мультиплексор интерфейса RS-232 11 передаются на центральное процессорное устройство 8 и отражаются на его дальнейшей работе (см. ниже).
– 1 раз в 3 секунды центральное процессорное устройство 8 через мультиплексор интерфейса RS-232 11 считывает показания GPS-модуля 14, то есть географические координаты и мировое время (по Гринвичу).
– 1 раз в 5 секунд центральное процессорное устройство 8 через мультиплексор интерфейса RS-232 11 проверяет наличие зоны покрытия сети GSM (не обозначена) у GSM-модуля 15.
– 1 раз в 1 секунду центральное процессорное устройство 8 сохраняет в запоминающем устройстве 9 совокупное состояние перечисленных компонентов системы, включая следующие обязательные значения:
– географические координаты или отсутствие валидных координат;
– работоспособность GSM-модуля 15 системы;
– работоспособность контроллера инфракрасного интерфейса 7;
– нахождение рядом с системой функционирующих брелоков, состоящих из элементов 1, 2, 3, данные о которых содержатся, либо не содержатся в центральном процессорном устройстве 8;
– состояние датчиков (не обозначены), подключенных к преобразователям уровня 21, 22, 23, 24, 25, 26, 27, 28, 29, 30, 31, 32, 33, 34, 35, 36;
– 1 раз в 1 секунду центральное процессорное устройство 8 через мультиплексор интерфейса RS-232 11 автоматически передает команду микропроцессорному устройству датчиков и исполнителей 12, которое посредством контроллера исполнителей 17 через блок изоляторов 13 запускает один или несколько силовых ключей 37, 38, 39, 40, 41, 42, 43, 44, 45, 46, 47, 48, 49, 50, 51, 52, согласно алгоритму работы программы центрального процессорного устройства 8, что выражается в запуске тех или иных исполнительных устройств на объекте (не указаны). Алгоритм работы программы центрального процессорного устройства 8 зависит от показаний датчиков (не показаны), подключенных к преобразователям уровня 21, 22, 23, 24, 25, 26, 27, 28, 29, 30, 31, 32, 33, 34, 35, 36, и специальных настроек, передаваемых из сервисного центра. Специальные настройки конфигурируются индивидуально для каждого экземпляра системы и учитывают специфику подключенного к системе дополнительного оборудования, а также требуемый уровень защиты объекта. В этом же случае предусмотрено управление резервным модулем системного интерфейса RS-232 20 путем подачи запрограммированных в центральном процессорном устройстве 8 команд через мультиплексор интерфейса RS-232 11.
– 1 раз в 1 секунду центральное процессорное устройство 8 через мультиплексор интерфейса RS-232 11 запрашивает GSM-модуль 15 на наличие входящего звонка. Если зарегистрирован входящий звонок, стандартными средствами GSM проверяется его отправитель. Если в качестве отправителя указан телефонный номер сервисного центра (не обозначен), содержащийся в центральном процессорном устройстве 8, а в качестве типа звонка по стандарту Data 9600/RLP (стандарт передачи данных в сетях GSM), то центральное процессорное устройство 8 через мультиплексор интерфейса RS-232 11 передает команду GSM-модулю 15 произвести соединение с сервисным центром (не обозначен). После осуществления авторизации центральное процессорное устройство 8 получает по указанному каналу связи один из пяти типов запросов:
– запрос на чтение данных «черного ящика» системы. При получении этого запроса центральное процессорное устройство 8 считывает из запоминающего устройства 9 определенное сервисным центром (не обозначен) количество записей и передает их на сервисный центр стандартными средствами GSM-модуля 15, соединенного с центральным процессорным устройством 8 через мультиплексор интерфейса RS-232 11, после чего стирает указанные записи в запоминающем устройстве 9. Переданные данные интерпретируются программным обеспечением сервисного центра;
– запрос на акустический контроль охраняемого объекта (не указан), на котором установлена система. При получении этого запроса центральное процессорное устройство передает через мультиплексор интерфейса RS-232 11 команду GSM-модулю 15 стандартными средствами GSM произвести голосовой звонок на зарезервированный в центральном процессорном устройстве 8 или определенный сервисным центром телефонный номер. Прослушивание производится при помощи микрофона (не показан), являющегося компонентом GSM-модуля 15. Во время указанного голосового звонка все входящие вызовы GSM игнорируются, работа системы продолжается в основном режиме. По завершении голосового звонка полная функциональность GSM-модуля 15 восстанавливается;
– запрос на принудительный запуск одного или нескольких исполнительных устройств (не обозначены), подключенных к силовым ключам системы 37, 38, 39, 40, 41, 42, 43, 44, 45, 46, 47, 48, 49, 50, 51, 52. Сервисный центр определяет список силовых ключей из группы 37, 38, 39, 40, 41, 42, 43, 44, 45, 46, 47, 48, 49, 50, 51, 52, которые следует активировать ограниченный или неограниченный период времени, либо деактивировать, что приводит к запуску, либо остановке исполнительных устройств (не обозначены), подключенных к ним;
– запрос на изменение данных в центральном процессорном устройстве о брелоках и процедуре авторизации сервисного центра. При получении этого запроса центральное процессорное устройство 8 получает от сервисного центра (не обозначен) стандартными средствами GSM-модуля 15 через мультиплексор интерфейса RS-232 11, новые данные об известных системе брелоках, состоящих из элементов 1, 2, 3, либо новые данные для авторизации сервисного центра;
– запрос на разрешение изменения программного обеспечения системы через интерфейс внешнего персонального компьютера 18. При получении этого запроса работа системы приостанавливается до завершения процедуры обновления программного обеспечения, осуществляемой внутренними средствами центрального процессорного устройства 8. При этом мультиплексор интерфейса RS-232 11 жестко фиксируется в состоянии соединения 8 с 18. По завершении замены программного обеспечения, центральное процессорное устройство 8 переходит в режим II.
Режим IV (тревожный). Во время работы системы в режиме III, в случае нарушения периметра охраны автомобиля во время охраны, программа центрального процессорного устройства 8 осуществляет прерывание своей работы и переходит в режим IV, во время которого устанавливается соединение центрального процессорного устройства 8 через мультиплексор интерфейса RS-232 11 с GSM-модулем 15, который осуществляет внеплановый вызов телефона сервисного центра с передачей тревожной информации по транспортным каналам GSM, после чего система возвращается в режим III для принятия адекватных тревожной ситуации мер защиты.
– Однократно при появлении на входах центрального процессорного устройства 8 сигналов от контроллера инфракрасного интерфейса о появлении брелока, состоящего из элементов 1, 2, 3, в зоне действия инфракрасного приемопередатчика системы 4;
– в случае, если информация о брелоке, состоящем из элементов 1, 2, 3, содержится в центральном процессорном устройстве 8, оно начинает или завершает цикл охраны объекта, что сводится к наличию или отсутствию контроля состояний датчиков (не показаны), подключенных к преобразователям уровня и управлению силовым ключом 41, отвечающим за передачу состояния штатной системе охраны автомобиля (не обозначена), если таковая установлена;
– в случае, если информация о брелоке, состоящем из элементов 1, 2, 3, не содержится в центральном процессорном устройстве 8, данные о дате, времени, брелоке, сохраняются в запоминающем устройстве 9 и передаются в сервисный центр в течение ближайшего сеанса связи.
– Если в случае возникновения тревожной ситуации GSM-модуль 15 подтверждает отсутствие покрытия сети GSM, центральное процессорное устройство 8 через мультиплексор интерфейса RS-232 осуществляет повторные попытки передачи тревожной информации стандартными средствами GSM-модуля 15 с интервалом в 30 секунд. В случае, если сработал преобразователь уровня 25, что отразится на содержании информации, передаваемой контроллером датчиков 16 и микропроцессорным устройством датчиков и исполнителей 12 центральному процессорному устройству 8, последнее дублирует тревожные сообщения, отправляемые средствами GSM-модуля 15, на радиомаяк 19 для осуществления передачи по каналам транкинговой связи. После 1 успешного сеанса с сервисным центром (не показан) дублирование сообщений через радиомаяк 19 прекращается. В случае, если обмен информацией между центральным процессорным устройством 8 и радиомаяком 19 выявил неисправность последнего, автоматически запускаются тревожные исполнительные устройства (не указаны), подключенные к силовым ключам 43, 44, для чего центральное процессорное устройство через мультиплексор интерфейса RS-232 11 передает соответствующую команду микропроцессорному устройству датчиков и исполнителей 12, которое, в свою очередь, осуществляет управление состоянием силовых ключей 43, 44 через контроллер исполнителей 17.
Предлагаемое изобретение по сравнению с прототипом и другими известными техническими решениями имеет следующие преимущества:
1. В области защиты от несанкционированных деструктивных воздействий высокими напряжениями:
– Система полностью гальванически развязана с электрическими цепями объекта и исполнителей, что значительно сокращает возможность вывода ее из строя.
– В системе предусмотрено два резервных источника питания, что позволяет осуществить независимое питание центральной системы и периферии, что, в свою очередь, позволяет системе функционировать не только при отключении питания на объекте, но и в случае столкновения с враждебными действиями технически подготовленного злоумышленника.
2. В области конструктивного исполнения:
– Модульное построение системы. При выведении из строя части системы (кроме центрального процессорного устройства) оставшиеся работоспособные компоненты остаются полностью функциональными. Реализация компонентов на отдельных печатных платах позволяет осуществлять оперативную их замену и полное восстановление всей системы без проведения ремонта без дополнительного оборудования.
– Возможность изменения пространственной геометрии системы. Компоненты системы являются отдельными модулями, что позволяет комбинировать их в пределах установленных геометрических размеров, изменять внешний вид и габариты корпуса, тем самым делая невозможным быструю идентификацию системы среди электронных компонентов охраняемого объекта.
3. В области систем управления:
Создание брелоков управления на основе продукции компании Agilent, работающих в инфракрасном диапазоне, позволяет достичь следующих принципиальных преимуществ над существующими системами:
– Увеличенная дальность работы брелока (до 5 метров).
– Высокая помехозащищенность и возможность работы в любых климатических условиях.
– Высокая защищенность от дистанционного считывания, так как инфракрасный сигнал является направленным, и его передача осуществляется скрытно.
– Невозможность анализа обмена данными между системой и брелоками с использованием специальных технических средств ввиду применения переменной скорости передачи информации.
4. В области информационной безопасности:
– Возможность организации криптостойкого кода на основе алгоритма несимметричного кодирования с длинами ключей более 64 байт ввиду высокой пропускной способности инфракрасного канала передачи данных.
5. В области защиты от технически подготовленного злоумышленника:
– Реализована возможность подключения в качестве датчиков индикаторов поля к стандартным входам системы, что позволяет автономно определять работу устройств блокирования радиосвязи (джаммеров) и принимать решения по защите объекта в отсутствии связи с сервисным центром или отсутствии валидных данных о географическом положении объекта.
– Реализована возможность подключения интеллектуальных исполнительных устройств, имеющих самостоятельные программы, управляемых битовыми последовательностями и принимающих автономные решения по защите объекта в случае, если центральная часть системы выведена из строя.
6. В области защиты от анализа конструкции третьими лицами:
Реализована аппаратная защита от вскрытия, изучения и копирования системы. Монтаж компонентов системы на печатную плату осуществляется с использованием навесных проводников, часть из которых является ложными и расположение их формируется случайным образом. Полученная конструкция заполняется непрозрачной полимерной смолой с добавлениями микрочастиц проводников. По завершению пластификации смолы, блок защищен по следующим направлениям:
– От несанкционированного вскрытия и визуального анализа печатной платы. Возможность доступа к плате представляется только прецизионным фрезерованием смолы-наполнителя.
– От изучения принципиальной схемы. Прецизионное фрезерование смолы-наполнителя уничтожает электрические соединения навесных проводников. Наличие большого количества ложных проводников и частиц проводников исключает возможность восстановления принципиальной схемы устройства в разумный период времени.
– Защита путем экранирования частицами проводников от применения исследований с малой интенсивностью излучения. Применение исследований, использующих высокие дозы облучений, автоматически уничтожает программный код устройства, включая криптографические алгоритмы защиты и секретные данные.
– Наличие антивандального фотодатчика, скрытого на плоскости монтажа системы. Система, ввиду наличия в ее составе автономных источников питания, автоматически определяет попытку несанкционированного демонтажа и оповещает сервисный центр. Таким образом, действия злоумышленника, приобретающего систему в качестве клиента, становятся явными.
7. В области личной безопасности владельца системы.
Принципиально новая автономная система защиты владельца автомобиля от опасных действий злоумышленника (разбоя, грабежа, угона). В системе отсутствуют карточки доступа, секретные ключи и другие компоненты, идентифицирующие владельца системы, которые могут быть насильственно отобраны третьими лицами. Принцип действия системы следующий:
в салоне автомобиля скрытно устанавливается светодиод направленного свечения, направленный в область лица водителя. В состоянии покоя светодиод выключен. Предвидя встречу с третьими лицами, в намерениях которых владелец автомобиля не уверен, он нажимает секретную кнопку «Опасность» перехода в режим предполагаемой опасности. В случае, если опасения не подтвердились, и встреча не повлекла враждебных действий третьих лиц, кнопка «Опасность» нажимается еще раз, переводя систему в режим покоя. В режиме возможной опасности сигнальный светодиод горит. Ввиду направленности его излучения, свет виден только с водительского места. Если при горении светодиода, водитель покинет свое место (что будет зафиксировано датчиком, вмонтированным в водительское сидение) без повторного нажатия на кнопку (чтобы перевести систему в состояние покоя), будет вызвано состояние «Нападение». Сигнальный светодиод будет выключен, чтобы не подавать признаков его присутствия. Автомобиль останется полностью функциональным на протяжении определенного периода времени, после чего будет автоматически заблокирован. С момента поступления сигнала «Нападение» на сервисный центр, на поиски автомобиля и задержание преступников выезжает группа быстрого реагирования. В случае невозможности осуществления связи с сервисным центром автоматическая блокировка автомобиля и применение антивандальных средств осуществляется в несколько раз быстрее. Задача водителя в любом случае – не выдавая наличия системы, как можно быстрее покинуть место происшествия до начала защитных реакций автомобиля, для предотвращения агрессивных действий преступников в отношении себя.
Формула изобретения
Автомобильный противоугонный комплекс с определением географических координат, состоящий из сервисного центра и абонентского комплекта оборудования, содержащего центральное процессорное устройство, мультиплексор интерфейса RS-232, GPS-модуль и GSM-модуль, отличающийся тем, что он дополнительно снабжен центральным процессором брелока, транскодером брелока, инфракрасным приемопередатчиком брелока, инфракрасным приемопередатчиком системы, транскодером системы, гальваническим изолятором инфракрасного канала, контроллером инфракрасного интерфейса, запоминающим устройством, генератором секундных импульсов, микропроцессорным устройством датчиков и исполнителей, блоком изоляторов, контроллерами датчиков и исполнителей, интерфейсом для подключения внешнего персонального компьютера, радиомаяком, резервным модулем системного интерфейса, преобразователями уровня и силовыми ключами, импульсным преобразователем напряжений питания системы, блоком стабилизаторов напряжений питания системы, системной аккумуляторной батареей, импульсным преобразователем напряжений питания исполнителей, блоком стабилизаторов напряжений питания исполнителей, исполнительной аккумуляторной батареей, при этом центральный процессор брелока соединен с транскодером брелока цифровым двунаправленным каналом по стандарту RS-232, а транскодер брелока соединен цифровым двунаправленным каналом с инфракрасным приемопередатчиком брелока, последний двунаправленной инфракрасной связью соединен с инфракрасным приемопередатчиком системы, который соединен двунаправленным цифровым каналом с транскодером системы, который соединен цифровым двунаправленным каналом с гальваническим изолятором инфракрасного канала, последний соединен цифровым двунаправленным каналом по стандарту RS-232 с контроллером инфракрасного интерфейса, который соединен цифровым однонаправленным каналом с центральным процессорным устройством, последнее соединено цифровым двунаправленным каналом по стандарту SPI с запоминающим устройством, а цифровым однонаправленным каналом с генератором секундных импульсов и цифровым двунаправленным каналом по стандарту RS-232 с мультиплексором интерфейса RS-232, последний соединен цифровыми двунаправленными каналами по стандарту RS-232 с контроллером инфракрасного интерфейса, микропроцессорным устройством датчиков и исполнителей, блоком изоляторов, GPS-модулем и GSM модулем, микропроцессорное устройство датчиков и исполнителей соединено пятиразрядным двунаправленным каналом с контроллером датчиков и шестиразрядным однонаправленным цифровым каналом с контроллером исполнителей, а контроллер датчиков соединен цифровым однонаправленным каналом с блоком изоляторов, с последним соединен цифровым однонаправленным каналом контроллер исполнителей, блок изоляторов соединен тремя цифровыми двунаправленными каналами по стандарту RS-232 с интерфейсом внешнего персонального компьютера, радиомаяком, резервным модулем системного интерфейса RS-232 и цифровыми однонаправленными каналами – с преобразователями уровня, предназначенными для преобразования уровня между сигналами датчиков на объекте и сигналами центрального процессорного устройства, и силовыми ключами, предназначенными для коммутации внешних силовых устройств, а импульсный преобразователь напряжений питания системы соединен линиями питания с блоком стабилизаторов напряжений питания системы, блок стабилизаторов системы для осуществления заряда соединен линиями питания с системной аккумуляторной батареей, которая служит резервным источником питания системы, а импульсный преобразователь напряжений питания исполнителей соединен линиями питания с блоком стабилизаторов напряжений питания исполнителей, который для осуществления заряда соединен с исполнительной аккумуляторной батареей, которая служит резервным источником питания датчиков и исполнителей внешнего контура блока изоляторов.
РИСУНКИ
MM4A – Досрочное прекращение действия патента СССР или патента Российской Федерации на изобретение из-за неуплаты в установленный срок пошлины за поддержание патента в силе
Дата прекращения действия патента: 06.05.2008
Извещение опубликовано: 10.06.2010 БИ: 16/2010
|
|