|
|
(21), (22) Заявка: 2007117696/11, 11.05.2007
(24) Дата начала отсчета срока действия патента:
11.05.2007
(46) Опубликовано: 20.09.2008
(56) Список документов, цитированных в отчете о поиске:
SU 523818, 05.08.1976. SU 569464, 25.08.1977. RU 2292272 C1, 27.01.2007. FR 2479596, 02.10.1981.
Адрес для переписки:
346413, Ростовская обл., г. Новочеркасск, ул. Машиностроителей, 3, ОАО “ВЭлНИИ”
|
(72) Автор(ы):
Посохов Евгений Олегович (RU), Рутштейн Арнольд Максович (RU), Хоменко Борис Иванович (RU)
(73) Патентообладатель(и):
Открытое акционерное общество “Всероссийский научно-исследовательский и проектно-конструкторский институт электровозостроения” (ОАО “ВЭлНИИ”) (RU)
|
(54) ПРИВОД ЭЛЕКТРОВОЗА (ВАРИАНТЫ)
(57) Реферат:
Изобретение относится к электрооборудованию электроподвижного состава. Привод содержит тяговые электродвигатели постоянного тока, обмотки якорей и обмотки возбуждения которых соединены последовательно с первыми выводами включенных встречно-параллельно статического возбудителя и блока тиристора гашения поля. Реактор соединен последовательно с токоограничивающим резистором. Токоограничивающий резистор шунтирован силовым нормально закрытым контактом быстродействующего выключателя. Катушка быстродействующего выключателя подключена через резистор к среднему выводу реактора, цепь управляющего питания возбудителя включена через нормально закрытый блокировочный контакт быстродействующего выключателя, а цепь управления блоком тиристора гашения поля включена через нормально открытый блокировочный контакт быстродействующего выключателя. По второму варианту для увеличения быстродействия при определении аварийных режимов в приводе электровоза применен датчик тока, выход которого через дифференцирующее звено соединен с отключающей катушкой быстродействующего выключателя. Технический результат заключается в повышении эффективности защиты электровоза в аварийных режимах. 2 н.п. ф-лы, 2 ил.
Изобретение относится к электрооборудованию электроподвижного состава, преимущественно магистральных железных дорог с тяговыми электродвигателями постоянного тока.
Известен привод электровоза, содержащий тяговые электродвигатели постоянного тока, обмотки якорей которых через контакты реверсора включены между токоприемником и первым выводом возбудителя, обмотки возбуждения которых включены между вторым выводом возбудителя и контактами тормозного переключателя, последовательно соединенные токоограничивающие реактор и резистор, шунтированный быстродействующим контактом, один вывод которого подключен к первому выводу возбудителя, а другой вывод токоограничивающего резистора и выводы токоограничивающего реактора подключены к противоположным от обмоток возбуждения контактам тормозного переключателя (см. а.с. СССР №523818, М. Кл.2 В60L 9/04, опубл. 05.08.76 г., Бюл. №29).
Это устройство обладает следующими недостатками. При возникновении аварийного процесса гашение магнитного потока электродвигателей происходит недостаточно быстро, так как осуществляется через возбудитель, эдс которого поддерживает прежнее направление тока возбуждения. Кроме того, схема не предусматривает работу привода в наиболее распространенном в тяговом электроприводе режиме сериесного (последовательного) возбуждения, а в режиме рекуперативного торможения при сложном профиле пути возможны несанкционированные переходы из режима торможения в режим тяги.
Наиболее близким по технической сущности является привод электровоза, содержащий тяговые электродвигатели постоянного тока, обмотки якорей которых соединены последовательно, реверсор, статический возбудитель, последовательно соединенные первыми выводами, токоограничивающие резистор, шунтированный быстродействующим контактом, и реактор, выводы которого подключены к контактам тормозного переключателя. Обмотки возбуждения электродвигателей через контакты реверсора включены между обмотками якорей электродвигателей и первым выводом возбудителя, второй вывод которого подключен к противоположным контактам тормозного переключателя, катоду обратного диода, аноду тиристора и через первый нормально закрытый контакт независимого возбуждения соединен с первым выводом возбудителя, анодом обратного диода и катодом тиристора. Рекуперативный диод, шунтированный нормально закрытым контактом рекуперативного торможения, присоединен анодом к общей точке, а катодом – ко второму выводу токоограничивающего реактора, причем второй вывод токоограничивающего резистора включен через второй нормально открытый контакт независимого возбуждения между обмотками якорей тяговых электродвигателей и реверсором (см. патент РФ 2292272, М. кл. В60L 9/04).
Этот привод обладает следующим недостатками. При возникновении аварийного процесса гашение магнитного потока электродвигателей происходит недостаточно быстро и может привести к термическому пробою тиристора из-за задержки ввода ограничительного резистора при включении тиристора и, как следствие, увеличит длительность процесса кругового огня.
Задачей изобретения является повышение эффективности защиты электропривода в аварийных режимах.
Поставленная задача решена двумя вариантами привода электровоза.
Поставленная задача решается тем, что исходя из первого варианта известный привод электровоза, содержащий тяговые электродвигатели постоянного тока, обмотки якорей и обмотки возбуждения которых соединены последовательно с первыми выводами включенных встречно-параллельно статическим возбудителем и блоком тиристора гашения поля, реактор с последовательно включенным токоограничивающим резистором, соединяющие общую точку обмоток возбуждения и якорей и вторые выводы статического возбудителя и блока тиристора гашения поля, причем токоограничивающий резистор шунтирован силовым нормально закрытым контактом быстродействующего выключателя дополнительно снабжен цепью, соединяющей катушку отключателя со средним выводом реактора через резистор, нормально закрытым блокировочным контактом быстродействующего выключателя, соединяющим цепь управляющего питания возбудителя, нормально открытым блокировочным контактом быстродействующего выключателя, включенным в цепь управления блоком тиристора гашения поля.
По второму варианту известный привод, содержащий тяговые электродвигатели постоянного тока, обмотки якорей и обмотки возбуждения которых соединены последовательно с первыми выводами включенных встречно-параллельно статическим возбудителем и блоком тиристора гашения поля, реактор с последовательно включенным токоограничивающим резистором, соединяющие общую точку обмоток возбуждения и якорей и вторые выводы статического возбудителя и блока тиристора гашения поля, причем токоограничивающий резистор шунтирован силовым нормально закрытым контактом быстродействующего выключателя дополнительно снабжен датчиком тока, включенным в цепь силового тока относительно «земли», выход которого через дифференцирующее звено соединен с катушкой быстродействующего выключателя, нормально закрытым блокировочным контактом быстродействующего выключателя соединяющим цепь управляющего питания возбудителя, нормально открытым блокировочным контактом быстродействующего выключателя, включенным в цепь управления блоком тиристора гашения поля.
Положительный эффект предлагаемых изобретений состоит в следующем. При одновременном выключении возбудителя с включением блока тиристора гашения поля и вводом ограничительного резистора увеличивается быстродействие гашение магнитного потока электродвигателя и надежность блока тиристора гашения поля.
Дополнительно, при реализации привода электровоза по второму варианту, введение датчика тока, выход которого через дифференцирующее звено соединен с отключающей катушкой быстродействующего выключателя, позволит повысить быстродействие определения аварийных режимов в приводе электровоза за счет определения недопустимой скорости нарастания тока якоря.
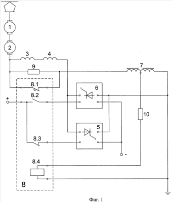
На фиг.1 представлена структурная схема привода электровоза по первому варианту.
На фиг.2 представлена структурная схема привода электровоза по второму варианту.
Привод электровоза по первому варианту содержит последовательно включенные обмотки якорей электродвигателей 1, 2, соединенные через последовательно включенные обмотки возбуждения 3, 4 с первыми выводами возбудителя 5 и блока тиристора гашения поля 6, включенными встречно-параллельно, токоограничивающий резистор 9, включенный одним из выводов к точке соединения обмоток возбуждения 3, 4 и обмоток якорей 1, 2, а вторым выводом соединен с одним из крайних выводов реактора 7, второй крайний вывод реактора 7 соединен со вторыми выводами возбудителя 5 и блока тиристора гашения поля 6 и «землей». Средний вывод реактора 7 через резистор 10 подключен к катушке быстродействующего выключателя 8, второй вывод которой соединен со вторыми выводами возбудителя 5, блока тиристора гашения поля 6 и крайнего вывода реактора 7 и «землей». Токоограничивающий резистор 9 шунтирован силовым нормально закрытым контактом 8.1 быстродействующего выключателя 8. Цепь управляющего питания возбудителя 5 подключена через нормально закрытый блокировочный контакт 8.3 быстродействующего выключателя 8 к источнику постоянного тока. Также от источника постоянного тока запитана цепь управления блока тиристора гашения поля 5 через нормально открытый блокировочный контакт 8.2 быстродействующего выключателя 8.
Привод электровоза по второму варианту содержит последовательно включенные обмотки якорей электродвигателей 1, 2, соединенные через последовательно включенные обмотки возбуждения 3, 4 с первыми выводами возбудителя 5 и блока тиристора гашения поля 6, включенными встречно-параллельно, токоограничивающий резистор 9, включенный одним из выводов к точке соединения обмоток возбуждения 3, 4 и обмоток якорей 1, 2, а вторым выводом соединен с одним из выводов реактора 7, второй вывод реактора 7 соединен со вторыми выводами возбудителя 5, блока тиристора гашения поля 6 и одним из выводов датчика тока 11. Датчик тока 11 вторым выводом соединен с «землей», а своим выходом через дифференцирующее звено 12 подключен к катушке быстродействующего выключателя 8. Токоограничивающий резистор 9 шунтирован силовым нормально закрытым контактом 8.1 быстродействующего выключателя 8. Цепь управляющего питания возбудителя 5 подключена через нормально закрытый блокировочный контакт 8.3 быстродействующего выключателя 8 к источнику постоянного тока. Также от источника постоянного тока запитана цепь управления блока тиристора гашения поля 6 через нормально открытый блокировочный контакт 8.2 быстродействующего выключателя 8.
Так как защита при аварийных режимах привода гашением магнитного потока электродвигателей применяется только в режимах независимого возбуждения электродвигателей, то элементы привода, относящиеся к режиму последовательного возбуждения, на чертежах не приведены.
Привод электровоза по первому варианту работает следующим образом.
В режиме независимого возбуждения ток обмоток якорей 1, 2 протекает через силовой контакт 8.1 быстродействующего отключателя 8, реактор 7 и на «землю», при этом ток возбуждения протекает через возбудитель 5, реактор 7, силовой контакт 8.1 быстродействующего выключателя 8 и обмотки возбуждения 3, 4.
При возникновении аварийного процесса, например при внешнем коротком замыкании якорей 1, 2 тяговых электродвигателей, увеличивается ток, протекающий в цепи реактора 7, и как следствие, увеличивается падение напряжения на реакторе 7, что приводит к срабатыванию быстродействующего выключателя 8. При срабатывании быстродействующего выключателя 8 одновременно включается блок тиристора гашения поля 6, выключается возбудитель 5 по цепи управляющего питания, размыкается силовой нормально закрытый контакт 8.1 быстродействующего выключателя 8, при этом ток через обмотки возбуждения 3, 4 и эдс якорей электродвигателей 1, 2 форсированно уменьшаются за счет энергии, накопленной в возбудителе 5 по цепи «земля» блок тиристора гашения поля 6 и обмотки якорей 1, 2, а ток якорей электродвигателей протекает через ограничительный резистор 9, реактор 7 и на «землю».
Привод электровоза по второму варианту работает следующим образом.
В режиме независимого возбуждения ток обмоток якорей 1, 2 протекает через силовые контакты быстродействующего выключателя 8, реактор 7, датчик тока 11 и на «землю», при этом ток возбуждения протекает через возбудитель 5, реактор 7, силовой контакт быстродействующего выключателя 8 и обмотки возбуждения 3, 4.
При возникновении аварийного процесса, например при внешнем коротком замыкании якорей 1, 2 тяговых электродвигателей, увеличивается ток, протекающий через датчик тока 11. Дифференцирующее звено по выходу датчика тока 11 определяет максимально допустимую скорость нарастания тока обмоток якорей 1, 2 и выдает команду на срабатывание быстродействующего выключателя 8. При срабатывании быстродействующего отключателя одновременно включается блок тиристора гашения поля 6, выключается возбудитель 5 по цепи управляющего питания, размыкается нормально закрытый силовой контакт 8.1 быстродействующего выключателя 8, при этом ток возбуждения и эдс якорей электродвигателей 1, 2 форсированно уменьшаются за счет энергии, накопленной в возбудителе 5 по цепи «земля», датчик тока 11, блок тиристора гашения поля 6, обмотки возбуждения 3, 4 и эдс электродвигателей 1, 2, а ток якорей электродвигателей 1, 2 протекает через ограничительный резистор 9, реактор 7, датчик тока 11 и на «землю» до исчезновения эдс электродвигателей 1, 2.
Таким образом, предлагаемый привод позволяет форсированно гасить магнитный поток электродвигателей в аварийных режимах и увеличить надежность блока тиристора гашения поля, благодаря одновременному выключению возбудителя с включением блока тиристора гашения поля и вводом ограничительного резистора.
Формула изобретения
1. Привод электровоза, содержащий тяговые электродвигатели постоянного тока, обмотки якорей и обмотки возбуждения которых соединены последовательно с первыми выводами включенных встречно-параллельно статического возбудителя и блока тиристора гашения поля, реактор с последовательно включенным токоограничивающим резистором, соединяющие общую точку обмоток возбуждения и якорей и вторые выводы статического возбудителя и блока тиристора гашения поля, причем токоограничивающий резистор шунтирован силовым нормально закрытым контактом быстродействующего выключателя, отличающийся тем, что катушка быстродействующего выключателя подключена через резистор к среднему выводу реактора, цепь управляющего питания возбудителя включена через нормально закрытый блокировочный контакт быстродействующего выключателя, а цепь управления блоком тиристора гашения поля включена через нормально открытый блокировочный контакт быстродействующего выключателя.
2. Привод электровоза, содержащий тяговые электродвигатели постоянного тока, обмотки якорей и обмотки возбуждения которых соединены последовательно с первыми выводами включенных встречно-параллельно статического возбудителя и блока тиристора гашения поля, реактор с последовательно включенным токоограничивающим резистором, соединяющие общую точку обмоток возбуждения и якорей и вторые выводы статического возбудителя и блока тиристора гашения поля, причем токоограничивающий резистор шунтирован силовым нормально закрытым контактом быстродействующего выключателя, отличающийся тем, что в цепь силового тока относительно «земли» включен датчик тока, выход которого через дифференцирующее звено соединен с катушкой быстродействующего выключателя, цепь управляющего питания возбудителя включена через нормально закрытый блокировочный контакт быстродействующего выключателя, а цепь управления блоком тиристора гашения поля включена через нормально открытый блокировочный контакт быстродействующего выключателя.
РИСУНКИ
|
|