|
|
(21), (22) Заявка: 2007100481/11, 09.01.2007
(24) Дата начала отсчета срока действия патента:
09.01.2007
(46) Опубликовано: 20.09.2008
(56) Список документов, цитированных в отчете о поиске:
RU 2216457 С2, 20.11.2003. SU 1303455 A1, 15.04.1987. US 6157148 A, 05.12.2000. FR 2630274 A1, 20.10.1989.
Адрес для переписки:
190031, Санкт-Петербург, Московский пр-кт, 9, ПГУПС, патентный отдел
|
(72) Автор(ы):
Мазнев Александр Сергеевич (RU), Евстафьев Андрей Михайлович (RU), Шатнев Олег Игоревич (RU)
(73) Патентообладатель(и):
Государственное образовательное учреждение высшего профессионального образования “Петербургский государственный университет путей сообщения” (RU)
|
(54) МНОГОДВИГАТЕЛЬНЫЙ ЭЛЕКТРОПРИВОД
(57) Реферат:
Изобретение относится к области железнодорожного транспорта и может быть применено на транспортных средствах с тяговыми двигателями постоянного тока. Устройство содержит четыре тяговых двигателя постоянного тока, контакторы, источник питания, понижающий преобразователь, выполненный на биполярном транзисторе с изолированным затвором, дросселе, конденсаторном накопителе и диоде. Конденсаторный накопитель через повышающий преобразователь, выполненный на биполярном транзисторе с изолированным затвором, дросселе, и диоде отдает энергию тяговым двигателям. Технический результат заключается в повышении экономичности и надежности многодвигательного электропривода. 1 ил.
Изобретение относится к области железнодорожного транспорта и может быть применено на транспортных средствах с тяговыми двигателями постоянного тока.
Известен многодвигательный электропривод, который содержит источник питания, четыре тяговых двигателя постоянного тока, три тиристора, конденсаторные накопители энергии, зарядное устройство (RU №2238858, B60L 15/08, 2004).
Недостаток многодвигательного электропривода: неполное использование энергии конденсаторных накопителей и необходимость в дополнительном зарядном устройстве, большое количество контакторов для многоступенчатого пуска от конденсаторных накопителей ухудшают массогабаритные показатели и снижают надежность многодвигательного электропривода.
Известен многодвигательный электропривод, который содержит источник питания, индуктивно-емкостной фильтр, четыре тяговых двигателя постоянного тока, четыре тиристорных регулятора, десять тиристоров, восемь диодов, шесть контакторов, два накопителя энергии, два дросселя (RU №2216457, B60L 7/08, 2003 – прототип).
Недостаток многодвигательного электропривода: повышенный расход электроэнергии, так как конденсаторные накопители заряжаются при пуске, требуется большое количество контакторов для многоступенчатого заряда конденсаторных накопителей, что снижает надежность многодвигательного электропривода.
Задача изобретения – повысить экономичность и надежность многодвигательного электропривода за счет более полного использования емкости конденсаторного накопителя и уменьшения количества силовых ключевых элементов, выполняющих функции пусковых и зарядно-разрядных регуляторов токов.
Технический результат достигается тем, что в многодвигательном электроприводе, содержащем источник питания, последовательно соединенные первый контактор, якорные обмотки первого и второго тяговых двигателей постоянного тока, к общему выводу первого контактора и якорной обмотки первого тягового двигателя постоянного тока через второй контактор подключены последовательно соединенные обмотки возбуждения третьего и четвертого тяговых двигателей постоянного тока, к свободному выводу первого контактора через третий контактор подключен четвертый контактор, последовательно соединенные якорные обмотки третьего и четвертого тяговых двигателей постоянного тока, последовательно соединенные обмотки возбуждения первого и второго тяговых двигателей постоянного тока, анод первого диода соединен с катодом второго диода, анод которого объединен с минусовым выводом конденсаторного накопителя и подключен к земле, последовательно соединенные пятый контактор и анод третьего диода, шестой контактор, дроссель, первый и второй резисторы, в него дополнительно введены седьмой, восьмой, девятый, десятый, одиннадцатый, двенадцатый, тринадцатый, четырнадцатый и пятнадцатый контакторы, два биполярных транзистора с изолированными затворами, к общему выводу первого и третьего контакторов подключены шестой и седьмой контакторы, свободный вывод шестого контактора соединен с источником питания, свободный вывод седьмого контактора соединен с общим выводом катодов первого, третьего диодов и коллектора первого биполярного транзистора с изолированным затвором, эммитер которого соединен с общим выводом дросселя, анода первого диода, катода второго диода и коллектора второго биполярного транзистора с изолированным затвором, эммитер которого соединен с анодом второго диода, свободный вывод дросселя соединен с плюсовым выводом конденсаторного накопителя, к общему выводу третьего и четвертого контакторов подключены анод третьего диода и первый резистор, свободный вывод которого соединен с общим выводом восьмого и девятого контакторов, свободный вывод восьмого контактора соединен с общим выводом второго, четвертого контакторов и обмотки возбуждения третьего тягового двигателя постоянного тока, свободный вывод обмотки возбуждения четвертого тягового двигателя постоянного тока соединен с общим выводом пятого контактора и якорной обмотки третьего тягового двигателя постоянного тока, свободный вывод девятого контактора соединен с общим выводом десятого контактора и второго резистора, свободный вывод которого подключен к общему выводу одиннадцатого, двенадцатого и тринадцатого контакторов, свободный вывод одиннадцатого контактора соединен с общим выводом якорной обмотки второго тягового двигателя постоянного тока и обмотки возбуждения первого тягового двигателя постоянного тока, свободные выводы обмотки возбуждения второго тягового двигателя постоянного тока, десятого и двенадцатого контакторов объединены и через четырнадцатый контактор подключены к общему выводу якорной обмотки четвертого тягового двигателя постоянного тока и пятнадцатого контактора, свободные выводы тринадцатого и пятнадцатого контакторов подключены к земле.
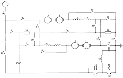
На чертеже изображена принципиальная электрическая схема предлагаемого устройства.
В соответствии с чертежом многодвигательный электропривод, содержащий источник питания 1, последовательно соединенные первый контактор 2, якорные обмотки первого 3 и второго 4 тяговых двигателей постоянного тока, к общему выводу первого контактора 2 и якорной обмотки 3 первого тягового двигателя постоянного тока через второй контактор 5 подключены последовательно соединенные обмотки возбуждения третьего 6 и четвертого 7 тяговых двигателей постоянного тока, к свободному выводу первого контактора 2 через третий контактор 8 подключен четвертый контактор 9, последовательно соединенные якорные обмотки третьего 10 и четвертого 11 тяговых двигателей постоянного тока, последовательно соединенные обмотки возбуждения первого 12 и второго 13 тяговых двигателей постоянного тока, анод первого диода 14 соединен с катодом второго диода 15, анод которого объединен с минусовым выводом конденсаторного накопителя 16 (например, конденсатор большой емкости – ионистор) и подключен к земле, последовательно соединенные пятый контактор 17 и анод третьего диода 18, к общему выводу первого 2 и третьего 8 контакторов подключены шестой 19 и седьмой 20 контакторы, свободный вывод шестого контактора 19 соединен с источником питания 1, свободный вывод седьмого контактора 20 соединен с общим выводом катодов первого 14, третьего 18 диодов и коллектора первого биполярного транзистора с изолированным затвором 21, эммитер которого соединен с общим выводом дросселя 22, анода первого диода 14, катода второго диода 15 и коллектора второго биполярного транзистора с изолированным затвором 23, эммитер которого соединен с анодом второго диода 15, свободный вывод дросселя 22 соединен с плюсовым выводом конденсаторного накопителя 16, к общему выводу третьего 8 и четвертого 9 контакторов подключены анод третьего диода 18 и первый резистор 24, свободный вывод которого соединен с общим выводом восьмого 25 и девятого 26 контакторов, свободный вывод восьмого контактора 25 соединен с общим выводом второго 5, четвертого 9 контакторов и обмотки возбуждения 6 третьего тягового двигателя постоянного тока, свободный вывод обмотки возбуждения 7 четвертого тягового двигателя постоянного тока соединен с общим выводом пятого контактора 17 и якорной обмотки 10 третьего тягового двигателя постоянного тока, свободный вывод девятого контактора 26 соединен с общим выводом десятого контактора 27 и второго резистора 28, свободный вывод которого подключен к общему выводу одиннадцатого 29, двенадцатого 30 и тринадцатого 31 контакторов, свободный вывод одиннадцатого контактора 29 соединен с общим выводом якорной обмотки 4 второго тягового двигателя постоянного тока и обмотки возбуждения 12 первого тягового двигателя постоянного тока, свободные выводы обмотки возбуждения 13 второго тягового двигателя постоянного тока, десятого 27 и двенадцатого 30 контакторов объединены и через четырнадцатый контактор 32 подключены к общему выводу якорной обмотки 11 четвертого тягового двигателя постоянного тока и пятнадцатого контактора 33, свободные выводы тринадцатого 31 и пятнадцатого 33 контакторов подключены к земле.
Многодвигательный электропривод работает следующим образом. В моторном режиме при замкнутых контакторах 2, 9, 19, 26, 30, 33 все четыре тяговых двигателя 3, 4, 10, 11 соединены последовательно, ток от источника питания 1 протекает по цепи: контакторы 19, 2, якорные обмотки 3, 4, обмотки возбуждения 12, 13, контактор 30, резистор 28, контактор 26, резистор 24, контактор 9, обмотки возбуждения 6, 7, якорные обмотки 10, 11, контактор 33, земля. Включением контакторов 25 и 27 и выключением контакторов 9 и 30 тяговые двигатели 3, 4, 10, 11 выводятся на автоматическую характеристику. Для переключения тяговых двигателей с последовательного на последовательно-параллельное соединение замыкаются контакторы 8 и 31 и размыкается контактор 26. Включением контакторов 9 и 30 и выключением контакторов 25 и 27 тяговые двигатели выводятся на автоматическую характеристику. Режим торможения. При замыкании контакторов 5, 17, 26, 29, 31, 32 ток якорных обмоток 3, 4 проходит по цепи: контактор 5, обмотки возбуждения 6, 7, контактор 17, резистор 24, контактор 26, резистор 28, контактор 29, якорные обмотки 4, 3; а ток якорных обмоток 10, 11 по цепи: якорные обмотки 10, 11, контактор 17, резистор 24, контактор 26, резистор 28, контактор 30, обмотки возбуждения 12, 13, контактор 32. При достижении тока уставки в якорных обмотках 3, 4 и 10, 11 параллельно резисторам 24, 28 через диод 18 включается конденсаторный накопитель 16, ток заряда которого регулируется понижающим преобразователем, выполненным на биполярном транзисторе с изолированным затвором 21, дросселе 22 и диоде 15. Ток заряда конденсаторного накопителя 16 и соответственно ток торможения регулируется скважностью импульсов управления на затворе биполярного транзистора с изолированным затвором 21. Последующий пуск осуществляется с использованием энергии, запасенной в конденсаторном накопителе 16, при этом повышающий преобразователь, выполненный на биполярном транзисторе с изолированным затвором 23, дросселе 22 и диоде 14, подключается к схеме пуска через контактор 20 (контактор 19 выключен, а контакторы 25, 27 включены и шунтируют резисторы 24 и 28 соответственно). Напряжение на тяговых двигателях при разгоне регулируется скважностью импульсов управления на затворе биполярного транзистора с изолированным затвором 23. По мере разгона накопительный конденсатор 16 разряжается, и схема пуска переключается на питание от контактной сети, при этом контактор 20 выключается, а контактор 19 включается.
Предлагаемое схемное решение реализует поставленную задачу – повысить экономичность и надежность многодвигательного электропривода за счет более полного использования емкости конденсаторного накопителя и уменьшения количества силовых ключевых элементов, выполняющих функции пусковых и зарядно-разрядных регуляторов токов.
Формула изобретения
Многодвигательный электропривод, содержащий источник питания, последовательно соединенные первый контактор, якорные обмотки первого и второго тяговых двигателей постоянного тока, к общему выводу первого контактора и якорной обмотке первого тягового двигателя постоянного тока через второй контактор подключены последовательно соединенные обмотки возбуждения третьего и четвертого тяговых двигателей постоянного тока, к свободному выводу первого контактора через третий контактор подключен четвертый контактор, последовательно соединенные якорные обмотки третьего и четвертого тяговых двигателей постоянного тока, последовательно соединенные обмотки возбуждения первого и второго тяговых двигателей постоянного тока, анод первого диода соединен с катодом второго диода, анод которого объединен с минусовым выводом конденсаторного накопителя и подключен к земле, последовательно соединенные пятый контактор и анод третьего диода, шестой контактор, дроссель, первый и второй резисторы, отличающийся тем, что в него дополнительно введены седьмой, восьмой, девятый, десятый, одиннадцатый, двенадцатый, тринадцатый, четырнадцатый и пятнадцатый контакторы, два биполярных транзистора с изолированными затворами, к общему выводу первого и третьего контакторов подключены шестой и седьмой контакторы, свободный вывод шестого контактора соединен с источником питания, свободный вывод седьмого контактора соединен с общим выводом катодов первого, третьего диодов и коллектора первого биполярного транзистора с изолированным затвором, эмиттер которого соединен с общим выводом дросселя, анода первого диода, катода второго диода и коллектора второго биполярного транзистора с изолированным затвором, эмиттер которого соединен с анодом второго диода, свободный вывод дросселя соединен с плюсовым выводом конденсаторного накопителя, к общему выводу третьего и четвертого контакторов подключены анод третьего диода и первый резистор, свободный вывод которого соединен с общим выводом восьмого и девятого контакторов, свободный вывод восьмого контактора соединен с общим выводом второго, четвертого контакторов и обмотки возбуждения третьего тягового двигателя постоянного тока, свободный вывод обмотки возбуждения четвертого тягового двигателя постоянного тока соединен с общим выводом пятого контактора и якорной обмотки третьего тягового двигателя постоянного тока, свободный вывод девятого контактора соединен с общим выводом десятого контактора и второго резистора, свободный вывод которого подключен к общему выводу одиннадцатого, двенадцатого и тринадцатого контакторов, свободный вывод одиннадцатого контактора соединен с общим выводом якорной обмотки второго тягового двигателя постоянного тока и обмотки возбуждения первого тягового двигателя постоянного тока, свободные выводы обмотки возбуждения второго тягового двигателя постоянного тока, десятого и двенадцатого контакторов объединены и через четырнадцатый контактор подключены к общему выводу якорной обмотки четвертого тягового двигателя постоянного тока и пятнадцатого контактора, свободные выводы тринадцатого и пятнадцатого контакторов подключены к земле.
РИСУНКИ
|
|