|
|
(21), (22) Заявка: 2007110260/11, 20.03.2007
(24) Дата начала отсчета срока действия патента:
20.03.2007
(46) Опубликовано: 20.09.2008
(56) Список документов, цитированных в отчете о поиске:
SU 1658280 A1, 23.06.1991. RU 2254659 C1, 20.06.2005. RU 2314939 C2, 20.11.2006. RO 120765 B1, 28.07.2006. DE 2357504, 28.05.1975.
Адрес для переписки:
346413, Ростовская обл., г. Новочеркасск, ул. Машиностроителей, 3, ОАО “ВЭлНИИ”
|
(72) Автор(ы):
Посохов Евгений Олегович (RU), Рутштейн Арнольд Максович (RU)
(73) Патентообладатель(и):
Открытое акционерное общество “Всероссийский научно-исследовательский и проектно-конструкторский институт электровозостроения” (ОАО “ВЭлНИИ”) (RU)
|
(54) УСТРОЙСТВО ПИТАНИЯ НИЗКОВОЛЬТНЫХ ЦЕПЕЙ ЭЛЕКТРОВОЗА (ВАРИАНТЫ)
(57) Реферат:
Изобретения относятся к области транспорта и направлены на усовершенствование используемых на электроподвижном составе в качестве источника питания низковольтных цепей. Устройство питания низковольтных цепей электровоза содержит основной силовой преобразователь и зарядный модуль, подключенные входами к питающей сети постоянного тока. Выход основного силового преобразователя подключен к нагрузке, а выход зарядного модуля – к аккумуляторной батарее. В низковольтных цепях электровоза применен диод, анод которого подключен к аккумуляторной батарее, а его катод – к точке соединений входов основного силового преобразователя и зарядного модуля. В устройство дополнительно введен контактор, нормально закрытые контакты которого соединяют аккумуляторную батарею с нагрузкой. При питании от сети переменного тока устройство дополнительно снабжено силовым выпрямителем. Технический результат заключается в улучшении качества переходных процессов в низковольтных цепях и повышении надежности их работы. 2 н. и 3 з.п. ф-лы, 3 ил.
Изобретение относится к электроподвижному составу, а именно к устройствам питания низковольтных цепей электровозов с резервированием основного источника питания аккумуляторной батареей, которая работает в режиме заряд-разряд.
Наиболее близким к предлагаемому техническому решению является источник бесперебойного питания, содержащий основной силовой преобразователь, подключенный входом к питающей сети переменного или постоянного тока, а выходом к нагрузке посредством тиристора с узлом запуска, измерительный компаратор, подключенный по выходу к блоку управления контактором, датчик наличия напряжения питающей сети, выход которого подключен к блоку управления, один выход которого соединен с узлом запуска тиристора, второй – с контактором, нормально разомкнутые контакты, которого включаются параллельно тиристору, при этом вход измерительного компаратора подключен к аккумуляторной батарее [патент РФ №2254659, МПК 7 Н02J 9/06].
Недостатком является то, что данный источник бесперебойного питания требует усложнения схемы за счет тиристора с узлом запуска и схемы управления контактором, что снижает надежность источника бесперебойного питания в целом. Другой недостаток источника – это провалы напряжения, обусловленные ограниченной скоростью включения контактора, при переходе нагрузки с аккумуляторной батареи на основной силовой преобразователь.
Задачей изобретения является повышение надежности и качества электропитания низковольтных цепей электровоза.
Поставленная задача решена пятью вариантами устройства питания низковольтных цепей электровоза.
Поставленная задача решается тем, что исходя из первого варианта, известное устройство питания низковольтных цепей электровоза, содержащее основной силовой преобразователь, подключенный входом к питающей сети постоянного тока, а выходом – к нагрузке, зарядный модуль, соединенный последовательно с аккумуляторной батареей, дополнительно снабжено диодом, анод которого подключен к аккумуляторной батарее, а его катод – к точке соединений входов основного силового преобразователя и зарядного модуля.
По второму варианту известное устройство питания низковольтных цепей электровоза по первому варианту, кроме того, снабжено контактором, катушка которого подключена к питающей сети постоянного тока, а нормально закрытый контакт контактора присоединен к аккумуляторной батарее и нагрузке, и диодом, включенным между питающей сетью постоянного тока с катушкой контактора и точкой соединения входов основного силового преобразователя и зарядного модуля.
По третьему варианту известное устройство питания низковольтных цепей электровоза, содержащее основной силовой преобразователь, подключенный выходом к нагрузке, зарядный модуль, соединенный последовательно с аккумуляторной батареей, дополнительно снабжено силовым выпрямителем, подключенным к сети переменного тока, а выходом – к точке соединений входов основного силового преобразователя и зарядного модуля, диодом, анод которого подключен к аккумуляторной батарее, а его катод к точке соединений входов основного силового преобразователя и зарядного модуля, диодом, анод которого подключен к аккумуляторной батарее, а его катод к точке соединения выхода силового выпрямителя с входами основного силового преобразователя и зарядного модуля.
По четвертому варианту известное устройство питания низковольтных цепей электровоза по третьему варианту, кроме того, снабжено контактором, катушка которого подключена к выходу силового выпрямителя, а нормально закрытый контакт присоединен к аккумуляторной батарее и нагрузке, и диодом, включенным между выходом силового выпрямителя с катушкой контактора и точкой соединения входов основного силового преобразователя и зарядного модуля.
По пятому варианту известное устройство питания низковольтных цепей электровоза по четвертому варианту, кроме того, снабжено дополнительным маломощным выпрямителем, подключенным к сети переменного тока, а выходом – к катушке контактора, выход силового выпрямителя подключен к точке соединения входов основного силового преобразователя и зарядного модуля.
Положительный эффект предлагаемых изобретений состоит в следующем. При использовании в устройстве питания низковольтных цепей электровоза диода, включенного между аккумуляторной батареей и точкой соединения входов основного силового преобразователя и зарядного модуля, позволит исключить провалы напряжения при переходе нагрузки с аккумуляторной батареи на основной силовой преобразователь и обратно.
Дополнительно, при реализации устройства питания низковольтных цепей электровоза по второму, четвертому и пятому вариантам введение нормально закрытых контактов контактора, присоединенных к аккумуляторной батарее и нагрузке, позволит повысить надежность и уменьшить падение напряжения на основном силовом преобразователе при питании нагрузки от аккумуляторной батареи.
При реализации устройства питания низковольтных цепей электровоза с третьего по пятый варианты введение силового выпрямителя позволит подключить данное устройство к сети переменного тока.
Дополнительно, при реализации устройства питания низковольтных цепей электровоза по пятому варианту введение маломощного выпрямителя для питания катушки контактора позволит снизить стоимость данного устройства за счет исключения силового диода, включенного между выходом выпрямителя и точкой соединения входов основного силового преобразователя и зарядного модуля из устройства по четвертому варианту.
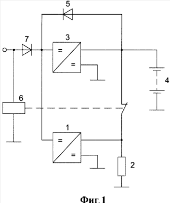
На фиг.1 представлена структурная схема устройства питания низковольтных цепей электровоза при питании от сети постоянного тока.
На фиг.2 представлена структурная схема устройства питания низковольтных цепей электровоза при питании от сети переменного тока.
На фиг.3 представлена структурная схема устройства питания низковольтных цепей электровоза с маломощным выпрямителем при питании от сети переменного тока.
Устройство питания низковольтных цепей электровоза по первому варианту содержит основной силовой преобразователь 1, подключенный входом к питающей сети постоянного тока, а выходом к нагрузке 2, зарядный модуль 3, соединенный последовательно с аккумуляторной батареей 4, диодом 5, анод которого подключен к аккумуляторной батарее 4, а его катод к точке соединений входов основного силового преобразователя 1 и зарядного модуля 3.
Устройство питания низковольтных цепей электровоза по второму варианту, кроме того, содержит контактор 6, катушка которого подключена к питающей сети постоянного тока, а нормально закрытый контакт присоединен к аккумуляторной батарее 4 и нагрузке 2, и диод 7, включенный между питающей сетью постоянного тока с катушкой контактора 6 и точкой соединения входов основного силового преобразователя 1 и зарядного модуля 3.
Устройство питания низковольтных цепей электровоза по третьему варианту содержит основной силовой преобразователь 1, подключенный выходом к нагрузке 2, зарядный модуль 3, соединенный последовательно с аккумуляторной батарее 4, силовой выпрямитель 8, подключенный к сети переменного тока, а выходом – к точке соединений входов основного силового преобразователя 1 и зарядного модуля 3, диод 5, анод которого подключен к аккумуляторной батарее, а его катод – к точке соединения выхода силового выпрямителя 8 с точкой соединения входов основного силового преобразователя 1 и зарядного модуля 3.
В устройстве питания низковольтных цепей электровоза по четвертому варианту, к третьему варианту, кроме того, добавлен контактор 6, катушка которого подключена к выходу силового выпрямителя 8, а нормально закрытый контакт присоединен к аккумуляторной батарее 4 и нагрузке 2, и диод 7, включенный между точкой соединения силового выпрямителя 8 с катушкой контактора 6.
В устройстве питания низковольтных цепей электровоза по пятому варианту в отличие от четвертого к третьему варианту добавлен маломощный выпрямитель 9, подключенный входом к сети переменного тока, а выход силового выпрямителя 8 подключен к точке соединений входов основного силового преобразователя 1 и зарядного модуля 3.
В качестве основного преобразователя 1 и зарядного модуля 3 по каждому из вариантов устройств питания низковольтных цепей электровоза могут быть использованы понижающие преобразователи напряжения постоянного тока.
Устройство питания низковольтных цепей электровоза по первому варианту работает следующим образом. В основном режиме работы устройства при наличии напряжения питающей сети постоянного тока нагрузка 2 получает питание от основного силового преобразователя 1. Зарядный модуль 3 заряжает аккумуляторную батарею 4. Диод 5 закрыт напряжением питающей сети постоянного тока. При пропадании напряжения питающей сети постоянного тока зарядный модуль 3 перестает заряжать аккумуляторную батарею 4. Диод 5 открывается и нагрузка 2 получает питание через основной силовой преобразователь 1 от аккумуляторной батареи 4. При восстановлении напряжения питающей сети постоянного тока диод 5 закрывается напряжением питающей сети, и нагрузка 2 получает питание через основной силовой преобразователь 1 от питающей сети. Зарядный модуль 3 подзаряжает аккумуляторную батарею 4.
Устройство питания низковольтных цепей электровоза по второму варианту работает следующим образом. При наличии напряжения питающей сети постоянною тока нагрузка 2 получает питание от силового преобразователя 1 через диод 7. Диод 5 закрыт входным напряжением питающей сети постоянного тока. Аккумуляторная батарея 4 отключена от нагрузки 2 разомкнутыми контактами контактора 6. Зарядный модуль 3 заряжает аккумуляторную батарею 4. При пропадании напряжения питающей сети постоянного тока зарядный модуль 3 перестает заряжать аккумуляторную батарею 4. Диод 5 открывается и нагрузка 2 получает питание через основной силовой преобразователь 1 от аккумуляторной батареи 4 до момента замыкания контактов контактора 6. Диод 7 закрывается напряжением аккумуляторной батареи 4. Контактор 6 выключается. После замыкания контактов контактора 6 нагрузка 2 запитана от аккумуляторной батареи 4. При восстановлении напряжения питающей сети диод 5 закрывается и нагрузка 2 до момента размыкания контакта контактора 6 запитана или от аккумуляторной батареи 4, или от питающей сети постоянного тока через основной силовой преобразователь 1 в зависимости от соотношения напряжений на выходе основного силового преобразователя 1 и аккумуляторной батареи 4. При размыкании контактов контактора 6 нагрузка 2 получает питание через основной силовой преобразователь 1 от питающей сети. Зарядный модуль 3 начинает подзаряжать аккумуляторную батарею 4.
Устройство питания низковольтных цепей электровоза по третьему варианту работает следующим образом. В основном режиме работы устройства при наличии напряжения питающей сети переменного тока нагрузка 2 получает питание от основного силового преобразователя 1 от питающей сети переменного тока через силовой выпрямитель 8. Аккумуляторная батарея 4 подзаряжается зарядным модулем 3. Диод 5 закрыт выходным напряжением силового выпрямителя 8. При пропадании напряжения питающей сети переменного тока напряжение на выходе силового выпрямителя 8 исчезает. Зарядный модуль 3 перестает заряжать аккумуляторную батарею 4. Диод 5 открывается и нагрузка 2 получает питание от основного силового преобразователя 1 через диод 5 от аккумуляторной батареи 4. При восстановлении напряжения питающей сети переменного тока появляется напряжение на выходе силового выпрямителя 8 и закрывает диод 5. Нагрузка 2 получает питание от основного силового преобразователя 1 от питающей сети. Зарядный модуль 3 подзаряжает аккумуляторную батарею.
Устройство питания низковольтных цепей электровоза по четвертому варианту работает следующим образом. При наличии напряжения питающей сети переменного тока нагрузка 2 получает питание от основного силового преобразователя 1 через силовой выпрямитель 8 и силовой диод 7. Нагрузка 2 отключена от аккумуляторной батареи 4 разомкнутыми контактами контактора 6. Аккумуляторная батарея 4 заряжается зарядным модулем 3. Диод 5 закрыт выходным напряжением силового выпрямителя 8. При пропадании напряжения питающей сети переменного тока напряжение на выходе силового выпрямителя 8 исчезает. Зарядный модуль 3 перестает заряжать аккумуляторную батарею 4. Диод 5 открывается и нагрузка 2 получает питание через основной силовой преобразователь 1 от аккумуляторной батареи 4 до момента замыкания контактов контактора 6. Диод 7 закрывается напряжением аккумуляторной батареи 4. Контактор 6 выключается. После замыкания контактов контактора 6 нагрузка 2 запитана от аккумуляторной батареи 4. При восстановлении напряжения питающей сети переменного тока диод 5 закрывается и нагрузка 2 до момента размыкания контакта контактора 6 запитана или от аккумуляторной батареи 4, или от питающей сети переменного тока через силовой выпрямитель 8 и силовой диод 7, в зависимости от соотношения напряжений на выходе основного силового преобразователя 1 и аккумуляторной батареи 4. При размыкании контакта контактора 6 нагрузка 2 получает питание от основного силового преобразователя 1, подключенного к питающей сети переменного тока через силовой выпрямитель 8 и силовой диод 7. Зарядный модуль 3 подзаряжает аккумуляторную батарею.
Устройство питания низковольтных цепей электровоза по пятому варианту работает следующим образом. При наличии напряжения питающей сети переменного тока нагрузка 2 получает питание от основного силового преобразователя через силовой выпрямитель 8. Аккумуляторная батарея 4 заряжается зарядным модулем 3. Контактор 6 находится во включенном состоянии от маломощного выпрямителя 9, и его контакты отключают нагрузку 2 от аккумуляторной батареи 4. Диод 5 закрыт выходным напряжением силового выпрямителя 8. При пропадании напряжения питающей сети переменного тока напряжение на выходах силового 8 и маломощного 9 выпрямителей исчезает. Диод 5 открывается и нагрузка 2 получает питание через основной силовой преобразователь 1 от аккумуляторной батареи 4 до момента замыкания контакта контактора 6. После включения контактора 6 нагрузка 2 подключена его контактом непосредственно к аккумуляторной батареи 4. При восстановлении напряжения питающей сети диод 5 закрывается, и нагрузка 2 до момента размыкания контакта контактора 6 получает питание или от основного силового преобразователя 1, подключенного к питающей сети переменного тока через силовой выпрямитель 8, или непосредственно от аккумуляторной батареи 4 в зависимости от соотношений напряжения аккумуляторной батареи 4 и напряжения на выходе основного силового преобразователя 1. При включении контактора 6 нагрузка 2 получает питание от основного силового преобразователя 1, подключенного к питающей сети с помощью силового выпрямителя 8. Аккумуляторная батарея 4 подзаряжается зарядным модулем 3.
Таким образом, устройство питания низковольтных цепей электровоза улучшает качество переходных процессов в низковольтных цепях электровоза при пропадании и восстановлении напряжения питающей сети и повышает надежность в обеспечении питанием низковольтных цепей электровоза.
Формула изобретения
1. Устройство питания низковольтных цепей электровоза, содержащее основной силовой преобразователь, подключенный входом к питающей сети постоянного тока, а выходом к нагрузке, зарядный модуль, соединенный последовательно с аккумуляторной батареей, отличающееся тем, что оно снабжено диодом, анод которого подключен к аккумуляторной батарее, а его катод – к точке соединений входов основного силового преобразователя и зарядного модуля.
2. Устройство питания низковольтных цепей электровоза по п.1, отличающееся тем, что оно, кроме того, снабжено контактором, катушка которого подключена к питающей сети постоянного тока, а нормально закрытый его контакт присоединен между аккумуляторной батареей и нагрузкой, и диодом, включенным между точкой соединения питающей сети постоянного тока с катушкой контактора и точкой соединения входов основного силового преобразователя и зарядного модуля.
3. Устройство питания низковольтных цепей электровоза, содержащее основной силовой преобразователь, подключенный выходом к нагрузке, зарядный модуль, соединенный последовательно с аккумуляторной батареей, отличающееся тем, что оно снабжено силовым выпрямителем, подключенным к сети переменного тока, а выходом – к точке соединений входов основного силового преобразователя и зарядного модуля диодом, анод которого подключен к аккумуляторной батарее, а его катод – к точке соединения выхода силового выпрямителя с входами основного силового преобразователя и зарядного модуля.
4. Устройство питания низковольтных цепей электровоза по п.3, отличающееся тем, что оно, кроме того, снабжено контактором, катушка которого подключена к выходу силового выпрямителя, а нормально закрытый его контакт присоединен между аккумуляторной батареей и нагрузкой, диодом, включенным между точкой соединения выхода силового выпрямителя с катушкой контактора и точкой соединения входов основного силового преобразователя и зарядного модуля.
5. Устройство питания низковольтных цепей электровоза по п.4, отличающееся тем, что оно, кроме того, снабжено дополнительным маломощным выпрямителем, подключенным к сети переменного тока, а выходом к катушке контактора, выход силового выпрямителя подключен к точке соединения входов основного силового преобразователя и зарядного модуля.
РИСУНКИ
|
|