|
| На основании пункта 1 статьи 1366 части четвертой Гражданского кодекса Российской Федерации патентообладатель обязуется заключить договор об отчуждении патента на условиях, соответствующих установившейся практике, с любым гражданином Российской Федерации или российским юридическим лицом, кто первым изъявил такое желание и уведомил об этом патентообладателя и федеральный орган исполнительной власти по интеллектуальной собственности. |
|
(21), (22) Заявка: 2007124785/15, 03.07.2007
(24) Дата начала отсчета срока действия патента:
03.07.2007
(46) Опубликовано: 20.09.2008
(56) Список документов, цитированных в отчете о поиске:
Справочник по пыле- и золоулавливанию /Под ред. А.А.Русанова. – М.: Энергоатомиздат, 1983, с.185. SU 1755886 A1, 23.08.1992. SU 1755890 A1, 23.08.1992. WO 95/27431 A1, 19.10.1995. JP 10122548 A, 15.05.1998.
Адрес для переписки:
123458, Москва, ул. Твардовского, 11, кв.92, О.С. Кочетову
|
(72) Автор(ы):
Кочетов Олег Савельевич (RU), Голубева Мария Владимировна (RU), Колаева Лидия Владимировна (RU), Боброва Екатерина Олеговна (RU), Духанина Елена Владимировна (RU), Горнушкина Надежда Игоревна (RU), Павлова Дарья Олеговна (RU)
(73) Патентообладатель(и):
Кочетов Олег Савельевич (RU), Голубева Мария Владимировна (RU)
|
(54) ДВУХСТУПЕНЧАТЫЙ ФИЛЬТР
(57) Реферат:
Изобретение относится к технике пылеулавливания и может применяться в химической, текстильной, пищевой, легкой и других отраслях промышленности для очистки запыленных газов. Двухступенчатый фильтр содержит сетчатый барабанный фильтр и тканевый фильтр с механизмом для встряхивания рукавов, корпусом фильтровальной секции и коробами для входа запыленного и выхода очищенного воздуха. В корпусе установлен датчик температуры, в бункере для сбора пыли установлен аварийный датчик уровня пыли, в выходном коробе фильтровальной секции установлен тепловой автоматический датчик-извещатель, выходы с которых соединены с общим микропроцессором, а в выходном коробе фильтровальной секции пылеуловителя установлен коллектор с форсунками для подключения к системе пожаротушения, блок управления которым соединен с общим микропроцессором. Технический результат: повышение эффективности и надежности процесса пылеулавливания. 2 з.п. ф-лы, 2 ил.
Изобретение относится к технике пылеулавливания и может применяться в химической, текстильной, пищевой, легкой и других отраслях промышленности для очистки запыленных газов и предназначено для центральных систем аспирации.
Наиболее близким техническим решением к заявляемому объекту является способ пылеулавливания и аппарат по патенту РФ №2256510, кл. В04С 9/00 от 15.06.2004 г., заключающийся в том, что очистку запыленного газового потока осуществляют посредством его подачи во входной короб фильтровальной секции пылеуловителя, содержащего корпус, опорную часть с бункером для сбора пыли, а вывод очищенного газа осуществляют через выходной короб фильтровальной секции, а пылеуловитель содержит корпус, периферийный ввод газового потока, фильтрующий элемент и бункер для сбора пыли (прототип).
Недостатком прототипа является сравнительно невысокая эффективность процесса пылеулавливания за счет малой площади фильтрующего элемента.
Технический результат – повышение эффективности и надежности процесса пылеулавливания, а также снижение металлоемкости и виброакустической активности аппарата в целом.
Это достигается тем, что в двухступенчатом фильтре, содержащем сетчатый барабанный фильтр и тканевый фильтр с механизмом для встряхивания рукавов, тканевый фильтр дополнительно снабжен корпусом фильтровальной секции с коробами для входа запыленного и выхода очищенного воздуха, где установлен датчик температуры, а в бункере для сбора пыли установлен аварийный датчик уровня пыли, в выходном коробе фильтровальной секции установлен тепловой автоматический датчик-извещатель, выходы с которых соединены с общим микропроцессором, а в выходном коробе фильтровальной секции пылеуловителя установлен коллектор с форсунками для подключения к системе пожаротушения, блок управления которым соединен с общим микропроцессором.
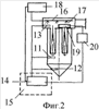
На фиг.1 изображен общий вид двухступенчатого фильтра, на фиг.2 – функциональная схема обеспечения пожаровзрывобезопасности работы устройства.
Двухступенчатый фильтр содержит сетчатый барабанный фильтр 1 и тканевый фильтр 2 с механизмом 3 для встряхивания рукавов, работающим от электродвигателя 8. Встряхивание производится механизированным способом ударом деревянных планок по рукавам. Воздух в фильтр подается вентилятором 4, соединенным с электродвигателем 5. Угары от сетчатого барабана собираются в бункере 6, а от тканевого фильтра – в двух бункерах 7. Тканевый фильтр 2 дополнительно снабжен корпусом фильтровальной секции с коробами 9, 10 для входа запыленного и выхода очищенного воздуха.
В корпусе блока фильтров установлен датчик температуры 11, в бункере для сбора пыли – аварийный датчик 12 уровня пыли, в выходном коробе – тепловой автоматический датчик-извещатель 13, выходы которых соединены с общим микропроцессором 14, размещенным в шкафу управления 15, а в выходном коробе установлен коллектор 16 с форсунками 17 для подключения к системе пожаротушения, блок управления 18 которой соединен с общим микропроцессором 14, а система регенерации 19 рукавных фильтров содержит блок управления 20, который связан электронной связью с общим микропроцессором.
Гидравлическое сопротивление фильтровальной секции составляет 15…25% от гидравлического сопротивления всего устройства, материал фильтров рукавного типа обладает повышенными звукопоглощающими свойствами, а корпусные детали и ограждения устройства выполнены из конструкционных композиционных или полимерных материалов, например полиэтилена, капрона, полиуретана с помощью литья, штамповки, формования, причем на их поверхность нанесен слой мягкого вибродемпфирующего материала, например типа мастики «ВД-17». «Герлен-Д», причем соотношение между толщиной материала и вибродемпфирующего покрытия находится в оптимальном интервале величин: 1/(2,5…4), а поверх этого слоя закрепляется слой звукопоглощающего материала, например типа «винипор», «акмигран» с защитной акустически прозрачной пленкой типа «повиден». Бункер для сбора пыли выполнен конической или пирамидальной формы с углом наклона стенок, превышающим угол естественного откоса улавливаемой пыли. В фильтровальной секции пылеуловителя фильтрующие элементы рукавного типа располагаются прямыми рядами или в шахматном порядке, причем отношение длины рукава L к его диаметру D находится в оптимальном интервале величин: L/D=15…40, а в качестве материала фильтрующих рукавных элементов используются как тканые материалы со способами переплетения: полотняные, саржевые, сатиновые; с видами волокон в нити: штапельные, филаментные, текстурированные; с обработкой поверхности: гладкие и ворсованные, так и нетканые со способами закрепления волокон: иглопробивные, холстопрошивные и клееные, полученные вышеперечисленными способами из:
– естественных волокон животного и растительного происхождения (шерстяные, льняные, хлопчатобумажные, шелковые) со следующими диапазонами свойств: плотность =1320…1520 кг/м3; термостойкость =65…120°С; прочность разрыва =130…530 Па; разрывное удлинение =7…40%; влагоемкость w при температуре t=20°С и влажности =65% составляет w=7…15%; при влажности =90…95% составляет w=21,9…27%;
– искусственных органических волокон (лавсан, нитрон, капрон, хлорин, оксалон, полипропилен, поливинилхлорид. фторопласт, тефлон и др.) со следующими диапазонами свойств: плотность =920…2300 кг/м3; термостойкость =65…270°С; прочность разрыва =180…860 Па; разрывное удлинение =14…50%; влагоемкость w при температуре t=20°С и влажности =65% составляет w=0…4,5%; при влажности =90…95% составляет w=0…8,5%;
– искусственных неорганических волокон (например, стеклянное волокно) со следующими диапазонами свойств: плотность =2000…2540 кг/м3; термостойкость =240…315°С; прочность разрыва =1600…3000 Па; разрывное удлинение =3…4%; влагоемкость w при температуре t=20°С и влажности =65% составляет w=0…0,3%; при влажности =90…95% составляет w=0…0,5%.
Двухступенчатый фильтр работает следующим образом.
Запыленный газовый поток поступает предварительно в сетчатый барабанный фильтр 1, а затем в тканевый фильтр 2. где с помощью рукавных фильтров освобождается от частиц пыли и попадает в цех. В аппарате происходит снижение виброакустической энергии, так как фильтрующие элементы одновременно являются аэродинамическим глушителем шума активного (сорбционного) типа. Запыленность воздуха после сетчатого барабана достигает 13 мг/м3. Остаточная запыленность воздуха после двухступенчатой очистки небольшая и составляет в среднем около 0,5…1,0 мг/м3, поэтому воздух после очистки в таких фильтрах можно использовать для рециркуляции, т.е. для возврата в цехи.
Для оптимизации процесса пылеулавливания и для его безопасной работы в корпусе блока фильтров установлен датчик температуры 11, в бункере для сбора пыли – аварийный датчик 12 уровня пыли, в выходном коробе – тепловой автоматический датчик-извещатель 13, выходы которых соединены с общим микропроцессором 14, размещенным в шкафу управления 15, а в выходном коробе установлен коллектор 16 с форсунками 17 для подключения к системе пожаротушения, блок управления 18 которой соединен с общим микропроцессором 14, а система регенерации 19 рукавных фильтров содержит блок управления 20, который связан электронной связью с общим микропроцессором.
Тепловой датчик-извещатель 13 и коллектор 16 с форсунками 17 системы пожаротушения установлены в выходном коробе 10 фильтровальной секции, потому что она является выходным звеном в предлагаемом устройстве и чтобы предотвратить распространение пламени в случае возгорания дальше по вентиляционным каналам, эти системы устанавливают именно здесь, что повысит надежность и безопасность всего устройства.
Работа коллектора 16 с форсунками 17 осуществляется по принципу открытия аварийного электромагнитного клапана подачи воды, при подаче на клапан управляющего сигнала от общего микропроцессора 14, обрабатывающего сигнал с теплового датчика-извещателя 13, который в свою очередь реагирует на увеличение температуры в выходном коробе 10, вплоть до самовоспламенения пылевых аэрозолей и фильтрующих материалов блока фильтров.
Работа системы порошкового пожаротушения (на чертеже не показано) происходит в дублирующем варианте, в случае, если на первой ступени выйдет из строя, например, электромагнитный клапан подачи воды или будет отключена система водоснабжения, тогда сработает система порошкового пожаротушения, причем управление работой этих систем осуществляется от микропроцессора 14, который может быть размещен стационарно (например, в шкафу 15 управления) или может быть встроенным в выносной пульт (на чертеже не показано), чтобы можно было в случае аварии управлять процессом пожаротушения, останавливая при этом распространение огня, что в целом повысит безопасность всей системы очистки воздуха от пыли.
Формула изобретения
1. Двухступенчатый фильтр, содержащий сетчатый барабанный фильтр и тканевый фильтр с фильтрующими элементами рукавного типа, бункером для сбора пыли и с механизмом для встряхивания рукавов, отличающийся тем, что тканевый фильтр дополнительно снабжен корпусом с коробами для входа запыленного и выхода очищенного воздуха, при этом в корпусе установлен датчик температуры, в бункере для сбора пыли установлен аварийный датчик уровня пыли, в выходном коробе установлен тепловой автоматический датчик-извещатель, выходы с которых соединены с общим микропроцессором, причем в выходном коробе установлен коллектор с форсунками для подключения к системе пожаротушения, блок управления которым соединен с общим микропроцессором, гидравлическое сопротивление фильтровальной секции тканевого фильтра составляет 15÷25% от гидравлического сопротивления всего устройства, а материал фильтрующих элементов рукавного типа обладает повышенными звукопоглощающими свойствами.
2. Двухступенчатый фильтр п.1, отличающийся тем, что бункер для сбора пыли выполнен конической или пирамидальной формы с углом наклона стенок, превышающим угол естественного откоса улавливаемой пыли.
3. Двухступенчатый фильтр п.1, отличающийся тем, что в фильтровальной секции фильтрующие элементы рукавного типа располагаются прямыми рядами или в шахматном порядке, причем отношение длины рукава L к его диаметру D находится в оптимальном интервале величин: L/D=15÷40, а в качестве материала фильтрующих рукавных элементов используются как тканые материалы со способами переплетения: полотняные, саржевые, сатиновые; с видами волокон в нити: штапельные, филаментные, текстурированные; с обработкой поверхности: гладкие и ворсованные, так и нетканые со способами закрепления волокон: иглопробивные, холстопрошивные и клееные, полученные вышеперечисленными способами из естественных волокон животного и растительного происхождения: шерстяные, льняные, хлопчатобумажные, шелковые, искусственных органических волокон: лавсан, нитрон, капрон, хлорин, оксалон, полипропилен, поливинилхлорид, фторопласт, тефлон, искусственных неорганических волокон, например стеклянное волокно.
РИСУНКИ
|
|