|
|
(21), (22) Заявка: 2005138106/09, 17.04.2004
(24) Дата начала отсчета срока действия патента:
17.04.2004
(30) Конвенционный приоритет:
08.05.2003 DE 10320425.3
(43) Дата публикации заявки: 10.05.2006
(46) Опубликовано: 10.09.2008
(56) Список документов, цитированных в отчете о поиске:
SU 1812612 A1, 30.04.1993. SU 1748231 A1, 15.07.1992. SU 991583, 23.01.1983. SU 999142, 23.02.983. SU 813725, 15.03.1981. SU 1003310, 07.03.1983. GB 1228313, 15.04.1971. US 4375594 A, 01.03.1983.
(85) Дата перевода заявки PCT на национальную фазу:
08.12.2005
(86) Заявка PCT:
EP 2004/004101 (17.04.2004)
(87) Публикация PCT:
WO 2004/100371 (18.11.2004)
Адрес для переписки:
103735, Москва, ул. Ильинка, 5/2, ООО “Союзпатент”, пат.пов. И.М.Захаровой
|
(72) Автор(ы):
ЗАК Мартин (DE)
(73) Патентообладатель(и):
ФОРШУНГСЦЕНТРУМ КАРЛСРУЕ ГМБХ (DE)
|
(54) ПУСКОВОЕ/ПОДЖИГАЮЩЕЕ УСТРОЙСТВО
(57) Реферат:
Предложено пусковое/поджигающее устройство в состоящем из одинакового n-го числа – n натуральное число более 1 выключателей/искровых разрядников и 2(n-1)-го числа зарядных ветвей импульсного генератора Маркса, искровые разрядники которого работают в режиме самопробоя. Пусковое/поджигающее устройство состоит, по меньшей мере, из одного импульсного трансформатора, подключенного к генератору импульсов. По меньшей мере, в одной из зарядных ветвей генератора Маркса кратковременно в определенный момент на примыкающем искровом разряднике вырабатывается доходящее до самопробоя перенапряжение. Зарядная ветвь перекрывает с соответствующим ступенчатым конденсатором искровой разрядник, за исключением искрового разрядника со стороны выхода. Выходная обмотка импульсного трансформатора действует во время зарядки в качестве зарядной катушки/зарядной индуктивности, а входная обмотка присоединена к импульсному генератору. Импульс напряжения, выработанный этим импульсным трансформатором при зажигании/запуске импульсного генератора, суммируется с зарядным напряжением соответствующего ступенчатого конденсатора и кратковременно вырабатывает необходимое перенапряжение для самопробоя примыкающего искрового разрядника. Технический результат – целенаправленное зажигание эксплуатируемых в повторяющихся режимах генераторов Маркса в установленные моменты времени. 10 з.п. ф-лы, 4 ил.
Изобретение относится к пусковому/поджигающему устройству в импульсном генераторе Маркса, состоящем из n-ступенчатых конденсаторов (п является натуральным числом, большим 1), подобных множеству коммутационных аппаратов (выключателей/искровых разрядников) и 2(n-1) зарядных ветвей, искровые разрядники которого работают в режиме самопробоя. Он имеет при однополярном выходном напряжении обычно столько же искровых разрядников, сколько и ступенчатые конденсаторы. В простейшей конструкции искровые разрядники работают в режиме самопробоя. К каждому искровому разряднику, за исключением искрового разрядника со стороны выхода, примыкают две зарядные ветви, а именно одна к каждому из обоих выводов искрового разрядника. Таким образом, на n-ступенчатом импульсном генераторе Маркса имеется в общей сложности 2(n-1) зарядных ветвей. При зарядном напряжении U на каждом из ступенчатых конденсаторов на выходе импульсного генератора Маркса при пробое возникает импульс напряжения с пороговым значением n·U.
Генераторы Маркса с управляемым зажиганием имеют либо трехэлектродные искровые разрядники или искровые разрядники с запальным штифтом аналогично свече зажигания, известные как принцип тригатрона. Такие генераторы Маркса эксплуатируются в большинстве случаев в режиме отдельных импульсов. Для запуска генераторов Маркса, эксплуатируемых в повторяющемся режиме, предпринимаются попытки минимизировать обгорание искровых разрядников по названным принципам (McPhee et al.: The Design ans Elektrostatic Modelling of a High Voltage, Low Jitter Trigatron For Repetitive Operation, IEEE, 1995) или сделать запуск эксплуатационно более надежным за счет оптимизации генераторов зажигания (Wang et al.: А Compact Repetitive Marx Generator, IEEE, 1999). Далее исследуются методы лазерного запуска (Kellogg: А Laser-Triggered Mini-Marx For Low Jitter High Voltage Applications, IEEE, 1999) или использования полупроводниковых выключателей вместо искровых разрядников (Frost et al.: Ultra-Low Jitter Repetitive Solid State Picosecond Switching, IEEE, 1999). Другая возможность запуска состоит в инвертировании напряжения – принцип LC-генератора Маркса. В Engel, Kristiansen: А Compact High Voltage Inversion Generator, IEEE, описан вариант этого принципа, у которого для связи между ступенями используются трансформаторы. Помимо этого в названных работах рассматриваются вопросы оптимизации самопробоя искровых разрядников для режима холостого хода (Turnbull et al.: The Repetitive Operation of a Sparc Gap Cokimn, IEEE, 1997).
В SU 1812612 A1 описано выполнение схемы Аркадьева-Маркса с пусковым/поджигающим устройством, которое состоит из подключенных к импульсному генератору импульсных трансформаторов. В разрядной цепи, а не в зарядных ветвях, генератора Аркадьева-Маркса, т.е. близко к соответствующему искровому разряднику включен соответственно один такой импульсный трансформатор. Входная обмотка или первичная обмотка импульсного трансформатора одним концом подключена к выходу импульсного генератора, а другим – к эталонному потенциалу. Каждый импульсный трансформатор со своей выходной обмоткой является непосредственной составной частью разрядной цепи, он способствует индуктивности разрядной цепи. Выходная обмотка образована соединением искрового разрядника и частичного зарядного резистора соответствующего ступенчатого конденсатора и не лежит, тем самым, в зарядной цепи. Для запуска/поджига импульсного генератора в выходной обмотке импульсного трансформатора вырабатывают импульс напряжения, который суммируется с зарядным напряжением соответствующего ступенчатого конденсатора и при соответствующей полярности во время возрастания импульса напряжения на короткое время вырабатывает доходящее до самопробоя перенапряжение на этом искровом разряднике.
Электроды зажигания в запускаемых искровых разрядниках из-за своего экспонированного положения подвержены повышенной нагрузке. Кроме того, механическая конструкция запускаемого искрового разрядника сложнее, чем конструкция искрового разрядника, эксплуатируемого в режиме самопробоя.
В основе изобретения лежит задача целенаправленного зажигания эксплуатируемых в повторяющемся режиме генераторов Маркса с малым износом в режиме самопробоя их искровых разрядников в установленные моменты времени, в частности в отношении повторяющегося режима.
Эта задача решается посредством пускового/поджигающего устройства согласно отличительным признакам пункта 1 формулы изобретения.
Зарядные ветви для ступенчатых конденсаторов импульсного генератора Маркса состоят соответственно из зарядной катушки, в общем, зарядного импеданса в виде комплексного резистора из омической и индуктивной долей, не лежащего в разрядной цепи и не способствующего, тем самым, индуктивности. Индуктивная доля, по меньшей мере, одного зарядного импеданса, т.е. катушки, дополнена в импульсный трансформатор.
Генератор Маркса может быть выполнен двояким образом в зависимости от того, используется ли он для работы в повторяющемся режиме или в режиме отдельных выстрелов. Для повторяющегося режима зарекомендовали себя включение зарядной катушки в зарядные ветви и дополнение, по меньшей мере, одной из этих зарядных катушек до импульсного трансформатора. Для того чтобы поддерживать в определенных пределах или на низком уровне затраты на электрическую изоляцию, по меньшей мере, в зарядную ветвь со стороны Земли включена такая дополненная/расширенная до импульсного трансформатора зарядная катушка.
Если генератор Маркса заряжается через зарядные резисторы, то, по меньшей мере, в одну зарядную ветвь включен импульсный трансформатор. Его выходная обмотка включена тогда на выбор непосредственно последовательно или параллельно зарядному резистору.
В зависимых пунктах 2-11 описаны возможные формы выполнения устройства для запуска искрового разрядника (разрядников), которые обеспечивают, с одной стороны, надежное поджигание генератора Маркса, а, с другой стороны, экономичную конструкцию.
У генератора Маркса все искровые разрядники, за исключением искрового разрядника со стороны выхода, дважды перекрыты зарядной ветвью и соответствующим ступенчатым конденсатором. К обоим выводам искрового разрядника всегда подключена зарядная ветвь. Согласно пункту 2 пусковое/поджигающее устройство выполнено так, что в обе зарядные ветви включено по одному импульсному трансформатору. В принципе, это может быть в каждом из (n-1) искровых разрядников для поддержания в определенных пределах затрат на изоляцию, предпочтительным образом на искровом разряднике с самым низким потенциалом.
Согласно пункту 3 входные обмотки обоих импульсных трансформаторов присоединены последовательно друг другу и к одному общему генератору импульсов. Согласно пункту 4 они присоединены к генератору импульсов параллельно друг другу. Более сложным образом согласно пункту 5 каждая входная обмотка присоединена к своему собственному генератору импульсов.
Генератор или генераторы импульсов могут управляться по-разному: Согласно пункту 6 электрически, а согласно пункту 7 через световолокно. В последнем случае, по меньшей мере, импульсные трансформаторы одинаковы по своей изолирующей конструкции. Если каждый импульсный трансформатор имеет собственный генератор импульсов, то все узлы импульсный трансформатор-генератор импульсов, с точки зрения техники изоляции, одинаковы на каждой ступени.
Генератор импульсов и присоединенная (присоединенные) входная обмотка (входные обмотки) могут быть выполнены по-разному: в соответствии с пунктом 8 в виде быстро отключаемого источника тока, а по пункту 9 в виде источника напряжения. В первом случае выключатель может быть переключающим транзистором или переключающими транзисторами, как, например, в транзисторной системе зажигания ДВС. Во втором случае для ограничения тока в зарядной ветви последовательно с выходной обмоткой импульсного трансформатора включена еще дроссельная катушка.
В качестве источника напряжения может использоваться, например, конденсатор с выключателем (пункт 10) или для больших мощностей даже генератор Маркса меньшей мощности по сравнению с эксплуатируемым генератором Маркса (пункт 10).
Для поддержания электрической эксплуатационной надежности направление намотки обмотки импульсного трансформатора с входной стороны рассчитано так, что напряжение, индуктированное за счет возрастания разрядного тока генератора Маркса во входной обмотке, направлено навстречу напряжению, индуктированному выходной обмоткой по принципу трансформатора (пункт 11).
Преимущества одного из описанных устройств заключаются по сравнению с традиционным методом запуска, с одной стороны, в простой экономичной конструкции, а, с другой стороны, в существенно меньшем износе, чем у традиционных трехэлектродных искровых разрядников. Таким образом, генератор Маркса может быть создан для установки, имеющей в течение длительного срока постоянную эксплуатационную характеристику. Для надежной эксплуатации в промышленном масштабе это является обязательным.
Устройство для запуска, по меньшей мере, одного эксплуатируемого в режиме самопробоя искрового разрядника в многоступенчатом генераторе Маркса более подробно поясняется с помощью чертежей, изображающих:
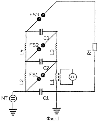
– фиг.1: генератор Маркса с запуском перенапряжением первого искрового разрядника;
фиг.2: запуск перенапряжением с трансформаторами в обеих зарядных ветвях;
фиг.3: питание пусковой схемы зарядным током;
– фиг.4: пример характеристики пускового перенапряжения (100 нс/Div., 2,5 кВ/Div.).
У описанного ниже устройства пробой первого искрового разрядника FS1, изображенного здесь в качестве примера трехступенчатого генератора Маркса, достигается за счет кратковременно приложенного перенапряжения. Представленный здесь генератор Маркса рассчитан на повторяющийся режим работы и снабжен поэтому зарядными катушками L1-L4, которые на фазе зарядки параллельно включают конденсаторы С1-С3 (фиг.1-3). При этом, например, зарядная катушка L1 со стороны Земли дополнена до импульсного трансформатора. Выработанное этим трансформатором напряжение суммируется с зарядным напряжением конденсатора первой ступени и вырабатывает при подходящей полярности перенапряжение на искровом разряднике FS1 этой ступени. Перенапряжение способствует, следовательно, временно и целенаправленно самопробою искрового разрядника FS1.
В качестве первичной или входной обмотки импульсного трансформатора L1 служит обмотка, состоящая из нескольких витков. При первичном импульсном напряжении подходящей величины, здесь, например, 6 кВ, генератор Маркса зажигается с возможностью воспроизведения ниже своего статического напряжения зажигания.
При питании через зарядную катушку L1 зарядная катушка L2 включена параллельно искровому разряднику FS1 через конденсатор С2. Образованный индуктивный делитель напряжения, состоящий из зарядной катушки L2 и индуктивности рассеяния импульсного трансформатора L1 при пренебрежимо большой емкости зарядного конденсатора С2, уменьшает напряжение над искровым разрядником по сравнению со случаем холостого хода. В соответствии с этим при более высоком первичном напряжении по сравнению с холостым ходом, необходимо питание, а зарядная катушка L2 должна быть выполнена с как можно большей индуктивностью. С другой стороны, при малом импедансе генератора запускающих импульсов индуктивность рассеяния L1 нельзя уменьшать произвольно, поскольку иначе после зажигания генератора Маркса через L1 и подключенный генератор запускающих импульсов протекал бы повышенный ток.
Для того чтобы при запуске можно было обойтись как можно меньшей мощностью, целесообразно расширить зарядную катушку L2 до импульсного трансформатора L2 (фиг.2). Для этого импульс зажигания посредством подходящей последовательной или параллельной схемы с первичной стороны (пункт 4 или пункт 5) вводят одновременно и с одинаковой полярностью в обе ветви. Поскольку обе ветви вплоть до зажигания искрового разрядника FS1 обесточены, за исключением небольшого зарядного тока индуктивностей рассеяния, напряжение над искровым разрядником FS1 не уменьшается, как в первом случае, на величину индуктивного падения напряжения на индуктивности рассеяния импульсного трансформатора L1. Недостаток этого варианта схемы заключается, однако, в больших затратах на изоляцию для импульсного трансформатора L2, который следует дополнительно изолировать для ступенчатого напряжения.
Повышенных затрат на изоляцию можно избежать, если зарядный ток генератора Маркса использовать для питания пускового блока. Для этого во время зарядки энергию, по меньшей мере, для следующего запускающего импульса временно накапливают в подходящем аккумуляторе энергии, преимущественно конденсаторе. На фиг.3 изображено это устройство. Источник энергоснабжения может быть при этом включен выборочно последовательно с соответствующей зарядной катушкой L1 или в соседнюю ветвь, как это обозначено SV2. В противоположность питанию от не подзаряжаемого при работе аккумулятора можно, тем самым, реализовать не требующую обслуживания эксплуатацию. Срабатывание происходит по причинам техники изоляции целесообразно от светового сигнала посредством соединяющего световода. Пусковой блок, состоящий из источника энергоснабжения, генератора импульсов и катушки, может быть просто интегрирован в произвольную ступень генератора Маркса. Так возможно также простое встраивание нескольких триггеров, чтобы характеристика зажигания генератора, в частности при большем числе ступеней, располагалась в более узком временном окне.
Схематично изображенный на фиг.1-3 трехступенчатый генератор Маркса является примером, он рассчитан при номинальном ступенчатом напряжении 50 кВ на суммарное зарядное напряжение 150 кВ. Основание генератора Маркса заземлено в С1. В качестве нагрузки здесь принят омический нагрузочный резистор R1. Обусловленная конструкцией индуктивность главной цепи тока, которой в действительности обычно нельзя пренебрегать и которая образована последовательной схемой из включенного генератора и нагрузки, является для последующих рассуждении несущественной, поэтому она ниже не рассматривается.
Как и у запущенных традиционными методами генераторов Маркса, статическое пробивное напряжение искровых разрядников настроено примерно на 5-10% выше зарядного напряжения отдельных ступеней. Настройка осуществляется по кривой Пашена, как обычно, путем изменения расстояния между электродами и/или давления газа в искровом разряднике. После зажигания трех искровых разрядников FS1-FS3 конденсаторы С1-С3 включены последовательно с нагрузкой R1, через которую они разряжаются в главной цепи тока. Слаботочные вспомогательные разрядные цепи ведут через зарядные катушки L1-L4. Самый нижний ступенчатый конденсатор С1 присоединен к потенциалу Земли в качестве опорного потенциала. В процессе зарядки все три ступенчатых конденсатора С1-С3 через блок NT питания заряжаются до ступенчатого напряжения, например, 50 кВ через зарядные катушки L1-L4 неотрегулированным, ограниченным в начале током или постоянным током, например, 300 мА. Для пробной эксплуатации выходное напряжение блока питания ограничено конечным зарядным напряжением 50 кВ. В качестве блока питания может использоваться стандартный прибор для зарядки конденсаторов или блок питания постоянного напряжения. На фиг.1 к расширенной до импульсного трансформатора зарядной катушке для зажигания на входной обмотке при питании от источника напряжения прикладывается импульс напряжения с предельным значением, например, около 6 кВ, а в другом выполнении для питания от источника тока – импульс тока, убывающий в течение, например, около 300 нс, например, с 120 А до 0 А и вырабатывающий на выходной обмотке импульсного трансформатора, зарядной катушке, возрастающий до пробоя искрового промежутка импульс напряжения. На фиг.4 в качестве примера показана характеристика такого импульса напряжения, величина динамического пробивного напряжения искрового разрядника составляет здесь 12,5 кВ. Это измерение осуществлялось вне генератора Маркса во время испытания пусковой схемы. Из-за обратного действия использованного омически/демпфировано-емкостного измерительного делителя возрастание напряжения при этом измерении протекает медленнее, чем при работе без подключенного измерительного делителя. В режиме лабораторных испытаний искровые разрядники являются простыми шаровыми искровыми разрядниками, а для эксплуатации с более высокими требованиями в промышленной установке, в частности из-за постоянной в течение длительного времени эксплуатационной характеристики, сферы искровых разрядников имели бы малообгораемый профиль, например профиль Борда (см., например, DE 10203649).
Приведенные в этом примере осуществления изобретения числовые данные относятся к конкретному выполнению запущенного описанным образом генератора Маркса. В принципе, новый метод запуска можно применять также в генераторах Маркса со ступенчатыми напряжениями от нескольких кВ до нескольких сотен кВ и, в частности, также с большим числом ступеней.
Формула изобретения
1. Пусковое/поджигающее устройство в импульсном генераторе Маркса, состоящем из n-ступенчатых конденсаторов (n является натуральным числом, большим 1), подобных множеству коммутационных аппаратов (выключателей/искровых разрядников) и 2 (n-1) зарядных ветвей, искровые разрядники которого работают в режиме самопробоя, причем пусковое/поджигающее устройство состоит, по меньшей мере, из одного подключенного к импульсному генератору импульсного трансформатора, который при поджиге/запуске импульсного генератора вырабатывает импульс напряжения, который суммируется с зарядным напряжением соответствующего ступенчатого конденсатора и при соответствующей полярности во время возрастания импульса напряжения на короткое время вырабатывает доходящее до самопробоя перенапряжение на этом искровом разряднике, отличающееся тем, что зарядные ветви импульсного генератора Маркса содержат соответственно зарядный импеданс и индуктивная доля, по меньшей мере, одного зарядного импеданса дополнена в импульсный трансформатор, не являющийся составной частью разрядной цепи.
2. Устройство по п.1, отличающееся тем, что в обе присоединенные к выводам искрового разрядника зарядные ветви встроено по одному импульсному трансформатору.
3. Устройство по п.2, отличающееся тем, что входные обмотки обоих импульсных трансформаторов включены последовательно друг за другом и присоединены к одному общему импульсному генератору.
4. Устройство по п.2, отличающееся тем, что входные обмотки обоих импульсных трансформаторов включены параллельно друг другу и присоединены к одному общему импульсному генератору.
5. Устройство по п.2, отличающееся тем, что каждая входная обмотка обоих импульсных трансформаторов присоединена к одному импульсному генератору.
6. Устройство по одному из пп.3-5, отличающееся тем, что импульсный генератор электрически соединен с устройством управления.
7. Устройство по одному из пп.3-5, отличающееся тем, что импульсный генератор электрически соединен с устройством управления через световолокно.
8. Устройство по п.1, отличающееся тем, что импульсный генератор и присоединенная (присоединенные) входная обмотка (входные обмотки) представляют собой источник тока, и ток может быть быстро отключен источником тока.
9. Устройство по п.1, отличающееся тем, что импульсный генератор представляет собой источник напряжения, а последовательно с выходной обмоткой импульсного трансформатора включена дроссельная катушка.
10. Устройство по п.9, отличающееся тем, что источник напряжения представляет собой конденсатор с выключателем или импульсный генератор Маркса меньшей мощности по сравнению с эксплуатируемым импульсным генератором Маркса.
11. Устройство по одному из пп.1-5, 8, 10, отличающееся тем, что направление намотки обмотки импульсного трансформатора с входной стороны рассчитано так, что напряжение, индуктированное за счет возрастания разрядного тока импульсного генератора Маркса во входной обмотке, направлено навстречу напряжению, индуктированному в выходной обмотке.
РИСУНКИ
|
|