|
(21), (22) Заявка: 2007100494/09, 09.01.2007
(24) Дата начала отсчета срока действия патента:
09.01.2007
(46) Опубликовано: 10.09.2008
(56) Список документов, цитированных в отчете о поиске:
US 4453145, 05.06.1984. RU 2236083 C2, 10.09.2004. RU 2195765 C1, 27.12.2002. US 6009004 A, 28.12.1999. US 4369416, 18.01.1983.
Адрес для переписки:
644009, г.Омск-9, ул. Масленникова, 231, ФГУП ОНИИП
|
(72) Автор(ы):
Алексеенко Владимир Николаевич (RU), Мингалиев Тимур Рашидович (RU)
(73) Патентообладатель(и):
ФЕДЕРАЛЬНОЕ ГОСУДАРСТВЕННОЕ УНИТАРНОЕ ПРЕДПРИЯТИЕ Омский научно-исследовательский институт приборостроения (RU)
|
(54) ПЕРЕСТРАИВАЕМЫЙ ПОЛОСНО-ПРОПУСКАЮЩИЙ ФИЛЬТР
(57) Реферат:
Изобретение относится к перестраиваемым полосно-пропускающим фильтрам (ППФ) приемников и передатчиков. Технический результат заключается в сохранении постоянной относительной полосы пропускания на всех частотах рабочего диапазона. ППФ содержит на входе и выходе две последовательные виды связи: индуктивную (1) и трансформаторную (4), а между резонансными контурами ППФ – трансформаторные связи (10), выполненные в виде конструктивного элемента с обмотками, расположенными на одном каркасе, причем обмотки связи несмежных резонансных контуров расположены по обе стороны относительно обмотки среднего резонансного контура. 2 ил.
Изобретение относится к радиотехнике и может использоваться в коротковолновых приемниках и передатчиках.
Передача сигналов в приемнике или передатчике должна сопровождаться подавлением помех, частоты которых отстроены относительно рабочей частоты на 5-10%. Для этой цели используются перестраиваемые полосно-пропускающие фильтры (ПППФ), в которых соотношение минимальной полосы заграждения ( fS) к рабочей частоте (f0) должно оставаться постоянным:
.
Для обеспечения оптимальных значений затуханий в полосе заграждения fS и полосе пропускания f соотношение полос при перестройке фильтра в рабочем диапазоне частот должно оставаться постоянным:
.
Перестройка фильтров по частоте обычно осуществляется за счет плавного или дискретного изменения емкости конденсаторов параллельных резонансных контуров. Фильтры с параллельными контурами характеризуются как квазиполиномиальные. Анализ частотных свойств таких схем, приведенных в [1, стр.222], показывает, что для постоянства при перестройке фильтра по частоте коэффициент связи между резонансными контурами, определяемый соотношением контурных индуктивностей (LK, LK+1) и индуктивности связи (LK, LK+1), должен оставаться постоянным. Для П-образной схемы связанных резонансных контуров LK, K+1>>LK, а для Т-образной схемы – LK, K+1<K.
Согласно анализу значение эквивалентного сопротивления крайних резонансных контуров на нижней частоте рабочего диапазона должно определяться как:
,
где RH, RB – эквивалентные сопротивления входного (выходного) резонансного контура на нижней fH и верхней fB частотах рабочего диапазона.
Ни одна из схем, приведенных в [1, стр.222], не удовлетворяет этому требованию.
Наиболее близкой по техническому решению является схема квазиполиномиального фильтра с индуктивностями связи на входе, выходе и между контурами, приведенная в [1, стр.222, рис.Д.1.2, схема «е»].
Эта схема выбрана в качестве прототипа.
К недостаткам этой схемы-прототипа следует отнести:
– невозможность обеспечения требуемой закономерности изменения эквивалентного сопротивления входного (выходного) резонансного контура (3);
– неприемлемость конструктивного использования индуктивностей связи LK, K+1 П-образной схемы из-за больших значений (LK, K+1>>LK).
Использование Т-образной схемы связанных резонансных контуров также невыполнимо, т.к. выполнить конструкцию с низким значением индуктивности связи (LK, K+1<K) с высокой точностью реализации не всегда возможно.
Задачей изобретения является нахождение схемных и конструктивных решений, обеспечивающих возможность реализации перестраиваемого полосно-пропускающего фильтра с постоянной относительной полосой пропускания на всех частотах рабочего диапазона.
Указанная задача решается использованием в ПППФ на входе (выходе) двух последовательных видов связи: индуктивной и трансформаторной, а между резонансными контурами фильтра – трансформаторных связей, выполненных в виде конструктивного элемента с обмотками, расположенными на одном каркасе, причем обмотки связи несмежных резонансных контуров расположены по обе стороны относительно обмотки среднего резонансного контура. Трансформаторная связь на входе (выходе) позволяет снизить оптимальное эквивалентное сопротивление входного (выходного) резонансного контура до значения, при котором индуктивная связь обеспечивает согласование трансформированного сопротивления резонансного контура с номинальным сопротивлением генератора (нагрузки) в диапазоне рабочих частот.
Значение индуктивности трансформированного резонансного контура, работающего в диапазоне частот, определяется из выражения:
,
где R – сопротивление нагрузки фильтра,
1 – нормированное значение первого элемента ФНЧ-прототипа,
r – нормирующий множитель.
По этому значению Lr1T по формулам [1] вычисляются входная индуктивность L01, трансформированное значение емкости резонансного контура Cr1T и трансформированное значение эквивалентного сопротивления первого контура R1T. По значению оптимального эквивалентного сопротивления контура R1 определяется коэффициент трансформации сопротивлений во входной (выходной) цепи:
.
По значениям Lr1T и N рассчитываются индуктивность и емкость первого резонансного контура.
Индуктивность межконтурной связи LK, K+1 рассчитывается для Т-образной схемы, которая в дальнейшем заменяется на трансформаторную, для которой вычисляется коэффициент связи между обмотками.
Для реализации расчетных значений затухания фильтра обмотки связи несмежных (первого и третьего) резонансных контуров должны располагаться на конструктивном элементе по обе стороны относительно обмотки связи среднего резонансного контура. В этом случае электромагнитная связь между несмежными резонансными контурами ослаблена и не оказывает существенного влияния на амплитудно-частотную характеристику фильтра. Коэффициент связи между смежными резонансными контурами регулируется раздвижением их обмоток связи.
Сопоставительный анализ рассматриваемой схемы с прототипом показывает, что заявляемое устройство отличается по структуре и по соединениям, следовательно, оно соответствует критерию «новизна». Использование индуктивных связей или трансформации сопротивлений в фильтрах хорошо известно, однако применение их последовательного соединения во входной (выходной) цепи и выделение конструктивного элемента с трансформаторными связями позволяет реализовать перестраиваемый полосно-пропускающий фильтр с постоянным значением относительной полосы пропускания ( f/f0=const, fS/ f=const), т.е. новый значимый параметр фильтра, из чего следует вывод о соответствии технического решения критерию «существенные отличия».
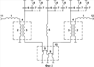
На фиг.1 изображена схема анализируемого ПППФ, состоящего из входной и выходной индуктивностей связи 1, входной и выходной обмотки связи 2, катушек индуктивности несмежных резонансных контуров 3, входящих в состав трансформаторов 4, катушки индуктивности 5 среднего резонансного контура, постоянно подключенных контурных конденсаторов 6, дискретно коммутируемых конденсаторов 7, ключей 8, трансформаторных связей между контурами 9 и конструктивного элемента 10 с трансформаторными связями между резонансными контурами, входного 11 и выходного 12 контактов.
На фиг.2 показан конструктивный элемент с трансформаторной связью 9.
Устройство работает следующим образом.
Входной сигнал поступает от входа 11 на индуктивность связи 1, а затем через обмотку связи 2 входного трансформатора 4 передается на первый резонансный контур, формируемый катушкой индуктивности 3, являющейся одной из обмоток трансформатора 4, и конденсаторами 6 и 7, подключенными параллельно обмотке; для настройки на рабочую частоту используются конденсаторы 7, выводы которых замыкаются через контакты реле 8 на корпус; второй конец катушки индуктивности 3 замкнут на корпус через обмотку трансформатора 9, через который сигнал передается от первого резонансного контура второму, состоящему из вторичной обмотки трансформатора 9, индуктивности 5, конденсаторов 6 и конденсаторов 7, выводы которых соединены с корпусом через контакты реле 8; обмотка связи второго резонансного контура имеет трансформаторную связь 9 с обмоткой связи третьего резонансного контура; обмотки трансформаторных связей 9 трех резонансных контуров расположены на одном каркасе и представляют собой конструктивный элемент 10. Через трансформаторную связь 9 между обмотками связи второго и третьего резонансных контуров сигнал передается третьему резонансному контуру (3, 6, 7, 8) и далее через обмотку связи 2 трансформатора 4 и индуктивность связи 1 к выходу 12.
Обмотки связи 2 входного (выходного) трансформатора 4 вместе с обмоткой резонансного контура 3 входного (выходного) резонансного контура наматываются на одном сердечнике.
Трансформаторная связь 9 конструктивного элемента 10 между смежными резонансными контурами значительно больше паразитной трансформаторной связи между несмежными резонансными контурами из-за конструктивного разнесения их обмоток связи на конструктивном элементе 10.
В реализованном ПППФ при перестройке в отавном диапазоне частот полоса пропускания изменяется пропорционально рабочей частоте, коэффициент стоячей волны находится в пределах КСВ=1,25-1,35, затухания в полосах пропускания и заграждения практически не меняются.
Источники информации
1. Г.Ханзел. Справочник по расчету фильтров. М.: Советское радио, 1974.
Формула изобретения
Перестраиваемый полосно-пропускающий фильтр, содержащий связанные параллельные резонансные контуры, перестраиваемые по частоте изменением емкости контурных конденсаторов, отличающийся тем, что содержит на входе и выходе два последовательных вида связи: индуктивную и трансформаторную, а между контурами фильтра – трансформаторные связи, выполненные в виде конструктивного элемента с обмотками, расположенными на одном каркасе, причем обмотки связи несмежных резонансных контуров расположены по обе стороны относительно обмотки среднего резонансного контура.
РИСУНКИ
|