|
|
(21), (22) Заявка: 2006136467/09, 16.10.2006
(24) Дата начала отсчета срока действия патента:
16.10.2006
(43) Дата публикации заявки: 27.04.2008
(46) Опубликовано: 10.09.2008
(56) Список документов, цитированных в отчете о поиске:
RU 2094877 С1, 27.10.1997. RU 2189655 С1, 20.09.2002. RU 20744430 С1, 27.02.1997. SU 1100645 А1, 30.06.1984. SU 1334192, 30.08.1987. GB 1280934 А, 12.07.1972. US 4214290 А, 22.07.1980. DE 3423505 А1, 28.11.1995. ЕР 0229880 А1, 29.07.1987. WO 9200447 А1, 09.01.1992.
Адрес для переписки:
428000, Чувашская Республика, г.Чебоксары, пр. И. Яковлева, 4, ОАО “ВНИИР”
|
(72) Автор(ы):
Михайлов Николай Михайлович (RU), Плахин Виктор Вячеславович (RU)
(73) Патентообладатель(и):
Открытое акционерное общество “Всероссийский научно-исследовательский проектно-конструкторский и технологический институт релестроения с опытным производством” (RU)
|
(54) ЭЛЕКТРОМАГНИТ ПОСТОЯННОГО ТОКА С ФОРСИРОВКОЙ
(57) Реферат:
Изобретение относится к области электротехники и может быть использовано в изделиях, содержащих электромагнит постоянного тока, например в электромагнитных реле, контакторах и т.п. Техническим результатом является повышение надежности работы электромагнита постоянного тока с форсировкой в условиях возможности его включения на пониженное напряжение питания. Электромагнит постоянного тока с форсировкой содержит обмотку с резистором, источник напряжения питания, размыкающий контакт и пороговый элемент. Пороговый элемент содержит резисторы, полупроводниковый детектор напряжения, транзисторный ключ, конденсатор и диод, включенные в схему электромагнита постоянного тока в соответствии с тем, как указано в материалах заявки. 1 з.п. ф-лы, 3 ил.
Изобретение относится к электротехнике и может найти применение в изделиях, содержащих электромагнит постоянного тока, например в электромагнитных реле, контакторах и т.п.
Известен электромагнит постоянного тока, используемый в реле постоянного тока серии РП17 [1]. В нем последовательно с обмоткой управления включен резистор. Наличие резистора снижает электрическую постоянную времени цепи управления, обеспечивая форсированное срабатывание электромагнита с малой задержкой времени с момента включения напряжения питания. Недостатком данного электромагнита является его низкая эффективность.
Наиболее близким по технической сущности и достигаемому результату к предлагаемому изобретению является электромагнит постоянного тока с форсировкой [2], принципиальная электрическая схема которого приведена на фиг.1. Его обмотка 1 подсоединена через резистор 2 к источнику напряжения питания U, а размыкающий контакт 3 электромагнита подключен параллельно к резистору 2.
Для пояснения работы рассматриваемого электромагнита необходимо отметить, что он конструктивно содержит подвижную часть (якорь), который приводит в движение какой-либо механизм, например траверсу контактора или реле. С якорем связан также размыкающий контакт 3 электромагнита. Общеизвестно, что из-за низкой магнитной проводимости электромагниты постоянного тока без форсировки в начальном положении якоря развивают малые усилия. В рассматриваемом электромагните при включении напряжения питания U первоначально к обмотке 1 электромагнита через его замкнутый размыкающий контакт 3 прикладывается полное напряжение питания U. Этим обеспечивается большой ток в обмотке 1 электромагнита и значительное усилие, развиваемое электромагнитом в начальном положении якоря. Якорь начнет перемещаться, преодолевая противодействующее усилие связанного с ним механизма. После прохождения якорем определенного расстояния размыкающий контакт 3 электромагнита размыкается, введя в цепь резистор 2. При этом ток в цепи уменьшается, предотвращая перегрев обмотки 1 электромагнита. Несмотря на снижение тока, после размыкания размыкающего контакта 3 электромагнита, из-за возросшей магнитной проводимости, электромагнит развивает достаточное усилие для преодоления противодействующего усилия и достижения конечного положения якоря.
Недостатком данного электромагнита является низкая надежность работы в условиях значительных посадок напряжения питания U. При включении электромагнита на пониженное напряжение питания U после размыкания его контакта 3 усилие электромагнита может оказаться меньше противодействующего, вследствие чего начнется обратное движение якоря. Это приводит к замыканию размыкающего контакта 3 электромагнита, из-за чего ток в его обмотке 1 и электромагнитное усилие скачком возрастают. Якорь, преодолевая противодействующее усилие, начинает перемещаться в прямом направлении, и размыкающий контакт 3 электромагнита повторно размыкается, т.е. устанавливается колебательный процесс якоря, что приводит к нарушению работы связанного с ним механизма.
Техническим результатом изобретения является повышение надежности работы электромагнита постоянного тока с форсировкой в условиях возможности его включения на пониженное напряжение питания.
Технический результат достигается тем, что в электромагнит постоянного тока с форсировкой, содержащий последовательно соединенные обмотку и резистор, подключенные к источнику напряжения питания, размыкающий контакт, подключенный параллельно резистору, введен пороговый элемент, содержащий, по крайней мере, резисторы, полупроводниковый детектор напряжения, транзисторный ключ, конденсатор и диод, причем первый резистор порогового элемента одним выводом подключен к источнику напряжения питания, а другим – к входу полупроводникового детектора напряжения и одному из выводов второго резистора, другой вывод которого подключен к выходу полупроводникового детектора напряжения и одному из выводов третьего резистора, другой вывод которого подключен к базе транзисторного ключа, коллектор которого подключен к общей точке соединения резистора, последовательно соединенного с обмоткой электромагнита, и размыкающего контакта электромагнита, а эмиттер – к общему выводу полупроводникового детектора напряжения и источнику напряжения питания, конденсатор подключен между входом и общим выводом полупроводникового детектора напряжения, пятый резистор и диод, соединенные последовательно, подключены, по крайней мере, параллельно к цепочке, состоящей из обмотки электромагнита и соединенного последовательно с ней резистора.
Сущность предлагаемого изобретения заключается в том, что за счет введения в электромагнит постоянного тока с форсировкой порогового элемента, вход которого подключен к выводу обмотки электромагнита, соединенного с источником напряжения питания, выход порогового элемента подключен к общей точке соединения резистора и размыкающего контакта электромагнита, а общий вывод порогового элемента подключен к источнику напряжения питания, и выполненного на резисторах, полупроводниковом детекторе напряжения, транзисторном ключе, конденсаторе и диоде таким образом, что первый резистор порогового элемента одним выводом подключен к источнику напряжения питания, а другим – к входу полупроводникового детектора напряжения и одному из выводов второго резистора, другой вывод которого подключен к выходу полупроводникового детектора напряжения и одному из выводов третьего резистора, другой вывод которого подключен к базе транзисторного ключа, коллектор которого подключен к общей точке соединения резистора, последовательно соединенного с обмоткой электромагнита, и размыкающего контакта электромагнита, а эмиттер – к общему выводу полупроводникового детектора напряжения и источнику напряжения питания, конденсатор подключен между входом и общим выводом полупроводникового детектора напряжения, пятый резистор и диод, соединенные последовательно, подключены, по крайней мере, параллельно к цепочке, состоящей из обмотки электромагнита и соединенного последовательно с ней резистора, осуществляется нормированное срабатывание и возврат порогового элемента, контролирующего уровень напряжения питания и управляющего подачей напряжения на обмотку электромагнита, обесточиваемой (отключаемой) в случае недопустимого понижения напряжения питания, за счет чего достигается повышение надежности работы электромагнита в условиях возможности его включения на пониженное напряжение питания.
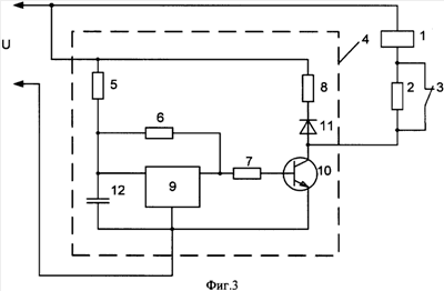
Работа предлагаемого электромагнита постоянного тока с форсировкой поясняется схемами, приведенными на фиг.2 и 3, где приняты следующие обозначения:
1 – обмотка электромагнита;
2 – размыкающий контакт электромагнита;
3 – резистор;
4 – пороговый элемент;
5, 6, 7, 8 – резисторы;
9 – полупроводниковый детектор напряжения;
10 – транзисторный ключ;
11 – диод;
12 – конденсатор;
U – напряжение источника питания.
Согласно схеме, приведенной на фиг.3, обмотка 1 электромагнита, соединенная последовательно с резистором 2, параллельно которому подключен размыкающий контакт 3 электромагнита, подключена к источнику напряжения питания U и одному выводу резистора 5, другой вывод которого подключен к входу полупроводникового детектора напряжения 9 и одному выводу резистора 6, другой вывод которого подключен к выходу полупроводникового детектора напряжения 9 и одному выводу резистора 7, другой вывод которого подключен к базе транзисторного ключа 10, коллектор которого подключен к общей точке соединения резистора 2 и размыкающего контакта 3 электромагнита, эмиттер – к общему выводу полупроводникового детектора напряжения 9 и источнику напряжения питания U, а конденсатор 12 подключен между входом и общим выводом полупроводникового детектора напряжения 9. Дополнительно к обмотке 1 электромагнита и резистору 2 параллельно подключены резистор 8 и диод 11, соединенные последовательно. Причем диод 11 подключен анодом к коллектору транзисторного ключа 10.
Принцип действия предлагаемого электромагнита постоянного тока с форсировкой состоит в следующем.
При подаче на схему, приведенную на фиг.3, низкого напряжения питания U (меньшего, чем напряжение срабатывания порогового элемента 4), оно прикладывается к делителю, образованному резисторами 5 и 6, напряжение с которого подается на вход полупроводникового детектора напряжения 9, и пока это напряжение на его входе ниже напряжения переключения полупроводникового детектора напряжения 9, его выход открыт. При этом транзисторный ключ 10 закрыт, обмотка 1 электромагнита обесточена: электромагнит находится в исходном состоянии.
При повышении напряжения питания U увеличивается напряжение делителя, образованного резисторами 5 и 6, контролируемое полупроводниковым детектором напряжения 9, и при достижении на входе полупроводникового детектора напряжения 9 напряжения, равного напряжению его переключения, выход полупроводникового детектора напряжения 9 переключается, изменяя свое состояние на закрытое. При этом напряжение питания U через резисторы 5, 6, 7 подается на вход транзисторного ключа 10, открывая его, и прикладывается через размыкающий контакт 2 электромагнита к его обмотке 1, по которой начинает протекать большой пусковой ток, значительно превышающий ее длительно допустимый ток и вызывающий перемещение якоря электромагнита и его ускоренное срабатывание. В конце хода якоря электромагнита его размыкающий контакт 2 размыкается и добавляет сопротивление резистора 3 к сопротивлению обмотки 1 электромагнита, уменьшая протекающий в ней ток до допустимого значения. Электромагнит при этом находится в сработанном состоянии.
В закрытом состоянии выхода полупроводникового детектора напряжения 9 уровень напряжения на его входе увеличивается на величину падения напряжений на резисторе 7 и переходе база-эмиттер транзисторного ключа 10, характеризуемой как гистерезис между напряжением срабатывания и возврата порогового элемента 4. Таким образом, от величины резистора 7 зависит коэффициент возврата порогового элемента 4, а значит, и коэффициент возврата электромагнита.
Для возврата электромагнита в исходное состояние необходимо настолько понизить напряжение питания U, чтобы напряжение, снимаемое с делителя, образуемого резисторами 5 и 6, и подаваемое на вход полупроводникового детектора напряжения 9, уменьшилось на величину напряжения гистерезиса порогового элемента 4 и достигло на входе полупроводникового детектора напряжения 9 его напряжения переключения. При этом выход полупроводникового детектора напряжения 9 открывается, закрывая транзисторный ключ 10, обесточивающий обмотку 1 электромагнита, и возникающее при этом в обмотке 1 электромагнита перенапряжение ограничивается диодом 11 и резисторами 2 и 8, причем наличие резистора 8 последовательно с диодом 11 дополнительно уменьшает время возврата электромагнита.
Таким образом, предложенная схема включения порогового элемента 4 в известный электромагнит постоянного тока с форсировкой, приведенная на фиг.2, где вход порогового элемента подключен к выводу обмотки электромагнита, соединенной с источником напряжения питания, выход порогового элемента подключен к общей точке соединения резистора и размыкающего контакта электромагнита, а общий вывод порогового элемента подключен к источнику напряжения питания, что обеспечивает нормированное срабатывание и возврат электромагнита и позволяет при подаче низкого напряжения питания отстроиться от ложных срабатываний электромагнита, приводящих к нарушению работы связанного с ним механизма.
Применение заявляемого электромагнита позволило создать промежуточное электромагнитное реле с малым временем включения и отключения с количеством контактов до 6 с номинальным током контактов 2 А, предназначенное для применения в устройствах релейной защиты и противоаварийной автоматики энергетических объектов. Заявляемый электромагнит позволит сократить затраты при организации производства промежуточного электромагнитного реле с малым временем включения и отключения. Заявляемое решение планируется использовать в I кв. 2006 г.
Источники информации
1. Промышленный каталог «Информэлектро» 07.23.05-04. Реле промежуточные серий РП16, РП17, РП18 (технические условия ТУ 16-647.003-84).
2. Коц Б.Э. Электромагниты постоянного тока с форсировкой. М.: «Энергия», 1973.
Формула изобретения
1. Электромагнит постоянного тока с форсировкой, содержащий последовательно соединенную обмотку и резистор, подключенные к источнику напряжения питания, размыкающий контакт, подключенный параллельно резистору, отличающийся тем, что введен пороговый элемент, вход которого подключен к выводу обмотки электромагнита, соединенной с источником напряжения питания, выход порогового элемента подключен к общей точке соединения резистора и размыкающего контакта электромагнита, а общий вывод порогового элемента подключен к источнику напряжения питания.
2. Электромагнит постоянного тока с форсировкой по п.1, отличающийся тем, что пороговый элемент содержит, по крайней мере, резисторы, полупроводниковый детектор напряжения, транзисторный ключ, конденсатор и диод, причем первый резистор порогового элемента одним выводом подключен к источнику напряжения питания, а другим – к входу полупроводникового детектора напряжения и одному из выводов второго резистора, другой вывод которого подключен к выходу полупроводникового детектора напряжения и одному из выводов третьего резистора, другой вывод которого подключен к базе транзисторного ключа, коллектор которого подключен к общей точке соединения резистора, последовательно соединенного с обмоткой электромагнита, и размыкающего контакта электромагнита, а эмиттер – к общему выводу полупроводникового детектора напряжения и источнику напряжения питания, конденсатор подключен между входом и общим выводом полупроводникового детектора напряжения, пятый резистор и диод, соединенные последовательно, подключены, по крайней мере, параллельно к цепочке, состоящей из обмотки электромагнита и соединенного последовательно с ней резистора.
РИСУНКИ
|
|