|
|
(21), (22) Заявка: 2007106326/28, 19.02.2007
(24) Дата начала отсчета срока действия патента:
19.02.2007
(46) Опубликовано: 10.09.2008
(56) Список документов, цитированных в отчете о поиске:
RU 2051425 C1, 27.12.1995. SU 1770974 A2, 23.10.1992. RU 2226005 C1, 20.03.2004. US 5108293 A, 28.04.1992.
Адрес для переписки:
197082, Санкт-Петербург, П-082, ул. Красного курсанта, 16, ВКА им.А.Ф.Можайского
|
(72) Автор(ы):
Дикарев Виктор Иванович (RU), Теремов Михаил Петрович (RU), Альжанов Артур Булатович (RU)
(73) Патентообладатель(и):
Военно-космическая академия имени А.Ф. Можайского (RU)
|
(54) УЧЕБНЫЙ ПРИБОР ПО ОПТИКЕ
(57) Реферат:
Изобретение относится к учебным приборам по оптике и может быть использовано для изучения методов и средств при обработке сложных радиосигналов. Технической задачей изобретения является расширение дидактических возможностей прибора путем наглядной демонстрации амплитудных и фазовых спектров сложных сигналов. Прибор содержит основание 1, осветитель 2, объект 3 с вибратором 4 и первый 5, второй 21, третий 29 и четвертый 38 фотопреобразователи, первый 6, второй 22, третий 30 и четвертый 43 осциллографы, источник 7 питания, первый генератор 8 сложных фазо-манипулированных сигналов (ФМн), второй генератор 9 сложных частотно-манипулированных (ЧМн) сигналов, третий генератор 10 сложных частотно-модулированных сигналов (ЧМ), первый 11, второй 12 и третий 23 переключатели, первый 13, второй 15 и третий 17 умножители, первый 14, второй 16 и третий 18 полосовые фильтры, первую 19, вторую 24, третью 32 и четвертую 35 ячейки Брэгга, первую 20, вторую 26, третью 31 и четвертую 36 линзы, первую 25, вторую 27, третью 37 диафрагмы, оптический клин 28, дифракционную решетку 34, цифровой фазометр 39, опорный генератор 40, амплитудный детектор 41, аналого-цифровой преобразователь 42, генератор 44 ЛЧМ сигнала и выключатель 45. 4 ил.
Предлагаемое устройство относится к учебным приборам по оптике и может быть использовано для изучения методов и средств при обработке сложных радиосигналов.
Известны учебные приборы по оптике (авт. свид. СССР №1770974, патент РФ №2051425 и другие).
Из известных устройств наиболее близким к предлагаемому является «Учебный прибор по оптике» (патент РФ №2.051.425, G09B 23/22, 1993), который и выбран в качестве прототипа.
Указанный прибор обеспечивает возможность для демонстрации принципа распознавания сложных радиосигналов.
Любой радиосигнал можно представить как изменяющуюся во времени физическую величину, отображающую сообщение
uc(t)=U(t)×cos Ф(t), 0 t Tc,
где U(t) – огибающая (изменяющаяся во времени амплитуда) сигнала;
Ф(t) – фаза сигнала;
Тc – длительность сигнала.
Фаза сигнала Ф(t) и его мгновенная частота (t) связаны между собой дифференциально-интегральными соотношениями:

где ct – линейная составляющая;
c – несущая частота;
н(t) – нелинейная составляющая;
c – начальная фаза.
С учетом указанных соотношений произвольный сигнал можно представить следующим образом:
uc(t)=U(t)×cos[ ct+ (t)], 0 t Tc,
где (t)= н(t)+ c.
Сигнал, несущая частота которого принадлежит радиочастотному диапазону, называется радиосигналом.
Важной характеристикой сигнала является его спектр Sc(j ). Сигнал uc(t) и его спектр Sc(j ) связаны преобразованием Фурье:


Пределы интегрирования в данных выражениях определяются областями существования функции uc(t) и Sc(j ) соответственно. На практике реальные сигналы всегда являются действительными функциями времени, а их спектры могут быть комплексными функциями частоты и описываются через амплитудный и фазовый спектр соотношением:

где |Sc(j )|=Sc( ) – амплитудный спектр сигнала;
c( ) – фазовый спектр сигнала.
Технической задачей изобретения является расширение дидактических возможностей прибора путем наглядной демонстрации комплексных спектров сложных сигналов. Поставленная задача решается тем, что учебный прибор по оптике, содержащий, в соответствии с ближайшим аналогом, последовательно установленные на пути распространения пучка света осветителя первую и вторую ячейки Брэгга, объект, размещенный на вибраторе, и первый фотопреобразователь, подключенный к первому входу первого осциллографа, три генератора сложных сигналов, соединенных выходами через первый переключатель с последовательно включенными первым умножителем, первым полосовым фильтром, вторым умножителем, вторым полосовым фильтром, третьим умножителем и третьим полосовым фильтром и первым выводом второго переключателя, подключенного вторым, третьим и четвертым выводами к выходам соответствующих полосовых фильтров и связанного дополнительно первым, вторым и третьим выводами с вторыми входами соответствующих умножителей, при этом на пути распространения дифрагируемой первой ячейкой Брэгга части пучка света установлена первая линза, в фокальной плоскости которой размещен второй фотопреобразователь, подключенный к первому входу второго осциллографа, на пути распространения дифрагируемой второй ячейкой Брэгга части пучка света последовательно установлены первая диафрагма, вторая линза, вторая диафрагма, оптический клин и третий фотопреобразователь, размещенный в фокальной плоскости второй линзы и подключенный к первому входу третьего осциллографа, вторые входы осциллографов и вход вибратора соединены с выходом источника питания, пятый вывод второго переключателя связан с третьим выводом третьего переключателя, второй и третий выводы которого подключены к входам пьезоэлектрических преобразователей первой и второй ячеек Брэгга соответственно, отличается от ближайшего аналога тем, что он снабжен третьей, четвертой и пятой линзами, третьей и четвертой ячейками Брэгга, дифракционной решеткой, третьей диафрагмой, четвертым фотопреобразователем, цифровым фазометром, опорным генератором, амплитудным детектором, аналого-цифровым преобразователем, четвертым осциллографом, генератором ЛЧМ сигнала и выключателем, причем на пути распространения пучка света между второй ячейкой Брэгга и объектом последовательно установлены третья линза и третья ячейка Брэгга, вход пьезоэлектрического преобразователя которой через выключатель соединен с выходом генератора ЛЧМ сигнала, на пути распространения дифрагируемой третьей ячейкой Брэгга части пучка света последовательно установлены четвертая линза, дифракционная решетка и четвертая ячейка Брэгга, вход пьезоэлектрического преобразователя которой соединен с пятым выводом второго переключателя, на пути распространения дифрагируемой четвертой ячейкой Брэгга части пучка света последовательно установлены пятая линза, третья диафрагма и четвертый фотопреобразователь, размещенный в фокальной плоскости пятой линзы и подключенный к последовательно соединенным амплитудному детектору, аналого-цифровому преобразователю и четвертому осциллографу, второй вход которого через цифровой фазометр соединен с выходами четвертого фотопреобразователя и опорного генератора, а третий вход соединен с выходом источника питания.
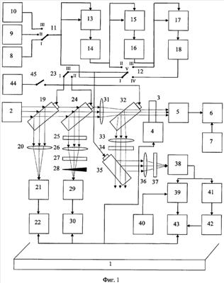
Структурная схема предлагаемого прибора представлена на фиг.1, вид возможных осциллограмм показан на фиг.2, взаимное расположение символьных частот сложных сигналов с многократной частотной манипуляцией изображено на фиг.3, закон изменения фазы частотно-манипулированного (ЧМн) сигнала показан на фиг.4.
Учебный прибор по оптике содержит основание 1, осветитель 2, на пути распространения пучка света которого последовательно установлены первая ячейка Брэгга 19, вторая ячейка Брэгга 24, третья линза 31, третья ячейка Брэгга 32, объект 3, с вибратором 4 и первый фотопреобразователь 5, выход которого подключен к первому входу первого осциллографа 6, три генератора 8, 9 и 10 сложных сигналов, соединенных выходами через переключатель 11 с последовательно включенными первым умножителем 13, первым полосовым фильтром 14, вторым умножителем 15, вторым полосовым фильтром 16, третьим умножителем 17, третьим полосовым фильтром 18 и первым I выводом второго переключателя 12, подключенного вторым II, третьим III и четвертым IV выводами к выходам соответствующих полосовых фильтров 14, 16 и 18 и связанного дополнительно первым I, вторым II и третьим III выводами с вторыми входами соответствующих умножителей 13, 15 и 17, при этом на пути распространения дифрагируемой первой ячейкой Брэгга 19 части пучка света установлена первая линза 20, в фокальной плоскости которой размещен второй фотопреобразователь 21, подключенный к первому входу второго осциллографа 22, на пути распространения дифрагируемой второй ячейкой Брэгга 24 части пучка света последовательно установлены первая диафрагма 25, вторая линза 26, вторая диафрагма 27, оптический клин 28 и третий фотопреобразователь 29, размещенный в фокальной плоскости второй линзы 26 и подключенный к первому входу третьего осциллографа 30, вторые входы осциллографов 6, 22, 30 и 43 и вход вибратора 4 соединены с выходом источника 7 питания, на пути распространения дифрагируемой третьей ячейкой Брэгга 32 части пучка света последовательно установлены четвертая линза 33, дифракционная решетка 34 и четвертая ячейка Брэгга 35, на пути распространения дифрагируемой четвертой ячейкой Брэгга 35 части пучка света установлена пятая линза 36, третья диафрагма 37 и четвертый фотопреобразователь 38, размещенный в фокальной плоскости пятой линзы 36 и подключенный к последовательно соединенным амплитудному детектору 41, аналого-цифровому преобразователю 42 и четвертому осциллографу 43, второй вход которого через цифровой фазометр 39 соединен с выходами четвертого фотопреобразователя 38 и опорного генератора 40, а третий вход соединен с выходом источника 7 питания, входы пьезоэлектрических преобразователей первой 19 и второй 24 ячеек Брэгга соединены с первым I и вторым II выводами третьего переключателя 23 соответственно, вход пьезоэлектрического преобразователя третьей ячейки Брэгга 32 через выключатель 45 соединен с выходом генератора 44 ЛЧМ сигнала, вход пьезоэлектрического преобразователя четвертой ячейки Брэгга 35 соединен с пятым выводом V второго переключателя 12. Пятый выход V второго переключателя 12 соединен с третьим III выводом третьего переключателя 23.
Прибор работает следующим образом.
При включении осветителя 2, в качестве которого могут быть использованы лазер и коллиматор, сколлимированный пучок света проходит последовательно через ячейки Брэгга 19, 24, линзу 31, ячейку Брэгга 32 и объект 3. Последний вызывает интерференцию, в результате чего световой пучок пространственно перераспределяется и некоторая часть его попадает на фотопреобразователь 5. При подаче напряжения от источника 7 питания вибратор 4 приводит объект 3 в колебательное движение, синхронно с движением луча индикатора 6 по экрану и в различные моменты времени на фотопреобразователь 5 попадают различные части пространственно перераспределенного объектом 3 светового пучка. На экране осциллографа 6 возникает картина пространственного распределения энергии в световом пучке, характерная, например, для явления интерференции.
При постановке переключателя 11 в первое I положение к устройству подключается генератор 8 сложных ФМн-сигналов, который может работать в трех режимах.
В первом режиме генератор 8 формирует сложный сигнал с бинарной фазовой манипуляцией (ФМн-2) [ k(t)=0, ]. Во втором режиме генератор 8 формирует сложный сигнал с двукратной фазовой манипуляцией (ФМн-4) . В третьем режиме генератор 8 формирует сложный сигнал с трехкратной фазовой манипуляцией (ФМн-8) 
При работе в первом режиме генератор 8 формирует ФМн-2 сигнал
uc(t)=Uc×cos[2 fct+ k(t)+ c], 0 t Tc,
где Uc, fc, c, Tc – амплитуда, несущая частота, начальная фаза и длительность сигнала;
k(t)=0, – манипулируемая составляющая фазы сигнала, отображающая закон фазовой манипуляции, причем k(t)=const при k ии и может изменяться скачком при t=k и, т.е. на границах между элементарными посылками (k=1, 2,…, N-1);
tu, N – длительность и количество элементарных посылок, из которых составлен сигнал длительностью Тc(Тc=N× и).
Этот сигнал через переключатель 11 поступает на два входа умножителя 13, на выходе которого образуется гармоническое напряжение
u1(t)=U1×cos(4 fct+2 c), 0 t Tc,
где ;
k – коэффициент передачи умножителя.
Так как 2 k(t)=0, 2 , то в указанном напряжении фазовая манипуляция уже отсутствует. Напряжение u1(t) выделяется полосовым фильтром 14 и поступает на два входа умножителя 15, на выходе которого образуется гармоническое напряжение
u2(t)=U2×cos(8 fct+4 c), 0 t Tc,
где .
Это напряжение выделяется полосовым фильтром 16 и поступает на два входа умножителя 17, на выходе которого образуется гармоническое напряжение
u3(t)=U3×cos(16 fct+8 c), 0 t Tc,
где .
Это напряжение выделяется полосовым фильтром 18.
При постановке переключателей 12 и 23 в первое положение I ФМн-2 сигнал поступает на пьезоэлектрический преобразователь ячейки Брэгга 19, который преобразует его в акустические колебания.
Пучок света от осветителя 2 проходит через ячейку Брэгга 19 и дифрагирует на акустических колебаниях, возбужденных ФМн-2 сигналом. На пути распространения дифрагируемой части пучка света, а дифрагирует приблизительно 1/10 часть основного пучка света, установлена линза 20, формирующая пространственный спектр сложного ФМн-2 сигнала. В фокальной плоскости линзы 20 установлен фотопреобразователь 21, соединенный с осциллографом 22.
Каждая ячейка Брэгга состоит из света звукопровода и возбуждающей гиперзвук пьезоэлектрической пластины, выполненной из кристалла ниобата лития соответственно Х и У-35° среза. Это обеспечивает автоматическую подстройку по углу Брэгга и работу ячеек в широком диапазоне частот.
Ширина спектра ФМн-2 сигнала fc определяется длительностью и элементарных посылок . Тогда как ширина спектра второй f2, четвертой f4 и восьмой f8 гармоник определяется длительностью Tc сигнала . Следовательно, при умножении фазы на два, четыре и восемь спектр ФМн-2 сигнала сворачивается в N раз и трансформируется в одиночные спектральные составляющие. Это обстоятельство и является признаком распознавания сложного ФМн-2 сигнала и наглядно демонстрирует свертку его спектра.
При установке переключателя 12 и 23 в первое I положение на экране осциллографа 22 визуально наблюдается амплитудный спектр ФМн-2 сигнала. При переключении переключателя 12 в положение II, III и IV на экране осциллографа 22 визуально наблюдаются спектральные составляющие (фиг.2.а).
Если генератор 8 переводится во второй режим, то на его выходе формируется ФМн-4 сигнал. В этом случае на выходе полосового фильтра 14 образуется ФМн-2 сигнал [ k(t)=0, , 2 , 3 ], а на выходе полосовых фильтров 16 и 18 образуются соответствующие гармонические напряжения u2(t) и u3(t). При нахождении переключателя 12 в положении I или II на экране осциллографа 22 наблюдается спектр ФМн-2 или ФМн-4 сигналов, а при переключении переключателя 12 в положении III или VI на экране осциллографа 22 наблюдаются одиночные спектральные составляющие (фиг.2.б).
Если генератор 8 переводится в третий режим, то на его выходе формируется ФМн-8 сигнал, а на экране осциллографа 22 будут визуально наблюдаться спектры ФМн-8, ФМн-4, ФМн-2 сигналов и одиночная спектральная составляющая (фиг.2.в).
Если переключатель 11 переводится во второе II положение, то к устройству подключается генератор 9 сложных ЧМн сигналов, который также работает в трех режимах. В первом режиме генератор 9 формирует сигнал с минимальной частотной манипуляцией (ЧМн-2) (фиг.3.а)
uс(t)=Uс×cos[2 fcpt+ (t)+ c], 0 t Tc,
где – средняя частота сигнала;

(t) – изменяющаяся во времени фазовая функция (фиг.4).
В этом случае на выходе полосового фильтра 14 образуется ЧМн сигнал с индексом девиации частоты h=1. Причем его спектр трансформируется в две спектральные составляющие на частотах 2f1 и 2f2. На выходе полосового фильтра 16 образуются две спектральные составляющие на частотах 4f1 и 4f2. А на выходе полосового фильтра 18 образуются две спектральные составляющие на частотах 8f1 и 8f2 (фиг.2.г).
Если генератор 9 переводится во второй режим, то на его выходе образуется сложный сигнал с дуобинарной частотной манипуляцией (ЧМн-3). В этом случае на выходах полосовых фильтров 16 и 18 образуются спектральные составляющие на частотах 4f1, 4fcp, 4f2 и 8f1, 8fcp, 8f2, т.е. сплошной спектр трансформируется в три спектральные составляющие. На выходе умножителя 13 спектр ЧМн-3 сигнала трансформируется в другой сплошной спектр, поскольку h<1 (фиг.2.д).
Если генератор 9 переводится в третий режим, то на его выходе формируется сложный сигнал со округлением (ЧМн-5). На выходе 9 умножителя 17 спектр ЧМн-5 сигнала трансформируется в пять спектральных лепестков с пиковыми значениями на частотах 8f1, 8f3, 8fcp, 8f4, 8f2. На выходах умножителей 13 и 15 сплошной спектр ЧМн-5 сигнала трансформируется в другие сплошные спектры, так как в этих случаях h<1 (фиг.2.е).
Если переключатель 11 переводится в третье III положение, то к устройству подключается генератор 10 сложных ЧМ сигналов, который работает в двух режимах.
В общем случае сложный ЧМ сигнал описывается следующим выражением:
uс(t)=Uс×cos(2 fct+ tj+ c), 0 t Tc,
где – скорость изменения частоты внутри импульса;
fд – девиация частоты;
j=2, 3 – в зависимости от вида частотной модуляции.
На выходах полосовых фильтров 14, 16 и 18 в этом случае образуются следующие напряжения:
u4(t)=U4×cos(4 fct+2 tj+2 c),
u5(t)=U5×cos(8 fct+4 tj+4 c),
u6(t)=U6×cos(16 fct+8 tj+8 c), 0 t Tc.
Так как длительность Тc ЧМ сигнала на основной, второй, четвертой и восьмой гармониках частоты одинакова, то увеличение в два, четыре и восемь раз происходит за счет увеличения в два, четыре и восемь раз девиации частоты fд. Из этого следует, что ширина спектра ЧМ сигнала на второй f2, четвертой f4 и восьмой f8 гармониках частоты в два, четыре и восемь раз больше его ширины fc на основной гармонике ( f2=2 fc, f4=4 fc, f8=8 fc).
Следовательно, на экране осциллографа 22 при последовательном переводе переключателя 12 в положение II, III, IV наблюдаются амплитудные спектры ЧМ сигналов, ширина которых в два, четыре и восемь раз больше его ширины спектра fc исходного ЧМ сигнала (фиг.2.ж). Это обстоятельство и является признаком распознавания ЧМ сигнала.
Для определения вида частотной модуляции оператор переводит переключатель 23 в третье III положение, при котором генератор 10 через переключатели 11, 12 и 23 подключается к пьезоэлектрическому преобразователю ячейки Брэгга 24, на пути распространения дифрагируемой части пучка света которой последовательно установлены диафрагма 25, линза 26, диафрагма 27 и оптический клин 28. В фокальной плоскости линзы 26 размещен фотопреобразователь 29, соединенный с осциллографом 30.
Оптический клин 28 представляет собой маску, имеющую вид прозрачного равнобедренного треугольника на непрозрачном фоне. Прозрачность оптического клина изменяется по линейному закону вдоль оси ОХ, расположенной перпендикулярно дифрагированному пучку света. За счет диафрагм 26 и 27 размер апертуры выбран так, чтобы максимально локализовать в пространстве мгновенный спектр анализируемого ЧМ сигнала. При этом ячейка Брэгга 24, диафрагмы 25 и 27, линза 26, оптический клин 28 и фотопреобразователь 29 образуют акустооптический демодулятор ЧМ сигналов, на выходе которого образуется напряжение, пропорциональное закону частотной модуляции анализируемого сигнала.
В первом режиме (j=2) генератор 10 формирует сигнал с линейной частотной модуляцией (ЛЧМ), который визуально наблюдается на экране осциллографа 30 (фиг.3.з).
Во втором режиме (j=3) генератор 10 формирует сигнал с квадратичной частотной модуляцией (КЧМ), который визуально наблюдается на экране осциллографа 30 (фиг.3.з).
Для визуальной демонстрации комплексного спектра Sc(j ) сложных сигналов переключатель 12 устанавливается в I положение, переключатель 11 последовательно в I, II или III положение в зависимости от анализируемого сложного сигнала, а выключатель 45 замыкается. При этом генератор 44 ЛЧМ сигнала через замкнутый выключатель 45 подключается к пьезоэлектрическому преобразователю ячейки Брэгга 32
uл(t)=Uл×cos(2 fлt+ лt2+ л), 0 t Тл,
где Uл, fл, л, Tл – амплитуда, начальная частота, начальная фаза и длительность напряжения генератора;
– скорость изменения частоты ЛЧМ-сигнала;
fл – девиация частоты.
На пути распространения дифрагируемой ячейкой Брэгга 32 части пучка света устанавливаются линза 33, дифракционная решетка 34 и ячейка Брэгга 35, на пьезоэлектрический преобразователь которой подается анализируемый сигнал. При этом линза 33 формирует параллельный пучок света, который дифрагирует на дифракционной синусоидальной решетке 34 и ячейке Брэгга 35. На пути распространения дифрагируемой ячейкой Брэгга 35 части пучка света устанавливается линза 36, диафрагма 37 и фотопреобразователь 38, размещенный в фокальной плоскости линзы 36. Линза 36 осуществляет пространственное интегрирование анализируемого сигнала и ЛЧМ-сигнала.
Диаметр dп сфокусированного линзой 31 пучка света выбирается из условия

где Vзв – скорость звука в ячейке Брэгга;
fл – начальная частота ЛЧМ-сигнала.
Это условие необходимо обеспечить для того, чтобы пучок света в ячейке Брэгга 35 дифрагировал в каждый момент выборки только на одной частотной составляющей.
Пропускание дифракционной решетки 34 можно представить в виде

где d – шаг решетки;
x – координата в плоскости решетки.
Умножив амплитуду дифрагированного в ячейке Брэгга 32 части пучка света на коэффициент пропускания решетки и ограничиваясь рассмотрением только первого порядка дифрагированного в ячейке Брэгга 32 части пучка света, можно получить следующее выражение для полезной мощности излучения:

где Ui, – амплитуда i-й частотной составляющей;
– пространственная частота в плоскости диафрагмы 37;
n – количество частотных составляющих;
К2 – коэффициент пропорциональности.
Из этого выражения видно, что воспроизводится огибающая спектра сигнала на определенной частоте с учетом фазы каждой частотной составляющей. Выделяя с помощью амплитудного детектора 41 низкочастотную огибающую из полезной мощности, образующейся на выходе фотопреобразователя 38, и преобразовывая ее с помощью аналого-цифрового преобразователя 42 в код, можно измерить и зафиксировать амплитуду i-й частотной составляющей сложного сигнала.
Для измерения фазы каждой частотной составляющей девиация частоты fл ЛЧМ – генератора 44 выбирается равной ширине спектра fc анализируемого сложного сигнала ( fл= fс). Тогда в каждый момент выборки частота спектральной составляющей сигнала соответствует частоте ЛЧМ-сигнала, т.е.
fi-(2 fл+ лt)=0.
Для определения фазы сигнала необходимо сдвинуть начальную частоту fл ЛЧМ-сигнала относительно несущей частоты сигнала на некоторую величину f
fi-(2 fл+ лt)= f.
Для того чтобы при этом условии совместить дифрагированные пучки по пространству, введена дифракционная решетка 34.
Для измерения фазы i-й частотной составляющей i на цифровом фазометре 39 подаются сигнал опорной частоты от опорного генератора 40 и полезная мощность с выхода фотопреобразователя 38. Цифровой фазометр 39 обеспечивает измерение фазы i-й частотной составляющей за период частоты f. Измеренные амплитуда и фаза каждой спектральной составляющей фиксируются осциллографом 43.
Таким образом, предлагаемый прибор по сравнению с прототипом обеспечивает наглядную демонстрацию комплексных спектров сложных сигналов. Тем самым дидактические возможности прибора расширены.
Формула изобретения
Учебный прибор по оптике, содержащий последовательно установленные на пути распространения пучка света осветителя первую и вторую ячейки Брэгга, объект, размещенный на вибраторе, и первый фотопреобразователь, подключенный к первому входу первого осциллографа, три генератора сложных сигналов, соединенных выходами через первый переключатель с последовательно включенными первым умножителем, первым полосовым фильтром, вторым умножителем, вторым полосовым фильтром, третьим умножителем и третьим полосовым фильтром и первым выводом второго переключателя, подключенного вторым, третьим и четвертым выводами к выходам соответствующих полосовых фильтров и связанного дополнительно первым, вторым и третьим выводами с вторыми входами соответствующих умножителей, при этом на пути распространения дифрагируемой первой ячейкой Брэгга части пучка света установлена первая линза, в фокальной плоскости которой размещен второй фотопреобразователь, подключенный к первому входу второго осциллографа, на пути распространения дифрагируемой второй ячейкой Брэгга части пучка света последовательно установлены первая диафрагма, вторая линза, вторая диафрагма, оптический клин и третий фотопреобразователь, размещенный в фокальной плоскости второй линзы и подключенный к первому входу третьего осциллографа, вторые входы осциллографов и вход вибратора соединен с выходом источника питания, пятый вывод второго переключателя связан с третьим выводом третьего переключателя, первый и второй выходы которого подключены к входам пьезоэлектрических преобразователей первой и второй ячеек Брэгга соответственно, отличающийся тем, что он снабжен третьей, четвертой и пятой линзами, третьей и четвертой ячейками Брэгга, дифракционной решеткой, третьей диафрагмой, четвертым фотопреобразователем, цифровым фазометром, опорным генератором, амплитудным детектором, аналого-цифровым преобразователем, четвертым осциллографом, генератором ЛЧМ сигнала и выключателем, причем на пути распространения пучка света между второй ячейкой Брэгга и объектом последовательно установлены третья линза и третья ячейка Брэгга, вход пьезоэлектрического преобразователя которой через выключатель соединен с выходом генератора ЛЧМ сигнала, на пути распространения дифрагируемой третьей ячейкой Брэгга части пучка света последовательно установлены четвертая линза, дифракционная решетка и четвертая ячейка Брэгга, вход пьезоэлектрического преобразователя которой соединен с пятым выводом второго переключателя, на пути распространения дифрагируемой четвертой ячейкой Брэгга части пучка света последовательно установлены пятая линза, третья диафрагма и четвертый фотопреобразователь, размещенный в фокальной плоскости пятой линзы и подключенный к последовательно соединенным амплитудному детектору, аналого-цифровому преобразователю и четвертому осциллографу, второй вход которого через цифровой фазометр соединен с выходами четвертого фотопреобразователя и опорного генератора, а третий вход соединен с выходом источника питания.
РИСУНКИ
MM4A – Досрочное прекращение действия патента СССР или патента Российской Федерации на изобретение из-за неуплаты в установленный срок пошлины за поддержание патента в силе
Дата прекращения действия патента: 20.02.2009
Извещение опубликовано: 10.10.2010 БИ: 28/2010
|
|