|
|
(21), (22) Заявка: 2007106314/12, 19.02.2007
(24) Дата начала отсчета срока действия патента:
19.02.2007
(46) Опубликовано: 10.09.2008
(56) Список документов, цитированных в отчете о поиске:
RU 2051425 C1, 27.12.1995. RU 2270522 C1, 20.02.2006. ДИКАРЕВ В.И., КАЙНАШ Б.В, МАКАРОВ О.А. “Акустооптика и ее техническое применение”, учебное пособие. – С.-Пб., 1999, с.264. RU 2196359 С2, 10.01.2003.
Адрес для переписки:
197082, Санкт-Петербург, П-082, ул. Красного курсанта, 16, Военно-космическая академия имени А.Ф.Можайского
|
(72) Автор(ы):
Дикарев Виктор Иванович (RU), Альжанов Артур Булатович (RU), Тимофеев Дмитрий Иванович (RU), Стельмах Иван Владимирович (RU), Шишкин Николай Викторович (RU)
(73) Патентообладатель(и):
Военно-космическая академия имени А.Ф. Можайского (RU)
|
(54) УЧЕБНЫЙ ПРИБОР ПО АКУСТООПТИКЕ
(57) Реферат:
Изобретение относится к учебным приборам и тренажерам по акустооптике и может быть использовано для изучения методов и средств акустооптической обработки сложных радиосигналов. Третья и четвертая ячейки Брэгга расположены на оптической оси устройства между второй ячейкой Брэгга и объектом вплотную одна к другой с одинаковыми направлениями распространения в них акустических волн. Третья и четвертая ячейки Брэгга смещены относительно друг друга на величину х=V· И, где V – скорость распространения акустических волн, И – длительность элементарных посылок. Входы пьезоэлектрических преобразователей третьей и четвертой ячеек Брэгга через четвертый переключатель соединены с первым выводом третьего переключателя. На пути распространения дифрагируемой третьей и четвертой ячейками Брэгга части пучка света установлена третья линза, в фокальной плоскости которой размещен четвертый фотопреобразователь, выход которого подключен к первому входу четвертого осциллографа, второй вход которого соединен с выходом источника питания. Техническим результатом изобретения является расширение функциональных возможностей прибора путем наглядной демонстрации синхронного детектирования сложных сигналов с бинарной фазовой манипуляцией. 4 ил.
Предлагаемое устройство относится к учебным приборам и тренажерам по акустооптике и может быть использовано для изучения методов и средств акустооптической обработки сложных радиосигналов.
Акустооптическая обработка сложных радиосигналов обеспечивает возможность:
– трансформации радиодиапазона в оптический диапазон через промежуточный акустический аналог;
– преобразования амплитудных, частотных и фазовых различий радиосигналов в пространственные различия оптических сигналов;
– параллельной, одновременной и практически мгновенной обработки нескольких радиосигналов;
– весьма простой реализации на практике анализаторов спектра, корреляторов, демодуляторов, пеленгаторов, регулируемых линий задержки, устройств выполнения операции линейной алгебры и других устройств;
– с помощью одного лазера просвечивать несколько ячеек Брэгга.
Следует отметить, что основной особенностью акустооптической обработки радиосигналов является пространственная двухмерность оптических сигналов, в связи с чем возможности обработки радиосигналов в оптическом диапазоне оказывается существенно шире, чем в радиодиапазоне, где радиосигналы имеют временную одномерность.
Известны устройства, используемые в качестве учебных приборов по оптике и акустооптике (авт. свид. СССР №№1010643, 1770974; патент РФ №2051425; Дикарев В.И., Кайнаш Б.В., Макаров О.А. Акустооптика и ее техническое применение. Учебное пособие. – С-Пб., 1999, 264 с.).
Из известных устройств наиболее близким к предлагаемому является Учебный прибор по оптике (патент РФ №2051425, G09В 23/22, 1993), который и выбран в качестве прототипа.
Указанное устройство обеспечивает наглядную демонстрацию акустооптической обработки сложных радиосигналов; возможность трансформации радиодиапазона в оптический диапазон через промежуточный акустический аналог; возможность преобразования амплитудных, частотных и фазовых различий радиосигналов в пространственные различия оптических сигналов; возможность параллельной, одновременной и практически мгновенной обработки большого количества радиосигналов; возможность свертки спектра сложных радиосигналов и трансформации его в отдельные спектральные составляющие; возможность демодуляции сложных ЧМ-сигналов.
Среди сложных радиосигналов широкое практическое применение нашли, кроме ЧМ-сигналов, сложные сигналы с фазовой манипуляцией.
Технической задачей изобретения является расширение функциональных возможностей прибора путем наглядной демонстрации синхронного детектирования сложных сигналов с бинарной фазовой манипуляцией.
Поставленная задача решается тем, что учебный прибор по акустооптике, содержащий в соответствии с ближайшим аналогом осветитель, на пути распространения пучка света которого последовательно установлены первая и вторая ячейки Брэгга, объект, установленный на вибраторе, и первый фотопреобразователь, выход которого подключен к первому входу первого осциллографа, на пути распространения дифрагируемой первой ячейкой Брэгга части пучка света установлена первая линза, в фокальной плоскости которой размещен второй фотопреобразователь, выход которого подключен к первому входу второго осциллографа, на пути распространения дифрагируемой второй ячейки Брэгга части пучка света последовательно установлены первая диафрагма, вторая линза, вторая диафрагма, оптический клин и третий фотопреобразователь, размещенный в фокальной плоскости второй линзы и соединенный выходом с первым входом третьего осциллографа, источник питания, соединенный выходом с входом вибратора и вторыми входами первого, второго и третьего осциллографов, генераторы сложных сигналов, соединенные выходами через первый переключатель с последовательно включенными первым умножителем, первым полосовым фильтром, вторым умножителем, вторым полосовым фильтром, третьим умножителем, третьим полосовым фильтром и первым выводом второго переключателя, подключенного вторым, третьим и четвертым выводами к выходам соответствующих полосовых фильтров и связанного дополнительно первым, вторым и третьим выводами с вторыми входами соответствующих умножителей, при этом пятый вывод второго переключателя связан с первым выводом третьего переключателя, второй и третий выводы которого подключены к входам пьезоэлектрических преобразователей первой и второй ячеек Брэгга соответственно, отличается от ближайшего аналога тем, что он снабжен четвертым переключателем, третьей и четвертой ячейками Брэгга, третьей линзой, четвертым фотопреобразователем и четвертым осциллографом, причем третья и четвертая ячейки Брэгга расположены на оптической оси устройства между второй ячейкой Брэгга и объектом вплотную одна к другой с одинаковыми направлениями распространения в них акустических волн, смещены относительно друг друга на величину x=V· И, где V – скорость распространения акустических колебаний; И – длительность элементарных посылок, входы пьезоэлектрических преобразователей третьей и четвертой ячеек Брэгга через четвертый переключатель соединены с первым выводом третьего переключателя, на пути распространения дифрагируемой третьей и четвертой ячейками Брэгга части пучка света установлена третья линза, в фокальной плоскости которой размещен четвертый фотопреобразователь, выход которого подключен к первому входу четвертого осциллографа, второй вход которого соединен с выходом источника питания.
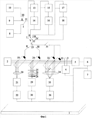
Структурная схема прибора представлена на фиг.1. Вид возможных осциллограмм изображен на фиг.2. Взаимное расположение символьных частот сложных сигналов с многократной частотной манипуляцией показано на фиг.3. Временные диаграммы, поясняющие принцип синхронного детектирования бинарных ФМн-сигналов, представлены на фиг.4.
Учебный прибор по акустооптике содержит основание 1, осветитель 2, на пути распространения пучка света которого последовательно установлены первая 19, вторая 24, третья 32 и четвертая 33 ячейки Брэгга, объект 3, установленный на вибраторе 4, и первый фотопреобразователь 5, выход которого подключен к первому входу первого осциллографа 6, на пути распространения дифрагируемой первой ячейкой Брэгга 19 части пучка света установлена первая линза 20, в фокальной плоскости которой размещен второй фотопреобразователь 21, выход которого подключен к первому входу второго осциллографа 22, на пути распространения дифрагируемой второй ячейкой Брэгга 24 части пучка света последовательно установлены первая диафрагма 25, вторая линза 26, вторая диафрагма 27, оптический клин 28 и третий фотопреобразователь 29, размещенный в фокальной плоскости второй линзы 26 и соединенный выходом с первым входом третьего осциллографа 30, третья 32 и четвертая 33 ячейки Брэгга расположены на оптической оси устройства вплотную одна к другой с одинаковыми направлениями распространения в них акустических волн, смещены относительно друг друга на величину х=V· И, где V – скорость распространения акустических волн; И – длительность элементарных посылок, на пути распространения дифрагируемой третьей 32 и четвертой 33 ячейками Брэгга части пучка света установлена третья линза 34, в фокальной плоскости которой размещен четвертый фотопреобразователь 35, выход которого подключен к первому входу четвертого осциллографа 36, источник 7 питания, соединенный выходом с входом вибратора 4 и вторыми входами осциллографов 6, 22, 30 и 36, первый генератор 8 сложных фазоманипулированных (ФМн) сигналов, второй генератор 9 сложных частотно-манипулированных (ЧМн) сигналов, третий генератор 10 сложных частотно-модулированных (ЧМ) сигналов, генераторы 8-10 сложных сигналов через переключатель 11 соединены с двумя входами первого умножителя 13, к выходу которого последовательно подключены первый полосовой фильтр 14, второй умножитель 15, второй полосовой фильтр 16, третий умножитель 17 и третий полосовой фильтр 18. Входы пьезоэлектрических преобразователей ячеек Брэгга 19 и 24 через переключатели 23 и 12 соединены с выходами переключателя 11 и полосовых фильтров 14, 16 и 18. Входы пьезоэлектрических преобразователей ячеек Брэгга 32 и 33 соединены через переключатели 31, 23 и 12 с выходом переключателя 11.
Прибор работает следующим образом. При включении осветителя 2, в качестве которого могут быть использованы лазер и коллиматор, сколлимированный пучок света проходит через ячейки Брэгга 19, 24, 32, 33 и объект 3. Последний вызывает интерференцию, в результате чего световой пучок пространственно перераспределяется и некоторая часть его попадает на фотопреобразователь 5. При подаче напряжения от источника питания вибратор 4 приводит объект 3 в колебательное движение, синхронно с движением луча индикатора 6 по экрану и в различные моменты времени на фотопреобразователь 5 попадают различные части пространственно перераспределенного объектом 3 светового пучка. На экране осциллографа 6 возникает картина пространственного распределения энергии в световом пучке, например, для явления интерференции. При постановке переключателя 11 в первое положение I к устройству подключается генератор 8 сложных (ФМн) сигналов, который может работать в трех режимах. В первом режиме генератор 8 формирует сложный сигнал с бинарной фазовой манипуляцией (ФМн-2) [ k(t)=0, ]. Во втором режиме генератор 8 формирует сложный сигнал с двукратной фазовой манипуляцией (ФМн-4) [ k(t)=0, /2, , 3/2 ]. В третьем режиме генератор 8 формирует сложный сигнал с трехкратной фазовой манипуляцией (ФМн-8) [ k(t)=0, /4, /2, 3/4 , , 5/4 , 3/2 , 7/4 ].
При работе в первом режиме генератор 8 формирует ФМн-2 сигнал Uc(t)=Vc·cos[2 fct+ k(t)+ c], 0 t Tc,
где Vc, fс, tc, c – амплитуда, несущая частота, длительность и начальная фаза сигнала;
k(t)=0, – манипулируемая составляющая фазы сигнала, отображающая закон фазовой манипуляции, причем k(t)=const при К ИИ и может изменяться скачком при t=К И, т.е. на границах между элементарными посылками (К=1, 2,…, N-1);
И, N – длительность и количество элементарных посылок, из которых составлен сигнал длительностью Тc(Tc=N· И).
Этот сигнал через переключатель 11 поступает на два входа умножителя 13, на выходе которого образуется гармоническое напряжение
U1(t)=V1·cos(4 fct+2 с), 0 t Tc,
где 
К – коэффициент передачи умножителя.
Так как 2 k(t)=0,2 , то в указанном напряжении фазовая манипуляция уже отсутствует. Напряжение U1(t) выделяется полосовым фильтром 14 и поступает на два входа умножителя 15, на выходе которого образуется гармоническое напряжение
U2(t)=Vc·cos(8 fct+4 с), 0 t Tc,
где 
Это напряжение выделяется полосовым фильтром 16 и поступает на два входа умножителя 17, на выходе которого образуется гармоническое напряжение
U3(t)=V3·cos(16 fct+8 с), 0 t Tc,
где 
Это напряжение выделяется полосовым фильтром 18.
При постановке переключателей 12 и 23 в первое положение I ФМн-2 сигнал поступает на пьезоэлектрический преобразователь ячейки Брэгга 19.
Пучок света от осветителя 2 проходит через ячейку Брэгга 19 и дифрагирует на акустических колебаниях, возбужденных ФМн-2 сигналом. На пути распространения дифрагируемой части пучка света, а дифрагирует приблизительно 1/10 часть основного пучка света, установлена линза 20, формирующая пространственный спектр сложного ФМн-2 сигнала. В фокальной плоскости линзы 20 установлен фотопреобразователь 21, соединенный с осциллографом 22.
Ячейка Брэгга 19 (24, 32, 33) состоит из звукопровода и возбуждающей гиперзвук пьезоэлектрической пластины, выполненной из кристалла ниобата лития соответственно Х и Y-35° среза. Это обеспечивает автоматическую подстройку по углу Брэгга и работу ячейки в широком диапазоне частот.
Ширина спектра ФМн-2 сигнала fc определяется длительностью И элементарных посылок ( fc=1/ И).
Тогда как ширина спектра второй f2, четвертой f4 и восьмой f8 гармоник определяется длительностью Tc сигнала ( f2= f4= f8=1/Tc). Следовательно, при умножении фазы на два, четыре и восемь спектр ФМн-2 сигнала сворачивается в N раз
( fc/ f2= fc/ f4= fc/ f8=N).
И транспортируется в одиночные спектральные составляющие. Это обстоятельство и является признаком распознавания сложного ФМн-2 сигнала.
При установке переключателей 12 и 23 в первое положение I на экране осциллографа 22 визуально наблюдается амплитудный спектр ФМн-2 сигнала (фиг.2а, I). При переключении переключателя 12 в положение II, III и IV на экране осциллографа 22 визуально наблюдаются одиночные спектральные составляющие (фиг.2а, II, III, IV).
Если генератор 8 переводится во второй режим, то на его выходе формируется ФМн-4 сигнал [ k(t)=0, /2, ,3/2 ].
В этом случае на выходе полосового фильтра 14 образуется ФМн-2 сигнал [ k(t)=0, , 2 , 3 ], а на выходе полосовых фильтров 16 и 18 образуются соответствующие гармонические напряжения U2(t) и U3(t). При нахождении переключателя 12 в положении I или II на экране осциллографа 22 наблюдаются амплитудные спектры ФМн-2 и ФМн-4 сигналов (фиг.2б, I, II), а при переключении переключателя 12 в положение III или IV на экране осциллографа 22 наблюдаются одиночные спектральные составляющие (фиг.2б, III, IV).
Если генератор 8 переводится в третий режим, то на его выходе формируется ФМн-8 сигнал [ k(t)=0, /4, /2,3/4 , ,5/4 ,3/2 ,7/4 ].
На выходах полосовых фильтров 14 и 16 образуются ФМн-4 и ФМн-2 сигналы, а на выходе полосового фильтра 18 образуется гармоническое напряжение U3(t). В этом случае на экране осциллографа 22 при I, II и III положениях переключателя 12 наблюдаются спектры ФМн-8, ФМн-4 и ФМн-2 сигналов (фиг.2в, I, II, III), а при IV положении переключателя 12 наблюдается одиночная спектральная составляющая (фиг.2в, IV).
Если переключатель 11 переводится во второе положение II, то к устройству подключается генератор 9 сложных (ЧМн) сигналов, который также работает в трех режимах. В первом режиме генератор 9 формирует сигнал с минимальной частотной манипуляцией (ЧМн-2) (фиг.3а).
0 t Tc,
где (t) – изменяющаяся во времени фазовая функция;
fcp=f1+f2/2 – средняя частота сигнала,

В этом случае на выходе полосового фильтра 14 образуется ЧМн-сигнал с индексом девиации частоты h=1. Причем его спектр трансформируется в две спектральные составляющие на частотах 2f1 и 2f2 (фиг.2г, III). На выходе полосового фильтра 16 образуются две спектральные составляющие на частотах 4f1 и 4f2 (фиг.2г, III). А на выходе полосового фильтра 18 образуются две спектральные составляющие на частотах 8f1 и 8f2 (фиг.2г, IV).
Если генератор 9 переводится во второй режим, то на его выходе образуется сложный сигнал с дуобинарной частотой манипуляций (ЧМн-3). В этом случае на выходах полосовых фильтров 16 и 18 образуются спектральные составляющие на частотах 4f1, 4fcp и 4f2 (фиг.2д, III) и 8f1, 8fcp и 8f2 (фиг.2д, IV), т.е. сплошной спектр трансформируется в три спектральные составляющие. На выходе умножителя 13 спектр ЧМн-3 сигнала трансформируется в другой сплошной спектр, поскольку h<1 (фиг.2д, II).
Если генератор 9 переводится в третий режим, то на его выходе формируется сложный сигнал со скруглением (ЧМн-5). На выходе умножителя 17 спектр ЧМн-5 сигнала формируется в пять спектральных лепестков с пиковыми значениями на частотах 8f1, 8f3, 8fcp, 8f4, 8f2 (фиг.2е, IV). На выходах умножителей 13 и 15 сплошной спектр ЧМн-5 сигнала трансформируется в другие сплошные спектры, так как в этих случаях h<1 (фиг.2е, II, III).
Если переключатель 11 переводится в третье положение III, то к устройству подключается генератор 10 сложных (ЧМ) сигналов, который работает в двух режимах.
В общем случае сложный ЧМ-сигнал описывается следующим выражением:
0 t Tc,
где Vc, fc, tc, c – амплитуда, начальная частота, длительность и начальная фаза сигнала;
= fg/Tc – скорость изменения частоты внутри импульса;
j=2, 3 – в зависимости от вида частотной модуляции.
На выходах полосовых фильтров 14, 16 и 18 в этом случае образуются следующие напряжения:



0 t Tc.
Так как длительность Tc ЧМ-сигнала на основной второй, четвертой и восьмой гармониках частоты одинакова, то увеличение в два, четыре и восемь раз происходит за счет увеличения в два, четыре и восемь раз девиации частоты fg. Из этого следует, что ширина спектра ЧМ-сигнала на второй f2, четвертой f4 и восьмой f8 гармониках частоты в два, четыре и восемь раз больше его ширины fc на основной гармонике ( f2=2 fc, f4=4 fc, f8=8 fc).
Следовательно, на экране осциллографа 22 при последовательном переводе переключателя 12 в положение II, III, IV наблюдаются амплитудные спектры ЧМ-сигналов, ширина которых в два, четыре и восемь раз больше ширины спектра fc исходного ЧМ-сигнала (фиг.2ж). Это обстоятельство и является признаком распознавания ЧМ-сигнала.
Для определения вида частотной модуляции оператор переводит переключатель 23 во второе положение II, при котором генератор 10 через переключатели 11, 12 и 23 подключается к пьезоэлектрическому преобразователю ячейки Брэгга 24, на пути распространения дифрагируемой части пучка света которой последовательно установлены диафрагма 25, линза 26, диафрагма 27 и оптический клин 28. В фокальной плоскости линзы 26 размещен фотопреобразователь 29, соединенный с осциллографом 30.
Оптический клин 28 представляет собой маску, имеющую вид прозрачного равнобедренного треугольника на непрозрачном фоне. Прозрачность оптического клина изменяется по линейному закону вдоль оси ОХ, расположенной перпендикулярно дифрагированному пучку света. За счет диафрагм 26 и 27 размер апертуры выбран так, чтобы максимально локализовать в пространстве мгновенный спектр анализируемого ЧМ-сигнала. При этом ячейка Брэгга 24, диафрагмы 25 и 27, линза 26, оптический клин 28 и фотопреобразователь 29 образуют акустооптический демодулятор ЧМ-сигналов, на выходе которого образуется напряжение, пропорционально закону частотной модуляции анализируемого сигнала.
В первом режиме (j=2) генератор 10 формирует сигнал с линейной частотной модуляцией (ЛЧМ), который визуально наблюдается на экране осциллографа 30 (фиг.2з, I, II, III).
Во втором режиме (j=3) генератор 10 формирует сигнал с квадратичной частотной модуляцией (КЧМ), который наблюдается на экране осциллографа 30 (фиг.2з, IV).
Для наглядной демонстрации синхронного детектирования бинарных ФМн-сигналов переключатель 11 устанавливается в I положение, переключатель 12 устанавливается также в I положение, а переключатель 31 замыкается.
При постановке переключателя 11 в первое I положение к устройству подключается генератор 8 сложных ФМн-сигналов, который устанавливается в первый режим и формирует сложный сигнал с бинарной фазовой манипуляцией (ФМн-2) [ k(t)=0, ]. Это достигается путем манипуляции фазы гармонического колебания (фиг.4,а)
0 t Tc,
в соответствии с модулирующим кодом M(t) (фиг.4,б). Сформированный ФМн-2 сигнал (фиг.4,в)
Uс(t)=Vс·cos[2 fct+ k(t)+ c], 0 t Tc,
где k(t)={0, }
с выхода генератора 8, через переключатели 11, 12 и 31 поступает на входы пьезоэлектрических преобразователей ячеек Брэгга 32 и 34.
Ячейки Брэгга 32 и 34, установленные на общей оптической оси устройства вплотную друг к другу с одинаковыми направлениями распространения в них акустических колебаний, линза 34 и фотопреобразователь 35 образуют акустооптический демодулятор ФМн-2 сигнала. При этом указанные ячейки смещены относительно друг друга (вдоль оси X) на величину
x=V· И,
где V – скорость распространения акустических колебаний;
И – длительность элементарных посылок, из которых состоит ФМн-сигнал длительностью Тc (Tc=N· И);
N – количество элементарных посылок.
Причем опорным напряжением для каждой элементарной посылки служит предыдущая посылка. В акустооптическом демодуляторе сравниваются по фазе входной сигнал Uc(t) (фиг.4,в) и его задержанная копия U1(t) (фиг.4,г)
U1(t)Vc·cos[2 fc(t- з)+ k(t- з)+ c], 0 t Tc,
где З= И.
Практическая реализация акустооптического демодулятора возможна только при априорном знании длительности И элементарных посылок. Низкочастотное напряжение Uн(t) (фиг.4,д), пропорциональное моделирующему коду M(t) (фиг.4,б), визуально наблюдается на экране осциллографа 36.
Таким образом, предлагаемый прибор по сравнению с прототипом позволяет наглядно продемонстрировать принцип синхронного детектирования бинарных ФМн-сигналов. При этом используемый акустооптический демодулятор свободен от явления “обратной работы”, которое присуще известным демодуляторам А.А.Пистолькорса, В.И.Сидорова, Д.Ф.Костаса и Г.А.Травина. Тем самым функциональные возможности известного учебного прибора по акустооптике расширены.
Формула изобретения
Учебный прибор по акустооптике, содержащий осветитель, на пути распространения пучка света которого последовательно установлены первая и вторая ячейки Брэгга, объект, установленный на вибраторе, и первый фотопреобразователь, выход которого подключен к первому входу первого осциллографа, на пути распространения дифрагируемой первой ячейкой Брэгга части пучка света установлена первая линза, в фокальной плоскости которой размещен второй фотопреобразователь, выход которого подключен к первому входу второго осциллографа, на пути распространения дифрагируемой второй ячейкой Брэгга части пучка света последовательно установлены первая диафрагма, вторая линза, вторая диафрагма, оптический клин и третий фотопреобразователь, размещенный в фокальной плоскости второй линзы и соединенный выходом с первым входом третьего осциллографа, источник питания, соединенный выходом с входом вибратора и вторыми входами первого, второго и третьего осциллографов, генераторы сложных сигналов, соединенные выходами через первый переключатель с последовательно включенными первым умножителем, первым полосовым фильтром, вторым умножителем, вторым полосовым фильтром, третьим умножителем и третьим полосовым фильтром и первым выводом второго переключателя, подключенного вторым, третьим и четвертым выводами к выходам соответствующих полосовых фильтров и связанного дополнительно первым, вторым и третьим выводами со вторыми входами соответствующих умножителей, при этом пятый вывод второго переключателя связан с первым выводом третьего переключателя, второй и третий выводы которого подключены к входам пьезоэлектрических преобразователей первой и второй ячеек Брэгга соответственно, отличающийся тем, что он снабжен четвертым переключателем, третьей и четвертой ячейками Брэгга, третьей линзой, четвертым фотопреобразователем и четвертым осциллографом, причем третья и четвертая ячейки Брэгга расположены на оптической оси устройства между второй ячейкой Брэгга и объектом вплотную одна к другой с одинаковыми направлениями распространения в них акустических волн, смещенных относительно друг друга на величину х=V· И, где V – скорость распространения акустических волн; И – длительность элементарных посылок, входы пьезоэлектрических преобразователей третьей и четвертой ячеек Брэгга через четвертый переключатель соединены с первым выводом третьего переключателя, на пути распространения дифрагируемой третьей и четвертой ячейками Брэгга части пучка света установлена третья линза, в фокальной плоскости которой размещен четвертый фотопреобразователь, выход которого подключен к первому входу четвертого осциллографа, второй вход которого соединен с выходом источника питания.
РИСУНКИ
MM4A – Досрочное прекращение действия патента СССР или патента Российской Федерации на изобретение из-за неуплаты в установленный срок пошлины за поддержание патента в силе
Дата прекращения действия патента: 20.02.2009
Извещение опубликовано: 27.09.2010 БИ: 27/2010
|
|