|
|
(21), (22) Заявка: 2005101853/28, 26.01.2005
(24) Дата начала отсчета срока действия патента:
26.01.2005
(43) Дата публикации заявки: 10.07.2006
(46) Опубликовано: 10.09.2008
(56) Список документов, цитированных в отчете о поиске:
Адрес для переписки:
620034, г.Екатеринбург, ул. Колмогорова, 66, УрГУПС, ОНТИ, Л.Б. Никулиной
|
(72) Автор(ы):
Курченкова Наталия Борисовна (RU), Сергеев Борис Сергеевич (RU)
(73) Патентообладатель(и):
Государственное образовательное учреждение высшего профессионального образования Уральский государственный университет путей сообщения (УрГУПС) (RU)
|
(54) СВЕТОДИОДНАЯ ЛАМПА
(57) Реферат:
Изобретение относится к области приборостроения и может быть использовано в качестве ламп, предназначенных для освещения рабочих мест или других объектов общего или специального применения. Технический результат – расширение функциональных возможностей. Для достижения данного результата введен тиристор, два транзистора, первый и второй контрольные светодиоды. При этом анод тиристора соединен с положительным выводом мостового выпрямителя. Отрицательный вывод мостового выпрямителя подключен к катоду тиристора, эмиттеру первого транзистора и к первому выводу второго резистора, вторым выводом соединенного с катодом из N последовательно и согласно соединенных излучающих светодиодов. 2 з.п. ф-лы, 2 ил.
(56) (продолжение):
CLASS=”b560m”20.06.2004. US 4630248 А, 16.12.1986. RU 24719 U1, 20.08.2002. RU 2123633 С1, 20.12.1998. DE 4206056 С1, 17.06.1993.
Изобретение относится к устройствам электрического освещения и может быть использовано в качестве ламп, предназначенных для освещения рабочих мест или других объектов общего или специального применения.
Известны осветительные приборы с применением ламп накаливания (Сидоров И.Н. Электроника дома и в саду: Справочное пособие. – М.: ИП РадиоСофт, “Горячая линия – Телеком”, 2001. – С.67, рис.2.2). Недостатками подобных устройств являются невысокий кпд излучения, значительное тепловыделение ламп и отсутствие направленности излучения без принятия специальных мер.
Лучшие характеристики имеют осветительные приборы, у которых в качестве излучателей используются светодиоды или светодиодные матрицы (Е.А.Рудометов, В.Е.Рудометов. Электроника и шпионские страсти. – СПб.: “Пергамент”, 1997. – С.122, рис.7.10). Однако в подобные устройства входят активные токозадающие резисторы, которые рассеивают бесполезную мощность потерь, что приводит к излишнему энергопотреблению и необходимости отвода тепла от этих резисторов.
Недостатком подобного устройства является наличие значительной мощности, рассеиваемой устройством в аварийном режиме, а именно при обрыве группы из последовательно включенных N излучающих светодиодов. Это приводит к тому, что в нормально работающем устройстве появляется необходимость установки стабилитрона, который должен в аварийном режиме рассеивать мощность, бóльшую, чем полезная мощность, отдаваемая в цепь последовательно включенных N излучающих светодиодов. Вместе с этим, во многих случаях для обеспечения нормальных электрических режимов требуется использование теплоотводящих устройств, устанавливаемых на стабилитрон. Это приводит к излишней материалоемкости светодиодной лампы, увеличению ее стоимости и к излишнему энергопотреблению лампы в аварийном режиме. Кроме того, в известной светодиодной лампе отсутствует индикация исправности и неисправности элементов светодиодной лампы, что обусловливает определенные трудности при ее эксплуатации и диагностике.
Целью изобретения является снижение материалоемкости, стоимости, уменьшение мощности, потребляемой светодиодной лампой в аварийном режиме, и расширение функциональных возможностей диагностики.
Указанная цель достигается тем, что в светодиодную лампу по п.1 формулы изобретения введен первый транзистор и тиристор, по п.2 формулы введены первый и второй контрольные светодиоды, а по п.3 формулы введен второй транзистор.
Сущность изобретения по п.1 формулы заключается в том, что в схему введены первый транзистор и тиристор, анод которого соединен с положительным выходным выводом мостового выпрямителя, отрицательный выходной вывод которого подключен к катоду тиристора, эмиттеру первого транзистора и к первому выводу второго резистора, вторым выводом соединенного с катодом группы из N последовательно и согласно соединенных излучающих светодиодов и с базой первого транзистора, коллектор которого подключен к управляющему электроду тиристора и к первому выводу третьего резистора, второй вывод которого подключен к аноду тиристора.
Сущность изобретения по п.2 формулы заключается в том, что в схему введены первый и второй контрольные светодиоды, первый из которых анодом и катодом включен между анодом тиристора и положительным выходным выводом мостового выпрямителя соответственно, а второй контрольный светодиод включен между вторым выводом третьего резистора и положительным выходным выводом мостового выпрямителя соответственно.
Сущность изобретения по п.3 формулы заключается в том, что в схему введен второй транзистор, эмиттер которого соединен с управляющим электродом тиристора, коллектор подключен к аноду второго контрольного светодиода, а база соединена с первым выводом третьего резистора и с коллектором первого транзистора.
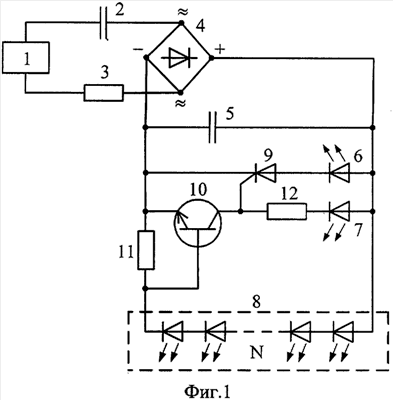
На фиг.1 приведена схема светодиодной лампы по п.1 и п.2 формулы изобретения, а на фиг.2 – схема, соответствующая п.3 формулы изобретения.
Светодиодная лампа по схеме фиг.1 содержит источник переменного напряжения 1, который через первый конденсатор 2 и первый резистор 3 подключен к входам мостового выпрямителя 4. Положительный выходной вывод мостового выпрямителя 4 соединен с первым выводом второго конденсатора 5, с анодами первого 6 и второго 7 контрольных светодиодов и с анодом группы 8, состоящей из N последовательно и согласно соединенных излучающих светодиодов. Отрицательный выходной вывод мостового выпрямителя 4 подключен ко второму выводу второго конденсатора 5, катоду тиристора 9, эмиттеру транзистора 10 и к первому выводу второго резистора 11, второй вывод которого соединен с базой первого транзистора 10 и с катодом группы 8 излучающих светодиодов. Анод тиристора 9 подключен к катоду первого контрольного светодиода 6. Коллектор первого транзистора 10 соединен с управляющим электродом тиристора 9 и с первым выводом третьего резистора 12, второй вывод которого подключен к катоду второго контрольного светодиода 7.
Светодиодная лампа по схеме фиг.2, кроме вышерассмотренных элементов, содержит второй транзистор 13, база которого соединена с коллектором первого транзистора 10 и с первым выводом третьего резистора 12, эмиттер второго транзистора 13 подключен к управляющему электроду тиристора 9, а коллектор транзистора 13 соединен с положительным выходным выводом выпрямительного моста 4.
Светодиодная лампа, схема которой приведена на фиг.1, работает следующим образом.
К входу мостового выпрямителя прикладывается переменное напряжение от источника 1, вследствие чего в этой цепи протекает переменный ток величина которого определяется реактивным сопротивление первого конденсатора 2 и нагрузкой, подключенной к выходам мостового выпрямителя 4. Сопротивление резистора 3 мало, и он предназначен для ограничения амплитуды одноразового импульса тока, появляющегося при подключении светодиодной лампы к источнику переменного напряжения 1. Нагрузкой мостового выпрямителя 4 является группа 8 последовательно и согласно включенных N излучающих светодиодов. Сглаживание пульсаций выпрямленного мостовым выпрямителем 4 напряжения осуществляется вторым конденсатором 5. Вследствие протекания через первый конденсатор 2 тока, группа светодиодов 8 излучает свет, что является нормальным режимом работы светодиодной лампы. Величина тока, протекающего через эти светодиоды, определяется величиной суммарного прямого падения напряжения на них, величиной емкости первого конденсатора 2 и величиной переменного напряжения источника 1. Второй конденсатора 5 предназначен для исключения пульсирующего режима группы 8 излучающих светодиодов при низкой частоте переменного напряжения источника 1, что может негативным образом сказаться на восприятии их глазом человека.
В нормальном режиме работы, когда группа светодиодов 8 излучает свет, через второй резистор 11 протекает постоянный ток, падение напряжения на котором выбирается таким, что переход база-эмиттер транзистора 10 оказывается открытым, вследствие чего он включается. Это обуславливает шунтирование цепи управляющего электрода и катода тиристора 9 и вызывает его выключенное состояние. Таким образом, в нормальном состоянии излучения лампы транзистор 10 открыт, а тиристор 9 выключен и не оказывает влияния на работу схемы.
При открытом состоянии транзистора 10 в его коллекторной цепи протекает ток, значение которого зависит от величины сопротивления резистора 12. Протекание этого тока вызывает излучение второго контрольного светодиода 7, что контролирует целостность цепи группы светодиодов 8 и указывает на исправность лампы.
В случае обрыва цепи группы 8 светодиодов, то есть при возникновении аварийной ситуации, ток через третий резистор 11 прекращается и транзистор 10 закрывается. Это вызывает появление тока через управляющий электрод тиристора 9. Его величина определяется сопротивлением второго резистора 12. Тиристор 9 включается, напряжение на нем снижается до нуля, и светодиод 7 гаснет, что указывает на неисправность лампы. Одновременно с этим, шунтируется выход мостового выпрямителя 4. Ток, протекающий через мостовой выпрямитель 4 и тиристор 9, будет определяться напряжением источника переменного напряжения 1 и реактивным сопротивлением емкости первого конденсатора 2 и является строго заданным значением.
Следовательно, при возникновении неисправности светодиодной лампы и включенном тиристоре 9 выходное напряжение мостового выпрямителя 4 мало, что обусловливает малые потери мощности. При этом конденсатор 2 оказывается подключенным параллельно источнику переменного напряжения 1, что благоприятно сказывается на величине коэффициента мощности нагрузки, подключенной к сети переменного напряжения.
Включенное состояние тиристора 9 обуславливает появление излучения первого контрольного светодиода 6, что указывает на обрыв цепи группы светодиодов 8, то есть на отказ лампы по причине неисправности светодиодов.
Отличия в работе схемы светодиодной лампы, показанной на схеме фиг.2, заключаются в следующем.
Уменьшение мощности потерь в светодиодной лампе по схеме фиг.1 достигается в светодиодной лампе, изображенной на фиг.2. Это достигается в снижении тока управляющего электрода тиристора 9 за счет возможности увеличения сопротивления резистора 12. Так как ток, протекающий через этот резистор, существует как в нормальном режиме работы лампы, так и в аварийном, то это вызывает бесполезные потери мощности.
Уменьшение потерь мощности в светодиодной лампе по схеме фиг.2 достигается тем, что для включения тиристора 9 в аварийном режиме используется ток, протекающий через второй транзистор 13, который в нормальном режиме работы лампы выключен, и протекание тока через него исключено. Его выключенное состояние обеспечивается включенным состоянием первого транзистора 10, который, как и в схеме фиг.1, открывается падением напряжения на втором резисторе 11. Так как ток коллектора первого транзистора 10 должен быть в Н21Э(13) раз меньше, чем в схеме фиг.1, то, очевидно, что мощность, потребляемая лампой в нормальном режиме работы, также будет снижена в Н21Э(13) раз. Здесь Н21Э(13) – коэффициент усиления по току второго транзистора 13.
Таким образом, в предлагаемом изобретении мощность, рассеиваемая элементами схемы в аварийном режиме работы, мала и для них практически не требуется устанавливать теплоотводящие устройства. При этом выполняется индикация нормальной или аварийной работы светодиодной лампы.
Следовательно, в предлагаемой светодиодной лампе уменьшается потребляемая и рассеиваемая мощности, снижается материалоемкость и стоимость и облегчается диагностика работоспособности лампы.
Формула изобретения
1. Светодиодная лампа, содержащая резисторы, первый и второй конденсаторы, группу из N последовательно и согласно включенных излучающих светодиодов и мостовой выпрямитель, входы которого через последовательно соединенные первый конденсатор и первый резистор подключены к источнику переменного напряжения, положительный выходной вывод мостового выпрямителя соединен с первым выводом второго конденсатора и с анодом группы из N последовательно и согласно соединенных излучающих светодиодов, а отрицательный выходной вывод мостового выпрямителя подключен ко второму выводу второго конденсатора, отличающаяся тем, что в схему введены первый транзистор, тиристор, анод которого соединен с положительным выходным выводом мостового выпрямителя, отрицательный выходной вывод которого подключен к катоду тиристора, эмиттеру первого транзистора и к первому выводу второго резистора, вторым выводом соединенного с катодом группы из N последовательно и согласно соединенных излучающих светодиодов, и с базой первого транзистора, коллектор которого подключен к управляющему электроду тиристора и к первому выводу третьего резистора, второй вывод которого подключен к аноду тиристора.
2. Светодиодная лампа по п.1, отличающаяся тем, что в схему введены первый и второй контрольные светодиоды, первый из которых анодом и катодом включен между анодом тиристора и положительным выходным выводом мостового выпрямителя соответственно, а второй контрольный светодиод включен между вторым выводом третьего резистора и положительным выходным выводом мостового выпрямителя соответственно.
3. Светодиодная лампа по любому из пп.1 и 2, отличающаяся тем, что в схему введен второй транзистор, эмиттером соединенный с управляющим электродом тиристора, коллектором подключенный к аноду второго контрольного светодиода, а базой соединенный с первым выводом третьего резистора и с коллектором первого транзистора.
РИСУНКИ
|
|