|
(21), (22) Заявка: 2006120379/28, 09.06.2006
(24) Дата начала отсчета срока действия патента:
09.06.2006
(30) Конвенционный приоритет:
04.01.2005 UA A 2005 00062
(43) Дата публикации заявки: 10.04.2008
(46) Опубликовано: 10.09.2008
(56) Список документов, цитированных в отчете о поиске:
SU 1136081 А, 23.01.1985. RU 2029947 С1, 27.02.1995. SU 1068716 А, 23.01.1984. WO 03/004978 А1, 16.01.2003.
Адрес для переписки:
99000, Украина, г. Севастополь, ул. Капитанская, 2, МГИ НАН Украины, БИСПЛИР, А.Г. Фоминой
|
(72) Автор(ы):
Гайский Виталий Александрович (UA), Гайский Павел Витальевич (UA), Греков Николай Александрович (UA)
(73) Патентообладатель(и):
Морской гидрофизический институт Национальной академии наук Украины (МГИ НАН Украины) (UA)
|
(54) АКУСТИЧЕСКИЙ СПОСОБ ИЗМЕРЕНИЯ СКОРОСТИ И НАПРАВЛЕНИЯ ПОТОКА ЖИДКОСТИ ИЛИ ГАЗА И УСТРОЙСТВО (ЕГО ВАРИАНТЫ) ДЛЯ ЕГО ОСУЩЕСТВЛЕНИЯ
(57) Реферат:
Изобретение может быть использовано для измерения скорости и направления ветра, течения в море. Четыре акустических излучателя-приемника устройств для осуществления способа размещены в вершинах неправильного четырехугольника, лежащего в плоскости потока таким образом, чтобы в диаграмме направленности каждого из них находились три других. Фиксируют двенадцать времен прохождения сигналами акустических трасс в потоке между парами излучателей и приемников. Вычисляют угол между направлением вектора скорости потока и осью абсцисс в приборной системе координат, скорость звука С в среде и модуль вектора скорости v потока по приводимым выражениям. Устройства по обоим вариантам содержат усилители на прием и микропроцессор. В первом варианте устройства имеются генератор импульсных сигналов, выход которого подключен к стартовым входам преобразователей временных интервалов в код, генератор опорной частоты. Устройство по второму варианту содержит четырехразрядный регистр на прием, у которого единичные входы разрядов подключены к выходам усилителей на прием, и четырехразрядный регистр на излучение, ко входу которого подключен один из выходов микропроцессора. Изобретение обеспечивает повышение точности за счет исключения из результата измерения временных задержек в приемо-передающих трактах на акустических трассах. 3 н.п. ф-лы, 4 ил.
Изобретение относится к измерительной технике и предназначено для измерения скорости и направления потока жидкости или газа. Оно может быть использовано для измерения скорости и направления ветра, течения в море.
Известны акустические способы измерения скорости и направления потока жидкости или газа и реализующие их устройства, основанные на использовании нескольких пар разнесенных в пространстве на измерительных базах излучателей-приемников акустических сигналов, организации встречного прохождения акустических сигналов по измерительным базам, определении скорости звука в среде и составляющих проекции вектора скорости потока на измерительные базы по разности времен прохождения акустических сигналов в разных направлениях [1-4].
Точность этих средств измерения ограничена влиянием на результат измерения временной задержки сигналов в передающих и приемных трактах, включая задержки в акустических преобразователях, которые существенно зависят от температуры и давления, и изменяются со временем. Кроме того, в результат измерения входит скорость звука в среде, которую определяют с ограниченной точностью из-за тех же задержек сигналов в приемо-передающих трактах.
Известно устройство для измерения скорости течения, в котором для повышения точности путем независимого косвенного измерения скорости звука и внесения поправок на времена задержек акустических сигналов в приемо-передающих трактах по градуировочным зависимостям задержек от температуры и давления, используют как измерители интервалов времени передачи акустических сигналов, так и измерители относительной электрической проводимости, температуры и гидростатического давления [5].
Это устройство и лежащий в основе его работы акустический способ измерения скорости течения приняты в качестве прототипов для каждого из изобретений, входящих в заявленную группу. Выбор прототипа определен тем, что заявленное техническое решение и средство того же назначения [5] решают одну и ту же задачу. При этом прототип является наиболее близким к заявленному изобретению по технической сущности и совокупности признаков, так как содержит признаки, в большей степени по сравнению с другими влияющие на достижение технического результата, ожидаемого от использования изобретения.
Для заявленного способа общим с прототипом является: использование разнесенных в пространстве акустических излучателей-приемников, излучение и прием акустических сигналов, фиксация времен прохождения сигналов на акустических трассах и вычисление скорости потока в заданной системе координат.
Устройство-прототип, как и заявленное решение, содержит акустические излучатели-приемники, размещенные в пространстве, усилители на прием, преобразователи временных интервалов в код, генератор опорной частоты и микропроцессор, связанные между собой.
Недостатком прототипа является то, что он не обеспечивает необходимой точности измерения. При этом такое техническое решение сложно и требует сложных периодических градуировок.
В основу изобретения поставлена задача создания акустического способа измерения скорости и направления потока жидкости или газа, а также устройства для его осуществления, которые обеспечивают исключение из результата измерения скорости звука и скорости потока временных задержек в приемо-передающих трактах на акустических трассах. Указанный технический результат повышает точность измерений.
Поставленная задача решается тем, что в способе с использованием разнесенных в пространстве акустических излучателей-приемников, включающем излучение и прием акустических сигналов, фиксацию времен прохождения сигналов на акустических трассах и вычисление скорости звука и составляющих вектора скорости потока в заданной системе координат, согласно изобретению акустические излучатели-приемники размещают по одному в вершинах неправильного четырехугольника, лежащего в плоскости потока, таким образом, чтобы в диаграмме направленности каждого из них находились три других. Каждым излучателем облучают одновременно три приемника, фиксируют двенадцать времен прохождения сигналами акустических трасс, включающих пары приемо-передающих трактов и измерительные базы в потоке между излучателем и приемником, вычисляют угол между направлением вектора скорости потока и осью абсцисс в приборной системе координат, скорость звука в среде С и модуль вектора скорости потока v по выражениям:



где 
A1=L12+L14cos 14-L23cos 23-L34cos 34;
B1=L14sin 14-L23sin 23-L34sin 34;
A2=-L12+L13cos 13-L24cos 24+L34cos 34;
B2=L13sin 13-L24sin 24+L34sin 34;
T1= 12– 14– 32+ 34;
T2= 12– 13– 42+ 43;
T3= 21– 23– 41+ 43;
T4= 21– 24– 31+ 34;

где ij – время прохождения сигнала по трассе i-го излучателя и j-го приемника, 
ij – угол между направлением трассы от i-го излучателя к j-му приемнику и осью абсцисс, совпадающей по направлению с 12-й трассой;
Lij – длина измерительной базы ij-трассы в среде.
Согласно первому варианту в устройстве для акустического измерения скорости и направления потока жидкости и газа, содержащем размещенные в пространстве акустические излучатели-приемники, выходы которых через усилители на прием соединены со стоповыми входами преобразователей временных интервалов в код, у которых входы сигналов опорной частоты соединены с выходом генератора опорной частоты, а цифровые выходы соединены с входом микропроцессора, выход которого является выходом устройства, новым является то, что акустические излучатели-приемники по одному размещены в вершинах неправильного плоского четырехугольника таким образом, чтобы в диаграмме направленности каждого из них находились три других, и оно содержит генератор импульсных сигналов, выход которого подключен к стартовым входам всех преобразователей временных интервалов в код и к входу коммутатора, у которого выходы подключены к входам акустических излучателей-приемников, а адресный вход подключен к одному из выходов микропроцессора.
Согласно второму варианту в устройстве для акустического измерения скорости и направления потока жидкости или газа, содержащем размещенные в пространстве акустические излучатели-приемники, выходы которых соединены с усилителями на прием, и микропроцессор, выход которого является выходом устройства, новым является то, что акустические излучатели-приемники по одному размещены в вершинах неправильного плоского четырехугольника таким образом, чтобы в диаграмме направленности каждого из них находились три других, и оно содержит четырехразрядный регистр на прием, у которого единичные входы разрядов подключены к выходам усилителей на прием, а выход подключен к входу микропроцессора, один из выходов которого подключен к входу четырехразрядного регистра на излучение, единичные выходы разрядов которого через усилители на излучение соединены с входами акустических излучателей-приемников.
На фиг.1 показана примерная схема размещения акустических излучателей-приемников в вершинах неправильного четырехугольника в плоскости потока и схема акустических трасс. На фиг.2 представлена схема формирования проекций вектора скорости на направления акустических трасс.
Сущность способа состоит в следующем.
Четыре акустических излучателя-приемника размещают в вершинах неправильного четырехугольника, например, так, как это показано на фиг.1. Расстояния между вершинами образуют шесть баз, которые попарно не равны (Lij Lsk).
Излучатель-приемник содержит или один обратимый акустический преобразователь, или два: один на передачу, другой на прием.
Каждый излучатель имеет диаграмму направленности, в которой находятся три приемника.
Каждый i-й излучатель посылает импульсно-модулированный сигнал на три приемника, и фиксируются времена ij прохождения сигнала по трассам от i-го излучателя к j-му приемнику, включающие времена задержек в приемно-передающих трактах: в излучателе – ui, в приемнике – пj.
Для фиксируемых времен прохождения сигналами двенадцати акустических трасс можем записать
,

где u1, u2, u3, u4 – задержки излучателей,
n1, n2, n3, n4 – задержки приемников,
С – скорость звука в среде,
vij – проекции вектора скорости потока на направление ij-й трассы, ; .
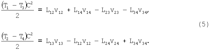
Для исключения задержек в приемопередающих трактах проводим следующие сложения и вычитания уравнений системы (1)




Для определения скорости звука в среде проведем следующие преобразования:


Поскольку , то в последнем выражении можно пренебречь и записать
, откуда

Далее выразим проекции vij на направления акустических трасс вектора скорости потока, заданного в полярной системе координат модулем v и углом .
Примем, что направление трассы 12 соответствует =0.
Исходя из схемы векторов на фиг.2, для проекций vij получим
V12=vcos ,

Из выражений 2 получим

Подставляя выражение vij из системы уравнений 4 в уравнения 5, получим


Суммы в круглых скобках выражений 6 и 7 являются конструктивными константами, которые обозначим

Выражения 6 и 7 приводятся к виду


Введем обозначение

Проведем преобразования
A1cos -pA2cos =pB2sin -В1sin ,
(A1-pA2)cos =(pB2-B1)sin ,
,
окончательно получим

Зная С из выражения 3 и из выражения 12, определяем скорость потока по выражению 9

и(или) по выражению 10

Целесообразно за конечный результат принять среднюю величину

Таким образом, изложенный акустический способ измерения скорости потока жидкостей и газов обеспечивает независимость результата измерения от задержек сигналов в трактах излучения и приема, что повышает точность измерений и(или) позволяет уменьшить размеры измерительных баз.
Возможны различные варианты реализации способа.
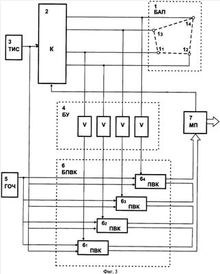
На фиг.3 представлена структурная схема первого варианта измерителя скорости и направления потока с импульсными акустическими сигналами и параллельными каналами преобразования временных интервалов в код. На фиг.4 представлена структурная схема второго варианта измерителя скорости и направления потока с импульсными акустическими сигналами и преобразователем временных интервалов на базе микропроцессора.
Первый вариант устройства содержит блок из четырех акустических преобразователей (излучателей-приемников) 1 (БАП), коммутатор 2 (К), генератор импульсных сигналов 3 (ГИС), блок усилителей на прием 4 (БУ), генератор опорной частоты 5 (ГОЧ), блок преобразователей временных интервалов в код 6 (БПВК) и микропроцессор 7 (МП).
Блок 1 состоит из четырех акустических преобразователей, размещенных в вершинах неправильного четырехугольника на плоскости, блок 4 состоит из четырех параллельных усилителей на прием, блок 6 состоит из четырех параллельных преобразователей временных интервалов в код.
Электрические входы акустических преобразователей блока 1 соединены с выходами коммутатора 2, на вход которого подан выход генератора импульсных сигналов 3 и адрес – вход которого соединен с выходом микропроцессора 7.
Выход генератора опорной частоты 5 подан на входы опорной частоты преобразователей временных интервалов в код блока 6.
Электрические выходы акустических преобразователей поданы на усилители импульсных сигналов блока 4, выходы которых соединены с входами стоповых сигналов преобразователей временных интервалов в код блока 6, входы стартовых сигналов которых соединены с выходом генератора импульсных сигналов 3.
Выводы преобразователей блока 6 поданы на цифровые входы микропроцессора 7.
Блок акустических преобразователей 1 характеризуется конструктивными параметрами A1, B1, A2, B2, которые из геометрических размеров схемы расположения преобразователей вычисляются по формулам 8.
Устройство работает следующим образом. Генератор импульсных сигналов 3 вырабатывает сигнал запуска акустического преобразователя, который коммутатором 2 по команде микропроцессора 7 адресуется i-му акустическому преобразователю, излучающему акустический сигнал в потоке в направлении трех других акустических преобразователей. Одновременно этот сигнал является стартовым для всех преобразователей временных интервалов в код блока 6.
Сигнал запуска проходит передающий тракт i-го излучателя за время ui, базовое расстояние в потоке за время , приемный тракт j-го приемника и усилитель за время nj и в качестве стопового сигнала поступает на входы преобразователей временных интервалов ij в код. В каждом такте акустический сигнал воспринимается тремя акустическими преобразователями, проходит три канала усиления на три преобразователя время-код.
Код временных интервалов ij поступает на микропроцессор.
Цикл измерения содержит четыре такта и дает 12 отсчетов ij, ; ; при i j, соответствующих системе уравнений 1.
Далее угол между направлением скорости потока и лучом от акустического преобразователя 11 к акустическому преобразователю 12 определяется микропроцессором по выражению 12 с использованием выражений 2, 4, 11.
Скорость потока определяется по выражению 15 с использованием выражений 2, 3, 13 и 15.
Второй вариант устройства, реализующего акустический способ измерения скорости и направления потока, структурная схема которого представлена на фиг.4, целесообразен при использовании высокопроизводительного микропроцессора, способного выполнить функции преобразования временных интервалов в код и необходимые вычислительные операции.
В состав устройства входят блок акустических преобразователей 1 (БАП), блок усилителей излучателей 2 (БУИ), блок усилителей приемников 3 (БУП), регистр излучения 4 (РИ), регистр приема 5 (РП) и микропроцессор 6 (МП).
Регистр излучения 4 имеет четыре разряда, каждый разряд по выходу соединен с входом одного из усилителей излучателей 2.
Регистр излучения 4 предназначен для селекции одного из четырех акустических преобразователей на передачу появлением сигнала «1» в соответствующем разряде регистра.
Регистр приема 5 служит для фиксации прихода сигнала в соответствующем канале установкой сигнала «1» в соответствующем разряде.
Отрезок времени между появлением «1» в i-м разряде РИ и появлением «1» в j-м разряде РП соответствует фиксируемому значению ij.
Устройство работает следующим образом. В каждом такте микропроцессор устанавливает на РИ код со значением «1» в i-м разряде. При этом 1i-й акустический преобразователь посылает импульсный сигнал на три других акустических преобразователя.
Принятые ими сигналы через усилители БУП в разное время поступают на входы j-х разрядов РП и устанавливают в них значение «1».
Микропроцессор 6 преобразует в код и фиксирует временные интервалы ij.
Эти значения далее используются для вычисления скорости звука, направления и скорости течения аналогично вышеизложенному.
Источники информации
1. Авторское свидетельство СССР №690392 кл. G01Р 5/08, опубл. 05.10.79. Бюл. №37. Акустический измеритель скорости течения. Авторы: В.М.Кушнир, Ю.Н.Колтаков.
2. Принципы построения технических средств исследования океана. – М.: Наука, 1981, 324 с., С.29-31.
3. Современные методы и средства измерения гидрологических параметров океана. / Парамонов А.Н., Кушнир В.М., Забурдаев В.И. – Киев: Наукова думка, 1979., 248 с., С.139.
4. Акустический измеритель скорости и направления ветра Wind Sonic SDY-12 фирмы Gill Instruments, проспект 144 фирмы Gill Instruments, International Environmental technology, vol.13 Jssue 5, September/October 2003, P.43/.
5. Авторское свидетельство СССР №1136081, кл. G01Р 5/00. Устройство для измерения скорости течения. Кушнир В.М. Опубл. 23.01.85 Бюл. №3 (прототип).
Формула изобретения
1. Акустический способ измерения скорости и направления потока жидкости или газа с использованием разнесенных в пространстве акустических излучателей-приемников, включающий излучение и прием акустических сигналов, фиксацию времен прохождения сигналов на акустических трассах и вычисление скорости звука и составляющих вектора скорости потока в заданной системе координат, отличающийся тем, что акустические излучатели-приемники по одному размещены в вершинах неправильного четырехугольника в плоскости потока таким образом, чтобы в диаграмме направленности каждого из них находились три других, при этом каждым излучателем облучают одновременно три приемника, фиксируют двенадцать времен прохождения сигналами акустических трасс, включающих пары приемопередающих трактов и измерительные базы в потоке между излучателем и приемником, и вычисляют угол между направлением вектора скорости потока и осью абсцисс в приборной системе координат, скорость звука в среде С и модуль вектора скорости потока v по выражениям:
,
,
,
где ; ;
A1=L12+L14cos 14-L23cos 23-L34cos 34;
B1=L14sin 14-L23sin 23-L34sin 34;
A2=-L12+L13cos 13-L24cos 24+L34cos 34;
B2=L13sin 13-L24sin 24+L34sin 34;
T1= 12– 14– 32+ 34;
T2= 12– 13– 42+ 43;
T3= 21– 23– 41+ 43;
T4= 21– 24– 31+ 34;
;
где ij – время прохождения сигнала по трассе i-го излучателя и j-го приемника, ; ;
ij – угол между направлением трассы от i-го излучателя к j-му приемнику и осью абсцисс, совпадающей по направлению с 12 трассой;
Lij – длина измерительной базы ij-трассы в среде.
2. Устройство для акустического измерения скорости и направления потока жидкости или газа, содержащее размещенные в пространстве акустические излучатели-приемники, выходы которых через усилители на прием соединены со стоповыми входами преобразователей временных интервалов в код, у которых входы сигналов опорной частоты соединены с выходом генератора опорной частоты, а цифровые выходы соединены с входом микропроцессора, выход которого является выходом устройства, отличающееся тем, что акустические излучатели-приемники по одному размещены в вершинах неправильного плоского четырехугольника таким образом, чтобы в диаграмме направленности каждого из них находились три других, и оно содержит генератор импульсных сигналов, выход которого подключен к стартовым входам всех преобразователей временных интервалов в код и к входу коммутатора, у которого выходы подключены к входам акустических излучателей-приемников, а адресный вход подключен к одному из выходов микропроцессора.
3. Устройство для акустического измерения скорости и направления потока жидкости или газа, содержащее размещенные в пространстве акустические излучатели-приемники, выходы которых соединены с усилителями на прием, и микропроцессор, выход которого является выходом устройства, отличающееся тем, что акустические излучатели-приемники по одному размещены в вершинах неправильного плоского четырехугольника таким образом, чтобы в диаграмме направленности каждого из них находились три других, и оно содержит четырехразрядный регистр на прием, у которого единичные входы разрядов подключены к выходам усилителей на прием, а выход подключен к входу микропроцессора, один из выходов которого подключен к входу четырехразрядного регистра на излучение, единичные выходы разрядов которого через усилители на излучение соединены с входами акустических излучателей-приемников.
РИСУНКИ
|