|
|
(21), (22) Заявка: 2007117284/28, 08.05.2007
(24) Дата начала отсчета срока действия патента:
08.05.2007
(46) Опубликовано: 10.09.2008
(56) Список документов, цитированных в отчете о поиске:
RU 2257553 C1, 27.05.2005. RU 2269750 C2, 10.02.2006. RU 2035705 C1, 20.05.1995. JP 56060327 A, 25.05.1981.
Адрес для переписки:
440026, г.Пенза, ул. Красная, 40, Пензенский Государственный Университет
|
(72) Автор(ы):
Шахов Эдуард Константинович (RU), Кривецков Дмитрий Сергеевич (RU), Долгова Ирина Анатольевна (RU)
(73) Патентообладатель(и):
Пензенский Государственный Университет (ПГУ) (RU)
|
(54) СПОСОБ ЭКСПРЕСС-ИЗМЕРЕНИЯ ТЕМПЕРАТУРЫ
(57) Реферат:
Изобретение относится к медицинской технике, в частности – к методам измерения температуры, и направлено на повышение точности и быстродействия измерения температуры. Способ экспресс-измерения температуры основан на активном нагреве термочувствительного элемента и состоит в том, что после контакта термочувствительного элемента с объектом измерения температуру термочувствительного элемента стабилизируют на уровне, равном нижнему пределу диапазона измерения температуры, в течение каждого из N последовательных интервалов времени длительностью t определяют интегральные значения Ii температуры и вычисляют температуру объекта измерения по двум математическим формулам при четном и нечетном значении N. Быстродействие повышается за счет уменьшения влияния эффекта холодового раздражения кожного покрова в месте его контакта с термочувствительным элементом термометра и экстраполяционного алгоритма измерения температуры. Технический результат – повышение точности. 3 ил.
Предлагаемое изобретение относится к медицинской технике и может быть использовано для измерения температуры живых теплокровных организмов и, прежде всего, температуры человеческого тела.
Большинство медицинских термометров, в том числе современных цифровых, основанных на кондуктивном способе теплообмена с объектом измерения, обладают общим недостатком – большим временем измерения. Сложность решения данной проблемы объясняется спецификой живого организма как объекта измерения температуры [1]. Как решается данная проблема до настоящего времени? Во-первых, применением бесконтактных датчиков температуры. Наиболее или даже исключительно применяемым для этих целей является датчик инфракрасного излучения. Цифровые инфракрасные термометры выпускаются рядом зарубежных фирм. Можно назвать, например, известную японскую фирму OMRON, выпускающую ушной инфракрасный цифровой термометр ТЕМ-004, время измерения у которого составляет 1 сек. Термометр “ThermoTek” модели 820 израильской фирмы “SAAT” предусматривает измерение температуры лобной части головы человека. Поскольку она существенно отличается от температуры ядра тела, в приборе производится автоматическое введение поправки, так что измеренное значение соответствует оральной температуре. Недостатками инфракрасных термометров являются относительно высокая стоимость и низкая точность. Имеются и кондуктивные варианты цифровых термометров, обеспечивающих сравнительно высокое быстродействие. Примером может служить термометр “ThermoTek” модели 0482 той же израильской фирмы “SAAT”. Термометр обладает достаточно высокими точностью (погрешность согласно стандарту ASTM E1112-98 не более ±0,1°С) и быстродействием (время измерения порядка 10 сек). Внешний вид прибора показывает, что разработчиками были приняты все необходимые меры для уменьшения собственной постоянной времени термометра. С этой целью в качестве датчика применен термистор, который помещен в миниатюрную капсулу на кончике длинного имеющего малое поперечное сечение держателя, что уменьшает отток тепла в окружающую среду через корпус термометра.
Примерно аналогичные характеристики имеет цифровой термометр ТЕМ-003 японской фирмы OMRON.
Из известных наиболее близким по технической сущности является способ терморезистивного измерения температуры теплокровных организмов [2], основанный на активном нагреве терморезистора, отличающийся тем, что перед измерением температуру терморезистора стабилизируют на уровне, равном верхнему пределу диапазона измерения температуры, после контакта терморезистора с объектом измерения на терморезистор через равные интервалы времени подают три коротких импульса стабилизированного тока, длительность которых достаточна для определения соответственно трех значений T1, T2 и T3 температуры терморезистора, и вычисляют температуру объекта измерения по формуле

Операцию измерения трех значений T1, T2 и T3 температуры терморезистора и вычисления температуры объекта повторяют несколько раз со сдвигом по времени на шаг, меньший интервала между измерениями, и вычисляют температуру объекта как среднее значение вычисленных отсчетов температуры объекта. Сдвиг по времени серий из трех измерений делают равным полупериоду сетевой помехи и каждое из значений температуры терморезистора вычисляют как среднее из n измеренных значений, взятых с весами, пропорциональными коэффициентам бинома Ньютона степени n.
Основной недостаток способа-прототипа состоит в том, что для его реализации требуется высокоточный аналого-цифровой преобразователь (АЦП) мгновенных значений преобразуемого напряжения, что удорожает стоимость термометра, реализующего данный способ. При применении менее точного АЦП, соответственно, снижается точность термометра.
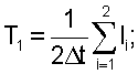
Техническим результатом изобретения является повышение точности. Это достигается следующим образом. После контакта термочувствительного элемента с объектом измерения температуру термочувствительного элемента стабилизируют на уровне, равном нижнему пределу диапазона измерения температуры, в течение каждого из N последовательных интервалов времени длительностью t определяют интегральные значения Ii температуры Tx и вычисляют температуру объекта измерения по формуле

в случае четного N и по формуле

в случае нечетного N.
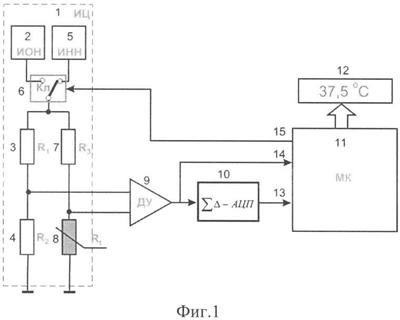
Пример функциональной схемы устройства, реализующего предлагаемый способ, представлен на фиг.1. На фиг.2 приведена временная диаграмма работы устройства. На фиг.3 изображено окно программы, реализующей имитационную модель устройства.
Функциональная схема (фиг.1) включает мостовую измерительную цепь 1 (ИЦ), состоящую из источника 2 опорного напряжения (ИОН), резисторов 3 (R1), 4 (R2), источника нагревающего напряжения 5 (ИНН), переключателя 6 (Кл) резистора 7 (R3) и терморезистора 8 (Rt), дифференциальный усилитель 9 (ДУ),  -АЦП 10, микроконтроллер 11 (МК) и отсчетное устройство 12, цифрами 13, 14, 15 обозначены соответственно кодовый вход микроконтроллера, вход компаратора микроконтроллера и шина управления микроконтроллера. Причем питающая диагональ измерительной цепи 1 подключена через переключатель 6 к выходам источников опорного 2 и нагревающего 5 напряжений, измерительная диагональ мостовой измерительной цепи 1 подключена ко входу дифференциального усилителя 9, выход которого подключен к входу  -АЦП 10, выход которого соединен с кодовым входом 13 микроконтроллера 11, вход 14 компаратора микроконтроллера подключен к выходу дифференциального усилителя 9, а управляющая шина 15 – к управляющему входу ключа 6.
Измерение реализуется программно. Микроконтроллер 11 служит как устройством управления, так и устройством вычисления значения измеряемой температуры по формулам (1) и (2). Процесс измерения поясняется временной диаграммой на фиг.2, где кривой 16 представлена зависимость температуры терморезистора. В качестве примера изображен случай четного числа N=8 интегральных значений температуры терморезистора. Для определенности полагаем, что перед началом измерения температура Тос терморезистора равна температуре окружающей среды (хотя это не является условием, ограничивающим реализацию способа). Процесс измерения начинается в момент, когда по команде микроконтроллера 11 переключатель 6 устанавливается в положение, при котором на питающую диагональ мостовой цепи подается напряжение от источника нагревающего тока 5. Это напряжение выбирается таким, чтобы под действием тока, протекающего через терморезистор, происходило быстрое нагревание терморезистора. Сопротивления мостовой цепи подобраны таким образом, чтобы при температуре терморезистора, равной значению Т0, мост приходил в равновесное состояние, т.е. чтобы выполнялось условие:

где через Rt=Тн обозначено сопротивление терморезистора при температуре Т0. Значение Т0 целесообразно установить равным нижнему пределу диапазона измерения температуры, в случае измерения температуры тела человека, например, Т0=34,5°С. Такое значение начальной температуры терморезистора позволит уменьшить влияние эффекта холодового раздражения кожного покрова в месте его контакта с термочувствительным элементом термометра (именно влияние холодового раздражения является одной из основных причин низкого быстродействия всех существующих термометров на основе кондуктивного способа теплообмена с объектом измерения). Как только мост приходит в состояние равновесия, срабатывает компаратор микроконтроллера, и переключатель 5 устанавливается микроконтроллером в положение, при котором к питающей диагонали моста подключается источник опорного напряжения 2. Его напряжение подбирается исходя из условия необходимой минимизации погрешности от самонагрева терморезистора протекающим через него током. После этого микроконтроллер 11 производит вычисление температуры объекта измерения путем реализации формул (1) или (2). На временной диаграмме исходные для вычисления интегральные значения обозначены как I1…I8 (в данном случае N=8). Значения I1…I8 представляют собой последовательные отсчеты выходного кода  -АЦП, умноженные на масштабный коэффициент, с тем, чтобы получить результат измерения в единицах измерения температуры.
Значение интервала t в принципе может быть любым. Однако практически этот интервал следует выбирать не меньшим периода сетевой помехи и кратным полупериоду сетевой помехи, что позволяет применять эффективные с точки зрения подавления сетевой помехи весовые функции, обычно реализуемые в  -АЦП на этапе фильтрации и децимации однобитной последовательности кода с выхода -модулятора.
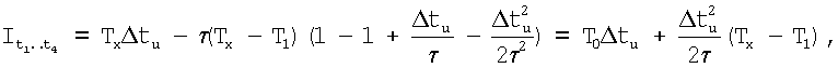
Формулы (1) и (2) получены следующим образом. Без ограничения общности найдем выражение для Тх, полагая, что N=8, с тем чтобы вывод формул можно было пояснять с помощью временной диаграммы на фиг.2. Если терморезистор имеет начальное значение температуры Т0 и находится в тепловом контакте с объектом измерения, имеющим температуру Tx, то текущее значение его температуры выражается соотношением:

где Тx – значение температуры объекта измерения; – постоянная времени нагрева терморезистора.
Интеграл от выражения (3) имеет вид:

Найдем значение температуры терморезистора в точке t1, соответствующей границе между двумя первыми интервалами длительностью t (см. временную диаграмму на фиг.2). Для этого определим интегральное значение температуры за время 2 t на интервале от t0 до t2:

В качестве мгновенного значения температуры терморезистора в точке t1 примем среднее значение температуры на этом интервале:

Поскольку практически выполняется сильное неравенство 2 t<< , среднее значение на рассматриваемом интервале не отличается от мгновенного значения в середине интервала.
Обозначим через интегральное значение температуры за время tu=3 t на интервале от t1 до t4, получим:

Представим экспоненту в виде усеченного ряда:

Подставим выражение (8) в выражение (7):

откуда получим:

Найдем значение температуры терморезистора в точке t5 (см. временную диаграмму на фиг.2). Для этого определим интегральное значение температуры за время 2 t на интервале от t4 до t6:

В качестве мгновенного значения температуры терморезистора в точке t5 примем среднее значение температуры на этом интервале:

Обозначим через It5…t8 интегральное значение температуры за время tu=3 t на интервале от t5 до t8, получим:

Преобразуем выражение (10) с учетом выражения (8) к виду:

Упростим это выражение:

Подставим выражение (9) в выражение (11):

Получили уравнение относительно Тx. Решим его.

Нетрудно убедиться, что для конкретного значения N=8 данная формула полностью совпадает с формулой (1), если учесть, что:

Для исследования процесса измерения температуры по предлагаемому способу программными средствами была создана имитационная модель термометра. Интерфейс программы представлен на фиг.3. Элементы интерфейса в верхней части окна программы позволяют устанавливать разрядность  -АЦП (в данном случае 16), значение отношения tu/ (в данном случае оно равно 0,1). Верхний график показывает столбчатую диаграмму зависимости абсолютной погрешности измерения температуры от значения измеряемой температуры в пределах от 36 до 41°С без учета погрешности квантования  -АЦП с шагом 0,05°С. Как видно, в этом случае погрешность имеет порядок 0,003×10-10, т.е. пренебрежимо мала, что свидетельствует о методической корректности предлагаемого способа измерения. На нижнем графике приведена диаграмма зависимости абсолютной погрешности от измеряемой температуры при учете погрешности квантования  -АЦП. Максимальное значение погрешности не превышает 0,011°С и имеет место при использовании 16-разрядного  -АЦП (известно, что такая точность далека от предельной точности, обеспечиваемой данного типа аналого-цифровыми преобразователями). При этом отношение tu/ равно 0,1, т.е. время измерения составляет величину порядка 0,2 . Если учесть, что при традиционном способе измерения время ожидания окончания переходного процесса установления температуры терморезистора составляет не менее 4 (это примерно соответствует разности значений температуры терморезистора и объекта измерения, равной 0, 1°С), то время измерения при использовании предлагаемого способа уменьшается в 20 раз.
В текстовом окне (фиг.3) с меткой «Максимальной приращение температуры» показано, до какого максимального значения успевает нагреться терморезистор за время измерения. Максимальное приращение температуры не превышает 0,7°С и имеет место в случае, когда измеряемая температура равна верхнему пределу измерения. Соответствующее приращение напряжения на выходе измерительной диагонали мостовой схемы определяет требуемый динамический диапазон АЦП. Таким образом, дополнительным преимуществом способа является повышение разрешающей способности измерения значений температуры терморезистора, в данном случае равное , чем и объясняется малое значение методической погрешности, источником которой является погрешность квантования АЦП.
Литература
2. Шахов Э.К. Компенсационный способ измерения температуры. Патент РФ №2257553. Опубликовано: 27.07.2005, бюл. №21.
Формула изобретения
Способ экспресс измерения температуры, основанный на активном нагреве термочувствительного элемента, отличающийся тем, что после контакта термочувствительного элемента с объектом измерения температуру термочувствительного элемента стабилизируют на уровне, равном нижнему пределу диапазона измерения температуры, в течение каждого из N последовательных интервалов времени длительностью t определяют интегральные значения Ii температуры и вычисляют температуру Тх объекта измерения по формуле

в случае четного N и по формуле

в случае нечетного N.
РИСУНКИ
MM4A – Досрочное прекращение действия патента СССР или патента Российской Федерации на изобретение из-за неуплаты в установленный срок пошлины за поддержание патента в силе
Дата прекращения действия патента: 09.05.2009
Извещение опубликовано: 20.10.2010 БИ: 29/2010
|
|