|
|
(21), (22) Заявка: 2007104896/28, 08.02.2007
(24) Дата начала отсчета срока действия патента:
08.02.2007
(46) Опубликовано: 10.09.2008
(56) Список документов, цитированных в отчете о поиске:
RU 2002100228 A, 20.03.2004. RU 2286546 C2, 27.10.2006. RU 59814 U1, 27.12.2006. RU 2037811 C1, 19.06.1995. US 6915707 B2, 12.07.2005.
Адрес для переписки:
197046, Санкт-Петербург, Каменноостровский пр-кт, 1-3, оф.30, ООО “Юридическая фирма Городисский и Партнеры” филиал в г. Санкт-Петербурге, пат.пов. Н.В.Потаниной, рег.№ 484
|
(72) Автор(ы):
Фурмаков Евгений Федорович (RU), Петров Олег Федорович (RU), Маслов Юрий Викторович (RU), Новиков Андрей Юрьевич (RU)
(73) Патентообладатель(и):
ОАО “Техприбор” (RU)
|
(54) СИСТЕМА ИЗМЕРЕНИЯ ПОКОМПОНЕНТНОГО МАССОВОГО РАСХОДА ТРЕХКОМПОНЕНТНОГО ПОТОКА
(57) Реферат:
Изобретение может быть использовано для контроля дебита нефтяных скважин. Система содержит два размещенных на диэлектрической трубе ВЧ резонатора, каждый из которых представляет собой короткозамкнутый проводник с двумя взаимно ортогональными вводами-выводами, ограничительным и ограничительно-разделительным витками. Кориолисовый расходомер с электронными преобразователями расхода и плотности, датчик давления, вычислительно управляющий блок, управляемые ВЧ генератор и коммутатор, контроллер режимов течения потока, первый и второй контроллеры калибровок Кориолисового расходомера, два входных усилителя, четыре передающих тракта и восемь разделительных конденсаторов. На основе метода радиоволнового ВЧ-зондирования потока в двух взаимно ортогональных направлениях измеряют относительное объемное содержание его компонентов, методом автокорреляционного измерения скорости определяют скорость потока и с использованием Кориолисового расходомера и контроллеров калибровок измеряют массовый расход и плотность контролируемой среды. Контроллеры калибровок позволяют с учетом информации, полученной из контроллера режимов течения, выбрать калибровку Кориолисового расходомера, соответствующую данному режиму. Изобретение повышает точность измерения даже при существенно неустановившемся течении потока. 5 ил.
Предлагаемое изобретение относится к измерительной технике и может быть использовано в нефтедобывающей промышленности, например, для контроля дебита нефтяных скважин.
Известна система измерения покомпонентного расхода многофазного потока нефтяных скважин, содержащего нефть, газ и воду (см. патент РФ № 2270981, МПК G01F 15/08, G01F 1/74, G01F 1/84, Е21 В 47/10).
Эта система содержит сепаратор, обеспечивающий разделение газового и жидкого компонентов контролируемого потока, а также приборы измерения массового расхода и других параметров компонентов, в том числе микроволновый влагомер, определяющий содержание воды в жидком компоненте методом радиоволнового зондирования.
Недостатком данной системы является невозможность определения компонентного состава многофазного потока без его предварительного сепарирования: механического разделения на газовую и жидкую фракции.
Также известны системы измерения покомпонентного расхода трехкомпонентного газожидкостного потока, содержащие управляемый СВЧ-генератор, зондирующий блок с антеннами и вычислительно-управляющий блок (см. патент РФ № 2063615, МПК G01F 1/56, патент РФ № 43068, МПК G01F 1/74 и патент РФ № 2275604, МПК G01F 1/74). Указанные системы не требуют сепарирования газожидкостного потока, однако обладают другим недостатком: невозможностью достоверного радиоволнового зондирования контролируемого потока при наличии в нем соленой воды. Данный недостаток обусловлен затуханием микроволнового радиоизлучения зондирующего блока известных систем в существенно электропроводной соленой воде. Поскольку содержание растворенных в скважинной воде солей составляет десятки грамм на литр, скважинная вода обладает высокой электропроводностью, что делает ее фактически непрозрачной для СВЧ-излучения и не дает возможности осуществления достоверного радиоконтроля содержания воды.
От этого недостатка свободны известные устройство измерения покомпонентного расхода многокомпонентного газожидкостно-твердотельного потока (см. описание к заявке на изобретение РФ № 2002100228, МПК G01F 1/00, G01F 5/00, второй вариант изделия, представленный на Фиг.2) и комплекс измерения покомпонентного расхода трехкомпонентного газожидкостного потока нефтяных скважин (см. патент РФ на полезную модель № 59814, МПК G01F 1/00, G01F 5/00, Е21В 47/10).
В состав каждого из известных устройств входят два соосно расположенных высокочастотных резонатора, выполненных в виде короткозамкнутых зигзагообразных проводников, а также вычислительно-управляющий блок, датчик давления, управляемый ВЧ-генератор и передающие тракты, каждый из которых содержит последовательно соединенные между собой усилитель, амплитудный детектор и аналого-цифровой преобразователь. В известных устройстве и комплексе измерение объемного покомпонентного расхода производится автокорреляционным методом путем зондирования контролируемого газожидкостного потока высокочастотными резонаторами с частотой излучения, задаваемой управляемым высокочастотным генератором.
Вычисление массового покомпонентного расхода производится косвенным способом в вычислительно-управляющем блоке на основе информации об объемном расходе контролируемой среды с учетом сигналов о ее давлении, формируемых датчиком давления.
Поскольку по отношению к высокочастотному излучению поток скважиной жидкости оказывается практически радиопрозрачным, данные системы позволяют достаточно точно контролировать среднюю скорость и объемный расход скважинной жидкости даже при содержании в ней соленой воды.
Однако обязательным условием работы известных систем является наличие в контролируемом потоке существенных флуктуаций его компонентного состава, например, наличие явно выраженных пузырей газа. При отсутствии подобных флуктуаций автокорреляционный метод оказывается неработоспособным и данные системы перестают функционировать.
Указанный недостаток устранен в известной системе измерения покомпонентного массового расхода трехкомпонентного газожидкостного потока нефтяных скважин (см. описание к заявке на изобретение РФ № 2002100228, МПК G01F 1/00, G01F 5/00, третий вариант изделия, представленный на Фиг.3).
Эта система является наиболее близкой к предлагаемому изобретению по технической сущности и достигаемому результату и принята за ближайший аналог (прототип). В состав известной системы входят высокочастотный резонатор, выполненный в виде короткозамкнутого зигзагообразного проводника, имеющего форму прямоугольного меандра, расположенного на диэлектрической трубе, установленной в отрезке трубопровода, управляемый ВЧ-генератор, датчик давления, расходомер общего потока, установленный последовательно с высокочастотным резонатором и снабженный электронным преобразователем расхода, а также вычислительно-управляющее устройство и передающий тракт, представляющий собою последовательно соединенные между собой усилитель, детектор и аналого-цифровой преобразователь (АЦП).
В основу работы известной системы положены два метода измерения: метод измерения покомпонентного состава контролируемого потока в долях от общего объема с последующей коррекцией полученной информации по давлению и температуре и метод измерения общего объемного расхода контролируемого потока. Измерение покомпонентного состава потока в долях объема основано на использовании метода высокочастотного радиоволнового зондирования контролируемой среды с помощью высокочастотного резонатора; в этом методе информативными параметрами выходного сигнала о покомпонентном составе потока в долях объема являются параметры поглощения контролируемой средой энергии высокочастотного электромагнитного поля резонатора на резонансных частотах.
Определение покомпонентного состава потока в долях массы основано на использовании информации от датчика давления контролируемой среды, позволяющей косвенным способом, с привлечением справочных данных о номинальных значениях плотности каждого из трех компонентов газожидкостного потока: нефти, воды и газа преобразовать объемные доли в массовые.
Измерение общего объемного расхода контролируемого потока в известной системе выполняется с помощью механического расходомера «дозированного перемещения» или ультразвукового расходомера, снабженных электронным преобразователем, формирующим электрический выходной сигнал об общем объемном расходе контролируемого потока.
Открытый цилиндрический высокочастотный резонатор данной системы представляет собой короткозамкнутый зигзагообразный проводник, снабженный отдельным вводом и отдельным выводом высокочастотных сигналов, причем вывод высокочастотного резонатора известной системы подключен к одному из входов вычислительно-управляющего блока через передающий тракт, а ввод этого высокочастотного резонатора соединен с выходом управляемого высокочастотного генератора через входной усилитель, при этом ввод и вывод высокочастотного резонатора подсоединены каждый к одной из двух различных, диаметрально противоположно расположенных точек короткозамкнутого зигзагообразного проводника, лежащих в одной поперечной плоскости.
В связи с тем, что в известной системе в качестве зондирующего радиоволнового сигнала используется высокочастотный сигнал, она позволяет зондировать газожидкостный поток на относительно низкой, по сравнению с микроволновым излучением, частоте, что дает возможность достоверно контролировать объемное содержание компонентов газожидкостного потока даже при наличии в нем соленой воды.
Однако недостатком данной системы является высокая погрешность измерения относительного содержания компонентов газожидкостного потока в долях массы, вызванная, во-первых, использованием косвенного метода измерения массового содержания этих компонентов, основанного на учете давления контролируемой среды и, во-вторых, наличием дополнительной погрешности радиоволновых измерений, возникающей при существенно неустановившемся течении контролируемого потока.
Погрешность косвенного метода измерения массового содержания компонентов возникает в связи с отличием хранящихся в памяти вычислительно-управляющего устройства известной системы номинальных справочных значений плотности компонентов газожидкостного потока: нефти, воды и газа от фактических значений плотности каждого из этих компонентов. Фактические значения плотности могут существенно отличаться от номинальных значений. Так, например, плотность скважинной воды, в зависимости от ее солености, изменяется от 1 до 1,2 г/см3, что не может быть учтено в известной системе, поскольку выходные сигналы радиоволнового датчика и расходомера общего потока, входящих в состав звестной системы, зависят не от массы и не от массового расхода компонентов, а от их объема и объемного расхода.
Компонентный состав и скорость газожидкостного потока нефтяных скважин при характерном для их работы неустановившемся течении быстро и хаотически изменяются во времени, в результате чего дополнительная погрешность радиоволновых измерений, вызванная «отставанием» скорости алгоритмической обработки результатов автокорреляционных данных в вычислительно-управляющем устройстве известной системы от скорости изменения информации о компонентном составе газожидкостного потока, может достигать существенных величин.
Задачей предлагаемого изобретения является создание системы, способной измерять массовый расход отдельных компонентов (нефти, воды, газа) потока нефтяных скважин.
Достигаемый технический результат – повышение достоверности и точности измерений покомпонентного массового расхода газожидкостного потока.
Для решения поставленной задачи система измерения покомпонентного массового расхода трехкомпонентного потока, в состав которой входят первый высокочастотный резонатор, представляющий собой короткозамкнутый проводник, имеющий форму прямоугольного меандра, размещенный на наружной цилиндрической поверхности диэлектрической трубы, расположенной внутри трубчатого металлического корпуса соосно ему, расходомер, установленный последовательно с первым высокочастотным резонатором и снабженный электронным преобразователем расхода, датчик давления, установленный в диэлектрической трубе, вычислительно-управляющий блок, управляемый высокочастотный генератор, первый входной усилитель, а также передающий тракт, состоящий из последовательно соединенных между собой усилителя, вход которого служит входом данного тракта, амплитудного детектора и аналого-цифрового преобразователя, выход которого служит выходом данного тракта, причем выход датчика давления соединен с соответствующим входом вычислительно-управляющего блока, первый высокочастотный резонатор подключен через первый входной усилитель к выходу управляемого высокочастотного генератора, а через передающий тракт – к соответствующему входу вычислительно-управляющего блока, выход которого соединен со входом управляемого высокочастотного генератора, дополнена новыми элементами и связями.
В соответствии с изобретением предложенная система дополнена вторым высокочастотным резонатором, установленным соосно с первым высокочастотным резонатором на упомянутой диэлектрической трубе внутри упомянутого корпуса, каждый из упомянутых высокочастотных резонаторов снабжен двумя вводами-выводами: первым вводом-выводом и вторым вводом-выводом, расположенными в диаметральных взаимно перпендикулярных плоскостях.
В качестве расходомера в предложенной системе применен массовый кориолисов расходомер, снабженный электронным преобразователем расхода и электронным преобразователем плотности.
Кроме того, в предложенную систему дополнительно введены три контроллера: контроллер режимов, предназначенный для определения режима течения газожидкостного потока, первый контроллер калибровок, предназначенный для калибровки сигналов кориолисова расходомера о массовом расходе контролируемой среды, и второй контроллер калибровок, предназначенный для калибровки сигналов кориолисова расходомера о плотности контролируемой среды, а также три передающих тракта, идентичных упомянутому передающему тракту, четыре входных и четыре выходных разделительных конденсатора, второй входной усилитель и управляемый коммутатор, снабженный двумя выходами, один из которых подключен ко входу первого входного усилителя, а второй – ко входу второго входного усилителя, при этом вход управляемого коммутатора соединен с выходом управляемого высокочастотного генератора, а управляющий вход упомянутого коммутатора подключен к соответствующему выходу вычислительно-управляющего блока.
Каждый первый и каждый второй ввод-вывод каждого из высокочастотных резонаторов предложенной системы через один из выходных разделительных конденсаторов подключен ко входу одного из передающих трактов, выход которого соединен с соответствующим входом вычислительно-управляющего блока и с одним из входов контроллера режимов, выход которого подключен к одному из входов первого контроллера калибровок, к одному из входов второго контроллера калибровок и к соответствующему входу вычислительно-управляющего блока.
Другой вход каждого из упомянутых контроллеров калибровок соединен с выходом одного из электронных преобразователей: вход первого контроллера калибровок соединен с выходом электронного преобразователя расхода, а вход второго контроллера калибровок соединен с выходом электронного преобразователя плотности, при этом выход датчика давления дополнительно подключен к соответствующему входу контроллера калибровок.
Кроме того, каждый из первых вводов-выводов каждого из высокочастотных резонаторов подключен через соответствующий ему входной разделительный конденсатор к выходу первого входного усилителя, а каждый из вторых вводов-выводов каждого из высокочастотных резонаторов подключен через соответствующий ему входной разделительный конденсатор к выходу второго входного усилителя.
На концевых участках диэлектрической трубы установлено по короткозамкнутому ограничительному витку (далее по тексту – ограничительный виток), а между высокочастотными резонаторами установлен короткозамкнутый ограничительно-разделительный виток (далее по тексту – ограничительно-разделительный виток), при этом поперечное сечение ограничительного витка, поперечное сечение ограничительно-разделительного витка и поперечное сечение короткозамкнутого проводника каждого из вышеуказанных высокочастотных резонаторов имеет прямоугольную форму.
Для обеспечения максимальной добротности каждого высокочастотного резонатора и уменьшения межвитковых электроемкостных связей между параллельными участками короткозамкнутого проводника в предложенной системе установлены следующие соотношения между размерами короткозамкнутого проводника, ограничительного витка и ограничительно-разделительного витка.
Толщина поперечного сечения b короткозамкнутого проводника, ограничительного витка и ограничительно-разделительного витка определяется неравенством
,
где К – размерный коэффициент пропорциональности;
Fmax – верхний предел частоты сигнала на выходе управляемого высокочастотного генератора.
Предложенная система включает в себя следующие основные блоки: высокочастотный зонд, расходомер, в качестве которого применен кориолисов расходомер массового расхода, и электронное измерительно-вычислительное устройство.
Более подробно сущность изобретения поясняется в приведенном ниже примере и иллюстрируется чертежами, на которых представлены:
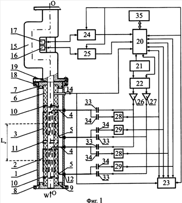
На Фиг.1 – функциональная схема предложенной системы, на Фиг.2 – развертка высокочастотных резонаторов, на Фиг.3 – сечение короткозамкнутого проводника, на Фиг.4 – поперечный разрез высокочастотного резонатора, а на Фиг.5 – структурная схема передающего тракта.
На чертежах введены следующие обозначения:
1 – корпус, 2 – первый резонатор, 3 – второй резонатор, 4 – первый ввод-вывод резонатора, 5 – второй ввод-вывод резонатора, 6 -диэлектрическая труба, 7 – центрирующий фиксатор, 8 – наружное уплотнительное кольцо, 9 – внутреннее уплотнительное кольцо, 10 – ограничительный виток, 11 – ограничительно-разделительный виток, 12 – диэлектрическая втулка, 13 – диэлектрическая подложка, надетая на трубу 6 (далее по тексту – диэлектрическая подложка), 14 – датчик давления, 15 – кориолисов расходомер, 16 – электронный преобразователь сигнала массового расхода контролируемой среды (далее по тексту – преобразователь расхода), 17 – электронный преобразователь сигнала плотности контролируемой среды (далее по тексту – преобразователь плотности), 18 – крепежный элемент, 19 – прокладка, 20 – вычислительно-управляющий блок, 21 – управляемый высокочастотный генератор, 22 – управляемый коммутатор, 23 – контроллер режимов, 24 – первый контроллер калибровок, 25 – второй контроллер калибровок, 26 – первый входной усилитель, 27 – второй входной усилитель, 28 – первый передающий тракт, 29 – второй передающий тракт, 30 – выходной усилитель, 31 – амплитудный детектор, 32 – аналого-цифровой преобразователь, 33 – входной разделительный конденсатор, 34 – выходной разделительный конденсатор, 35 – внешние системы.
Высокочастотный зонд содержит корпус 1, представляющий собой отрезок металлической трубы с фланцами на ее торцах, один из которых предназначен для присоединения корпуса 1 к внешнему нефтепроводу, а другой – к фланцу кориолисова расходомера 15, и два открытых цилиндрических высокочастотных резонатора: первый резонатор 2 и второй резонатор 3, установленных внутри корпуса 1 соосно ему. Каждый из этих резонаторов представляет собой короткозамкнутый зигзагообразный проводник, имеющий форму прямоугольного меандра, размещенного на цилиндрической поверхности диэлектрической трубы 6.
К одной из точек короткозамкнутого проводника каждого из резонаторов 2, 3 присоединен первый ввод-вывод 4, а к другой точке этого же проводника присоединен второй ввод-вывод 5. Причем для каждого резонатора точки присоединения первого ввода-вывода 4 и точки присоединения второго ввода-вывода 5 лежат в диаметральных взаимно перпендикулярных плоскостях. При этом указанные точки 4, 5 могут располагаться либо на противоположных торцах каждого из резонаторов 2, 3, как это показано на Фиг.1 и 2, либо могут находиться на одном и том же торце соответствующего им резонатора 2, 3.
Резонаторы 2, 3 расположены на наружной цилиндрической поверхности общей для них диэлектрической трубы 6, осесимметрично установленной внутри корпуса 1 с помощью двух торцевых центрирующих фиксаторов 7, каждый из которых снабжен двумя уплотнительными кольцами: наружным уплотнительным кольцом 8 и внутренним уплотнительным кольцом 9.
Помимо резонаторов 2, 3 на наружной поверхности диэлектрической трубы 6 установлены металлические короткозамкнутые витки: ограничительно-разделительный виток 11 и два ограничительных витка 10, причем один из ограничительных витков 10 установлен со стороны внешнего торца первого резонатора 2, другой – со стороны внешнего торца второго резонатора 3, а ограничительно-разделительный виток 11 установлен между резонаторами.
Каждый из первых вводов-выводов 4 и вторых вводов-выводов 5 каждого из резонаторов 2, 3 проходит сквозь соответствующее ему отверстие в стенке корпуса 1 и изолирован от корпуса 1 с помощью диэлектрической втулки 12. Диэлектрические втулки 12 и уплотнительные кольца 8, 9 обеспечивают герметичность внутренней газонаполненной полости высокочастотного зонда, ограниченной корпусом 1, диэлектрической трубой 6 и центрирующими фиксаторами 7. Герметизация внутренней полости дает возможность избежать воздействия влажного наружного воздуха на рабочие элементы резонаторов 2, 3, приводящего к уменьшению их добротности.
Развертка каждого из короткозамкнутых проводников каждого из резонаторов 2, 3 имеет форму прямоугольного меандра (см. Фиг.2 и 3); в качестве материала зигзагообразного проводника может быть выбрана электротехническая медь.
Выбор для короткозамкнутого проводника прямоугольного сечения, ширина а которого значительно превосходит его толщину b:
а/b>>1,
дает возможность существенно уменьшить электроемкостные связи между соседними параллельными участками этого проводника и тем самым существенно повысить добротность резонатора.
Толщина поперечного сечения b короткозамкнутого проводника каждого резонатора выбрана с учетом глубины проникновения электромагнитной волны с частотой Fmax в материал этого проводника с удельной электропроводностью :
,
где b – толщина поперечного сечения короткозамкнутого проводника резонатора;
С – скорость света;
Fmax – верхний предел частоты возбуждения резонаторов в ВЧ-диапазоне;
К – размерный коэффициент пропорциональности:
,
в котором удельная электропроводность может быть выбрана равной удельной электропроводности меди.
Ограничительные и ограничительно-разделительный витки 10 и 11 соответственно применены в предложенной системе с целью экранирования электромагнитного поля резонаторов.
Короткозамкнутые витки резонаторов, ограничительные и ограничительно-разделительные витки изготовлены методом, обеспечивающим их взаимную идентичность, например, методом фотопечати рисунка развертки зигзагообразного проводника каждого из резонаторов 2, 3 и каждого из витков 10, 11 на общей для всех резонаторов 2, 3 и витков 10, 11 металлической поверхности металлофольгированной гибкой диэлектрической подложки 13 шириной 2 R (см. Фиг.2). После электрохимической обработки указанной металлической поверхности диэлектрическая подложка 13 с образованными на ней развертками зигзагообразных проводников резонаторов 2, 3 и витков 10, 11 устанавливается диэлектрическим слоем внутрь на наружную цилиндрическую поверхность диэлектрической трубы 6 и закрепляется на ней, причем точки соединения ni каждого из зигзагообразных проводников каждого резонатора 2, 3 и каждого из витков 10, 11 гальванически соединяются с соответствующими им точками соединения mi таким образом, чтобы каждая из точек соединения ni соответствовала только одной точке соединения mi, где i=1, 2,…5 – порядковый номер точки соединения.
Следует указать, что расположение зигзагообразных проводников резонаторов 2, 3 и витков 10, 11 на общей для них диэлектрической трубе 6 внутри общего для них корпуса 1 обеспечивает не только осевую симметрию резонаторов 2, 3, но и строгую фиксацию расстояния Lo между геометрическими центрами первого и второго резонаторов 2, 3, что важно, поскольку значение межцентрового расстояния Lo используется в алгоритмах вычисления скорости W контролируемого потока в качестве хранящейся в памяти вычислительно-управляющего блока 20 постоянной базовой величины, и постоянство значения Lo является необходимым условием обеспечения точности измерений.
Следует также указать, что предложенная в заявленной системе замена отдельного ввода и отдельного вывода резонатора известной системы на единый ввод-вывод резонатора дает возможность гальванически подсоединить каждый из первых вводов-выводов 4 и каждый из вторых вводов-выводов 5 к соответствующему резонатору 2, 3 только в одной точке его короткозамкнутого проводника, что обеспечивает полную взаимную идентичность входного и выходного импедансов каждого из упомянутых вводов-выводов.
Для сравнения в известной системе входной импеданс неизбежно отличается от выходного, поскольку каждый ввод и каждый вывод каждого из резонаторов этой системы гальванически подсоединены к соответствующему короткозамкнутому проводнику в его двух геометрически отличных точках, что вызывает дополнительную погрешность измерения.
В диэлектрической трубе 6 установлен датчик давления 14 контролируемой среды.
Расходомер представляет собой массовый кориолисов расходомер 15, содержащий кожух с фланцами на его торцах, один из которых предназначен для присоединения кожуха к внешнему нефтепроводу, а другой – к фланцу корпуса 1. Кориолисов расходомер снабжен двумя электронными преобразователями: электронным преобразователем расхода 16 и электронным преобразователем плотности 17. Корпус 1 и кориолисов расходомер 15 соединены между собой с помощью крепежных элементов 18 через уплотняющую прокладку 19.
Электронное измерительно-вычислительное устройство содержит в своем составе вычислительно-управляющий блок 20, управляемый высокочастотный генератор 21, управляемый коммутатор 22, контроллер режимов 23, первый и второй контроллеры калибровок 24 и 25 соответственно, первый и второй входные усилители 26 и 27 соответственно, четыре входных 33 и четыре выходных разделительных конденсатора 34, а также два первых передающих тракта 28 и два вторых передающих тракта 29, причем в состав каждого их упомянутых передающих трактов входят последовательно соединенные между собой выходной усилитель 30, вход которого служит входом данного тракта, амплитудный детектор 31 и аналого-цифровой преобразователь 32, выход которого служит выходом данного тракта. При необходимости предложенная система может взаимодействовать с внешними системами 35.
Входные разделительные конденсаторы 33 и выходные разделительные конденсаторы 34 необходимы для подключения каждого из первых вводов-выводов 4 и каждого из вторых вводов-выводов 5 резонаторов 2 и 3 к двум функционально различным цепям:
– через входной разделительный конденсатор 33 – к цепям возбуждения резонаторов 2 или 3, каждая их которых содержит первый или второй входной усилитель 26 или 27, управляемый коммутатор 22 и управляемый высокочастотный генератор 21,
– через выходной разделительный конденсатор 34 – к измерительно-вычислительным цепям, каждая из которых содержит один из первых или вторых передающих трактов 28 или 29 и вычислительно-управляющий блок 20.
Кроме того, каждый из выходов каждого из передающих трактов 28, 29 подключен к одному из соответствующих входов контроллера режимов 23.
Выход контроллера режимов 23 соединен с соответствующим ему входом вычислительно-управляющего блока 20 и, кроме того, – с одним из входов первого контроллера калибровок 24, другой вход которого подключен к выходу электронного преобразователя расхода 16. Выход контроллера режимов 23 соединен также с одним из входов второго контроллера калибровок 25, другой вход которого подключен к выходу электронного преобразователя плотности 17.
Один из выходов вычислительно-управляющего блока 20 соединен со входом управляемого высокочастотного генератора 21, а другой выход этого блока – с управляющим входом управляемого коммутатора 22.
Управляемый коммутатор 22 содержит два выхода, первый из которых через первый входной усилитель 26 подключен к каждому из первых вводов-выводов 4 резонаторов 2 и 3 через один из соответствующих данному первому вводу-выводу входных разделительных конденсаторов 33, а второй выход через второй входной усилитель 27 подключен к каждому из вторых вводов-выводов 5 резонаторов 2 и 3 через один из входных разделительных конденсаторов 33, соответствующих данному второму вводу-выводу.
Выход датчика давления 14 подключен к одному из входов контроллера режимов 23, а также к одному из входов вычислительно-управляющего блока 20, который при необходимости обмена информацией с внешними системами 35, взаимодействует с ними через магистраль обмена информацией.
Предложенная система измерения покомпонентного массового расхода трехкомпонентного потока работает следующим образом.
При наличии в диэлектрической трубе 6 и кориолисовом расходомере 15 контролируемой газожидкостной среды, движущейся со скоростью W, в вычислительно-управляющий блок 20 подается команда запуска, поступающая в этот блок, например, из внешних систем 35 по магистрали обмена информацией.
Работа вычислительно-управляющего блока складывается из трех последовательно выполняемых стадий: первой стадии – стадии определения относительных объемных долей V1, V2, V3 каждого из трех компонентов контролируемой среды, второй стадии – стадии определения скорости W и покомпонентного объемного расхода Q1, Q2, Q3 контролируемой среды, а также третьей стадии – стадии определения покомпонентного массового расхода Qm1, Qm2, Оm3.
В начале первой стадии вычислительно-управляющий блок 20 формирует команду запуска, поступающую на вход управляемого высокочастотного генератора 21.
В соответствии с принятой командой упомянутый генератор вырабатывает высокочастотный сигнал с плавно изменяющейся во времени частотой, возрастающей в ВЧ-диапазоне от минимального значения Fmin до максимального значения Fmax. Указанный сигнал необходим для возбуждения высокочастотного электромагнитного поля в каждом из резонаторов 2, 3 предложенной системы, предназначенных, во-первых, для получения информации об относительных объемных долях V1, V2 и V3 каждого из трех компонентов контролируемой среды и, во-вторых, – для получения информации о значении скорости W контролируемого потока.
В первом такте первой стадии сигнал, вырабатываемый управляемым высокочастотным генератором 21, поступает на вход управляемого коммутатора 22 и передается с одного из выходов этого коммутатора через первый входной усилитель 26 на первый ввод-вывод 4 первого резонатора 2 через соответствующий этому вводу-выводу входной разделительный конденсатор 33 и на первый ввод-вывод 4 второго резонатора 3 через соответствующий этому вводу-выводу входной разделительный конденсатор 33, возбуждая в каждом из резонаторов 2, 3 высокочастотное электромагнитное поле с изменяющейся от Fmin до Fmax частотой.
Так как в диэлектрической трубе 6 находится трехкомпонентная газожидкостная среда, каждый из трех компонентов которой характеризуется определенными значениями комплексной диэлектрической проницаемости и комплексной электропроводности , где j=1, 2, 3 – номер компонента среды, то при возбуждении высокочастотного электромагнитного поля в каждом из резонаторов 2, 3 будет происходить поглощение контролируемой средой энергии электромагнитного поля на нескольких резонансных частотах Fрез1, Fрез2 и Fрез3 соответственно.
Поскольку информативные параметры сигналов, характеризующих резонансные поглощения, такие как, например,
– амплитуды выходных сигналов на первой, второй и третьей резонансных частотах Iрез1, Iрез2 и Iрез3 соответственно,
– коэффициенты передачи сигналов на первой, второй и третьей резонансных частотах Dрез1, Dрез2 и Dрез3 соответственно, а также
– резонансные частоты Fрез1, Fрез2, Fрез3, существенно зависят от комплексных характеристик контролируемой среды , , и , , , каждый из выходных сигналов первого и второго резонаторов 2 и 3 соответственно содержит в себе информацию о покомпонентном составе газожидкостного потока.
Указанные сигналы поступают с каждого из первых вводов-выводов 4 резонаторов 2, 3 через соответствующий данному первому вводу-выводу 4 выходной разделительный конденсатор 34 и соответствующий данному первому вводу-выводу 4 первый передающий тракт 28 на соответствующие данному первому вводу-выводу 4 и первому передающему тракту 28 вход вычислительно-управляющего блока 20 и вход контроллера режимов 23.
Во втором такте первой стадии вычислительно-управляющий блок 20 формирует сигнал, поступающий на управляющий вход управляемого коммутатора 22 и вызывающий переключение высокочастотного сигнала управляемого высокочастотного генератора 21 с первого выхода управляемого коммутатора 22 на его второй выход, после чего вышеописанная процедура повторяется при изменении направления высокочастотного зондирования на 90°.
Для изменения направления зондирования высокочастотный сигнал со второго выхода управляемого коммутатора 22 подается на каждый из вторых вводов-выводов 5 каждого из резонаторов 2, 3 через второй входной усилитель 27 и соответствующий данному второму вводу-выводу входной разделительный конденсатор 33, возбуждая в резонаторах 2 и 3 высокочастотное электромагнитное поле, направленность вектора напряженности которого перпендикулярна первоначальной.
Это дает возможность произвести уточняющее высокочастотное зондирование контролируемой среды в направлении, ортогональном первоначальному, и получить существенную дополнительную информацию по отношению к первоначальной информации о компонентном составе неосесимметричного газожидкостного потока.
Выходные сигналы, содержащие в себе информативные параметры, зависящие от компонентного состава потока, поступают с каждого из вторых вводов-выводов 5 каждого из резонаторов 2, 3 через соответствующий данному второму вводу-выводу 5 выходной разделительный конденсатор 34 и соответствующий второй передающий тракт 29 на вход вычислительно-управляющего блока 20 и вход контроллера режимов 23. В контроллере режимов 23 с учетом сигналов о значении давления Р контролируемой среды, поступающих с выхода датчика давления 14, проводится предварительный классификационный анализ информативных параметров сигналов, полученных с первых и вторых вводов-выводов 4 и 5 обоих резонаторов для двух взаимно ортогональных направлений зондирования контролируемого потока.
Целью такого анализа является предварительное отнесение режимов течения контролируемого потока к одному из режимов «установившийся» и «неустановившийся» с последующим окончательным выбором одного из подрежимов, например, подрежима: «установившийся – нефть», «установившийся – вода», «установившийся – газ», «установившийся – нефть-вода», «установившийся – нефть-газ», «установившийся – газ-вода», «установившийся – нефть-вода-газ» или «неустановившийся – нефть-вода», «неустановившийся – нефть-газ» и т.д. и формированием кодового сигнала, соответствующего выбранному подрежиму. Сформированный кодовый сигнал поступает с выхода контроллера режимов 23 на соответствующий ему вход вычислительно-управляющего блока 20, в памяти которого из группы алгоритмов «Контроль компонентов» выбирается алгоритм, отвечающий поступившему коду подрежима.
Обработка в вычислительно-управляющем блоке 20 информации об относительном объемном содержании компонентов контролируемой среды выполняется в соответствии с конкретным алгоритмом, соответствующим фактически установленному режиму контролируемого потока, и поэтому может быть выполнена с высокой производительностью и минимальными затратами рабочего времени блока 20 при скорости вычислений, позволяющей отслеживать в натуральном масштабе времени быстрые изменения поступающей информации, соответствующей существенно неустановившемуся течению, и тем самым исключить погрешность, вызванную запаздыванием алгоритмической обработки результатов измерений при быстрых изменениях характера течения.
В соответствии с выбранным конкретным алгоритмом в вычислительно-управляющем блоке 20 сравниваются и анализируются информативные сигналы, поступившие с каждого из первых и с каждого из вторых вводов-выводов 4 и 5 резонаторов 2, 3, и вычисляются значения относительных объемных долей V1, V2 и V3 каждого из трех компонентов контролируемой среды.
Во второй стадии работы вычислительно-управляющего блока 20 производится определение скорости W контролируемого потока.
Для определения скорости W контролируемой среды в предложенной системе выбран автокорреляционный метод. При этом, в зависимости от выявленного контроллером 23 режима контролируемого потока, для определения скорости может быть использована информация либо о движении локальной неоднородности потока, либо о движении локальной особенности потока.
Под локальной особенностью потока понимается местное изменение свойств практически однородного установившегося потока, такое как, например, местная осевая асимметрия потока, локальная винтовая закрученность потока, сосредоточенная геликоидная закрученность потока, местная турбулентность и т.п. изменения.
В первом случае, когда контроллером режимов 23 определен режим существенно неустановившегося течения, для определения скорости используется информация о движении локальной неоднородности потока. При этом ранее описанные информативные сигналы, поступающие на вход вычислительно-управляющего блока 20 с первых вводов-выводов 4 и вторых вводов-выводов 5 первого и второго резонаторов 2 и 3, непрерывно фиксируются в памяти указанного блока в форме временных реализаций каждого из этих сигналов.
В качестве временных реализаций информативных сигналов резонаторов 2 и 3 могут быть использованы, например, зависимости от времени t амплитуд сигналов: Iрез1(t), Ipeз2(t), Iрез3(t) вблизи ранее упомянутых первой, второй и третьей резонансных частот Fрез1, Fрез2, Fрез3 соответственно.
С учетом конкретного подрежима существенно неустановившегося течения, определенного контроллером режимов 23, в вычислительно-управляющем блоке 20 из группы алгоритмов «Контроль скорости» выбирается алгоритм, отвечающий коду данного подрежима и, в соответствии с выбранным алгоритмом, производится обработка вышеуказанных временных реализаций информативных сигналов, сформированных в каждом из резонаторов 2 и 3 и поступивших на их вводы-выводы 4, 5.
После обработки временных реализаций определяется их взаимная корреляционная функция и проводится смещение во времени t одной из реализаций относительно другой, вплоть до получения максимума взаимной корреляционной функции.
При получении в процессе смещения указанных реализаций максимума взаимной корреляционной функции в вычислительно-управляющем блоке 20 определяется время  пробега устойчивой флуктуацией компонентного состава контролируемого потока вышеуказанного межцентрового расстояния Lo, принятого за базовую длину.
Скорость W контролируемой среды вычисляется в соответствии с выражением
W=Lo/ ,
где Lo – базовая длина, равная осевому расстоянию между геометрическими центрами первого и второго резонаторов 2 и 3 соответственно.
Полученное значение скорости W используется в вычислительно-управляющем блоке 20 для вычисления покомпонентных объемных расходов Q1, Q2, Q3 каждого из трех компонентов газожидкостного потока.
Во втором случае, когда контроллером режимов 23 выявлено установившееся движение однородного потока, при котором в контролируемой среде отсутствуют локальные, ярко выраженные флуктуации компонентного состава, определение скорости W по вышеописанному методу оказывается недостоверным. В этом режиме в качестве надежно выявляемой особенности потока в предложенной системе используется не локальная флуктуация компонентного состава потока, а локальная особенность потока, характеризуемая существенно отличающимся от среднего значения отношением информативных сигналов резонаторов 2 и 3, полученных при взаимно ортогональном радиоволновом зондировании контролируемой среды.
Метод взаимно ортогонального зондирования позволяет фиксировать не только движение локальных неоднородностей, но и движение локальных особенностей контролируемого потока, принципиально не выявляемых при однороднонаправленном зондировании.
При определении контроллером режимов 23 практически установившегося течения однородного контролируемого потока в этом контроллере формируется и передается в вычислительно-управляющий блок 20, соответствующий уточненному подрежиму кодовый сигнал, и из группы алгоритмов «Контроль скорости», хранящихся в памяти блока 20, выбирается алгоритм, отвечающий полученному коду.
В соответствии с выбранным алгоритмом производится обработка временных реализаций отношения величины сигнала, формируемого на первом вводе-выводе 4 первого резонатора 2, к величине сигнала, формируемого на втором вводе-выводе 5 этого же резонатора, а также отношения величины сигнала, формируемого на первом вводе-выводе 4 второго резонатора 3, к величине сигнала, формируемого на втором вводе-выводе 5 этого резонатора.
После обработки указанных, существенно отличающихся от среднего значения, отношений величин сигналов в вычислительно-управляющем блоке определяется, как и в предыдущем случае, взаимная корреляционная функция их временных реализаций и находится промежуток времени  смещения реализаций, при котором данная функция испытывает максимум. Как и при существенно неустановившемся течении, этот промежуток равен времени, в течение которого локальная особенность потока, характеризуемая существенно отличающимся от среднего значения отношением сигналов, полученных при взаимно ортогональном зондировании контролируемой среды, пробегает базовую длину Lo.
Скорость контролируемого потока в этом случае, как и ранее, составляет
W=Lo/ .
Найденные значения скорости W и относительных объемных долей V1, V2 и V3 компонентов контролируемой среды позволяют вычислить покомпонентный объемный расход Q1, Q2, Q3 каждого из трех компонентов газожидкостного потока:
Q1=SWV1, Q2=SWV2, Q3=SWV3,
где S= R2 – площадь проходного сечения диэлектрической трубы 6.
В течение третьей стадии работы вычислительно-управляющего блока 20 определяется покомпонентный массовый расход Qm1, Qm2, Qm3 каждого из трех компонентов газожидкостного потока. На этой стадии, дополнительно к вышеописанным процедурам, проводятся вычисления, учитывающие данные о номинальных значениях плотности 1, 2, 3 каждого из трех компонентов контролируемой среды, хранящиеся в памяти вычислительно-управляющего блока 20, сигналы о значении давления Р контролируемой среды, поступившие на соответствующие входы вычислительно-управляющего блока 20 с выхода датчика давления 14, а также сигналы о фактических значениях массового расхода Qm и плотности контролируемой среды, непосредственно измеренных кориолисовым расходомером 15 и поступивших на соответствующие входы этого блока с выхода электронного преобразователя расхода 16 через первый контроллер калибровок 24 и с выхода электронного преобразователя плотности 17 через второй контроллер калибровок 25.
Данные о значении давления Р контролируемой среды, а также о номинальных значениях плотности 1, 2, 3 каждого из ее компонентов необходимы для грубой оценки покомпонентного массового расхода, выполняемой в вычислительно-управляющем блоке 20 с погрешностями косвенного вычисления плотности и массового расхода компонентов.
Для точного определения покомпонентного массового расхода косвенные данные о плотности компонентов оказываются недостаточными, для уточнения этих данных необходимы результаты прямого измерения фактических значений плотности и массового расхода Qm контролируемой среды с помощью кориолисова расходомера, выходная информация которого откорректирована в контроллерах калибровок 24, 25 в зависимости от режима течения газожидкостного потока.
Коррекция показаний кориолисова расходомера необходима в связи с тем, что особенностью его работы является наличие погрешностей измерения массового расхода Qm и плотности , возникающих при неоднородности контролируемого потока.
Номинальная градуировочная характеристика (или номинальная калибровка) кориолисова расходомера соответствует однородному потоку контролируемой среды, плотность которой одинакова во всех точках поперечного сечения потока.
В случае, когда распределение плотности по сечению потока неоднородно, характерном для большинства нефтяных скважин, фактическая калибровка кориолисова расходомера не соответствует номинальной калибровке, что вызывает существенные дополнительные погрешности измерения массового расхода Qm и плотности контролируемой среды.
Для исключения этой погрешности в предложенной системе введены первый и второй контроллеры калибровок 24 и 25 соответственно, в памяти каждого из которых хранятся данные, полученные в процессе калибровок кориолисова расходомера на испытательном калибровочном стенде при нескольких различных режимах течения контролируемого потока.
В ходе калибровочных испытаний кориолисова расходомера для каждого из заданных режимов течения получают соответствующие этому режиму семейства калибровок: семейство калибровок по массовому расходу и семейство калибровок по плотности, данные о которых заносят в память соответствующих им контроллеров: данные о калибровках по расходу – в память первого контроллера калибровок 24, а данные о калибровках по плотности – в память второго контроллера калибровок 25.
При наличии на одном из входов соответствующего контроллера калибровок 24 и 25 информации о массовом расходе Qm, поступающей с выхода электронного преобразователя расхода 16, и информации о плотности , поступающей с выхода электронного преобразователя плотности 17, в каждом из этих контроллеров происходит обработка принятой информации о значениях Qm и с учетом кодового сигнала о фактическом режиме течения, поступившего на другой вход соответствующего контроллера калибровок 24, 25 с выхода контроллера режимов 23. В соответствии с поступившим кодовым сигналом в данном контроллере калибровок из хранящегося в его памяти семейства калибровок выбирается та, которая отвечает фактическому режиму течения. Согласно выбранной калибровке в каждом из контроллеров 24, 25 производится коррекция принятой данным контроллером информации. Скорректированная точная информация о массовом расходе Qm и плотности контролируемой среды передается с выхода каждого из контроллеров калибровок 24, 25 на соответствующий этому выходу вход вычислительно-управляющего блока 20, где с учетом данных, полученных на первой и второй стадиях работы этого блока, производится окончательное вычисление точных и достоверных значений покомпонентного массового расхода Qm1, Qm2, Qm3 каждого из трех компонентов газожидкостной среды.
Таким образом, задача предложенного изобретения, состоящая в повышении точности и достоверности измерения покомпонентного массового расхода, решена за счет использования в предложенной системе следующих новых технических решений: во-первых, за счет определения фактического режима течения потока в контроллере режимов 23 и учета этого режима при определении достоверных значений Qm1, Qm2 и Qm3 в вычислительно управляющем блоке 20, во-вторых, – благодаря применению двух различных направлений радиоволнового зондирования контролируемой среды с помощью двух взаимно-ортогональных вводов-выводов 4, 5, подсоединенных к различным выходам управляемого коммутатора 22, и использованию результатов этого зондирования в вычислительно-управляющем блоке 20 и в контроллере режимов 23 с целью определения точных значений Qm1, Qm2 и Qm3 и, в-третьих, за счет калибровки показаний кориолисова расходомера 15 по расходу и плотности в первом и втором контроллерах калибровок 24 и 25 соответственно с целью определения точных и достоверных значений Qm и в вычислительно-управляющем блоке 20.
Формула изобретения
Система измерения покомпонентного массового расхода трехкомпонентного потока, в состав которой входят вычислительно-управляющий блок, первый высокочастотный резонатор в виде короткозамкнутого проводника, имеющего форму прямоугольного меандра, размещенного на наружной цилиндрической поверхности диэлектрической трубы, расположенной внутри трубчатого корпуса соосно ему, расходомер, снабженный электронным преобразователем расхода и расположенный последовательно с первым высокочастотным резонатором, установленный в диэлектрической трубе датчик давления, выход которого соединен с соответствующим входом вычислительно-управляющего блока, управляемый высокочастотный генератор, первый входной усилитель, передающий тракт, представляющий собой последовательно соединенные выходной усилитель, вход которого является входом данного передающего тракта, амплитудный детектор и аналого-цифровой преобразователь, выход которого служит выходом этого тракта, причем первый высокочастотный резонатор через передающий тракт подключен к соответствующему входу вычислительно-управляющего блока, выход которого соединен со входом управляемого высокочастотного генератора, а через первый входной усилитель этот высокочастотный резонатор подключен к управляемому высокочастотному генератору, отличающаяся тем, что в нее дополнительно введен второй высокочастотный резонатор, идентичный первому и размещенный соосно ему на упомянутой диэлектрической трубе внутри упомянутого корпуса, каждый из высокочастотных резонаторов снабжен первым вводом-выводом и вторым вводом-выводом, причем первый ввод-вывод и второй ввод-вывод каждого высокочастотного резонатора лежат в диаметральных взаимно-перпендикулярных плоскостях, в качестве расходомера применен кориолисов расходомер, дополнительно снабженный электронным преобразователем плотности, система дополнительно содержит второй входной усилитель, контроллер режимов и подключенный к выходу управляемого высокочастотного генератора управляемый коммутатор, снабженный входом, управляющим входом и двумя выходами, один из которых соединен с первым входным усилителем, другой – со вторым входным усилителем, а управляющий вход – с соответствующим выходом вычислительно-управляющего блока, выход передающего тракта дополнительно подключен к соответствующему входу контроллера режимов, кроме того, система дополнительно содержит четыре входных разделительных конденсатора и четыре выходных разделительных конденсатора, три передающих тракта, идентичных упомянутому передающему тракту, причем выход каждого из этих трех передающих трактов подключен к одному из соответствующих входов вычислительно-управляющего блока и, кроме того, – к одному из соответствующих входов контроллера режимов, система дополнительно содержит первый контроллер калибровок, один из входов которого соединен с выходом электронного преобразователя расхода, и второй контроллер калибровок, один из входов которого соединен с выходом электронного преобразователя плотности, а выход каждого из этих контроллеров соединен с одним из соответствующих входов вычислительно-управляющего блока, первый или второй ввод-вывод каждого высокочастотного резонатора подключен ко входу только одного из передающих трактов через один из выходных разделительных конденсаторов, помимо этого, каждый из первых вводов-выводов каждого высокочастотного резонатора подключен к выходу первого входного усилителя через один из входных разделительных конденсаторов, а каждый из вторых вводов-выводов каждого высокочастотного резонатора через один из входных разделительных конденсаторов подключен к выходу второго входного усилителя, выход датчика давления дополнительно подключен к соответствующему входу контроллера режимов, при этом выход контроллера режимов соединен с соответствующим входом вычислительно-управляющего блока и, помимо этого, – с соответствующим входом первого и с соответствующим входом второго контроллеров калибровок, кроме того, на концевых участках диэлектрической трубы установлено по ограничительному витку, а между первым и вторым высокочастотными резонаторами установлен ограничительно-разделительный виток, ограничительные витки, ограничительно-разделительный виток и короткозамкнутые проводники каждого высокочастотного резонатора имеют прямоугольное поперечное сечение, толщина b поперечного сечения каждого короткозамкнутого проводника каждого высокочастотного резонатора, каждого ограничительного витка и ограничительно-разделительного витка определяется неравенством
,
где К – размерный коэффициент пропорциональности;
Fmax – верхний предел частоты сигнала на выходе управляемого высокочастотного генератора.
РИСУНКИ
|
|