|
|
(21), (22) Заявка: 2007106277/06, 19.02.2007
(24) Дата начала отсчета срока действия патента:
19.02.2007
(46) Опубликовано: 10.09.2008
(56) Список документов, цитированных в отчете о поиске:
RU 2241915 С2, 10.12.2004. SU 1793168 А1, 07.02.1993. RU 2193736 С1, 27.11.2002. RU 2145404 С1, 10.02.2000. GB 1279668 А, 28.06.1972.
Адрес для переписки:
394006, г.Воронеж, ул. 20-летия Октября, 84, ауд.1122, ГОУВПО ВГАСУ, сектор интеллектуальной собственности
|
(72) Автор(ы):
Щукина Татьяна Васильевна (RU)
(73) Патентообладатель(и):
Государственное образовательное учреждение высшего профессионального образования Воронежский государственный архитектурно-строительный университет (ГОУ ВПО ВГАСУ) (RU)
|
(54) АККУМУЛЯЦИОННЫЙ ТЕПЛООБМЕННИК
(57) Реферат:
Изобретение относится к теплоэнергетике и предназначено для нагревания теплоносителя, а также для длительного аккумулирования энергии, полученной при утилизации тепловых выбросов с изменяющимся температурным режимом или при нетрадиционном теплоснабжении зданий, в частности с использованием солнечного излучения. Аккумуляционный теплообменник содержит каналы для прохода теплообменивающихся сред, образованные теплоаккумулирующими, заполненные веществом, претерпевающим фазовые превращения, и разделительными пластинами, снабженными прокладками, и накопительные емкости, сообщенные посредством отверстий в прокладках с каналом для нагреваемой среды и содержащие теплоаккумулирующие пластины, в веществе которых размещены активаторы, выполненные в виде эластичных элементов и закрепленные на крайних гофрах сильфонов, установленных в теплоаккумулирующих пластинах и выступающих своими торцами в канал нагреваемой среды. Такое выполнение теплообменника увеличивает его аккумулирующую способность и повышает эффективность теплообмена. 4 ил.
Изобретение относится к теплоэнергетике и предназначено для нагревания теплоносителя, направляемого в системы горячего водоснабжения и отопления, а также для длительного аккумулирования энергии, полученной при утилизации тепловых выбросов с изменяющимся температурным режимом или при нетрадиционном теплоснабжении зданий, в частности с использованием солнечной радиации.
Известен пластинчатый теплообменник [а.с. №1000718, МКИ F28D 9/00, F28D 15/00, 1983], содержащий пакет пластин, снабженных прокладками и образующих каналы для теплообменивающихся сред, заполненные жидким теплоаккумулирующим веществом, и для дополнительного замкнутого циркуляционного контура, расположенного между каналами теплообменивающихся сред.
Дополнительный циркуляционный контур с жидким теплоаккумулирущим веществом, не меняющим в режиме эксплуатации свое агрегатное состояние, в теплообменнике будет выполнять роль лишь только промежуточного теплоносителя. При этом незначительная аккумуляция теплоты в циркуляционном контуре будет способствовать некоторому запаздыванию процесса нагревания при повышении или понижении температуры горячей среды. В результате необходимое для потребителя изменение температуры нагреваемого теплоносителя на выходе из устройства произойдет в течение нескольких минут, так как малая теплоаккумулирующая способность устройства не обеспечит длительное поддержание этого параметра на заданном уровне.
Наиболее близким техническим решением по совокупности признаков является аккумуляционный теплообменник [а.с. 1793168, МКИ F24Н 7/00, 1982], содержащий входные и выходные участки для теплообменивающихся сред, регулирующие заслонки, байпасные заслонки и установленные в канале теплоаккумулирующие пластины с возможностью перемещения относительно оси канала направлении, заполненные веществом, претерпевающим фазовые превращения.
Устройство предполагает последовательное омывание теплоаккумулирующих пластин то горячей, то холодной средой. Поэтому, чтобы обеспечить бесперебойное нагревание теплоносителя, поступающего впоследствии к потребителю, необходимо установить не менее двух теплоаккумуляционных теплообменников. Это потребует дополнительной площади под размещение оборудования и увеличит в целом капитальные расходы. Конструкция устройства не предполагает одновременное контактирование теплообменивающих сред через разделяющую поверхность, что значительно снижает эффективность процесса передачи теплоты. Фазовые превращения, происходящие в теплоаккумулирующих пластинах при их нагревании или охлаждении, из-за теплопотерь не обеспечат даже при высокоэффективной изоляции теплообменника длительное хранение тепловой энергии, которое требуется при нетрадиционном теплоснабжении сооружений.
Задачей изобретения является увеличение аккумулирующей способности и сроков хранения теплоты при повышении эффективности теплообмена в устройстве.
Эта задача решается тем, что в аккумуляционном теплообменнике, содержащем с входными и выходными участками каналы для прохода теплообменивающихся сред, образованные теплоаккумулирующими, заполненными веществом, претерпевающим фазовые превращения, и разделительными пластинами, снабженными прокладками, отличительными от прототипа признаками являются накопительные емкости, сообщенные посредством отверстий в прокладках с каналом для нагреваемой среды и содержащие теплоаккумулирующие пластины, в веществе которых размещены активаторы, выполненные в виде эластичных элементов и закрепленные на крайних гофрах сильфонов, установленных в теплоаккумулирующих пластинах и выступающих своими торцами в канал нагреваемой среды.
Предлагаемая конструкция аккумуляционного теплообменника позволяет достичь высокой степени аккумулирования теплоты при увеличении сроков ее хранения, так как используется фазовое изменение вещества, которое может отдавать приобретенную энергию только при начальном воздействии активатора. Снабжение устройства накопительными емкостями приводит к компенсации кратковременного максимального потребления нагретой жидкости, характерного для систем горячего водоснабжения, при неизменном состоянии аккумулирующего вещества, что сохраняет его теплоту для более нестабильных ситуаций. Последовательное расположение образованных пластинами каналов для прохода горячего и нагреваемого теплоносителей, а также теплоаккумулирующих пластин обеспечит непосредственное контактирование через разделяющую поверхность теплообменивающихся сред, что повысит эффективность процесса теплопередачи.
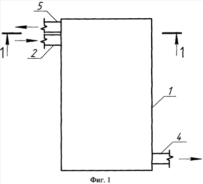
На фиг.1 представлен вид аккумуляционного теплообменника сбоку.
На фиг.2 выполнен разрез 1-1.
На фиг.3 изображен разрез 2-2.
На фиг.4 представлен фрагмент нижней части теплоаккумулирующих пластин.
Аккумуляционный теплообменник состоит из корпуса 1 с входными 2, 3 и выходными 4, 5 участками для теплообменивающихся сред. В корпусе 1 установлены разделительные 6 и теплоаккумулирующие 7 пластины, которые заполнены теплоаккумулирующим веществом 8. Теплоаккумулирующие 7 и разделительные 6 пластины, снабженные прокладками 9, образуют каналы для прохода горячей 10 и нагреваемой 11 сред.
В корпусе 1 аккумуляционного теплообменника размещены накопительные емкости 12 для нагреваемой среды с расположенными в них теплоаккумулирующими пластинами 7. Емкости 12 сообщены посредством отверстий 13, выполненных в прокладках 9, с каналом для нагреваемой среды 11.
В нижней части 14 теплоаккумулирующих пластин 7 установлены сильфоны 15, заполненные жидкостью 16, имеющей низкую температуру кипения. Торцы 17 сильфонов 15 выступают над поверхностью пластин 7 в канал нагреваемой среды 11. К крайним гофрам 18 сильфонов 15 жестко прикреплены активаторы, выполненные в виде эластичных элементов 19.
В качестве теплоаккумулирующего вещества, претерпевающего фазовые изменения, может быть использована смесь пересыщенного водного раствора ацетата натрия, пищевого желатина и глицерина.
Аккумуляционный теплообменник работает следующим образом.
По входным участкам 2, 3 горячая среда и холодная жидкость поступают в каналы 10 и 11, образованные разделительными 6 и теплоаккумулирующими 7 пластинами. Через разделительные пластины 6 горячая среда передает часть теплоты к нагреваемой жидкости, а избыток своей энергии – теплоаккумулирующим пластинам 7, в которых, если вещество 8 находилось в твердом состоянии, начинает происходить процесс его плавления. Нагретая среда из канала 11, образованного пластинами 6, 7, через отверстия 13 в прокладках 9 направляется в накопительные емкости 12, где за счет ее уже высокой температуры в теплоаккумулирующих пластинах 7 происходит также процесс плавления аккумулирующего вещества 8. Минимальное потребление отверстия 13 в прокладках 9 пластин позволяет циркулировать нагреваемой среде по каналу 11 и накопительным емкостям 12, что поддерживает ее температуру на высоком уровне и обеспечивает завершение процесса фазового перехода в теплоаккумулирующих пластинах 7.
В случае понижения температуры горячей среды, характерного для нетрадиционного теплоснабжения, и одновременном возрастании потребления нагреваемой жидкости ее температура на выходе из аккумуляционного теплообменника уменьшается. Так как торцы 17 сильфонов 15, размещенных в теплоаккумулирующих пластинах 7, выступают в канал нагреваемой среды 11, то при снижении температуры последней заполняющая их и находящаяся в парообразном состоянии жидкость 16 начинает конденсироваться. В результате понижения внутреннего давления при конденсации жидкости 16 сильфон сжимается, уменьшаясь в длине. При этом закрепленные на гофрах 18 сильфонов 15 эластичные элементы 19 согнутся, открывая доступ теплоаккумулирующиму веществу 8 пластин 7 к контактным зонам активаторов, которые вызывают процесс кристаллизации водного солевого раствора. Выделяемая теплота фазового перехода расходуется на повышение температуры нагреваемой среды. По окончании кристаллизации теплоаккумулирующие пластины 7 восстановят свою структуру и вещество 8 перейдет в жидкое состояние при высокой температуре горячей среды.
Применение накопительных емкостей 12 позволяет компенсировать кратковременное максимальное потребление нагретой среды. В случае возрастания нагрузки на аккумуляционный теплообменник, сопровождающегося снижением температуры нагреваемой жидкости, используется способность теплоаккумулирующего вещества 8, заполняющего теплоаккумулирующие пластины 7, кристаллизироваться с выделением теплоты при незначительном перегибании активаторов, вызванном охлаждением сильфонов 15. Использование солевого раствора обеспечивает продолжительное хранение теплоты при минимальных теплопотерях в окружающую среду и передачу ее потребителям по мере возникающей необходимости. Применение разделительных пластин предполагает непосредственное контактирование теплообменивающихся сред, что значительно повышает эффективность аккумуляционного теплообменника.
Формула изобретения
Аккумуляционный теплообменник, содержащий с входными и выходными участками каналы для прохода теплообменивающихся сред, образованные теплоаккумулирующими, заполненными веществом, претерпевающим фазовые превращения, и разделительными пластинами, снабженными прокладками, отличающийся тем, что, с целью увеличения аккумулирующей способности и повышения эффективности теплообмена, установлены накопительные емкости, сообщенные посредством отверстий в прокладках с каналом для нагреваемой среды и содержащие теплоаккумулирующие пластины, в веществе которых размещены активаторы, выполненные в виде эластичных элементов и закрепленные на крайних гофрах сильфонов, установленных в теплоаккумулирующих пластинах и выступающих своими торцами в канал нагреваемой среды.
РИСУНКИ
|
|