|
|
(21), (22) Заявка: 2007103227/11, 29.01.2007
(24) Дата начала отсчета срока действия патента:
29.01.2007
(46) Опубликовано: 10.09.2008
(56) Список документов, цитированных в отчете о поиске:
SU 205472 А, 10.01.1968. SU 305298 А, 16.07.1971. US 4014222 A1, 29.03.1974.
Адрес для переписки:
249034, Калужская обл., г. Обнинск, ул. Гагарина, 44, кв.86, Р.Г. Хадееву
|
(72) Автор(ы):
Хадеев Равиль Гафиевич (RU)
(73) Патентообладатель(и):
Хадеев Равиль Гафиевич (RU)
|
(54) РЕГУЛЯТОР ОБОРОТОВ ДВИГАТЕЛЯ ТРАНСПОРТНОГО СРЕДСТВА С ПРЕОБРАЗОВАТЕЛЕМ ПЕРЕДАТОЧНОГО ОТНОШЕНИЯ ТРАНСМИССИИ, ЗАВИСЯЩИМ ОТ НАГРУЗКИ НА ВЫХОДНОМ ВАЛУ
(57) Реферат:
Изобретение относится к области транспортного машиностроения. В качестве регулятора оборотов двигателя транспортного средства используют устройство, содержащее планетарный дифференциал с ведущим водилом (2) и двумя различными по диаметру центральными зубчатыми колесами (5, 12). Центральное зубчатое колесо (5) при вращении водила (2) по отношению к нему вращается в обратную сторону и передает энергию двигателя на выходной вал (6) через редуктор, изменяющий направление вращения. Центральное зубчатое колесо (12) вращается в ту же сторону, что и водило (2), и передает вращение на выходной вал (6) через фрикционную муфту (13). Регулирующий исполнительный механизм с управляемым сигналом, являющимся функцией оборотов вала двигателя, приводит к изменению соотношения передачи вращения через шестерни дифференциала и вращения всего механизма и, соответственно, к разгону или торможению выходного вала (6) с изменением передаточного отношения от максимальной величины до единицы. Такое выполнение устройства позволяет осуществлять автоматическое регулирование оборотов двигателя с изменением передаточного отношения трансмиссии на переходных режимах. 1 ил.
Изобретение относится к области транспортного машиностроения. Его применение может быть осуществлено для стабилизации оборотов двигателя транспортного средства при его движении на различных скоростях и при различном соотношении потребной и располагаемой мощности с автоматическим изменением передаточного отношения трансмиссии.
Известны различные пути регулирования оборотов на транспортных средствах и согласования передаточного отношения при передаче движения от двигателя к исполнительному механизму. Наиболее распространенным способом является зубчатый редуктор. На транспортных средствах для согласования оборотов двигателя и выходного вала применяют различные ступенчатые и бесступенчатые коробки скоростей. Бесступенчатые коробки скоростей описаны, например, в журнале «Автомобильная промышленность» №5 за 1983 год на стр.36-39. Известны конструкции бесступенчатых коробок скоростей: конструкции «вариаматик» и со стальным ремнем «трансматик», описанные в журнале «Автомобильная промышленность» №4 за 1983 год. Недостатком зубчатых коробок скоростей является то, что при их использовании передаточное отношение трансмиссии постоянно, обороты двигателя на большинстве режимов отличаются от оптимальных. Это ухудшает экономичность, увеличиваются нагрузки на двигатель и элементы трансмиссии. Для регулирования оборотов используют механические, электромеханические, электронные регуляторы оборотов. Регуляторы оборотов с дозированием топлива, описаны, например, в патентах на изобретения: SU 1474307 А1, 23.04.1989. RU 2142567 C1, 10.12.1999. DE 3344585 A1, 13.06.1985. DE 3437324 A1, 10.10.1984. Они регулируют обороты, не изменяя при этом передаточное отношение трансмиссии, что ухудшает разгонные характеристики транспортного средства.
Задачей изобретения является осуществление автоматического регулирования оборотов двигателя, осуществление его работы на оптимальных оборотах, с изменением передаточного отношения трансмиссии на переходных режимах, изменяющегося при изменении скорости вращения выходного вала.
Указанная цель достигается тем, что согласно изобретению в качестве регулятора оборотов двигателя транспортного средства используют устройство, содержащее планетарный дифференциал с ведущим водилом и двумя различными по диаметру центральными зубчатыми колесами, одно из которых при вращении водила по отношению к нему вращается в обратную сторону и передает энергию двигателя на выходной вал через редуктор, изменяющий направление вращения, выполненный любым из известных способов, а второе вращается в ту же сторону, что и водило и передает вращение на выходной вал через фрикционную муфту, которая распределяет крутящий момент в плечах дифференциала в пропорции соотношения диаметров центральных колес и сателлитов с изменяемой в ней силой трения, необходимой для ее проворота, регулирующим исполнительным механизмом, принцип работы которого может быть выбран по любой из известных схем, например центробежным или электронным, и управляемым сигналом, являющимся функцией оборотов вала двигателя, что приводит к изменению соотношения передачи вращения через шестерни дифференциала и вращения всего механизма и, соответственно, к разгону или торможению выходного вала с изменением передаточного отношения от максимальной величины, определяемой разницей диаметров центральных колес и сателлитов дифференциала, когда передача вращения происходит только через шестерни дифференциала, до единицы, когда проскальзывания во фрикционной муфте нет, и весь механизм вращается как целое, от вала двигателя к выходному валу, при постоянных оборотах двигателя.
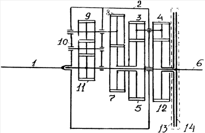
Изобретение поясняется чертежом, где схематически представлен планетарный дифференциал с передачей вращения на выходной вал и фрикционную муфту. Согласно изобретению вращение от привода через вал 1 передается на водило 2, выполненное совместно с корпусом. На водиле имеются пары сателлитов 3 и 4, жестко соединенные между собой, ось которых свободно вращается на водиле. Сателлит 3 обкатывается по центральному зубчатому колесу 5, свободно вращающемуся на выходном валу 6, но жестко связанному с зубчатым колесом 7, которое передает вращение на зубчатое колесо 8, ось которого находится на корпусе водила и на которой находится зубчатое колесо 9, жестко связанное с зубчатым колесом 8. Зубчатое колесо 9 через зубчатое колесо 10, ось которого также расположена на корпусе водила, передает вращение на зубчатое колесо 11, жестко связанное с выходным валом 6. Сателлит 4 обкатывается по центральному колесу 12, свободно вращающемся на выходном валу и жестко соединенному с ведущим диском фрикционной муфты 13. Ведомый диск фрикционной муфты 14 жестко соединен с выходным валом 6. При разгоне в начале движения передаточное отношение тем больше, чем меньше разница между диаметрами центральных зубчатых колес и сателлитов. В конце разгона проскальзывания во фрикционной муфте нет, весь механизм вращается как целое, а передаточное отношение равно единице. При увеличении потребной мощности или уменьшении мощности двигателя, при возникновении тенденции к падению оборотов, в результате уменьшения силы трения регулирующим исполнительным механизмом (не показан), который управляется сигналом, являющимся функцией оборотов вала 1, уменьшается усилие, сжимающее диски фрикционной муфты и возникает проскальзывание во фрикционной муфте, передаточное отношение увеличивается до необходимой величины, соответствующей мощности двигателя, в возможных пределах регулирования, а обороты двигателя восстанавливаются. При уменьшении потребной мощности или увеличении мощности двигателя возникнет тенденция к росту оборотов, при этом регулирующий исполнительный механизм сжимает диски фрикционной муфты сильнее и уменьшает возможность фрикционной муфты к проскальзыванию. Это приводит к уменьшению передаточного отношения трансмиссии и восстановлению оборотов двигателя. Регулирующий исполнительный механизм может быть выполнен любым известным способом, например, механическим, центробежным, гидравлическим, электромеханическим, электронным. Редуктор 7, 8, 9, 10, 11, изменяющий направление вращения, также может быть выполнен любым из известных способов.
Формула изобретения
Регулятор оборотов двигателя транспортного средства с преобразователем передаточного отношения трансмиссии, зависящим от нагрузки на выходном валу, отличающийся тем, что в качестве регулятора оборотов двигателя транспортного средства используют устройство, содержащее планетарный дифференциал с ведущим водилом и двумя различными по диаметру центральными зубчатыми колесами, одно из которых при вращении водила по отношению к нему вращается в обратную сторону и передает энергию двигателя на выходной вал через редуктор, изменяющий направление вращения, выполненный любым из известных способов, а второе вращается в ту же сторону, что и водило, и передает вращение на выходной вал через фрикционную муфту, которая распределяет крутящий момент в плечах дифференциала в пропорции соотношения диаметров центральных колес и сателлитов, с изменяемой в ней силой трения, необходимой для ее проворота, регулирующим исполнительным механизмом, принцип работы которого может быть выбран по любой из известных схем, например центробежным или электронным, и управляемым сигналом, являющимся функцией оборотов вала двигателя, что приводит к изменению соотношения передачи вращения через шестерни дифференциала и вращения всего механизма и, соответственно, к разгону или торможению выходного вала с изменением передаточного отношения от максимальной величины, определяемой разницей диаметров центральных колес и сателлитов дифференциала, когда передача вращения происходит только через шестерни дифференциала, до единицы, когда проскальзывания во фрикционной муфте нет и весь механизм вращается как целое от вала двигателя к выходному валу при постоянных оборотах двигателя.
РИСУНКИ
|
|