|
|
(21), (22) Заявка: 2005114107/06, 11.05.2005
(24) Дата начала отсчета срока действия патента:
11.05.2005
(43) Дата публикации заявки: 20.11.2006
(46) Опубликовано: 10.09.2008
(56) Список документов, цитированных в отчете о поиске:
US 3588296 А, 28.06.1971. SU 545760 А, 05.02.1977. DE 2511451 A1, 23.09.1976. SU 594898 A, 27.01.1978. GB 1020274 A, 16.02.1966. SU 909249 A, 28.02.1982.
Адрес для переписки:
445633, Самарская обл., г. Тольятти, ул. Заставная, 2, корп.3/1, ОАО “АВТОВАЗ”, ДТР, ПЛО, начальнику патентно-лицензионного отдела А.П. Голикову
|
(72) Автор(ы):
Шнякин Владимир Андреевич (RU)
(73) Патентообладатель(и):
Открытое акционерное общество “АВТОВАЗ” (RU)
|
(54) КОРПУС РОТОРНО-ПОРШНЕВОГО ДВИГАТЕЛЯ
(57) Реферат:
Изобретение относится к двигателестроению, в частности к роторно-поршневым двигателям внутреннего сгорания (РПД). Корпус РПД, по крайней мере односекционного, содержит статор, ротор, эксцентриковый вал, крышки статора, соединенные с помощью болтов или шпилек. Соединительные болты или шпильки проходят через отверстия во внутреннем контуре статора и максимально приближены к внутренней рабочей поверхности статора. В горячей зоне, имеющей нагрев внутренней стенки-обечайки до температуры 240÷260°С, расстояние от центра стяжных болтов или шпилек до внутренней рабочей поверхности внутренней стенки-обечайки статора находится в пределах S=1,2…1,5d, где d – диаметр стяжного болта или шпильки. Охлаждение статора осуществляется охлаждающей жидкостью, движущейся по узким щелевым каналам, образованным отверстиями в статоре и стяжными болтами или шпильками, при этом ширина щели составляет величину h=0,1…0,2d. В горячей зоне, в местах расположения свечей зажигания, соединительные болты или шпильки с щелевыми каналами вокруг них расположены во внутреннем контуре статора близко друг от друга. Каналы подвода охлаждающей жидкости расположены в средней части статора – горячей зоне. Каналы подвода охлаждающей жидкости к крышкам статора выполнены в виде продолжения каналов охлаждения статора. В статоре имеются каналы для подвода на впуск РПД воздуха или топливно-воздушной смеси, которые проходят через горячие зоны статора. Техническим результатом является уменьшение действия изгибающего момента, деформирующего внутреннюю стенку-обечайку статора и крышки статора. 5 з.п.ф-лы, 7 ил.
Изобретение относится к двигателестроению, в частности к роторно-поршневым двигателям внутреннего сгорания (далее РПД).
Известна система охлаждения РПД (а.с. СССР №358534, Мкл. F02B 55/10), где с целью выравнивания поля температур по деталям корпуса РПД и уменьшения деформации статора жидкостное охлаждение горячей и холодной зон корпуса РПД осуществляется по двум независимым каналам системы охлаждения.
Недостатками этого изобретения являются ограниченные возможности по выравниванию температурного поля статора на максимально возможном для используемых в этих деталях материалах температурном уровне.
Холодную зону статора нельзя нагреть выше температуры циркулирующей там охлаждающей жидкости. Чтобы выравнить температурное поле в холодной и горячей зонах, нужно значительно захолодить горячую зону статора, что приведет к ухудшению процессов горения, увеличению расхода топлива, дополнительным механическим потерям на привод водяного насоса, увеличению габаритов и веса силовой установки.
Известна система охлаждения РПД (патент США 3964445 от 22.06.1976 г, прототип предполагаемого изобретения), где с целью выравнивания поля температур по статору и крышкам статора, уменьшения деформации статора и крышек статора охлаждающую жидкость направляют в горячую зону статора и крышек статора, а скорость потока охлаждающей жидкости формируют проходными сечениями каналов и дефлекторами.
Недостатками этого изобретения, с точки зрения решения задачи уменьшения деформации статора и крышек статора, являются отсутствие мероприятий, позволяющих уменьшить силовое воздействие на внутреннюю стенку-обечайку, что приводит к ее деформации, деформации крышек статора, нарушениям герметичности по масляным уплотнениям ротора, повышенному расходу масла, повышенному износу радиальных и торцовых уплотнений ротора, как следствие, – снижению ресурса РПД. Так, поле температур в прототипе не выравнивается по ширине статора, а стяжка болтами (шпильками) корпуса РПД осуществляется по варианту, создающему максимальный изгибающий момент, ведущий к деформациям статора и крышек статора. Одной из главных причин этого является то, что в охлаждении высокотемпературных зон статора и крышек статора участвует поток охлаждающей жидкости, параметры которой невозможно менять в широких пределах.
Технический результат изобретения заключается в уменьшении действия изгибающего момента, деформирующего внутреннюю стенку-обечайку статора и крышки статора.
Указанный технический результат при осуществлении изобретения достигается тем, что в известном корпусе РПД, по крайней мере односекционного, содержащем статор, ротор, эксцентриковый вал, крышки статора, соединенные с помощью болтов или шпилек, соединительные болты или шпильки проходят через отверстия во внутреннем контуре статора и максимально приближены к внутренней рабочей поверхности статора, при этом в горячей зоне, имеющей нагрев внутренней стенки-обечайки до температуры 240-260°С, расстояние от центра стяжных болтов или шпилек до внутренней рабочей поверхности внутренней стенки-обечайки статора находится в пределах S=1,2…1,5d, где d – диаметр стяжного болта или шпильки. Охлаждение статора осуществляется охлаждающей жидкостью, движущейся по узким щелевым каналам, образованным отверстиями в статоре и стяжными болтами или шпильками, при этом ширина щели составляет величину h=0,1…0,2d. В горячей зоне, в местах расположения свечей зажигания, соединительные болты или шпильки со щелевыми каналами вокруг них расположены во внутреннем контуре статора близко друг от друга. Каналы подвода охлаждающей жидкости расположены в средней части статора – горячей зоне. Каналы подвода охлаждающей жидкости к крышкам статора выполнены в виде продолжения каналов охлаждения статора. В статоре имеются каналы для подвода на впуск РПД воздуха или топливно-воздушной смеси, которые проходят через горячие зоны статора.
Сравнение научно-технической и патентной документации на дату приоритета в основной и смежной рубриках МКИ показывает, что совокупность существенных признаков заявленного решения ранее не была известна, следовательно, оно соответствует условию патентоспособности “новизна”.
Анализ известных технических решений в данной области техники показал, что предложенное устройство имеет признаки, которые отсутствуют в известных технических решениях, а использование их в заявленной совокупности признаков дает возможность получить новый технический результат, следовательно, предложенное техническое решение имеет изобретательский уровень по сравнению с существующим уровнем техники.
Предложенное техническое решение промышленно применимо, т.к. может быть изготовлено промышленным способом, работоспособно, осуществимо и воспроизводимо, следовательно, соответствует условию патентоспособности “промышленная применимость”.
Изобретение поясняется чертежами и проставленными на них позициями.
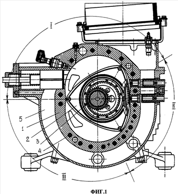
РПД, по крайней мере односекционный, содержит статор 1 (фиг.1), ротор 2, вал эксцентриковый 3, болты или шпильки соединения корпусных деталей 4, каналы 5 впуска воздуха или топливно-воздушной смеси, крышки 6 статора (фиг.3, 4), каналы 7 охлаждения статора (фиг.2, 3, 4, 5, 6, 7), каналы 8 охлаждения крышек статора (фиг.3).
Фиг.5 и 6 являются поясняющими, в частности, на фиг.5 корпус двигателя стягивается с помощью болтов или шпилек, расположенных в отверстиях, проходящих по внешней стенке-обечайке 9, как это использовано в РПД ф.Ванкель, а также в РПД ВАЗ 415, ВАЗ 416 (ОАО “АВТОВАЗ”, г. Тольятти), а на фиг.6 – аналогично, в средней части статоров между внешней и внутренней стенкой-обечайкой 10, что имеет место в конструкциях РПД ф.Мазда, а также РПД ВАЗ 311, ВАЗ 413.
При работе РПД внутренняя стенка-обечайка может нагреваться в зонах II и III фиг.1 до температуры 240-260°С, в то время как температура внутренней стенки-обечайки в зоне I и температура внешней стенки-обечайки соизмеримы с температурой охлаждающей жидкости 90-120°С.
Увеличение ширины статора по внутренней стенке-обечайке в большей мере, чем увеличение ширины статора по внешней стенке-обечайке приводит к перераспределению силовых нагрузок в корпусе РПД таким образом, что увеличившаяся нагрузка на внутреннюю стенку-обечайку приводит к ее деформации, а возникающий изгибающий момент приводит к деформации крышек статора, нарушению герметичности по масляным уплотнениям ротора, повышенному расходу масла, повышенной подвижности радиальных и торцовых уплотнений ротора, их износу и снижению ресурса РПД. Назовем это фактором 1.
Известно, что в РПД отдельные фазы рабочего процесса осуществляются в определенных участках корпуса РПД.
Экспериментально установлено, что в РПД по внутреннему контуру статора от окон впуска топливно-воздушной смеси до окон выпуска отработанных газов температура внутренней стенки-обечайки статора может меняться в пределах от 80°С в зоне I фиг.1 до 260°С в зоне II. Это обстоятельство, назовем его фактором 2, приводит к термическим деформациям деталей корпуса РПД, изменениям изначально заданных геометрических размеров статора и крышек статора, повышенной подвижности элементов уплотнения ротора, их чрезмерному износу, снижению ресурса РПД.
Кроме того, установлено, что существует неравномерное поле температур и по ширине статора, назовем это фактором 3.
В средней по ширине зоне статора, особенно в местах расположения свечей зажигания, температура внутренних стенок-обечаек статора может достигать 360÷370°С, в то время как температура стенок-обечаек статора в местах контакта с крышками статора 180÷190°С.
Это обстоятельство приводит к деформациям внутренних стенок-обечаек статора по ширине, прорыву газов в зазорах между поверхностью статора и радиальными уплотнениями роторов – лопатками, падению мощности РПД и повышенному расходу топлива.
В предлагаемом РПД в отличие от прототипа с целью уменьшения действия изгибающего момента, деформирующего внутреннюю стенку-обечайку статора и крышки статора, болты стяжные, расположенные в горячей зоне статора, максимально приближены к рабочей поверхности статора.
Экспериментально установлено, что расстояние от центра стяжных болтов в горячей зоне II Фиг.1 до внутренней рабочей поверхности внутренней стенки-обечайки статора должно находиться в следующих пределах:
S=1,2÷1,5d, где
S – расстояние от внутренней рабочей поверхности статора до центра стяжных болтов,
d – диаметр болта стяжного.
Второе отличие от прототипа предлагаемой системы охлаждения заключается в том, что движение охлаждающей жидкости происходит по узким щелевым каналам 7, образованным отверстиями 12 в статоре, крышках статора и стяжными болтами 4, с высокими скоростями, чем обеспечивается интенсификация передачи тепла от стенок каналов статора в охлаждающую жидкость.
Экспериментально установлено, что величина щелевого канала 7 должна находиться в следующих пределах:
h=0,1÷0,2d, где
h – величина щелевого канала,
d – диаметр болта стяжного.
Третье отличие от прототипа заключается в том, что с целью уменьшения деформации статора и крышек статора от действий термических нагрузок, возникающих от неравномерного поля температур по всему внутреннему контуру статора, охлаждающая жидкость подается в горячие зоны II и III, фиг.1, статора параллельными каналами, формирующими теплосъем, больший там, где выше температура внутреннего контура статора.
Четвертое отличие от прототипа заключается в том, что охлаждающая жидкость подается в статор каналом 11, фиг 2, 3, в его центральную среднюю часть, как наиболее горячую, и направляется в сторону крышек статора по каналам 7, фиг.2, 3, 7, где поверхность статора менее нагрета. По мере движения охлаждающей жидкости по каналам 7, фиг.3, от средней части статора к его периферийным зонам ее температура повышается, уменьшается теплопередача от рабочей поверхности статора в охлаждающую жидкость, выравнивается поле температур по ширине статора, уменьшается деформация, вызываемая действием фактора 3.
Пятое отличие от прототипа заключается в том, что охлаждающая жидкость подается одновременно в каждый из статоров многосекционного РПД по каналам 11, фиг 2, 3, распределяется в каналы 7, фиг 3, 7. Далее охлаждающая жидкость поступает по каналам 8, фиг 3, в крышки статоров, выходит из РПД, проходит термостат, радиатор, поступает в водяной насос и вновь по каналам 11, фиг.2, 3, направляется в РПД.
Шестое отличие от прототипа заключается в том, что статор РПД имеет воздушные каналы 5, фиг 1, 7, проходящие по внешнему контуру статора, через которые воздух или топливно-воздушная смесь (ТВС) подаются в РПД, нагреваются и охлаждают по крайней мере часть горячих зон II и III, фиг.1, статора. При этом статор совмещает в себе две функции: статор как основная деталь корпуса двигателя и статор как часть системы впуска ТВС двигателя, чем обеспечивается их дополнительная жесткость и компактность двигателя.
Благодаря изобретению стало возможным свести к минимуму деформации внутренних стенок-обечаек статора по ширине и длине рабочей поверхности, исключить прорыв газов через зазоры между поверхностями статора и радиальными уплотнениями ротора, что в конечном итоге позволило повысить мощность РПД, уменьшить расход топлива и снизить токсичность выхлопных газов.
Разумеется, изобретение не ограничивается описанным способом его осуществления, показанным на прилагаемых фигурах. Остаются возможными изменения различных элементов либо замена их технически эквивалентными, не выходящими за пределы объема настоящего изобретения.
Формула изобретения
1. Корпус роторно-поршневого двигателя (РПД), по крайней мере, односекционного, содержащий статор, ротор, эксцентриковый вал, крышки статора, соединенные с помощью болтов или шпилек, отличающийся тем, что соединительные болты или шпильки проходят через отверстия во внутреннем контуре статора и максимально приближены к внутренней рабочей поверхности статора, при этом в горячей зоне, имеющей нагрев внутренней стенки-обечайки до температуры 240-260°С, расстояние от центра стяжных болтов или шпилек до внутренней рабочей поверхности внутренней стенки-обечайки статора находится в пределах S=1,2…1,5d, где d – диаметр стяжного болта или шпильки.
2. Корпус по п.1, отличающийся тем, что охлаждение статора осуществляется охлаждающей жидкостью, движущейся по узким щелевым каналам, образованным отверстиями в статоре и стяжными болтами или шпильками, при этом ширина щели составляет величину h=0,1…0,2d.
3. Корпус по п.2, отличающийся тем, что в горячей зоне, в местах расположения свечей зажигания, соединительные болты или шпильки с щелевыми каналами вокруг них расположены во внутреннем контуре статора близко друг от друга.
4. Корпус по п.2, отличающийся тем, что каналы подвода охлаждающей жидкости расположены в средней части статора – горячей зоне.
5. Корпус по п.2, отличающийся тем, что каналы подвода охлаждающей жидкости к крышкам статора выполнены в виде продолжения каналов охлаждения статора.
6. Корпус по п.1, отличающийся тем, что в статоре имеются каналы для подвода на впуск РПД воздуха или топливно-воздушной смеси, которые проходят через горячие зоны статора.
РИСУНКИ
|
|