|
|
(21), (22) Заявка: 2005114324/06, 11.05.2005
(24) Дата начала отсчета срока действия патента:
11.05.2005
(43) Дата публикации заявки: 20.11.2006
(46) Опубликовано: 10.09.2008
(56) Список документов, цитированных в отчете о поиске:
RU 28735 U1, 10.04.2003. RU 2209326 C2, 27.07.2003. RU 2229990 C2, 10.06.2004. RU 2243111 C2, 27.12.2004. DE 4404502 A1, 17.08.1995. GB 1411013 A, 22.10.1975.
Адрес для переписки:
445633, Самарская обл., г. Тольятти, ул. Заставная, 2, ОАО “АВТОВАЗ”, ДТР, корп.3/1, ПЛО, начальнику патентно-лицензионного отдела А.П. Голикову
|
(72) Автор(ы):
Фесина Михаил Ильич (RU), Ломакин Валерий Владимирович (RU), Малкин Илья Владимирович (RU), Дерябин Игорь Владимирович (RU), Андреянов Сергей Александрович (RU)
(73) Патентообладатель(и):
Открытое акционерное общество “АВТОВАЗ” (RU)
|
(54) МНОГОЦИЛИНДРОВЫЙ ДВИГАТЕЛЬ ВНУТРЕННЕГО СГОРАНИЯ
(57) Реферат:
Изобретение относится к двигателестроению, в частности к многоцилиндровым двигателям внутреннего сгорания (ДВС) с впрыском топлива в цилиндры. Многоцилиндровый ДВС содержит блок цилиндров, головку цилиндров с впускными и выпускными отверстиями, в которых установлены впускные и выпускные клапаны, выпускной коллектор, впускной коллектор, включающий впускные трубы, отходящие непосредственно от впускных отверстий и выходящие в общий газосборный модуль впуска, наружные поверхности стенок которого снабжены развитыми ребрами жесткости. Межреберное пространство газосборного модуля впуска, выполненного из полимерного материала, заполнено полимерным материалом вибродемпфирующего типа с более высоким коэффициентом потерь. Для увеличения изгибной жесткости и вибродемпфирования стенок корпуса модуля впуска в структуру материала вибродемпфирующего типа интегрированы закладные армирующие элементы в виде единичной изогнутой металлической проволоки, проволочной сетки, перфорированной металлической пластины. Для дополнительного увеличения изгибной жесткости стенок оребренного корпуса модуля впуска закладные армирующие элементы интегрированы в структуру полимерного материала вибродемпфирующего типа посредством установки их в сквозных отверстиях ребер жесткости стенок корпуса модуля впуска. Преимущественно изобретение может найти применение в автомобилестроении при создании низкошумных конструкций ДВС легковых автомобилей. 2 з.п. ф-лы, 10 ил.
Изобретение относится к двигателестроению, в частности к многоцилиндровым двигателям внутреннего сгорания с впрыском топлива в цилиндры.
Применение системы электронного впрыска топлива вызывает необходимость введения в конструкцию двигателя внутреннего сгорания (далее ДВС) устройств, позволяющих в значительной степени ослабить величину резонансных амплитуд пульсаций объемного расхода воздуха и соответственно снизить гидравлические сопротивления в тракте системы впуска с целью улучшения наполнения цилиндров, повышения эффективной мощности и момента, улучшить экономические показатели ДВС. С другой стороны, подавление резонансных пульсаций газа во впускной системе ДВС благоприятно с точки зрения снижения звукового (шумового) излучения в окружающую среду, производимого как выходным срезом воздухозаборного патрубка воздухоочистителя (аэродинамический шум), так и возбуждаемые пульсациями вибрирующих стенок элементов системы впуска (структурный, корпусной шум).
Так, например, японская фирма “Ямаха Мотор” в заявке №61-244824, F02B 27/00, публ. 31.10.86, для снижения пульсаций и шума в системе впуска ДВС предлагает использовать два ресивера, параллельно и последовательно подключенных к трассе впускного трубопровода для обеспечения более существенного суммарного эффекта.
Японская фирма “Хонда Мотор” в заявке №63-219866, F02M 35/10, публ. 13.09.88, предлагает для снижения шума при всасывании в ДВС использовать два раздельных воздушных трубопровода, соединяющих воздухоочиститель и ресивер с двумя управляемыми дроссельными заслонками, обеспечивающими закрытие вспомогательного канала на низких оборотах и открытое состояние обеих соединительных трубопроводов на высоких оборотах. Эта же фирма в заявке №61-190159, F02M 35/12, публ. 14.01.87, в целях обеспечения заданного шумоглушения в широком диапазоне частот предлагает соединять с впускной трубой два устройства шумоглушения – 1/4 волновой резонатор тупикового типа и автономную резонансную камеру.
В заявке ЕПВ №0278117, F02B 27/00, публ. 17.08.88, для использования эффектов повышения наполнения цилиндров за счет подавления резонансных пульсаций газа путем их сложения в противофазе предлагается использовать взаимосогласованные дополнительные резонансные трубы и дополнительный ресивер.
Австрийская фирма “АВЛ” в заявке ФРГ №3820607, F01B 25/00, публ. 29.12.88, для расширения частотного диапазона эффективной работы (шумозаглушения) дополнительного акустического резонатора предлагает выполнять его конструкцию изменяемого объема, управляемо настраивающегося в зависимости от скорости (частоты) вращения коленчатого вала.
Японская фирма “Ниппон радзиэта” в заявке Японии №62-48047, F01M 1/02, публ. 12.10.87, предлагает с целью повышения эффекта глушения шума взамен использования крупногабаритных сложных конструкций глушителей применять антирезонансную впускную трубу, включающую управляемый искусственный источник шума или вибраций, электромагнитный клапан, приемные акустические датчики, управляющий процессор.
Японская фирма “Хитачи сэйсакусе” в заявке Японии №2-4840, F16L 55/04, публ. 30.01.90, для снижения пульсаций в системе трубопроводов предлагает трубопровод разветвлять по меньшей мере на два канала, на различных расстояниях от точки разветвления размещать расширительные камеры, отражающие прямые падающие звуковые волны назад к источнику пульсаций (цилиндру ДВС), причем расстояние между стенками камер выбирается определенным образом.
Английское отделение фирмы “Форд Мотор” в заявке Великобритании №2203488, F02B 29/00, публ. 19.10.88, для подавления пульсаций газа и шума во впускном коллекторе предусматривает установку активного устройства “антизвука” в виде специального громкоговорителя или специального резервуара с электроклапаном с противофазным излучением генерируемых сигналов.
Японская фирма “Ниссан Дзидося” в японской заявке №51-23656, F02B 37/00, публ. 08.05.89, для снижения шума впуска ДВС и повышения его мощности вследствие снижения обратного тока наддувочного воздуха предлагает использовать специальную конструкцию глушителя шума в виде расширительной камеры с внутренними трубками определенного соотношения диаметров и определенного расстояния срезов труб между собой.
Канадское отделение фирмы “Сименс-Бендикс” в патенте США №4934343, F02M 35/00, для глушения шума газового потока без существенного влияния на гидравлическое сопротивление впускного тракта предусматривает применение двух диффузорных секций на раздвоенном участке газопровода, обеспечивающих фазовый сдвиг и компенсацию вследствие этого амплитуд пульсаций при их сложении в зоне соединения.
Французской фирмой “Пежо” в патенте Франции №2536792, публ. 22.06.84, заявляется использование сужающей проходное сечение впускной трубы дроссельной шайбы или диффузорной вставки для снижения шума впуска ДВС с непосредственным впрыском топлива. Дроссельная шайба или диффузорная вставка для обеспечения требуемой эффективности располагается в зоне пучности волны колебательной скорости пульсирующего газового потока на некотором заданном скоростном режиме работы ДВС. Очевидным недостатком известного заявляемого устройства является рост гидравлических сопротивлений впускной системы вследствие заужения проходного сечения впускной трубы и, как следствие – ухудшение мощностных, экономических и экологических (токсических) показателей ДВС. Также расположение дроссельной шайбы или диффузорной вставки в одно конкретное место впускной трассы позволяет эффективно воздействовать только на одну резонансную частоту пульсаций и шума и кратные ей нечетные гармоники, т.е. имеется в наличии ограниченное по эффективности воздействие на отдельных скоростных режимах работы ДВС.
Американское отделение фирмы “Сименс-Бендикс” в патенте США №4907547, F02M 35/10, публ. 13.03.90, для подавления шумов и пульсаций в системе впуска ДВС предлагает использовать специальный отражатель волн, располагаемый поперек впускной трубы одного из цилиндров и пары цилиндров на вращающемся валике, который, поворачиваясь, обеспечивает раздельное избирательное открытие одной из соседних впускных труб цилиндра ДВС.
Японской фирмой “Мазда Мотор” в ЕВП №0376299, F02M 35/12, публ. 04.07.90, для подавления газовых пульсаций и шума во впускной системе ДВС предусмотрено использование специального избирательного устройства для подавления каждой из резонансных гармоник пульсаций кратных (0,5+n) длинам резонансных волн пульсаций, где n – целое число равное нулю или более нуля, а – длина волны.
Германской фирмой “Фольксваген” в заявке ФРГ №3742322, F02M 35/10, публ. 07.07.88, предусматривается демпфировать колебания потока всасываемого воздуха в ДВС за счет включения во впускной тракт дополнительного “успокоительного” ресивера с эластичными стенками, в котором за счет упругих деформаций стенок ресивера вследствие пульсирующего воздействия на них газового потока будет происходить преобразование энергии пульсаций в тепловую энергию, рассеиваемую в вязкоупругом материале стенки с высоким внутренним трением материала (резине). К очевидным недостаткам такой системы следует отнести относительную дороговизну устройства, нестабильность эксплуатационных характеристик упругой стенки, малую долговечность, опасность попадания неочищенного воздуха в цилиндры ДВС при повреждении упругой стенки, существенное излучение звука непосредственно “пульсирующей” упругой стенкой и т.п.
Анализируя и обобщая результаты вышеприведенного патентного обзора следует сделать вывод, что известные вышеперечисленные устройства улучшения акустических характеристик и снижения газодинамических пульсаций во впускных системах ДВС и, соответственно, устройства улучшения их мощностных, экономических и экологических показателей – связаны с использованием дополнительных расширительных или резонансных камер, подключаемых как параллельно, так и последовательно к впускному тракту, использованием электронных систем формирования искусственных противофазных сигналов для компенсации реальных сигналов пульсаций и шума, использованием дополнительных ресиверов, дополнительных управляемых воздуховодов и камер с изменяемым объемом, разветвленных газоводов с фазоуправляемыми диффузорными секциями.
В качестве наиболее близкого аналога к заявляемому техническому решению рассмотрена конструкция многоцилиндрового ДВС (патент РФ №2107182), содержащего, в частности, головку цилиндров с впускными отверстиями, в которых установлены впускные клапаны, впускные трубы, снабженные средствами топливоподачи (форсунками), отходящие непосредственно от впускных отверстие и выходящие в газосборный ресивер, боковая стенка которого снабжена присоединительными отверстиями для упомянутых впускных труб, и частично размещенный в полости ресивера патрубок, внутренний динамический срез которого расположен в плоскости, в которой значения уровней колебаний звуковых давлений газового объема, заключенного в полости ресивера, на низшей резонансной собственной продольной форме минимальны, а наружный срез подключен к системам воздухоочистки (воздухоочистителю) и регулирования воздухоподачи (корпусу дроссельной заслонки, расходомеру).
К очевидным недостаткам рассмотренной выше конструкции ДВС следует отнести следующее. Применяемые в конструкции корпуса ресивера относительно тонкие стенки (боковые и торцевые) не обеспечивают в ряде случаев его достаточной изгибной жесткости и являются по этой причине легко виброшумовозбудимыми, что приводит к интенсивному генерированию названными вибрирующими стенками структурного шума, в особенности, на собственных частотах колебаний (собственных модах) стенок. Расположение внутреннего среза патрубка в полости ресивера по известному техническому решению, хотя и является оптимальным с точки зрения ослабления возбуждения низших собственных воздушных мод полости ресивера, но не является оптимальным с точки зрения газодинамики всасываемого в цилиндры ДВС воздушного заряда. Это приводит, в том числе, к интенсивному высокочастотному вихреобразованию и турбулизации засасываемого газа, росту гидросопротивлений впускного тракта и другим нежелательным физическим явлениям, отрицательно сказывающимся на работе ДВС.
В качестве прототипа принят патент РФ на полезную модель №28735, выданный на многоцилиндровый ДВС, отличительной конструктивной особенностью которого является применение модифицированного изогнутого впускного патрубка ресивера, образованного частично боковой и торцевой стенками корпуса ресивера с обращением внутреннего свободного динамического среза патрубка в сторону присоединительных отверстий впускных труб коллектора. Выполнение патрубка и корпуса ресивера в виде монолитной единой детали позволяет частично увеличить изгибную жесткость стенки корпуса ресивера в локальной зоне подсоединения к ней патрубка и, таким образом, уменьшить ее виброакустичекую возбудимость и шумоизлучение данной зоной стенки структурного (корпусного) звука. Однако для широко используемых вариантов исполнения конструкции ресивера (модуля впуска) ДВС из полимерных материалов (типа стеклонаполненых полиамидов), отличающихся существенно более низкими значениями модуля Юнга, в сравнении с применяемыми металлическими конструкциями (как правило – из алюминиевых сплавов), этого компенсационного локального усиления изгибной жесткости стенки корпуса ресивера за счет присоединения ее с внутренней стенкой изогнутого впускного патрубка для обеспечения достаточно низкого корпусного шума является недостаточно. Именно по этой причине внешняя поверхность стенок пластмассового корпуса ресивера, входящего в состав пластмассового корпуса модуля впуска, включающего ресивер, впускные трубы, корпус дроссельной заслонки, выполняется с развитыми ребрами жесткости. Данных компенсирующих мер путем введения многочисленных взаимно пересекающихся ребер жесткости (в ряде случаев – достаточно больших габаритных размеров), тем не менее, оказывается недостаточно, что вынуждает производителей автомобильной техники применять дополнительные верхние шумоизолирующие экраны, содержащие внутреннюю пористую звукопоглощающую облицовку (футеровку). Данная звукопоглощающая облицовка совместно с внешним плотным декоративным слоем оболочки экрана поглощают воздушные звуковые волны, генерируемые вибрирующими полимерными стенками (включая и вибрирующие ребра жесткости) корпуса модуля впуска (вибрирующими шумоизлучающими стенками корпуса ресивера и впускными трубами). Однако это в существенной мере усложняет компоновку двигателя в стесненном пространстве моторного отсека транспортного средства, удорожает конструкцию, при том что обладает весьма ограниченной шумопонижающей эффективностью ввиду негерметичного охвата шумопоглощающей футеровкой экрана всей шумоактивной зоны стенок модуля впуска ДВС.
Заявляемое техническое решение направлено на устранение указанных недостатков. Решение технической задачи достигается путем целенаправленного изменения структуры стенки корпуса модуля впуска ДВС, приданием ей многослойной структуры, с образованием внешнего виброшумодемпфирующего слоя.
Суть заявляемого технического решения по конструкции низкошумного многоцилиндрового ДВС поясняется на чертежах.
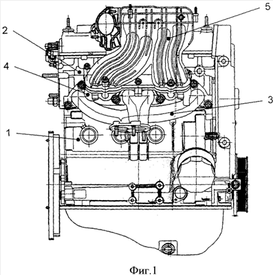
На фиг.1 показана компоновка ДВС со смонтированным на нем модулем впуска (продольный вид).
На фиг.2 показана компоновка ДВС со смонтированным на нем модулем впуска (вид на торец ДВС со стороны шкива привода вспомогательных агрегатов).
Позициями на фиг.1 и 2 обозначены:
1 – блок цилиндров;
2 – головка цилиндров;
3 – выпускной коллектор;
4 – впускной коллектор;
5 – газосборный модуль впуска.
На фиг.3 показан модуль впуска в исходном состоянии (по прототипу). Позициями на фиг.3 обозначены:
5 – газосборный модуль впуска;
6 – наружная поверхность стенок корпуса модуля впуска;
7 – ребра жесткости.
На фиг.4 показан модуль впуска с заполненным межреберным пространством полимерным материалом вибродемпфирующего типа, отличающимся более высоким коэффициентом потерь в сравнении с конструкционным полимерным материалом стенки корпуса модуля впуска (по заявляемому техническому решению). Позициями на фиг.4 обозначены:
5 – газосборный модуль впуска;
6 – наружная поверхность стенок корпуса модуля впуска;
7 – ребра жесткости;
8 – полимерный материал вибродемпфирующего типа.
На фиг.5 показана одна из схем возможного интегрирования закладных армирующих элементов в структуру межреберного вибродемпфирующего слоя корпуса модуля впуска (по заявляемому техническому решению).
На фиг.6 показана еще одна из схем возможного интегрирования закладных армирующих элементов в структуру межреберного вибродемпфирующего слоя корпуса модуля впуска (по заявляемому техническому решению).
На фиг.7 показана еще одна из схем возможного интегрирования закладных армирующих элементов в структуру межреберного вибродемпфирующего слоя корпуса модуля впуска (по заявляемому техническому решению).
Позициями на фиг.5 обозначены:
6 – наружная поверхность стенок корпуса модуля впуска;
7 – ребра жесткости;
8 – полимерный материал вибродемпфирующего типа;
9 – закладной армирующий элемент в виде перфорированной пластины.
Позициями на фиг.6 обозначены:
6 – наружная поверхность стенок корпуса модуля впуска;
7 – ребра жесткости;
8 – полимерный материал вибродемпфирующего типа;
9 – закладной армирующий элемент в виде проволочной сетки.
Позициями на фиг.7 обозначены:
6 – наружная поверхность стенок корпуса модуля впуска;
7 – ребра жесткости;
8 – полимерный материал вибродемпфирующего типа;
9 – закладной армирующий элемент в виде изогнутой металлической проволоки.
На фиг.8 показана эффективность заявляемого технического решения в виде графиков аппаратурно-замеренных амплитудных «откликов» стенок корпуса модуля впуска на динамическое импульсное возбуждение.
На фиг.9 показана эффективность заявляемого технического решения в виде графиков общих уровней шума от оборотов коленчатого вала ДВС.
На фиг.10 показана эффективность заявляемого технического решения в виде графиков 1/3-октавных спектров уровней шума на оборотах максимального крутящего момента в 0.25 м от внешней поверхности корпуса модуля впуска в полностью заглушенном акустическом моторном боксе в сравнении с известной штатной конструкцией модуля впуска.
Многоцилиндровый ДВС (фиг.1, фиг.2) содержит блок цилиндров 1, головку цилиндров 2 с впускными и выпускными отверстиями, в которых установлены впускные и выпускные клапаны, выпускной коллектор 3, впускной коллектор 4 с впускными трубами, отходящими непосредственно от впускных отверстий и выходящими в общий газосборный модуль впуска 5.
Работает предлагаемый многоцилиндровый ДВС обычным образом. Периодическое открытие впускного клапана (клапанов) в одном из цилиндров ДВС вызывает соответствующий пульсирующий перепад давления газа с соответствующим генерированием и распространением по тракту впуска системы пульсаций воздуха и упругих волн до и после клапана (в полости цилиндра ДВС по отношению к окружающей среде). Пульсации воздуха и упругие волны разрежения-сжатия воздушной среды в трассе системы впуска со скоростью звука распространяются по направлению от впускного клапана к открытому срезу патрубка воздухоочистителя, а также в направлении всех свободных отводных тупиковых впускных труб с закрытыми впускными клапанами. Таким образом, образуется звуковое газодинамическое поле многократно отражающихся упругих волн в сложном геометрическом объеме впускной системы, в том числе и с переизлучением энергии этих упругих волн в окружающую среду посредством динамического возбуждения стенок элементов системы впуска, в том числе стенок модуля впуска, вызывая их структурные вибрации и излучаемый корпусной шум. Кроме этого, структурные вибрации стенок корпуса модуля впуска и излучаемый ими корпусной шум вызваны вибрациями, передающимися через жесткое закрепление корпуса модуля впуска к вибрирующему фланцу впускного коллектора с впускными трубами, отходящими непосредственно от впускных отверстий головки цилиндров, обусловленными рабочими процессами в цилиндрах ДВС в виде газодинамических пульсаций, ударными нагрузками впускных и выпускных клапанов, вибрациями, вызванными дисбалансом вращающихся деталей ДВС.
Корпус газосборного модуля впуска 5 (фиг.3) многоцилиндрового ДВС выполнен из полимерного материала в виде монолитного единого блока. Для обеспечения более высокой изгибной жесткости корпуса модуля впуска стенки 6 корпуса модуля впуска снабжены развитыми ребрами жесткости 7, а стенка впускного патрубка ресивера образована частично боковой и торцевой стенками корпуса ресивера в виде монолитной конструкции. При этом межреберное пространство газосборного модуля впуска заполнено полимерным материалом 8 вибродемпфирующего типа (фиг.4) с более высоким коэффициентом потерь в рабочем температурном диапазоне +40…+100°С в сравнении с базовым конструкционным полимерным материалом стенки корпуса модуля впуска. Для дополнительного увеличения изгибной жесткости и демпфирования стенок полимерного корпуса модуля впуска, реализацией сдвиговых деформаций вибродемпфирующего слоя, в структуру вибродемпфирующего слоя 8 интегрированы закладные армирующие элементы 9 (фиг.5, фиг.6, фиг.7), например, в виде единичной изогнутой металлической проволоки (фиг.7), проволочной сетки (фиг.6) или перфорированной металлической пластины (фиг.5). Для дополнительного увеличения изгибной жесткости и усиления демпфирования вибраций стенок 6 и внешних ребер жесткости 7 в последних выполняются сквозные отверстия с последующей интеграцией в них проволочных армирующих элементов 9 (фиг.7).
Практическая реализация предлагаемого изобретения отличается технологической простотой, высокой надежностью и эффективностью подавления структурных вибраций и излучаемого шума стенками модуля впуска с обеспечением низкого шумоизлучения многоцилиндрового ДВС.
Фигуры 8, 9 и 10 иллюстрируют соответственно высокую степень вибродемпфирования стенок корпуса модуля впуска (фиг.8) и эффект снижения корпусного шума (фиг.9 и фиг.10), что характеризует низкошумную конструкцию заявляемого многоцилиндрового ДВС.
Формула изобретения
1. Многоцилиндровый двигатель внутреннего сгорания, содержащий блок цилиндров, головку цилиндров с впускными и выпускными отверстиями, в которых установлены впускные и выпускные клапаны, выпускной коллектор, впускной коллектор, включающий впускные трубы, отходящие непосредственно от впускных отверстий и выходящие в общий газосборный модуль впуска, выполненный из полимерного материала, стенки которого снабжены развитыми ребрами жесткости, отличающийся тем, что межреберное пространство газосборного модуля впуска, выполненного из полимерного материала, заполнено полимерным материалом вибродемпфирующего типа.
2. Многоцилиндровый двигатель внутреннего сгорания по п.1, отличающийся тем, что в структуру полимерного материала вибродемпфирующего типа, заполняющего межреберное пространство газосборного модуля впуска, интегрированы закладные армирующие элементы типа единичной изогнутой металлической проволоки, проволочной сетки, перфорированной металлической пластины.
3. Многоцилиндровый двигатель внутреннего сгорания по п.2, отличающийся тем, что закладные армирующие элементы типа единичной изогнутой металлической проволоки в структуре полимерного материала вибродемпфирующего типа интегрированы посредством установки их в выполненных сквозных отверстиях в ребрах жесткости стенок корпуса модуля впуска.
РИСУНКИ
|
|