|
|
(21), (22) Заявка: 2007133717/03, 10.09.2007
(24) Дата начала отсчета срока действия патента:
10.09.2007
(46) Опубликовано: 10.09.2008
(56) Список документов, цитированных в отчете о поиске:
RU 2291960 С1, 20.01.2007. RU 1641864 А1, 15.04.1991. RU 2162725 С1, 10.02.2001. SU 1530201 А1, 23.12.1989. RU 2275415 С2, 27.04.2006. RU 2100046 С1, 27.12.1997. US 4350596 А, 21.09.1982. US 4316805 А, 23.02.1982.
Адрес для переписки:
423450, Республика Татарстан, г. Альметьевск, ул. Ленина, 35, НГДУ “Альметьевнефть”, нач. тех. отд.
|
(72) Автор(ы):
Ибрагимов Наиль Габдулбариевич (RU), Тазиев Миргазиян Закиевич (RU), Закиров Айрат Фикусович (RU), Шарипов Ильшат Анасович (RU), Самойлов Дмитрий Валерьевич (RU), Галлямов Фарид Флерович (RU), Маланчева Екатерина Васильевна (RU)
(73) Патентообладатель(и):
Открытое акционерное общество “Татнефть” им. В.Д. Шашина (RU)
|
(54) СПОСОБ ПОДГОТОВКИ НЕФТИ
(57) Реферат:
Изобретение относится к нефтяной промышленности и может найти применение при подготовке нефтяной эмульсии на установках подготовки нефти. Обеспечивает подготовку нефти с кондиционными свойствами. Сущность изобретения: при подготовке нефти ведут подачу нефтяной эмульсии, поступающей с нефтепромыслов, в аппараты предварительного сброса воды, разделенные на две ступени, отделение на первой ступени части воды из нефтяной эмульсии в аппаратах предварительного сброса воды и сброс части воды на очистные сооружения, отделение на второй ступени основной части воды, подачу нефтяной эмульсии на вход буферных емкостей, холодную сепарацию газа из нефтяной эмульсии в буферных емкостях и частичное отделение воды и сброс ее на очистные сооружения, нагрев нефтяной эмульсии в печи, горячее обезвоживание нефтяной эмульсии на ступенях горячего отстоя, обессоливание нефтяной эмульсии в дегидраторах с подачей в дегидраторы пресной воды, подачу дренажной воды после горячего отстоя и дегидраторов в начало процесса на аппараты предварительного сброса воды, подачу из дегидраторов готовой нефти в теплообменники, снижение содержания сероводорода в нефти в десорбере и откачку нефти потребителю. Дополнительно подогретую пресную воду направляют на выход из системы горячего обессоливания и на вход сырьевого насоса перед нагревом в печи, туда же подают деэмульгатор. В качестве резервных дегидраторов используют 5 дегидраторов, соединенных в 2 секции, в первой секции три дегидратора соединяют трубопроводами параллельно с объединением всех выходов в один трубопровод, во второй секции два дегидратора соединяют параллельно с объединением выходов в один трубопровод. Воду из дополнительного отстойника подают на вход буферных емкостей. 2 ил.
Изобретение относится к нефтяной промышленности и может найти применение при подготовке нефтяной эмульсии на установках подготовки нефти.
Известен способ совместной подготовки разносортных нефтей путем подачи в серосодержащую нефть перед второй ступенью сепарации хелатообразующего агента совместно с горячей водой, сбрасываемой со ступени глубокого обезвоживания и обессоливания с последующим смешением разносортных нефтей и нагрева эмульсии перед ступенью сепарации (Патент РФ №2086755, кл. Е21В 43/00, опублик. 1997.08.10).
Известный способ позволяет за счет смешения нефтей готовить разносортные нефти, однако качество подготовки нефтей остается на невысоком уровне.
Наиболее близким к изобретению по технической сущности является способ подготовки нефти, который включает подачу нефтяной эмульсии, поступающей с нефтепромыслов, в аппараты предварительного сброса воды, отделение части воды из нефтяной эмульсии в аппаратах предварительного сброса воды и сброс части воды на очистные сооружения, холодную сепарацию газа из нефтяной эмульсии в буферных емкостях, нагрев нефтяной эмульсии в теплообменниках и в печи, горячее обезвоживание нефтяной эмульсии на ступенях горячего отстоя, обессоливание нефтяной эмульсии в электродегидраторах с подачей в электродегидраторы через диспергатор пресной воды, подачу дренажной воды после горячего отстоя и электродегидраторов в начало процесса на аппараты предварительного сброса воды, подачу из электродегидраторов готовой нефти через теплообменники в буферные емкости готовой нефти, горячую сепарацию газа в буферных емкостях готовой нефти и откачку нефти потребителю. Аппараты предварительного сброса воды разделяют на две ступени. Первую ступень эксплуатируют в обычном режиме с подачей нефтяной эмульсии с промыслов на их вход и из аппаратов предварительного сброса воды в буферные емкости. Вторую ступень обвязывают параллельно первой ступени, исключают подачу нефтяной эмульсии, поступающей с промыслов, на вход второй ступени аппаратов предварительного сброса воды. Дренажную воду после горячего отстоя и электродегидраторов подают на вход второй ступени аппаратов предварительного сброса воды, не смешивая с водонефтяной эмульсией, поступающей с промыслов. Из второй ступени аппаратов предварительного сброса воды производят сброс части воды на очистные сооружения и подачу нефтяной эмульсии на вход буферных емкостей. Ввод дренажной воды на вход второй ступени аппаратов предварительного сброса воды осуществляют через нижний маточник-распределитель аппарата под слой водной подушки, а технологический процесс во второй ступени аппаратов предварительного сброса воды осуществляют при температуре 50-80°С (Патент РФ №2291960, Е21В 43/34, опублик. 2007.01.20 – прототип).
Известный способ позволяет подготовить нефть для транспортировки потребителю, однако свойства нефти по содержанию воды, солей и механических примесей не всегда удовлетворяют требованиям потребителя.
В предложенном изобретении решается задача подготовки нефти с кондиционными свойствами.
Задача решается тем, что в способе подготовки нефти, включающем подачу нефтяной эмульсии, поступающей с нефтепромыслов, в аппараты предварительного сброса воды, разделенные на две ступени, отделение на первой ступени части воды из нефтяной эмульсии в аппаратах предварительного сброса воды и сброс части воды на очистные сооружения, отделение на второй ступени основной части воды, подачу нефтяной эмульсии на вход буферных емкостей, холодную сепарацию газа из нефтяной эмульсии в буферных емкостях и частичное отделение воды и сброс ее на очистные сооружения, нагрев нефтяной эмульсии в печи, горячее обезвоживание нефтяной эмульсии на ступенях горячего отстоя, обессоливание нефтяной эмульсии в дегидраторах с подачей в дегидраторы пресной воды, подачу дренажной воды после горячего отстоя и дегидраторов в начало процесса на аппараты предварительного сброса воды, подачу из дегидраторов готовой нефти в теплообменники, сепарацию газа в десорберах и откачку нефти потребителю, согласно изобретению дополнительно подогретую пресную воду направляют на выход из системы горячего обессоливания и на вход сырьевого насоса перед нагревом в печи, туда же подают деэмульгатор, в качестве резервных дегидраторов используют 5 дегидраторов, соединенных в 2 секции, в первой секции три дегидратора соединяют трубопроводами параллельно с объединением всех выходов в один трубопровод, во второй секции два дегидратора соединяют параллельно с объединением выходов в один трубопровод, воду из дополнительного отстойника подают на вход буферных емкостей.
Сущность изобретения
Качественную очистку нефти после скважин в цехах подготовки сырья проводят различными способами, рассчитанными, в основном, на относительно стабильные показатели нефти по обводненности, содержанию солей и твердых взвешенных частиц (механических примесей). Однако при резком изменении свойств сырой нефти происходит выпуск нефти, не соответствующей нормативным показателям. Переналадка режимов работы оборудования происходит не сразу, что влечет выпуск некондиционной нефти в значительных объемах. В предложенном способе решается задача подготовки нефти с кондиционными свойствами даже при резком изменении свойств сырой нефти. Задача решается следующим образом.
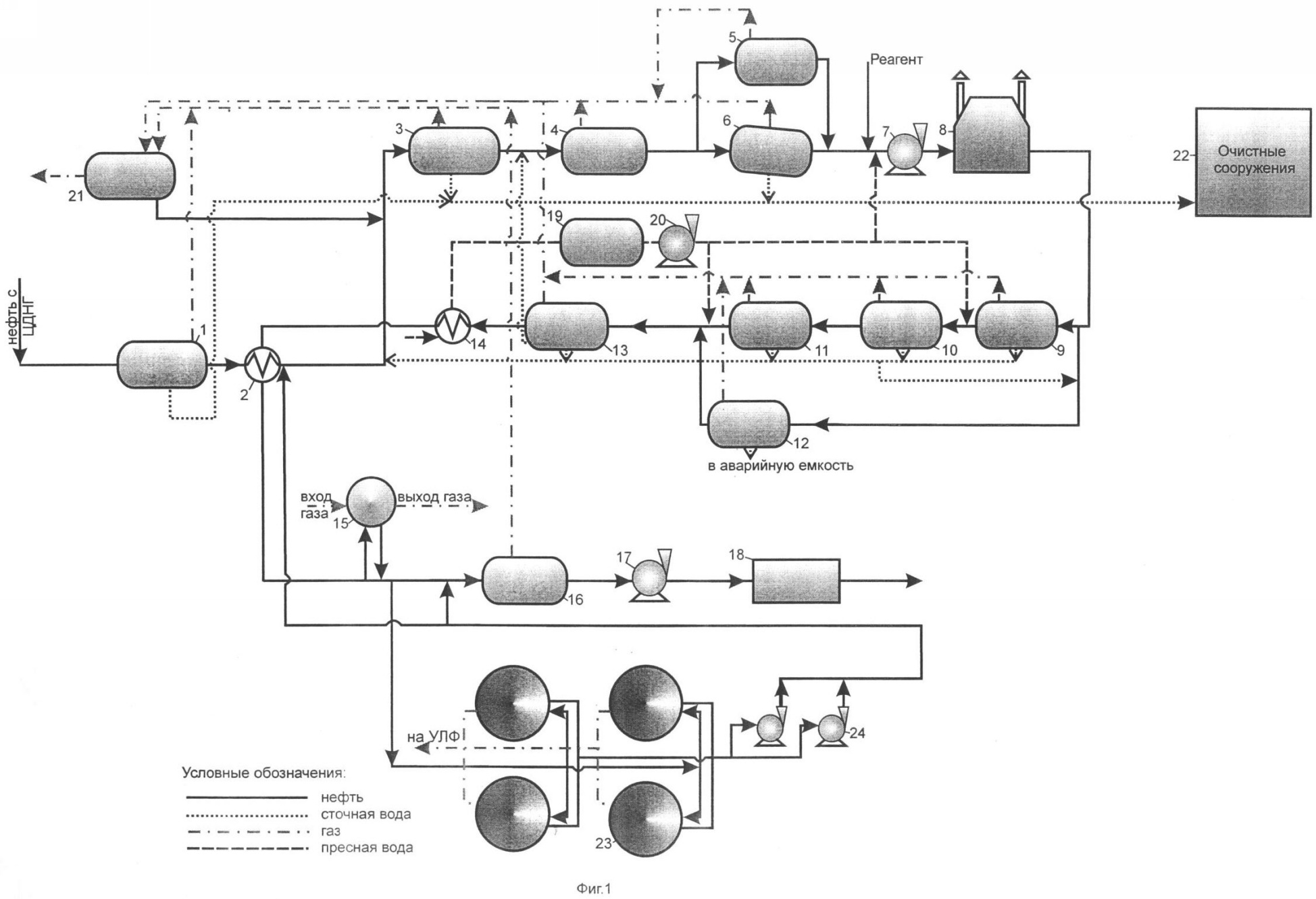
На фиг.1 представлена установка подготовки нефти на промысле.
Сырую нефть с цехов добычи нефти (ЦДНГ) подают в емкость холодного сброса пластовой воды 1, где происходит отделение части пластовой воды и газа, далее в теплообменник 2 и на установку предварительного сброса воды 3, где происходит сброс газа и части пластовой воды до обводненности водонефтяной эмульсии 8-20%. Далее водонефтяную эмульсию направляют на буферно-сепарационные емкости 4, где происходит сепарация газа и некоторая стабилизация неравномерного поступления сырья из цехов. Затем водонефтяную эмульсию направляют в буферные емкости 5 и 6 параллельно задействованные на случай ремонта, где проводят дальнейшую сепарацию газа и отделение воды. Емкость 6 установлена с небольшим углом наклона 3° к горизонту (номинальный уклон для равномерного распределения нагрузки на фундамент). В наклонной емкости происходит дегазация с отводом газа, а также сброс отстоявшейся воды в нижней наклонной части емкости, что позволяет на этом этапе избавиться от некоторого количества балласта и солей. После этого водонефтяную эмульсию насосом 7 из буферных емкостей 5 и 6 перекачивают на блок подогрева 8, нагревают и подают на блок обезвоживания и обессоливания, состоящий из 1-й ступени – 9, 2-й ступени – 10 и 3-й ступени – 11. Весь блок обезвоживания и обессоливания включает 8 рабочих дегидраторов, в которых нефтяную эмульсию обезвоживают до обводненности порядка 0,5% и обессоливают до содержания солей порядка 200 мг/л, при этом на вход второй ступени 10 в поток нефти вводят пресную воду для уменьшения концентрации солей. Параллельно блоку обезвоживания и обессоливания подключено 5 резервных дегидраторов 12 для сброса в них некондиционной нефти в случаях ухудшения качества поступающей нефти. После третьей ступени дегидраторов 11 для уменьшения концентрации солей в поток нефти подают пресную воду. Поток нефти направляют на дополнительные отстойники 13, откуда обезвожженную до 0,1% и обессоленную до содержания солей не более 100 мг/л нефть подают в теплообменник 14 для охлаждения нефти пресной водой и теплообменник 2 для охлаждения сырой нефтью. В теплообменниках 14 и 2 происходит теплообмен, в результате которого нефть охлаждается, а пресная вода и сырая нефть нагреваются. Охлажденная нефть с температурой 40-45°С самотеком поступает в верхнюю часть колонны десорбера 15, стекает по тарелкам десорбера и контактирует с углеводородным газом, движущимся противотоком. Нефть очищается от сероводорода. Готовую нефть собирают в буферной емкости 16, откуда насосом 17 направляют в систему измерения качества нефти 18 и далее потребителю.
Пресную воду подогревают в теплообменнике 14, накапливают в буферной емкости 19 и подают насосом 20 на вход аппарата 10 и 13 и на вход насоса 7. При интенсивном смешении пресной воды с нефтью в насосе 7 происходит максимальное обессоливание нефти. Расход воды регулируется в зависимости от содержания солей в сырой нефти. Кроме того, на вход насоса 7 подают деэмульгатор, например дисольван, доуфакс, реапон и т.п. Углеводородный газ с сероводородом из десорбера 15 направляют на установку сероочистки газа (УТНГП) (управление «Татнефтегазпереработка») и обратно в десорбер 15. Газ из аппаратов 1, 3-6, 9-13, 15, 16 поступает на конденсатосборник 21. Конденсат газа из конденсатосборника 21 направляют в трубопровод сырой нефти перед установкой предварительного сброса воды 3, а газ – на установку сероочистки газа.
Дренажную воду из аппаратов 1, 3, 6 направляют на очистные сооружения 22 и далее в систему поддержания пластового давления. Дренажную воду из аппаратов 9-13 направляют на вход установки предварительного сброса воды 3.
Блок резервных дегидраторов 12 служит для приема некондиционной нефти в случаях ухудшения качества поступающей нефти на ступенях рабочих дегидраторов,
В качестве резервного дегидратора 12 используют 5 дегидраторов, соединенных в 2 секции (фиг.2). В первой секции три дегидратора 12-1, 12-2 и 12-3 соединены трубопроводами параллельно с объединением всех выходов в один трубопровод, во второй секции два дегидратора 12-4 и 12-5 соединены параллельно с объединением выходов в один трубопровод (фиг.2)
Предусмотрены резервуары 23 с насосами 24, куда в случае появления некондиционной нефти для предупреждения ее попадания в общий коллектор откачивают некондиционную нефть. Резервуары 23 служат также для хранения готовой нефти и для ее охлаждения перед замером ее качества.
В результате удается подготовить нефть с кондиционными свойствами даже при резком изменении свойств сырой нефти.
Пример конкретного выполнения
Подготавливают нефть в цехе подготовки сырья НГДУ “Альметьевнефть”. Сырую нефть из цехов добычи нефти подают на установку холодного сброса пластовой воды 1 объемом 200 м3 и расходом 350 м3/час, где происходит отделение части пластовой воды и газа, далее в теплообменник 2 и на установку предварительного сброса воды 3 объемом 200 м3, где происходит сброс части пластовой воды до обводненности водонефтяной эмульсии 8-20%. Далее водонефтяную эмульсию направляют на буферно-сепарационные емкости 4 объемом по 200 м3 (2 шт.), где происходит сепарация газа и некоторая стабилизация неравномерного поступления сырья из цехов. Далее водонефтяную эмульсию направляют в буферные емкости 5 и 6 объемом 100 и 75 м3, где проводят дальнейшую сепарацию газа и отделение воды до обводненности 5-10%. Емкость 6 установлена с углом наклона, равным 3° к горизонту (номинальный уклон для равномерного распределения нагрузки на фундамент). В наклонной емкости происходит дегазация с отводом газа, а также сброс отстоявшейся воды в нижней наклонной части емкости, что позволяет на этом этапе избавиться от некоторого количества балласта и солей. Затем водонефтяную эмульсию насосом 7 перекачивают на блок подогрева 8, нагревают до 50-60°С и подают на блок дегидраторов, т.е. блок обезвоживания и обессоливания 9, 10 и 11, включающий 8 рабочих дегидраторов, резервные дегидраторы 12 (5 шт) и дополнительные отстойники 13 (2 шт), в которых нефтяную эмульсию обезвоживают до обводненности порядка 0,1% и обессоливают до содержания солей до 100 мг/л. Для уменьшения концентрации солей в поток нефти на вход аппаратов 10, 13 и на вход насоса 7 подают пресную воду, подогоретую в теплообменнике 14 и накопленную в емкости 19 насосом 20 с расходом 6-10 м3/ч. После обессоливания до содержания солей не более 100 мг/л и обезвоживания до 0,1% из отстойника 13 нефть направляют в теплообменник 14 для охлаждения нефти пресной водой и теплообменник 2, для охлаждения сырой нефтью. Охлажденная нефть с температурой 40-45°С самотеком поступает в верхнюю часть колонны десорбера 15, стекает по тарелкам десорбера и контактирует с углеводородным газом, движущимся противотоком. Нефть очищается от сероводорода. Готовую нефть собирают в буферной емкости 16, откуда насосом 17 направляют в систему измерения качества нефти 18 и далее потребителю.
Пресную воду подогревают в теплообменнике 14, накапливают в буферной емкости 19 и подают насосом 20 на вход аппарата 10 и 13 и на вход насоса 7. При интенсивном смешении пресной воды с нефтью в насосе 7 происходит максимальное обессоливание нефти. Расход воды регулируется в зависимости от содержания солей в сырой нефти. Кроме того, на вход насоса 7 подают деэмульгатор – дисолван. Углеводородный газ с сероводородом из десорбера 15 направляют на установку сероочистки газа и обратно в десорбер 15. Газ из аппаратов 1, 3-6, 9-13, 15, 16 поступает на конденсатосборник 21. Конденсат газа из конденсатосборника 21 направляют в трубопровод сырой нефти перед установкой предварительного сброса воды 3, а газ – на установку сероочистки газа. До введения подачи пресной воды в насос 7 количество солей в нефти составляло в среднем 1500 мг/л. После введения подачи пресной воды в насос 7 с расходом до 2 м3/ч удается снизить количество солей в нефти до 400 мг/л. При повышении содержания солей увеличивают подачу пресной воды из расчета на каждые 300 мг/л солей по 1 м3/ч воды.
Дренажную воду из аппаратов 1, 3, 6 направляют на очистные сооружения 22 и далее в систему поддержания пластового давления. Дренажную воду из аппаратов 9-13 направляют на вход установки предварительного сброса воды 3.
Блок резервных дегидраторов 12 служит для приема некондиционной нефти в случаях ухудшения качества поступающей нефти на ступенях рабочих дегидраторов.
В качестве резервного дегидратора 12 используют 5 дегидраторов, соединенных в 2 секции. В первой секции три дегидратора 12-1, 12-2 и 12-3 объемом 200 м3 каждый соединены трубопроводами параллельно с объединением всех выходов в один трубопровод, во второй секции два дегидратора 12-4 и 12-5 объемом 200 м3 соединены параллельно с объединением выходов в один трубопровод.
Предусмотрены резервуары 23 с насосами 24, куда в случае появления некондиционной нефти для предупреждения ее попадания в общий коллектор откачивают некондиционную нефть. Резервуары 23 служат также для хранения готовой нефти и для ее охлаждения перед замером ее качества.
В результате удается подготовить нефть с кондиционными свойствами даже при резком изменении свойств сырой нефти.
В результате удается подготовить нефть с кондиционными свойствами.
Применение предложенного способа позволит подготовить нефть с кондиционными свойствами при резком изменении свойств сырой нефти.
Формула изобретения
Способ подготовки нефти, включающий подачу нефтяной эмульсии, поступающей с нефтепромыслов, в аппараты предварительного сброса воды, разделенные на две ступени, отделение на первой ступени части воды из нефтяной эмульсии в аппаратах предварительного сброса воды и сброс части воды на очистные сооружения, отделение на второй ступени основной части воды, подачу нефтяной эмульсии на вход буферных емкостей, холодную сепарацию газа из нефтяной эмульсии в буферных емкостях и частичное отделение воды и сброс ее на очистные сооружения, нагрев нефтяной эмульсии в печи, горячее обезвоживание нефтяной эмульсии на ступенях горячего отстоя, обессоливание нефтяной эмульсии в дегидраторах с подачей в дегидраторы пресной воды, подачу дренажной воды после горячего отстоя и дегидраторов в начало процесса на аппараты предварительного сброса воды, подачу из дегидраторов готовой нефти в теплообменники, снижение содержания сероводорода в нефти в десорбере и откачку нефти потребителю, отличающийся тем, что дополнительно подогретую пресную воду направляют на выход из системы горячего обессоливания и на вход сырьевого насоса перед нагревом в печи, туда же подают деэмульгатор, в качестве резервных дегидраторов используют 5 дегидраторов, соединенных в 2 секции, в первой секции три дегидратора соединяют трубопроводами параллельно с объединением всех выходов в один трубопровод, во второй секции два дегидратора соединяют параллельно с объединением выходов в один трубопровод, а воду из дополнительного отстойника подают на вход буферных емкостей.
РИСУНКИ
|
|