|
|
(21), (22) Заявка: 2003112539/11, 28.04.2003
(24) Дата начала отсчета срока действия патента:
28.04.2003
(43) Дата публикации заявки: 27.10.2004
(46) Опубликовано: 10.09.2008
(56) Список документов, цитированных в отчете о поиске:
ЕР 0431181 A1, 12.06.1991. JP 58063547 A, 15.04.1983. US 6082171 A, 04.07.2000. SU 1636289 A1, 23.03.1991.
Адрес для переписки:
390014, г.Рязань, Военный автомобильный институт, НИО, А.Д. Герасимову
|
(72) Автор(ы):
Цибизов Александр Борисович (RU), Цибизов Сергей Александрович (RU), Гармаш Юрий Владимирович (RU)
(73) Патентообладатель(и):
Военный автомобильный институт (RU)
|
(54) УСТРОЙСТВО, ИНДИЦИРУЮЩЕЕ УГОЛ ПОВОРОТА УПРАВЛЯЕМЫХ КОЛЕС АВТОМОБИЛЯ ПРИ ПЕРЕКЛЮЧЕНИИ ПЕРЕДАЧ В КОРОБКЕ ПЕРЕДАЧ
(57) Реферат:
Изобретение относится к области транспортного машиностроения, в частности к контрольно-измерительным устройствам, индицирующим угол поворота управляемых колес автомобиля и контролирующим траекторию движения автомобиля. Устройство содержит переменный резистор, закрепленный на сошке вала рулевого управления автомобиля, и индикатор-амперметр. В устройство дополнительно включены блоки питания, усиления звука, определения угла поворота рулевого колеса, содержащий индикатор-амперметр, определения угловой скорости вращения рулевого колеса, компараторы определения малой скорости вращения рулевого колеса и определения поворота управляемых колес влево, первый делитель напряжения, задающий пороговую величину малой скорости вращения рулевого колеса, второй делитель напряжения, задающий опорное напряжение и нужный знак производной на входе компаратора определения поворота управляемых колес влево, схема И, генератор, датчик контакта, расположенный на рычаге переключения коробки передач. Технический результат заключается в расширении функциональных возможностей устройства и повышении точности измерения угла поворота управляемых колес автомобиля. 1 ил.
Изобретение относится к области транспортного машиностроения, в частности к контрольно-измерительным устройствам, индицирующим угол поворота управляемых колес автомобиля и контролирующим траекторию движения автомобиля.
Известен прибор (Журнал «Юный техник». – 1990, № 7, с.61-62), содержащий переменный резистор, закрепленный на сошке вала рулевого управления, индикатор-амперметр и активные сопротивления одинаковой величины.
Недостатками известного прибора являются низкая достоверность и информативность о положении управляемых колес автомобиля.
Техническая задача направлена на расширение функциональных возможностей и повышение точности измерения угла поворота управляемых колес автомобиля.
Технический результат достигается тем, что в устройство, индицирующее угол поворота управляемых колес автомобиля при переключении передач в коробке передач, содержащее переменный резистор, закрепленный на сошке вала рулевого управления автомобиля, индикатор-амперметр, дополнительно включены блоки питания, усиления звука, определения угла поворота рулевого колеса, содержащий индикатор-амперметр, определения угловой скорости вращения рулевого колеса, компараторы определения малой скорости вращения рулевого колеса и определения поворота управляемых колес влево, первый делитель напряжения, задающий пороговую величину малой скорости вращения рулевого колеса, второй делитель напряжения, задающий опорное напряжение и нужный знак производной на входе компаратора определения поворота управляемых колес влево, схема И, генератор, датчик контакта, расположенный на рычаге переключения коробки передач, при этом вход блока питания соединен с бортовой сетью автомобиля, а выход – с переменным резистором, блоками определения угла поворота рулевого колеса, определения угловой скорости вращения рулевого колеса, усиления звука, компараторами определения малой скорости вращения рулевого колеса и определения поворота управляемых колес влево, первым делителем напряжения, вторым делителем напряжения, датчиком контакта, генератором, схемой И, при этом вход блока определения угла поворота рулевого колеса, содержащего индикатор-амперметр, соединен с ползуном переменного резистора, а его выход – со входом блока определения угловой скорости вращения рулевого колеса, в свою очередь вход компаратора определения малой скорости вращения рулевого колеса соединен с выходом первого делителя напряжения и выходом блока определения угловой скорости вращения рулевого колеса, а его выход – с первым входом схемы И, кроме того, вход компаратора определения поворота управляемых колес влево соединен с выходом второго делителя напряжения и выходом блока определения угловой скорости вращения рулевого колеса, а его выход – со вторым входом схемы И, выходы датчика контакта и генератора подключены к третьему и четвертому входам схемы И, а вход блока усиления звука соединен с выходом схемы И.
Отличительным признаком от прототипа является то, что в устройство дополнительно включены блоки питания, усиления звука, определения угла поворота рулевого колеса, содержащий индикатор-амперметр, определения угловой скорости вращения рулевого колеса, компараторы определения малой скорости вращения рулевого колеса и определения поворота управляемых колес влево, первый делитель напряжения, задающий пороговую величину малой скорости вращения рулевого колеса, второй делитель напряжения, задающий опорное напряжение и нужный знак производной на входе компаратора определения поворота управляемых колес влево, схема И, генератор, датчик контакта, расположенный на рычаге переключения коробки передач, а также связи между ними. Блок питания позволяет подключать устройство к бортовой сети автомобиля напряжением 12 и 24 В.
Информативность и точность достигаются тем, что вход блока определения угла поворота, содержащего индикатор-амперметр, соединен с ползуном переменного резистора, а его выход – со входом блока определения угловой скорости вращения рулевого колеса, в свою очередь вход компаратора определения малой скорости вращения рулевого колеса соединен с выходом первого делителя напряжения и выходом блока определения угловой скорости вращения рулевого колеса, а его выход – с первым входом схемы И, кроме того, вход компаратора определения поворота управляемых колес влево соединен с выходом второго делителя напряжения и выходом блока определения угловой скорости вращения рулевого колеса, а его выход – со вторым входом схемы И, выходы датчика контакта и генератора подключены к третьему и четвертому входам схемы И, а вход блока усиления звука соединен с выходом схемы И.
Предложенная схема позволяет стабилизировать траекторию прямолинейного движения, предупреждая звуковым сигналом водителя о возможности выезда на полосу встречного движения в момент затруднения в переключении передач, когда неопытный водитель теряет зрительный контакт с дорогой, уделяя внимание включению очередной передачи. Кроме того, в это время он подсознательно перемещает к себе левую руку вместе с рулевым колесом, что при движении в плотных транспортных потоках и скорости более 30 км/ч является причиной возникновения опасных дорожно-транспортных ситуаций.
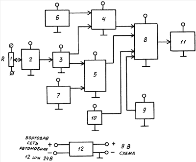
На чертеже представлена электрическая функциональная схема предлагаемого устройства.
Устройство, индицирующее угол поворота управляемых колес автомобиля при переключении передач в коробке передач, содержащее переменный резистор 1, закрепленный на сошке вала рулевого управления автомобиля, индикатор-амперметр, блоки питания 12, усиления звука 11, определения угла поворота 2 рулевого колеса, содержащий индикатор-амперметр, определения угловой скорости вращения 3 рулевого колеса, компараторы определения малой скорости вращения 4 рулевого колеса и определения поворота 5 управляемых колес влево, первый делитель напряжения 6, задающий пороговую величину малой скорости вращения рулевого колеса, второй делитель напряжения 7, задающий опорное напряжение и нужный знак производной на входе компаратора определения поворота 5 управляемых колес влево, схема И 8, генератор 9, датчик 10 контакта, расположенный на рычаге переключения коробки передач, при этом вход блока питания 12 соединен с бортовой сетью автомобиля, а выход – с переменным резистором 1, блоками определения угла поворота 2 рулевого колеса, определения угловой скорости вращения 3 рулевого колеса, усиления звука 11, компараторами определения малой скорости вращения 4 рулевого колеса и определения поворота 5 управляемых колес влево, первым делителем напряжения 6, вторым делителем напряжения 7, датчиком 10 контакта, генератором 9, схемой И 8, при этом вход блока определения угла поворота 2 рулевого колеса, содержащего индикатор-амперметр, соединен с ползуном переменного резистора 1, а его выход – со входом блока определения угловой скорости вращения 3 рулевого колеса, в свою очередь вход компаратора определения малой скорости вращения 4 рулевого колеса соединен с выходом первого делителя напряжения 6 и выходом блока определения угловой скорости вращения 3 рулевого колеса, а его выход – с первым входом схемы И 8, кроме того, вход компаратора определения поворота 5 управляемых колес влево соединен с выходом второго делителя напряжения 7 и выходом блока определения угловой скорости вращения 3 рулевого колеса, а его выход – со вторым входом схемы И 8, выходы датчика 10 контакта и генератора 9 подключены к третьему и четвертому входам схемы И 8, а вход блока усиления звука 11 соединен с выходом схемы И 8.
Устройство работает следующим образом.
При подаче напряжения 12 или 24 В от бортовой сети автомобиля на блок питания 12 напряжение 9 В подается на переменный резистор 1, блоки определения угла поворота 2 рулевого колеса, определения угловой скорости вращения 3 рулевого колеса, усиления звука 11, компараторы определения малой скорости вращения 4 рулевого колеса и определения поворота 5 управляемых колес влево, первый делитель напряжения 6, второй делитель напряжения 7, датчик 10 контакта, генератор 9, схему И 8.
При выполнении поворотов рулевым колесом в одну из сторон сигнал с переменного резистора 1 через блок определения угла поворота 2 рулевого колеса и блок определения угловой скорости вращения 3 рулевого колеса проходит на компараторы определения малой скорости вращения 4 рулевого колеса и определения поворота 5 управляемых колес влево. Только при повороте налево сигнал на выходе компаратора определения поворота 5 управляемых колес влево принимает уровень логической единицы и воздействует на вход схемы И 8, так как делитель напряжения поворота влево 7 задает опорное напряжение и нужный знак производной на входе компаратора поворота влево 5.
Сигнал на выходе компаратора малой скорости 4 принимает уровень логической единицы в том случае, когда угловая скорость вращения рулевого колеса не превышает пороговую величину малой скорости, которая задается делителем напряжения скорости 6.
В случае выполнения условий малой угловой скорости и при повороте управляемых колес влево, а также при поступлении уровня логической единицы с датчика контакта 10, расположенного на рычаге переключения коробки передач, на трех входах схемы И 8, указанных выше, устанавливается уровень логической единицы. Вследствие этого сигнал с генератора 9 проходит через схему И 8 на вход блока усиления звука 11. Раздается сигнал в кабине автомобиля.
При несоблюдении хотя бы одного из требований напряжение как минимум на одном из входов схемы И 8 будет соответствовать уровню логического нуля, сигнал с генератора 9 на вход блока усиления звука 11 проходить не будет.
Пороги срабатывания компараторов малой скорости 4 и поворота влево 5 регулируются в зависимости от марки и модификации автомобиля с помощью подстроечных сопротивлений, входящих в состав делителя напряжения малой скорости 6 и делителя напряжения поворота влево 7.
Применение предлагаемого устройства позволяет сократить сроки обучения водителей практическому вождению в городских условиях, вырабатывать у них правильные и рациональные начальные навыки по рулению и контролю за траекторией движения автомобиля в интенсивных транспортных потоках.
Формула изобретения
Устройство, индицирующее угол поворота управляемых колес автомобиля при переключении передач в коробке передач, содержащее переменный резистор, закрепленный на сошке вала рулевого управления автомобиля, индикатор-амперметр, отличающееся тем, что в него дополнительно включены блоки питания, усиления звука, определения угла поворота рулевого колеса, содержащий индикатор-амперметр, определения угловой скорости вращения рулевого колеса, компараторы определения малой скорости вращения рулевого колеса и определения поворота управляемых колес влево, первый делитель напряжения, задающий пороговую величину малой скорости вращения рулевого колеса, второй делитель напряжения, задающий опорное напряжение и нужный знак производной на входе компаратора определения поворота управляемых колес влево, схема И, генератор, датчик контакта, расположенный на рычаге переключения коробки передач, при этом вход блока питания соединен с бортовой сетью автомобиля, а выход – с переменным резистором, блоками определения угла поворота рулевого колеса, определения угловой скорости вращения рулевого колеса, усиления звука, компараторами определения малой скорости вращения рулевого колеса и определения поворота управляемых колес влево, первым делителем напряжения, вторым делителем напряжения, датчиком контакта, генератором, схемой И, при этом вход блока определения угла поворота рулевого колеса, содержащего индикатор-амперметр, соединен с ползуном переменного резистора, а его выход – со входом блока определения угловой скорости вращения рулевого колеса, в свою очередь вход компаратора определения малой скорости вращения рулевого колеса соединен с выходом первого делителя напряжения и выходом блока определения угловой скорости вращения рулевого колеса, а его выход – с первым входом схемы И, кроме того, вход компаратора определения поворота управляемых колес влево соединен с выходом второго делителя напряжения и выходом блока определения угловой скорости вращения рулевого колеса, а его выход – со вторым входом схемы И, выходы датчика контакта и генератора подключены к третьему и четвертому входам схемы И, а вход блока усиления звука соединен с выходом схемы И.
РИСУНКИ
|
|