|
|
(21), (22) Заявка: 2006142556/14, 01.12.2006
(24) Дата начала отсчета срока действия патента:
01.12.2006
(46) Опубликовано: 10.09.2008
(56) Список документов, цитированных в отчете о поиске:
SU 843940, 07.07.1981. RU 2089088 C1, 10.09.1997. SU 1736428 A1, 30.05.1992. US 6712470 B2, 30.03.2004. US 6244713 B1, 12.06.2001. JP 11095175, 09.04.1999. EHRENSTEIN W.H. et al. Eye preference within the context of binocular functions. Graefes Arch Clin Exp Ophthalmol. 2005 Sep; 243(9):926-32. Epub 2005 Apr 19. (Реферат в PubMed, PMID: 15838666).
Адрес для переписки:
117218, Москва, ул. Б. Черемушкинская, 20, к.4, оф.346, ООО “Патентное бюро”, пат.пов. Б.А. Выгодину, рег. №425
|
(72) Автор(ы):
Азнаурян Игорь Эрикович (RU)
(73) Патентообладатель(и):
НМУ “Клиническое объединение Центров Охраны Зрения Детей и Подростков “Ясный взор” (RU)
|
(54) БИНОКУЛЯРНЫЙ ОПТОМЕТРИЧЕСКИЙ КОМПЛЕКС
(57) Реферат:
Изобретение относится к области медицинской техники для офтальмологии. Данное устройство содержит основание, на котором смонтирован аккомодометр, включающий в себя перемещаемый паттерн в виде экрана для демонстрации тест-объектов, бинокулярный узел напротив паттерна, выполненный с оптическими элементами и корригирующими линзами. Аккомодометр снабжен корпусом в виде вытянутой рамы, связанной на одном конце с основанием горизонтальной осью с возможность углового перемещения другого конца рамы относительно основания. Паттерн в виде плоского экрана круглой формы установлен на корпусе со стороны шарнирной связи корпуса с основанием с возможностью регулируемого перемещения по направляющим вдоль корпуса в направлении к бинокулярному узлу. Бинокулярный узел включает в себя для каждого глаза исследуемого последовательно установленные поворотно относительно общей оси пластину с корригирующими линзами и пластины фороптера с линзами по окружности, а также окуляр и светоделительную призму. Пластина с корригирующими линзами и пластины фороптера смонтированы на кронштейне с возможностью изменения межцентрового расстояния. Применение данного комплекса позволит повысить точность и достоверность получаемых данных, повысить качество настройки комплекса и позволит проводить широкий спектр диагностических работ. 3 з.п. ф-лы, 12 ил.
Изобретение относится к области медицинской техники для офтальмологии, а именно к устройствам для исследования функций зрения, в частности остроты зрения, бинокулярного, стереозрения, фории, цветового зрения, световой и контрастной чувствительности, и может найти применение в широкой сети лечебных учреждений здравоохранения для диагностики глазных заболеваний, при определении профессиональной пригодности по ряду специальностей, для научных исследований.
Комплексная оценка характеристик зрения является в настоящее время исключительно актуальной медицинской задачей, очень важна она и для профессионального отбора. Имеются многочисленные отрасли промышленности, сельского хозяйства и др., где оценка различных видимых объектов является одним из основных профессиональных показателей. К ним относятся, в первую очередь, производство и эксплуатация устройств зрительной индикации, кино, телевидение, производство красителей и др. Во многих случаях правильная оценка характеристик зрения работающего связана не только с обеспечением изготовления качественных изделий и их эксплуатации, но и с безопасностью работы многих людей. К таким относятся водительские профессии, операторские и многие другие.
В ряде случаев при исследовании функций зрения недостаточно их оценки в неизменных условиях, необходимо и знание диапазона возможных изменений этих функций в тех или иных условиях. Таким образом, необходимо во многих случаях моделировать реальные или наиболее информативные условия наблюдения тех или иных объектов.
Известно устройство (ЕР №0045897, А61В 3/02) для исследования зрительных функций. Устройство содержит две оптических оси; линзы, позволяющие исследовать зрения для близи и дали, набор корректирующей оптики, устройство разделения оптических осей для независимого наблюдения тестов каждым глазом, два вращающихся барабана с тестами.
Недостатком указанного устройства является то, что исследование зрительных функций производится в неизменных условиях наблюдения, не исследуются режимы адаптации наблюдения в условиях мешающей засветки и др., т.е. данное устройство имеет весьма ограниченное функционально-диагностические возможности.
Известно также устройство для исследования функций зрения в меняющихся условиях наблюдения (выбранное в качестве прототипа), содержащее камеру предварительной адаптации с расположенным в ней осветителем, размещенный вне камеры адаптации набор тест-объектов с осветителем и светофильтрами, оптический элемент, служащий для наблюдения за тест-объектами и размещенный под углом к оси камеры ослепитель, экран с механизмом его перемещения, обтюратор и связанный с осветителями камеры и тест-объектом регистратором, при этом экран установлен перед тест-объктами с возможностью перемещения вдоль периметра камеры, при проведении исследований пациент наблюдает сначала закрытую экраном и освещенную лампой камеру адаптации, затем экран открывается и освещение камеры адаптации автоматически отключается. Аналогично проводится исследование состояния световой чувствительности после засветки глаз ослепителя (SU №843940, А61В 3/00, 1981).
Недостатком указанного устройства является ограниченные возможности исследования зрительных функций. В частности, отсутствует возможность исследования тест-объектов при одновременном наблюдении яркого поля и исследования тест-объектов при одновременной засветке глаз мешающим источником света. Кроме того, прибор исследует только остроту зрения и световую чувствительность, не исследуют такие важные характеристики зрения, как бинокулярное зрение, стереозрение, форию, контрастную чувствительность и др.
Известно устройство для исследования функций зрения, содержащее камеру предварительной адаптации с расположенным в ней осветителем, установленные перед камерой на оптической оси обтюратор и оптический элемент для наблюдения тест-объектов, расположенные за камерой предварительной адаптации подвижный экран, выполненный из материала с коэффициентом отражения, равным коэффициенту отражения материала камеры, с механизмом его перемещения, набор тест-объектов с осветителем, набор светофильтров, а также источником мешающего света, устройство также снабжено установленными на второй оптической оси параллельно первой оптической оси, второй камерой предварительной адаптации, вторым оптическом элементом и обтюратором, смонтированными перед камерой предварительной адаптации, вторым подвижным экраном, расположенным за камерой, а также блоком коммутации источников света и двумя дополнительными оптическими элементами, расположенными на оптических осях за экранами перед тест-объектами, при этом источник мешающего света расположен между камерами предварительной адаптации вне их оптических осей в поле зрения каждого газа, подвижные экраны, выполненные из материала с коэффициентом отражения, равным коэффициенту отражения материала камер предварительной адаптации, жестко соединены между собой и имеют отверстия для наблюдения тест-объектов и лампы мешающего света, а механизм перемещения экрана, взаимодействующий с блоком коммутации источников света, представляет собой рукоятку и переключатель положения экрана (RU №2089088, А61В 3/00, опубл. 1997.09.10).
Недостатком данного прибора является его ограниченная функциональность и недостаточная достоверность полученных результатов.
Настоящее изобретение направлено на решение технической задачи по обеспечению возможности настройки комплекса за счет выполнения его отдельных узлов перемещаемыми относительно друг друга и улучшении схемного решения бинокулярного узла.
Достигаемый при этом технический результат заключается в повышении точности и достоверности получаемых данных, повышении качества настройки комплекса и возможности проведения широкого спектра диагностических работ.
Указанный технический результат достигается тем, что в бинокулярном оптометрическом комплексе, содержащем основание, на котором смонтирован аккомодометр, включающий в себя перемещаемый паттерн в виде экрана для демонстрации тест-объектов, бинокулярный узел напротив паттерна, выполненный с оптическими элементами и коррегирующими линзами, аккомодометр снабжен корпусом в виде вытянутой рамы, связанной на одном конце с основанием горизонтальной осью с возможностью углового перемещения другого конца рамы относительно основания, паттерн в виде плоского экрана круглой формы установлен на корпусе со стороны шарнирной связи корпуса с основанием с возможностью регулируемого перемещения по направляющим вдоль корпуса в направлении к бинокулярному узлу, закрепленному на другом конце указанной рамы, при этом бинокулярный узел включает в себя для каждого глаза исследуемого последовательно установленные поворотно относительно общей оси пластину с коррегирующими линзами по окружности, пластины фороптера с линзами по окружности, а также окуляр и светоделительную призму для направления оптического сигнала от глаза исследуемого либо через объектив на приемник изображения, либо через набор призм в общий для двух основных каналов проекционный объектив, направленный в сторону паттерна, при этом пластина с коррегирующими линзами и пластины фороптера смонтированы на кронштейне с возможностью изменения межцентрового расстояния.
Указанные признаки являются существенными и взаимосвязаны с образованием устойчивой совокупности существенных признаков, достаточной для получения требуемого технического результата.
Настоящее изобретение поясняется конкретным примером исполнения, который, однако, не является единственно возможным, но наглядно демонстрирует возможность достижения требуемого технического результата.
Предлагаемый прибор приведен на чертежах, где
на фиг.1 показана блок-схема бинокулярного оптометрического комплекса;
на фиг.2 показан вид спереди на со стороны фороптеров;
на фиг.3 – общий вид в аккомодометра в аксометрической проекции;
на фиг.4 – вид сбоку на аккомодометр;
на фиг.5 – общий вид бинокулярная насадка в аксометрической проекции;
на фиг.6 – вид сзади на бинокулярную насадку;
на фиг.7 – вид сверху на бинокулярную насадку;
на фиг.8 – вид на бинокулярную насадку со стороны коррегирующих линз;
на фиг.9 – вид сбоку на бинокулярную насадку;
на фиг.10 показана оптическая блок-схема бинокулярной насадки;
на фиг.11 показан канал регистрации движения глаз;
на фиг.12 – основной канал наблюдения.
Согласно настоящего изобретения бинокулярный оптометрический прибор предназначен для объективных методов исследования остроты зрения пациентов методом компьютерной оптометрии в стационарных и амбулаторных офтальмологических учреждениях. Прибор направлен на исследование абсолютной аккомодации, исследование фузионной способности, окуломоторного баланса, визиометрии, тонких зрительных функций, глазодвигательных нарушений объективным методом на основе регистрации зрительных вызванных потенциалов.
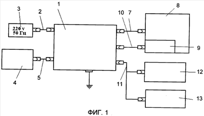
Бинокулярный оптометрический комплекс включает в себя следующие основные узлы (фиг.1) аккомодометр 1, имеющий блок управления приводом паттерна и монитором (БУ).
БУ кабелем 2 подключен к сети 3 переменного тока 220 В, 50 Гц. Пульт управления 4 (ПУ) кабелем 5 подключен к управляющему входу БУ 1. ПУ позволяет управлять перемещением паттерна 6 со скоростями в диапазоне (1…100) мм/с, а также контролировать текущее положение паттерна. БУ аккомодометра 1 также кабелем 7 подключен к монитору 8 (соответствует стандарту VGA), который предназначен для подключения к персональному компьютеру 9 и трансляции паттерна на монитор. Персональный компьютер 9 через кабель 10 соединен с БУ 1. Данное соединение обеспечивает ввод-вывод всех необходимых сигналов, обеспечивающих программное управление перемещением монитора и контроль за положением монитора.
Электрический разъем с кабелем 11 обеспечивает вывод видеосигнала T/V стандарта на видеоконтрольные устройства 12 (для левого глаза) и 13 (для правого глаза). Видеосигнал представляет собой изображение глаз пациента. Видеоконтрольные устройства 12 и 13 подключаются к БУ аккомодометру и могут быть использованы из числа известных устройств типа кино- или фотокамер.
На неподвижном основании 14 (фиг.2-4) закреплен корпус (не показан) в виде вытянутой рамы, имеющий возможность поворачиваться относительно оси 15 на небольшие углы. Ось 15 расположена на одном краю корпуса и основания и обеспечивает угловое перемещение корпуса относительно основания. На корпусе установлены: бинокулярная насадка 16 с фороптерами 17, окулярами 18, узлом подсветки 31 и узлами наблюдения 20 за глазами пациента, перемещающаяся по направляющим 21 жидкокристаллическая панель (паттерн 6) (паттерн перемещается в направлении от или к бинокулярной насадке 16), узел 22 ручного углового перемещения корпуса относительно основания и узел 23 автоматического перемещения жидкокристаллической панели. Сверху аккомодометр закрыт кожухом (не показан).
При вращении рукоятки 24 корпус, поворачиваясь вокруг оси 15, обеспечивает разное по высоте положение бинокулярной насадки 16 (подъем в диапазоне до 100 мм). Перемещение паттерна 6 по направляющим 21 осуществляется за счет того, что поворотом рукоятки 25 осуществляют перемещение замкнутой гибкой тяги 26 (троса), перекинутой через блок 27. Длина перемещения паттерна 750 мм. Перемещение паттерна возможно автоматическое с помощью двигателя, используя пульт дистанционного управления, и вручную, вращая рукоятку 25. Перед измерениями вручную необходимо включить рукоятку 25. Для этого необходимо надавить рукоятку вниз и повернуть ее на 90°. Трос с одной стороны жестко прикреплен к корпусу паттерна и проходит через блоки 28. Размер экрана паттерна – 72 мм в диаметре. Несмотря на применение экрана прямоугольной формы, особенностью применяемого в комплексе паттерна является применение круглого экрана для ликвидации необходимости контроля угловых зон экрана. Такая форма экрана позволяет нивелировать побочные посторонние зрительные стимулы. При такой круглой форме экрана и созданных в приборе условий исследования (отсутствие в поле зрения каких-либо видимых объектов, за исключением экрана) возможно получение “чистого” ответа клеток зрительной коры исключительно на предъявляемый стимул, что делает исследование максимально объективным, а получаемые данные годными для определения нормы значений ЗВП и соответственно анализа зрительных функций испытуемых.
В качестве паттерна использован монитор типа ANDpSi056ETOS 5,61” WSVGA Color p-Si TFT (LCD Module, Pixel 0,12×0,12 mm, экран 122,88×72 мм – использована только центральная часть диаметром 72 мм).
Бинокулярная насадка 16 (фиг.5-9) закреплена неподвижно на кронштейне 28 и выполнена с двумя фороптерами 17 соответственно для левого и правого глаз. Бинокулярная насадка создает два канала наблюдения за глазами пациента. На бинокулярную насадку 16 установлены неподвижно: объектив 29, два узла 30, контролирующие положение глаз пациента, состоящие из объектива и камеры, и узла 31 подсветки глаз пациента. Таким образом, сформированы два канала бинокулярной насадки, которые соответственно закреплены неподвижно на осях секторов 32, 33.
Каждый из фороптеров 17 и окуляры 34 также закреплены на секторах 32, 33, поворачивающихся вокруг оси 35. Угол поворота секторов на угол 60° обеспечивает изменение расстояния между окулярами 35 от 45 мм до 75 мм.
Вращая рукоятку 24, обеспечивается поворот секторов 32, 33. На рукоятке 24 нанесена риска. Шкала со значениями величины баз окуляров расположена на корпусе прибора. Оттянув рукоятку 24 и поворачивая ее, устанавливается и фиксируется нужная для пациента база.
Каждый из фороптеров 17 состоит из трех вращающихся вокруг соответствующих осей 36 и 37 дисков 38, 39, 40 и фиксируется в рабочем положении.
На диске 38 устанавливаются корригирующие астигматизм стандартные линзы. Одновременно возможно установить по три линзы в каждый диск, при этом четвертое отверстие в диске остается свободным. Каждая из стандартных линз вращается вокруг своей оси на угол 260°.
На дисках 39 и 40 закреплены линзы с диоптрийностью:
на диске 39 – +3, +2, +1, 0;
на диске 40 – минус 1, минус 2, минус 3, минус 4,0.
Шкала для определения остроты зрения расположена на корпусе прибора.
Лицевой установ располагается на корпусе прибора. Вращая рукоятку, подбородник поднимается сверх или опускается, фиксируя положение головы.
Изменение диоптрий (расфокусировка) производится перемещением паттерна вдоль оптической оси бинокулярного оптометрического комплекса. Для этого используется шаговый двигатель, обеспечивающий бесшумное и плавное перемещение паттерна. Скорость перемещения паттерна может быть изменена аппаратно (с помощью пульта управления) в диапазоне (0,5…100) мм/с и программно, посредством ПК.
В обоих режимах перемещения паттерна необходим контроль положения паттерна вдоль оптической оси бинокулярного оптометрического комплекса. Контроль осуществляется датчиком положения паттерна. В качестве датчика положения используется дискретный датчик угла (шаг датчика 1,8°). Датчик контролирует фактическое угловое положение выходного вала привода паттерна. Датчик не позиционный и поэтому при каждом очередном включении бинокулярного оптометрического комплекса, необходимо пройти короткий «тест», а именно, провести паттерн (аппаратно – посредством пульта пли программно) через одну из трех реперных меток, расположенных в центре и по краям оптической оси бинокулярного оптометрического комплекса, для привязки счетчика шагов паттерна к фактическому положению паттерна.
С помощью компьютера формируется видеосигнал паттерна в стандарте VGA и транслируется на монитор бинокулярного оптометрического комплекса.
Оптическая схема (фиг.10) бинокулярной насадки включает в себя основной канал наблюдения (фиг.12) и канал регистрации движение глаз (фиг.11).
Основной канал состоит из тест-объекта (паттерна 6, на котором высвечиваются тест-картинки), проекционного объектива 41, блока призм 42, 43, 44, 45, 46, окуляров 18, фороптеров 17, блоков (дисков 38) коррегирующих линз 47. Качество изображения в основном канале высокое: при D’o=0 диоптрий (Sl=-297,2 мм) аберрации для осевого пучка – менее одной минуты, по полю – порядка трех минут: при D’o=+5 диоптрий (Si=-892 мм) и при D’0=-7 диоптрий (Sl – 153,8 мм) аберрации осевых пучков ±0,05 диоптрий.
Для устранения стереоскопических помех и сокращения габаритов система оптики скомпонована из одного головного проекционного объектива, изображение после которого бинокулярным призменным блоком передается на два окуляра.
Вследствие того, что за каждым окуляром должны располагаться фороптер и блок корригирующих линз, вынос выходного зрачка прибора равен порядка 60-65 мм. Для обеспечения такого выноса фокусное расстояние окуляров выполнено приблизительно 40-45 мм (min), увеличение проекционного объектива около – 1/5. Из-за значительной величины фокусного расстояния всей системы основного канала перемещение паттерна, соответствующее величине сходимости параксиальных лучей за окуляром D’o, от +5 до -7 диоптрий, получается большим, что, в основном, и определяет продольные габариты прибора.
Узел подсветки 19 (фиг.10) включает в себя источник света 48 в виде ИК-светодиода ( 0,95 мкм), объектив 49, плоское зеркало 50 для первого варианта исполнения, а для второго варианта исполнения, показанного на фиг.10 на выноске, плоское зеркало отсутствует, но изменена схема направления света от источника света 48.
В каждый канал регистрации движения глаза (фиг.10, 11) входит (по ходу света) блок корригирующих линз 47, фороптер 17, окуляр 18, светоделительная призма 46, объектив 51 и приемник изображения – ПЗС-матрица типа V/C SK-1003 B/W LG 1/3” – без штатного объектива. В этом канале изображение глаза (роговицы R 7,7 мм) передастся на приемник с увеличением V=-0,64.
В канале засветки глаз аберрации по величине значительные, но достаточные для подобной осветительной системы.
В канале регистрации движения глаз аберрации осевого пучка – около 0,05 мм, по полю – порядка 0,1-0,15 мм, что также достаточно для решения задачи указанного канала. Узлы наблюдения 20 представляют собой регистрирующие видео-, фотоприемники.
Комплекс реализует следующие возможности:
– максимальная диагностируемая острота зрения V-0,5;
– изменяемая глазная база h=45-75 мм;
– перемещение паттерна соответствует сходимости за окуляром прибора
Do = от +5 до -7 диоптрий;
– канал регистрации движения глаз осуществляет простейший контроль – смотрит пациент на экран или в сторону («да – нет»).
Конструкционная особенность прибора заключается также в том, что прибор является источником стимулов для генерации зрительных вызванных потенциалов, проведения ЭФИ и создания условий для реализации принципа обратной функциональной связи между компьютером и прибором. Для этого в приборе предусмотрен соответствующий порт. Прибор имеет возможность совмещения с ЭФИ устройством для регистрации зрительных вызванных потенциалов.
Дополнительной особенностью прибора является возможность реализации принципа обратной связи между движениями оптико-механической части (монитора) и качеством зрительного восприятия (характеристиками ЗВП), что позволит придать объективность результатам исследования зрительных функций посредством анализа кривых ЗВП, полученных в условиях максимально корректной регистрации ЗВП (в условиях полного отсутствия побочных возмущающих частот или стимулов).
Настоящее изобретение промышленно применимо, реализовано и показывает высокие результаты при исследовании функций зрения, в частности остроты зрения, бинокулярного, стереозрения, фории, цветового зрения, световой и контрастной чувствительности при диагностике глазных заболеваний.
Формула изобретения
1. Бинокулярный оптометрический комплекс, содержащий основание, на котором смонтирован аккомодометр, включающий в себя перемещаемый паттерн в виде экрана для демонстрации тест-объектов, бинокулярный узел напротив паттерна, выполненный с оптическими элементами и корригирующими линзами, отличающийся тем, что аккомодометр снабжен корпусом в виде вытянутой рамы, связанной на одном конце с основанием горизонтальной осью с возможностью углового перемещения другого конца рамы относительно основания, паттерн в виде плоского экрана круглой формы установлен на корпусе со стороны шарнирной связи корпуса с основанием с возможностью регулируемого перемещения по направляющим вдоль корпуса в направлении к бинокулярному узлу, закрепленному на другом конце указанной рамы, при этом бинокулярный узел включает в себя для каждого глаза исследуемого последовательно установленные поворотно относительно общей оси пластину с корригирующими линзами по окружности, пластины фороптера с линзами по окружности, а также окуляр и светоделительную призму для направления оптического сигнала от глаза исследуемого либо через объектив на приемник изображения, либо через набор призм в общий для двух основных каналов проекционный объектив, направленный в сторону паттерна, при этом пластина с корригирующими линзами и пластины фороптера смонтированы на кронштейне с возможностью изменения межцентрового расстояния.
2. Комплекс по п.1, отличающийся тем, что привод перемещения патерна по направляющим выполнен в виде троса, прикрепленного к корпусу паттерна и перемещаемого вращением рукоятки или шаговым электродвигателем от пульта управления.
3. Комплекс по п.1, отличающийся тем, что аккомодометр сверху закрыт кожухом.
4. Комплекс по п.1, отличающийся тем, что узел подсветки выполнен в виде ИК-светодиода.
РИСУНКИ
|
|