|
|
(21), (22) Заявка: 2006140697/28, 17.11.2006
(24) Дата начала отсчета срока действия патента:
17.11.2006
(46) Опубликовано: 27.08.2008
(56) Список документов, цитированных в отчете о поиске:
SU 1631661 А1, 28.02.1991. RU 1728928 А1, 23.04.1992. RU 589685 А1, 25.01.1978. SU 977846 А1, 30.11.1982. RU 2110130 С1, 27.04.1998. SU 340122 А1, 01.01.1972.
Адрес для переписки:
115612, Москва, ул. Борисовские пруды, 22, корп.1, кв.120, Б.И. Блескину
|
(72) Автор(ы):
Блескин Борис Иванович (RU), Трушкин Николай Сергеевич (RU), Хлестков Юрий Алексеевич (RU), Леонов Борис Иванович (RU), Машков Олег Алексеевич (RU), Рыбкин Евгений Александрович (RU), Ишутин Василий Александрович (RU), Новиков Евгений Геннадьевич (RU), Блескин Александр Борисович (RU), Машков Сергей Олегович (RU)
(73) Патентообладатель(и):
Блескин Борис Иванович (RU), Трушкин Николай Сергеевич (RU), Хлестков Юрий Алексеевич (RU), Леонов Борис Иванович (RU), Машков Олег Алексеевич (RU)
|
(54) УСТРОЙСТВО ДЛЯ НАКОПЛЕНИЯ ЭЛЕКТРИЧЕСКОЙ ЭНЕРГИИ
(57) Реферат:
Изобретение относится к области приборостроения и может быть использовано для накопления электрической энергии. Технический результат – расширение функциональных возможностей. Для достижения данной цели громоотвод выполнен в виде проводника с наименьшим сопротивлением току атмосферного электричества. Вблизи громоотвода расположены элементы для съема энергии. При этом элемент для съема энергии содержит катушку индуктивности, полупроводниковый элемент и емкость, соединенные последовательно с образованием единого электрического контура. Катушка индуктивности и полупроводниковый элемент имеют сопротивление току не более 1 Ом, а элемент для съема энергии расположен на расстоянии от 0,1 до 10 м от громоотвода. 3 з.п. ф-лы, 3 ил.
Изобретение относится к физике, а именно к электротехническим устройствам для использования электрической энергии молнии и атмосферы в целом. Оно может быть использовано в районах, где часто бывают грозы, как источники энергии для промышленных и хозяйственных целей.
Известно устройство для использования атмосферной электрической энергии, содержащее вертикально установленный громоотвод, соединенный со средством заземления, и элемент для съема энергии (Авторское свидетельство СССР №781, кл. Н05F 7/00, 1925 г.). Данное устройство может быть использовано для накопления электрической энергии.
Однако известное устройство не позволяет использовать электрическую энергию молнии, поскольку оно не приспособлено к удару молнии, а выделяемая при ударе молнии энергия приводит к его разрушению. В то же время для накопления электрической энергии атмосферы ее параметры сопротивления току весьма велики.
Задачей настоящего изобретения является получение дешевого источника энергии в районах, где часто бывают грозы.
Техническим результатом изобретения является создание устройства, которое позволяет накапливать и электрическую энергию, выделяемую в молниеотводе при ударе в него молнии, а также извлекать ее избыток из атмосферы между разрядами молний.
Решение указанной задачи достигается тем, что в известном устройстве для накопления энергии, содержащем вертикально установленный громоотвод, соединенный со средством заземления, и элемент для съема энергии, громоотвод выполнен в виде проводника с наименьшим сопротивлением току атмосферного электричества, вблизи которого расположено одно или несколько элементов для съема энергии.
Кроме того, элемент для съема энергии может содержать, например, катушку индуктивности, полупроводниковый элемент и емкость, соединенные последовательно с образованием единого электрического контура, при этом катушка индуктивности и полупроводниковый элемент имеют наименьшее сопротивление току не более 1 Ом, а элемент для съема энергии расположен на расстоянии от 0,1 до 10 м от громоотвода.
В другом случае элемент для съема энергии имеет катушку индуктивности, полупроводниковый элемент и емкость, соединенные последовательно с образованием единого электрического контура, катушка индуктивности размещена ортогонально любой плоскости, проходящей через ось громоотвода, и выполнена в виде тороида, ось симметрии которого совпадает с осью громоотвода, при этом катушка индуктивности и полупроводниковый элемент имеют наименьшее сопротивление току не более 1 ом.
Средство заземления в предлагаемом устройстве для накопления энергии может быть выполнено в виде открытой или замкнутой емкости, наполненной электролитом, а громоотвод может быть выполнен, например, в виде токопроводного стержня.
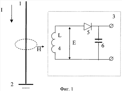
На фиг.1 изображена электрическая схема устройства для накопления энергии с катушкой индуктивности, расположенной вблизи громоотвода, выполненного в виде токопроводного стержня. На фиг.2 изображена электрическая схема устройства для накопления энергии с катушкой индуктивности, выполненной в виде тороида, ось симметрии которого совпадает с осью громоотвода. На фиг.3 изображено устройство для накопления энергии со средством заземления, выполненным в виде открытой емкости, наполненной электролитом, например водой.
Устройство для накопления энергии содержит громоотвод 1, например, вертикально установленный токопроводный стержень, соединенный со средством заземления 2, и элемент 3 для съема энергии. Громоотвод 1 выполнен в виде проводника, вдоль которого расположено один или несколько элементов 3 для съема энергии, каждое из которых имеет, например, катушку 4 индуктивности, полупроводниковый элемент 5 и конденсатор 6, соединенные последовательно с образованием единого электрического контура. Накапливаемое на конденсаторе 6 напряжение можно снять для дальнейшего использования.
Катушка 4 индуктивности в предлагаемом устройстве может быть размещена ортогонально любой плоскости, проходящей через ось громоотвода, и выполнена в виде тороида, ось симметрии которого совпадает с осью громоотвода, при этом катушка индуктивности и полупроводниковый элемент имеют наименьшее сопротивление току не более 1 Ом (см. фиг.2).
Устройство для накопления энергии со средством заземления, выполненным в виде емкости 7 (см. фиг.3), наполненной электролитом, например водой, имеет дно, выполненное в виде токопроводного листа 8, соединенного с громоотводом 1. Предлагаемое устройство может содержать несколько ярусов соленоидов 9, расположенных соосно с громоотводом 1 внутри корпуса 10, снабженного крышкой 11. При этом корпус 10 установлен на фундаменте 11 в почве 12.
Предлагаемое устройство работает следующим образом.
При ударе молнии в молниеотвод устройства накопления энергии по стержню протекает ток порядка I=(2-5)·105 А. Этот ток создает вокруг себя круговое магнитное поле Н, в которое помещают катушку индуктивности. При этом ЭДС (Е), возникающую в катушке индуктивности, накапливают на конденсаторе 6.
В зависимости от расстояния между элементами для съема энергии и стержнем 1 можно получать ЭДС (Е) разной величины. Этой ЭДС заряжают конденсатор 6 (см фиг.1).
В качестве громоотвода используют, например, провод диаметром (6-10) мм или токопроводный канат.
С электрической точки зрения, устройство является трансформатором тока, с той лишь разницей, что вторичная обмотка замкнута на обычный накопитель электрической энергии – диод-емкость. Накопленная электростатическая энергия с емкости 6 может быть направлена к различным потребителям от осветительных устройств до электродвигателей, раскручивающих маховики, аккумулирующих механическую энергию, более выгодную, чем электростатическую.
Пример 1.
Устройство для накопления энергии с катушкой 3 индуктивности, которая размещена на расстоянии от одного до десяти метров от стержня 1 и ориентирована ортогонально любой плоскости, проходящей через стержень (см. фиг.1).
Пример 2.
Устройство для накопления энергии с катушкой 3 индуктивности, выполненной в виде тороида, ось симметрии которого совпадает со стержнем 1 (см. фиг.2).
Определяем величину ЭДС Е, которая возникает на соленоиде диаметром d=100 мм и числом витков n=103 и расстоянии от снижения R=10 м.

где 0 – магнитная проницаемость пустоты, равная 4 ·107‘
S – площадь поперечного сечения соленоида,
n – число витков.
Соленоид ориентирован вдоль линии Н, а изменение напряженности магнитного поля происходит импульсно за время при протекании заряда через стержень.
В этом случае Н/ t по закону Био-Савара-Лапласа определяется из соотношения
Н/ t=I/(2 ·R· ), где I – величина тока, протекающего через стержень во время удара молнии.
Следовательно, полагая =5·10-3

Расположив по кругу множество соленоидов в несколько ярусов, можно получить большое количество источников постоянного тока, которые можно использовать для заряда малых аккумуляторов или одного большого.
Пример 3.
При использовании предлагаемого устройства (фиг.3) для очистки воды пар, возникающий из-за разогрева токопроводного листа 8, конденсируют любым известным способом.
Кроме того, образованный пар можно использовать для приведения в действие паровых механизмов, утилизирующих энергию пара.
Таким образом, с помощью предложенного устройства для накопления энергии значительную часть энергии молнии можно использовать в средстве заземления, выполнив его в виде замкнутой оболочки соответствующей прочности, которую оборудуют редукционными клапанами, для получения чистой воды или импульсных паровых двигателей. Поршень такого двигателя с возвратной пружиной может совершать многократные колебания, а будучи соединенным с постоянным магнитом, помещенным внутрь соленоида, он может служить ротором линейного генератора тока. В этом случае в устройстве для накопления энергии элемент для съема энергии может быть размещен на расстоянии от одного до десяти метров от стержня 1.
Техническая эффективность изобретения состоит в том, что благодаря применению предложенного устройства в местах, где часто бывают грозы, возможно утилизировать часть энергии молнии. Энергия атмосферного электричества, сохраняемая с помощью предлагаемого устройства при разрядах молнии, может быть преобразована в любой другой вид энергии, например:
– для производства чистой воды при испарении и конденсации пара в накопителе;
– для вращения маховиков большой массы;
– для накопления механической энергии.
Предложенное устройство простое как при изготовлении, так и в эксплуатации. Особенно эффективно оно может быть использовано в районах, где грозы – очень частое атмосферное явление.
Формула изобретения
1. Устройство для накопления электрической энергии, содержащее вертикально установленный громоотвод, соединенный со средством заземления, и элемент для съема электрической энергии, отличающееся тем, что громоотвод выполнен в виде проводника с наименьшим сопротивлением току атмосферного электричества, вблизи которого расположено одно или несколько элементов для съема электрической энергии, при этом элемент для съема электрической энергии содержит катушку индуктивности, полупроводниковый элемент и емкость, соединенные последовательно с образованием единого электрического контура, а катушка индуктивности и полупроводниковый элемент имеют сопротивление току не более 1 Ом, а элемент для съема энергии расположен на расстоянии от 0,1 до 10 м от громоотвода.
2. Устройство для накопления электрической энергии по п.1, отличающееся тем, что катушка индуктивности размещена ортогонально любой плоскости, проходящей через ось громоотвода, и выполнена в виде тороида, ось симметрии которого совпадает с осью громоотвода, при этом катушка индуктивности и полупроводниковый элемент имеют сопротивление току не более 1 Ом.
3. Устройство для накопления электрической энергии по п.1, отличающееся тем, что средство заземления выполнено в виде открытой или замкнутой емкости, наполненной электролитом.
4. Устройство для накопления электрической энергии по п.1, отличающееся тем, что громоотвод выполнен в виде стержня.
РИСУНКИ
|
|