|
|
(21), (22) Заявка: 2006145461/09, 21.12.2006
(24) Дата начала отсчета срока действия патента:
21.12.2006
(46) Опубликовано: 27.08.2008
(56) Список документов, цитированных в отчете о поиске:
RU 2079148 C1, 10.05.1997. RU 2280260 C1, 20.07.2006. RU 2178894 С1, 27.01.2002. WO 00/28346 А1, 18.05.2000. US 5808582 A, 15.09.1998.
Адрес для переписки:
117418, Москва, Нахимовский пр-кт, 33/2, кв.243, В.П.Польщикову
|
(72) Автор(ы):
Польщиков Вадим Петрович (RU), Хацкелевич Яков Давыдович (RU), Шилов Александр Иванович (RU)
(73) Патентообладатель(и):
Польщиков Вадим Петрович (RU), Хацкелевич Яков Давыдович (RU), Шилов Александр Иванович (RU)
|
(54) СПОСОБ ПОИСКА НАВИГАЦИОННЫХ СИГНАЛОВ ПО ЧАСТОТЕ
(57) Реферат:
Изобретение относится к радиоэлектронике и может быть использовано в приемниках навигационных сигналов ГЛОНАСС, GPS и ГАЛИЛЕО, в частности для поиска навигационных сигналов по частоте. Сущность способа состоит в том, что осуществляют когерентное накопление на временном интервале ког по каждой квадратуре и вычисление огибающей принимаемого сигнала, причем вырабатывают на временном интервале, равном ког/2, корреляционные сигналы I и Q, которые задерживают на время ког/2 и через интервал ког получают две пары значений квадратурных сигналов I1, Q1 и I2, Q2, из которых формируют три результирующие пары значений квадратурных сигналов I0 Q0, I+, Q+ и L, Q–, причем первую пару формируют как сумму значений сигналов I1, I2 и Q1, Q2, вторую и третью пары формируют как сумму I1, Q1 и результатов поворота сигнала I2, Q2 на угол ± , вычисляют значения огибающей Z0, Z+ и Z– для каждой результирующей пары квадратурных сигналов и выбирают максимальное по величине значение, которое является выходным сигналом на анализируемой частотно-временной позиции поиска. Технический результат – сокращение времени поиска сигнала за счет расширения полосы отдельного канала для увеличения шага поиска сигнала по частоте при фиксированном значении времени когерентного накопления в квадратурном корреляторе. 2 ил.
Изобретение относится к радиоэлектронике и может быть использовано в приемниках навигационных сигналов ГЛОНАСС, GPS и ГАЛИЛЕО.
Известен способ поиска навигационных сигналов в частотно-временной области, включающий в себя проведение быстрого преобразования Фурье (БПФ) над N комплексными выборками (квадратуры I и Q) за интервал анализа Тан при поиске навигационного сигнала по задержке. Интервал анализа определяет полосу отдельной частотной ячейки, имеющей форму колокола, на выходе БПФ [1].
Такой способ формирования амплитудно-частотной характеристики квадратурного коррелятора имеет тот недостаток, что амплитудно-частотные характеристики соседних частотных ячеек пересекаются по уровню 0,4 по мощности, что снижает чувствительность анализатора БПФ и требует дополнительного увеличения мощности сигнала или времени анализа за счет некогерентного накопления сигнала.
Известен также способ поиска навигационных сигналов по частоте, включающий в себя когерентное накопление на временном интервале ког по каждой квадратуре и вычисление огибающей принимаемого сигнала [2].
Такой способ поиска по частоте, наиболее близкий к предлагаемому, имеет тот недостаток, что при поиске сигнала по частоте шаг поиска для уменьшения энергетических потерь должен быть меньше ширины полосы частотной ячейки, определяемой как f 1/ ког.
Предлагаемым изобретением решается задача увеличения шага поиска сигнала по частоте при фиксированном значении времени когерентного накопления в квадратурном корреляторе.
Для достижения этого технического результата в способ поиска навигационных сигналов по частоте, включающий в себя когерентное накопление на временном интервале ког по каждой квадратуре и вычисление огибающей принимаемого сигнала, дополнительно введены следующие операции:
разделение интервала когерентного накопления ког на две части, определение на каждом подынтервале значения корреляции, формирование из двух пар полученных значений квадратурных сигналов I1, Qi и I2, Q2 трех результирующих пар значений квадратурных сигналов I0, Qo, I+, Q+ и I–, Q, из которых первую пару формируют как сумму значений сигналов I1, I2 и Q1, Q2, вторую и третью пары формируют как сумму I1, Q1 и результатов поворота сигнала I2, Q2 на угол ± , для каждой результирующей пары квадратурных сигналов определение значений огибающей, выбор максимального по величине значения, которое является выходным сигналом на анализируемой частотно-временной позиции поиска.
Признаки, отличающие предлагаемый способ поиска навигационных сигналов по частоте от наиболее близкого к нему, известному по публикации в [2], характеризует разделение интервала когерентного накопления ког на две части, определение на каждом подинтервале значения корреляции, формирование из двух пар полученных значений квадратурных сигналов I1, Q1 и I2, Q2 трех результирующих пар значений квадратурных сигналов I0, Q0, I+, Q+ и I–, Q, из которых первую пару формируют как сумму значений сигналов I1, I2 и Q1, Q2, вторую и третью пары формируют как сумму I1, Q1 и результатов поворота сигнала I2, Q2 на угол ± , для каждой результирующей пары квадратурных сигналов определение значений огибающей, выбор максимального по величине значения, которое является выходным сигналом на анализируемой частотно-временной позиции поиска.
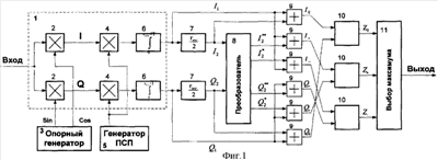
На фиг.1 приведена блок-схема устройства, реализующего предлагаемый способ поиска навигационных сигналов по частоте. Устройство содержит квадратурный коррелятор (1), перемножитель (2), опорный генератор (3), перемножитель (4), генератор ПСП (5), накопитель на интервале ког/2 (6), элемент задержки на время ког/2 (7), преобразователь (8), сумматор (9), вычислитель огибающей (10), блок выбора максимума (11).
Способ поиска навигационных сигналов по частоте реализуется следующим образом.
В квадратурном корреляторе 1, осуществляющем перемножение 2 входного сигнала с двумя квадратурами опорного сигнала 3, а затем перемножение 4 с кодовой дальномерной последовательностью, вырабатываемой генератором ПСП 5, вырабатываются на выходе накопителей 6 со временем накопления, равном половине когерентного интервала ког/2 корреляционные сигналы по квадратурам I и Q, которые задерживаются в элементе задержки 7 на время Тког/2 с тем, чтобы через интервал Тког получить по две пары накопленных сигналов I1, Q1 и I2, Q2. Указанные пары подаются на сумматоры 9.
В преобразователе 8 производится поворот вектора сигналов I2, Q2 на угол ± , что эквивалентно смещению частотной траектории сигнала на величину  =± / ког/2. В результате на выходе 9 формируются три результирующие пары I0, Q0, I+, Q+ и I–, Q–, которые формируются согласно следующим соотношениям:
I0=I1+I2
Q0=Q1+Q2




где



.
формируются в преобразователе 8.
Для каждой пары результирующих значений I0, Q0; I+, Q+ и I–, Q– в вычислителе огибающей 10 вырабатываются значения модуля огибающей, соответственно Z0, Z+ и Z–, из которых определяется максимальное по величине Zвых=max (Z0; Z+; Z–). Это значение и является выходным сигналом на анализируемой позиции в частотно-временной области поиска.
Параметр определяет форму результирующей амплитудно-частотной характеристики коррелятора. Наиболее удобными с точки зрения выполнения вычислений являются два значения параметра : =90° и =60°.
Получаемые при этом амплитудно-частотные характеристики коррелятора приведены на фиг.2. Для сравнения приведена амплитудно-частотная характеристика одной частотной ячейки на выходе БПФ. Аналогичная характеристика свойственна и обычному квадратурному коррелятору.
Из представленных графиков следует, что в предложенном способе поиска навигационных сигналов по частоте полоса амплитудно-частотной характеристики квадратурного коррелятора расширяется в зависимости от выбранного параметра на 20…25% по уровню 0,8, что снижает энергетический порог при поиске сигнала или уменьшает время его поиска.
Литература
1 (аналог). В. Shayevits, H. Cohen, J. Nir, E. Dochovny.
Very Efficient High Sensitivity Fully Coherent AGPS Signal Processing with Almost No Assistance Requirements. ION GPS 2002, 24-27 September 2002.
2 (прототип). II H. Choi, S.H. Park, D.J. Cho, S.J. Yun; Y.B. Kim, S.J. Lee.
A Novel Weak Signal Acquisition Scheme for Assisted GPS. ION GPS 2002, 24-27 September 2002.
Формула изобретения
Способ поиска навигационных сигналов по частоте, включающий когерентное накопление на временном интервале ког по каждой квадратуре и вычисление огибающей принимаемого сигнала, отличающийся тем, что вырабатывают на временном интервале, равном ког/2, корреляционные сигналы I и Q, которые задерживают на время ког/2 и через интервал ког получают две пары значений квадратурных сигналов I1, Q1 и I2, Q2, из которых формируют три результирующие пары значений квадратурных сигналов I0, Q0, I+, Q+ и I–, Q–, причем первую пару формируют как сумму значений сигналов I1, I2 и Q1, Q2, вторую и третью пары формируют как сумму I1, Q1 и результатов поворота сигнала I2, Q2 на угол ± , вычисляют значения огибающей Z0, Z+ и Z– для каждой результирующей пары квадратурных сигналов и выбирают максимальное по величине значение, которое является выходным сигналом на анализируемой частотно-временной позиции поиска.
РИСУНКИ
|
|