|
|
(21), (22) Заявка: 2006126315/09, 19.07.2006
(24) Дата начала отсчета срока действия патента:
19.07.2006
(43) Дата публикации заявки: 27.01.2008
(46) Опубликовано: 27.08.2008
(56) Список документов, цитированных в отчете о поиске:
SU 204389 A1, 20.10.1967. SU 2160947 C1, 20.12.2000. ВАСИЛЬЕВ В.А. Антенны портативных приемников. – М.: Энергия, 1973, с.26. SU 208005 A1, 29.12.1967. US 2005159131 A1, 21.07.2005.
Адрес для переписки:
603009, г.Нижний Новгород, пр. Гагарина, 176, ФГУП ННИПИ “Кварц”, техническому директору А. В. Пастухову
|
(72) Автор(ы):
Толбузов Николай Васильевич (RU)
(73) Патентообладатель(и):
Федеральное государственное унитарное предприятие “Нижегородский научно-исследовательский приборостроительный институт “Кварц” (RU)
|
(54) УСТРОЙСТВО ДЛЯ ПОДКЛЮЧЕНИЯ ФЕРРИТОВЫХ АНТЕНН К ПРИЕМНИКУ РАДИОСИГНАЛОВ
(57) Реферат:
Изобретение относится к радиотехнике и может быть использовано при приеме слабых радиосигналов в условиях повышенных помех в бортовой технике, в портативных радиоприемниках, в навигационных устройствах в низкочастотном и среднечастотном диапазонах длин волн. В заявляемом способе, включающем использование в каждом диапазоне ферритовой антенны, подключаемой к входному усилителю высокой частоты (УВЧ), в низкочастотном и среднечастотном диапазонах длин волн выбирают ферритовую антенну в виде антенных катушек с ферритовым сердечником, на котором находится катушка связи, которую через ключ подключают к внешней антенне, антенные катушки используют в качестве дросселя, используют усилитель высокой частоты с большим входным сопротивлением и малым уровнем собственных шумов, преобразуют сигнальные токи антенной катушки в напряжения сигналов на высокоомной нагрузке, в качестве которой используют сопротивление отрицательной обратной связи, для подавления зеркального канала используют фильтр нижних частот. Техническим результатом является подавление зеркального канала без использования катушки связи. 2 ил.
Изобретение относится к радиотехнике и может быть использовано при приеме слабых радиосигналов в условиях повышенных помех в бортовой технике, в портативных радиоприемниках, в навигационных устройствах в низкочастотном и среднечастотном диапазонах длин волн.
Наиболее близким аналогом к заявляемому устройству является входное устройство супергетеродинного радиоприемника (1) с применением ферритовой антенны, которая подключена к входу приемника радиосигналов и настроена в резонанс с частотой принимаемой волны.
Недостатками аналога являются: наличие механических устройств, обеспечивающих сопряжение резонансной частоты антенного контура с частотой гетеродина и перемещение катушки связи. Наличие элементов механики снижает точность сопряжения. Кроме того, температурная зависимость начальной магнитной проницаемости феррита приводит к зависимости точности сопряжения и чувствительности приемника радиосигналов от температуры. В большей степени это происходит при использовании ферритов с большим значением начальной магнитной проницаемости, применяемых в низкочастотном диапазоне длин волн. Механическое сцепление катушки связи, использующееся для увеличения подавления зеркального канала, удорожает конструкцию, снижает точность и надежность работы, усложняет настройку входного устройства аналога.
Заявляемое устройство обеспечивает чувствительность приемника радиосигналов в низкочастотном и среднечастотном диапазонах длин волн без устройств сопряжения, подавляет зеркальный канал без использования катушки связи, что позволяет обеспечить независимость чувствительности от точности сопряжения и температуры, исключить использование устройства сопряжения и механическое устройство подавления зеркального канала, т.е. упростить конструкцию, повысить точность и надежность работы приемника.
Это достигается тем, что заявляемое устройство в низкочастотном и среднечастотном диапазонах длин волн содержит подключаемую к входному усилителю высокой частоты в каждом диапазоне ферритовую антенну в виде антенной катушки с ферритовым сердечником, на котором находится катушка связи, причем каждая ферритовая антенна через ключ подключена к внешней антенне, антенная катушка используется в качестве дросселя и подключена к усилителю высокой частоты с большим входным сопротивлением и малым уровнем собственных шумов, параллельно которому подключено сопротивление отрицательной обратной связи, на котором преобразуются сигнальные токи антенной катушки в напряжения сигналов, а выход усилителя высокой частоты подсоединен к входу приемника радиосигналов через фильтр нижних частот, обеспечивающий подавление зеркального канала.
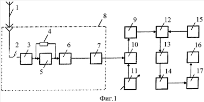
На фиг.1 показана структурная схема радиоприемника, где обозначено:
1 – внешняя антенна,
2 – электронный ключ,
3 – ферритовая антенна,
4 – высокоомная нагрузка,
5 – усилитель высокой частоты (УВЧ),
6 – фильтр нижних частот,
7 – согласующий усилитель,
8 – антенное поворотное устройство,
9 – усилитель первой промежуточной частоты,
10 – балансный смеситель,
11 – перестраиваемый гетеродин,
12 – смеситель,
13 – усилитель второй промежуточной частоты,
14 – детектор,
15 – кварцевый генератор,
16 – нагрузка приемника,
17 – усилитель низкой частоты,
На фиг.2 показана амплитудно-частотная характеристика антенного устройства в длинноволновом (ДВ) и средневолновом (СВ) диапазонах, где обозначено:
18 – амплитудно-частотная характеристика антенного устройства в диапазоне ДВ,
19 – амплитудно-частотная характеристика антенного устройства в диапазоне СВ.
В диапазонах ДВ, СВ ферритовые антенны выполнены в виде типовых антенных катушек с количеством витков соответственно 250 и 100, намотанных на одном ферритовом сердечнике марки 400 НН диаметром 8 мм и длиной 160 мм. Кроме того, на ферритовом сердечнике находится катушка связи, имеющая выход с помощью электронного ключа 2 на внешнюю антенну 1. Антенную катушку ферритовой антенны 3 используют в качестве дросселя, а не настраивают в резонанс с частотой принимаемой волны.
Действующую высоту ферритовой антенны определяют по формуле
hd=2 / ·N·S· d (м),
где – длина волны, м; N – количество витков антенной катушки; S – площадь одного витка антенной катушки, м2; d – действующее значение относительной магнитной проницаемости ферритового сердечника данной конфигурации. Находим площадь одного витка катушки, учитывая, что катушка намотана на гильзу диаметром 9 мм:
S= ·(0,009)2/4 6,3·10-5 (м2).
При d=95, после подстановки данных получают наименьшее значение действующей высоты ферритовой антенны в диапазоне ДВ на волне 2000 м:
h2000м=2 /2000·250·6,3·10-5·95 0,5 (см).
Наименьшее значение действующей высоты ферритовой антенны в диапазоне СВ на волне 500 м:
h500м=2 /500·100·6,3·10-5·95 0,75 (см).
Чувствительность приемника по полю характеризуется напряженностью поля в месте приема сигнала, воздействие которого на приемную антенну развивает в приемнике, настроенном на частоту сигнала, определенную выходную мощность при заданном отношении напряжения сигнала и помех на выходе приемника. Требование чувствительности по полю определяют, исходя из усредненной зависимости напряженности поля внешних помех от частоты. В диапазонах ДВ, СВ в пригородной зоне напряженность поля внешних помех составляет соответственно 100 мкВ/м и 30 мкВ/м. Для уверенного приема согласно действующим стандартам напряженность поля принимаемого радиосигнала превосходит напряженность поля внешних помех и составляет соответственно 1000 мкв/м и 300 мкв/м. Для обеспечения чувствительности приемника по полю величина чувствительности с входа УВЧ 5 в диапазонах ДВ, СВ принимает значение соответственно:

Для обеспечения отношения сигнал/шум не менее 20дБ необходимо, чтобы напряжение сигнала на входе УВЧ 5 были в двадцать раз больше эффективного напряжения внутренних шумов приемника, пересчитанных к входу УВЧ 5. Параметры и элементы схемы приемника выбирают так, что шум на входе определен уровнем собственных шумов УВЧ 5. Сигнальные токи антенной катушки с помощью УВЧ 5 преобразуют в напряжения на высокоомной нагрузке 4, в качестве которой используют сопротивление отрицательной обратной связи УВЧ 5. Чтобы не возникало ограничения чувствительности из-за малого усиления сигнала, сопротивление нагрузки выбирают порядка 100 кОм. Для получения малого уровня собственных шумов во входном каскаде УВЧ 5 используют полевой транзистор с электродвижущей силой шума на частотах сигналов не более 10 нВ/Гц. Уровень собственных шумов УВЧ 5 в полосе звуковых частот не превышает 0,1 мкВ. В результате уровень шума на входе удовлетворяет величинам чувствительности приемника, полученным в формулах (1) и (2), при отношении сигнал/шум более чем в двадцать раз.
Ферритовая антенна 3 совместно с УВЧ 5, высокоомной нагрузкой 4 и фильтром нижних частот 6 формирует амплитудно-частотные характеристики 18 и 19 диапазонов ДВ и СВ. Частоту среза фильтра нижних частот 6 выбирают больше верхней границы диапазона СВ. Чтобы частота зеркального канала не попадала в тракт приемника, первую промежуточную частоту выбирают больше частоты среза ФНЧ 6.
Прохождение принимаемых сигналов на всех диапазонах происходит по схеме приемника с двойным преобразованием частоты. С выхода согласующего усилителя 7 сигналы поступают на балансный смеситель 10, с выхода которого сигналы поступают на усилитель промежуточной частоты 9. На смеситель 12 сигналы поступают с выхода усилителя первой промежуточной частоты 9 и с выхода кварцевого генератора 15. С выхода смесителя 12 сигналы поступают на вход усилителя второй промежуточной частоты 13. В нагрузку приемника 16 сигналы поступают после прохождения детектора 14 и усилителя низкой частоты 17. Антенное поворотное устройство 8 включает ферритовую антенну 3, усилитель высокой частоты 5, фильтр нижних частот 6, согласующий усилитель 7. На всех диапазонах антенное поворотное устройство обладает направленностью приема по азимуту. Оно может быть использовано для улучшения избирательности по всем каналам приемника радиосигналов.
Устройство может быть использовано в промышленно-изготавливаемых радиоприемниках.
Источники информации
1. Описание изобретения к авторскому свидетельству SU №204389, МПК Н04В 1/8, опубл. 20.10.1967.
Формула изобретения
Устройство для подключения ферритовых антенн к приемнику радиосигналов в низкочастотном и среднечастотном диапазонах длин волн, содержащее подключаемую к входному усилителю высокой частоты в каждом диапазоне ферритовую антенну в виде антенной катушки с ферритовым сердечником, на котором находится катушка связи, отличающееся тем, что каждая ферритовая антенна через ключ подключена к внешней антенне, антенная катушка используется в качестве дросселя и подсоединена к усилителю высокой частоты с большим входным сопротивлением и малым уровнем собственных шумов, параллельно которому подключено сопротивление отрицательной обратной связи, на котором преобразуются сигнальные токи антенной катушки в напряжения сигналов, а выход усилителя высокой частоты подсоединен к входу приемника радиосигналов через фильтр нижних частот, обеспечивающий подавление зеркального канала.
РИСУНКИ
PC4A – Регистрация договора об уступке патента СССР или патента Российской Федерации на изобретение
Прежний патентообладатель:
Федеральное государственное унитарное предприятие “Нижегородский научно-исследовательский приборостроительный институт “Кварц”
(73) Патентообладатель:
Толбузов Николай Васильевич
Договор № РД0048364 зарегистрирован 24.03.2009
Извещение опубликовано: 10.05.2009 БИ: 13/2009
|
|