|
|
(21), (22) Заявка: 2006136043/28, 11.10.2006
(24) Дата начала отсчета срока действия патента:
11.10.2006
(43) Дата публикации заявки: 20.04.2008
(46) Опубликовано: 27.08.2008
(56) Список документов, цитированных в отчете о поиске:
RU 2130595 С1, 20.05.1999. RU 2120115 C1, 10.10.1998. RU 51207 U1, 27.01.2006.
Адрес для переписки:
302000, г.Орел, ул. Ломоносова, 6, ЗАО “ОРЛЭКС”, СКБприбор, отдел 10
|
(72) Автор(ы):
Костин Андрей Николаевич (RU), Васильев Вячеслав Вячеславович (RU), Данилов Андрей Николаевич (RU), Бубнов Владимир Алексеевич (RU), Матюхин Александр Ильич (RU)
(73) Патентообладатель(и):
Закрытое акционерное общество “ОРЛЭКС” (RU)
|
(54) ДАТЧИК-РЕЛЕ ДАВЛЕНИЯ И ТЕМПЕРАТУРЫ
(57) Реферат:
Изобретение относится к области приборостроения и может быть использовано в системах контроля и регулирования давления и температуры в качестве коммутационного устройства, выдающего электрический сигнал при достижении контролируемым параметром заданного значения. Технический результат направлен на обеспечение возможности регулирования срабатывания при понижении величины контролируемого параметра. Датчик-реле давления и температуры содержит корпус с расположенным в нем угловым рычагом, на одно плечо которого с одной стороны через шток воздействует сильфонная чувствительная система, а с другой пружина диапазона. Другое плечо углового рычага имеет возможность воздействия на переключатель. Узел настройки зоны возврата состоит из П-образного кронштейна, в который ввернута резьбовая втулка со штоком. Верхний конец штока связан с пружиной растяжения, а в паз нижней части штока входит конец углового рычага. 1 ил.
Изобретение относится к области приборостроения и может быть использовано в системах контроля и регулирования давления и температуры в качестве коммутационного устройства, выдающего электрический сигнал при достижении контролируемым параметром заданного значения.
Известны датчики-реле давления ДЕМ102 (ТУ 25-7301.0029-88) и температуры ТАМ102 (ТУ 25-7301.0028-88), производитель ЗАО “ОРЛЭКС”, г.Орел, Россия.
Недостатком этих датчиков-реле является высокая трудоемкость регулировки, так как обеспечение минимальной зоны возврата и зацепление узла регулирования зоны возврата осуществляется одним винтом, что приводит к многократным перерегулировкам приборов.
Наиболее близким по конструктивным признакам к предлагаемому датчику-реле является датчик-реле давления ДЕМ119 (ТУ 4258-143-00223459-98), серийно изготавливаемый орловским ЗАО “ОРЛЭКС” по патенту РФ №2130595 (приоритет от 04.12.1997, 20.05.1999, Бюл.№14), содержащий корпус, закрепленную на нем сильфонную чувствительную систему со штоком, взаимодействующим с одним плечом закрепленного в корпусе на оси рычага, на которое с другой стороны взаимодействует пружина настройки, а другое плечо имеет возможность воздействия на переключатель, узел настройки зоны возврата, выполненный в виде закрепленной в корпусе резьбовой втулки с установленным в ней штоком, на который с одной стороны воздействует пружина сжатия настройки зоны возврата, а другой конец имеет возможность взаимодействия с рычагом.
Недостатком этого датчика-реле давления является то, что он обеспечивает возможность регулирования срабатывания только при повышении величины контролируемого параметра – давления или температуры.
Технической задачей предлагаемого изобретения является обеспечение возможности регулирования срабатывания при понижении величины контролируемого параметра.
Технический результат достигается тем, что в датчике-реле давления и температуры, содержащий корпус с установленным в нем на оси угловым рычагом, на одно плечо которого с одной стороны через шток воздействует сильфонная чувствительная система, а с другой – пружина диапазона, а другое плечо имеет возможность воздействия на переключатель, узел зоны возврата состоит из закрепленного в корпусе П-образного кронштейна, в который ввернута резьбовая втулка со штоком, верхний конец которого связан с пружиной растяжения регулировки зоны возврата, а в паз нижней части входит конец углового рычага.
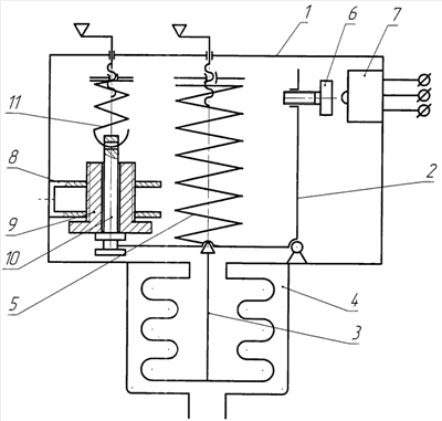
На чертеже изображена конструкция датчика-реле давления и температуры.
Датчик содержит корпус 1 с расположенным в нем угловым рычагом 2, на одно плечо которого с одной стороны через шток 3 воздействует сильфонная чувствительная система 4, с другой – пружина диапазона 5, а другое плечо имеет возможность через регулировочный винт 6 воздействовать на переключатель 7, узел настройки зоны возврата, состоящий из закрепленного в корпусе 1 П-образного кронштейна 8, в который ввернута резьбовая втулка 9 со штоком 10, верхний конец которого связан с пружиной растяжения 11, а в паз нижней части входит конец рычага 2.
Регулировка прибора осуществляется следующим образом.
Подавая давление (меняя температуру термобаллона) вращением винта 6, добиваются минимального значения величины зоны возврата. При этом вращением втулки 9 обеспечивается отсутствие контакта штока 10 с рычагом 2. Затем при растянутой пружине 11, вворачивая втулку 9, обеспечивается контакт штока 10 с рычагом 2 в момент срабатывания переключателя 7 при понижении давления (температуры) и отсутствие контакта при повышении давления, что обеспечивает уменьшение давления срабатывания при понижении давления за счет дополнительного усилия от пружины 11 при постоянном срабатывании при повышении давления.
Использование предлагаемого изобретения позволит расширить область применения датчиков-реле для потребителей, которым требуется регулировка срабатывания при понижении давления с сохранением срабатывания при повышении давления.
Формула изобретения
Датчик-реле давления и температуры, содержащий корпус с расположенным в нем угловым рычагом, на одно плечо которого с одной стороны через шток воздействует сильфонная чувствительная система, а с другой пружина диапазона, а другое плечо имеет возможность воздействия на переключатель, узел настройки зоны возврата, состоящий из П-образного кронштейна, в который ввернута резьбовая втулка со штоком, отличающийся тем, что верхний конец штока связан с пружиной растяжения, а в паз нижней части штока входит конец углового рычага.
РИСУНКИ
|
|