|
| На основании пункта 1 статьи 1366 части четвертой Гражданского кодекса Российской Федерации патентообладатель обязуется заключить договор об отчуждении патента на условиях, соответствующих установившейся практике, с любым гражданином Российской Федерации или российским юридическим лицом, кто первым изъявил такое желание и уведомил об этом патентообладателя и федеральный орган исполнительной власти по интеллектуальной собственности. |
|
(21), (22) Заявка: 2007106616/02, 21.02.2007
(24) Дата начала отсчета срока действия патента:
21.02.2007
(46) Опубликовано: 27.08.2008
(56) Список документов, цитированных в отчете о поиске:
RU 2292523 С2, 27.01.2007. RU 2191984 С2, 27.10.2002. RU 2199715 С2, 27.02.2003. GB 1532344 А, 15.11.1978. DE 3310403 А1, 20.09.1984. FR 2588978 А1, 24.04.1987.
Адрес для переписки:
355021, г.Ставрополь, ул. Ленина, 320, СВВАИУ, НИО, В.В. Ефанову
|
(72) Автор(ы):
Ефанов Василий Васильевич (RU), Мужичек Сергей Михайлович (RU), Гаврилов Николай Витальевич (RU)
(73) Патентообладатель(и):
Ефанов Василий Васильевич (RU), Мужичек Сергей Михайлович (RU), Гаврилов Николай Витальевич (RU)
|
(54) СПОСОБ ФУНКЦИОНИРОВАНИЯ ИНФОРМАЦИОННО-ВЫЧИСЛИТЕЛЬНОЙ СИСТЕМЫ РАКЕТЫ И УСТРОЙСТВО ДЛЯ ЕГО ОСУЩЕСТВЛЕНИЯ
(57) Реферат:
Изобретение относится к области авиационных управляемых ракет. Технический результат – повышение эффективности боевого применения. Сущность изобретения заключается в подготовке ракеты на борту самолета-носителя к работе, измерении параметров движения цели и собственного движения ракеты, формировании оценки необходимых параметров относительного движения цели и абсолютного движения ракеты, выбор метода наведения ракеты на цель наилучшего по какому-либо критерию для данных условий применения. Вычисляют для выбранного метода параметры рассогласования, характеризующие степень несоответствия действительных параметров движения ракеты их требуемым значениям, проводят анализ помеховой обстановки и включают в зависимости от помеховой обстановки средства помехозащиты и нерадиотехнические измерители. Осуществляют формирование сигнала подготовки и управления для радиовзрывателя, определение на основе текущих значений углового положения и дальности до цели скорости сближения ракеты с целью, модуля промаха ракеты, геометрических размеров и ракурса цели. Формируют команды на подрыв боевой части ракеты с учетом этих данных и начальной скорости разлета осколков боевой части ракеты. 2 н.и 19 з.п.ф-лы, 13 ил.
Текст описания приведен в факсимильном виде.                                                  
Формула изобретения
1. Способ функционирования информационно-вычислительной системы ракеты, включающий подготовку ракеты на борту самолета-носителя к работе, измерение параметров движения цели и собственного движения ракеты, формирование оценки необходимых параметров относительного движения цели и абсолютного движения ракеты, выбор метода наведения ракеты на цель, наилучшего по одному из критериев для данных условий применения, вычисление для выбранного метода параметров рассогласования, характеризующих степень несоответствия действительных параметров движения ракеты их требуемым значениям, анализ помеховой обстановки и включение в зависимости от помеховой обстановки средств помехозащиты и нерадиотехнических измерителей, формирование сигнала подготовки радиовзрывателя, формирование сигнала управления радиовзрывателем в зависимости от текущих значений углового положения и дальности до цели, скорости сближения ракеты с целью, модуля промаха ракеты, геометрических размеров и ракурса цели, а также начальной скорости разлета осколков боевой части ракеты, отличающийся тем, что при формировании сигнала управления радиовзрывателем дополнительно учитывают местонахождение цели в плоскости, перпендикулярной продольной оси ракеты, и осуществляют направленный подрыв боевой части ракеты для изменения поля поражения.
2. Способ по п.1, отличающийся тем, что подготовку ракеты к работе на борту самолета-носителя осуществляют путем подачи питающих напряжений из аппаратуры истребителя, настройки приемников синхронизации и отраженного сигнала на частоту подсвета цели, тестирования работоспособности аппаратуры ракеты, определения готовности информационно-вычислительной системы ракеты к работе по специальным сигналам контроля, поступающим в аппаратуру самолета-носителя по цепям обратной связи, подготовки измерителей и вычислителя к сопровождению цели, выбранной для поражения по командам целеуказаний.
3. Способ по п.2, отличающийся тем, что подготовку измерителей и вычислителя к сопровождению цели, выбранной для поражения по командам целеуказаний, осуществляют путем поворота антенны головки самонаведения в направлении на цель, либо в упрежденную точку, в которой будет находиться цель в момент взятия ее на автосопровождение, выполнения команд целеуказания по дальности и скорости сближения.
4. Способ по п.3, отличающийся тем, что команды целеуказаний по дальности формируют в зависимости от используемого метода наведения и сигнала подсвета цели, при этом если в радиолокационной головке самонаведения используют непрерывный сигнал подсвета цели, то формируют команду целеуказания по скорости сближения, в соответствии с которой селектируют радиосигналы только той цели, скорость сближения с которой соответствует скорости целеуказания, если в радиолокационной головке самонаведения используют импульсный сигнал подсвета цели, то в модуль обработки подают команду целеуказания по дальности, в соответствии с которой приемник отраженного сигнала отпирают только на время прихода сигналов, отраженных от цели, отстоящей от самолета-носителя на дальность целеуказания, при квазинепрерывном сигнале подсвета цели формируют команды целеуказания и по дальности и по скорости, при этом команды целеуказания по дальности, скорости сближения и угловым скоростям линии визирования подают в качестве начальных условий в вычислители, экстраполирующие параметры относительного движения ракеты и цели в автономном режиме работы информационно-вычислительной системы ракеты, предшествующем захвату цели на траектории, и в случае воздействия на нее радиопомех.
5. Способ по п.1, отличающийся тем, что анализ помеховой обстановки осуществляют по энергетическим и частотным различиям сигналов, излучаемых постановщиком помех и отраженных от земли либо от цели, при принятии решения о принадлежности анализируемого сигнала к перехватываемой цели измерители радиолокационной головки самонаведения переходят к его автоматическому сопровождению по доплеровской частоте, выполняемому автоселектором скорости, и по направлению, осуществляемому угломером, а радиолокационную головку самонаведения переводят в режим самонаведения.
6. Способ по п.1, отличающийся тем, что, определяют величину промаха по математическому выражению: 
где r4 – величина промаха ракеты, м;
А, В, С – безразмерные постоянные коэффициенты, определяемые из уравнений 
r1 r2, r3 – текущие расстояния, фиксируемые при проходе целью трех заданных расстояний Z1 Z2, Z3, м.
7. Способ по п.1, отличающийся тем, что определяют скорость сближения ракеты с целью в непосредственной близости от цели в момент прохода целью второго и третьего фиксированных расстояний из математического выражения: ,
где Vсбл – скорость сближения ракеты с целью, м/с;
Z2, Z3 – второе и третье фиксированные расстояния до цели, м;
– временной интервал при проходе данных фиксированных расстояний, с.
8. Способ по п.1, отличающийся тем, что определяют линейный размер цели в момент прохода ею второго заданного расстояния путем сканирования ее диаграммой излучения и фиксации угловых положений и дальности до начальной и конечной точек на цели соответственно в момент появления и пропадания отраженного сигнала от цели по математическому выражению:

где Lц – линейный размер цели, м;
D1, D2 – дальность до начальной и соответственно конечной точки на теле цели;
 = н– к – угловой размер цели, град.;
н, к – угловое положение начальной и конечной точек на теле цели, град.
9. Способ по п.1, отличающийся тем, что определяют ракурс цели по математическому выражению:

где Vr, Vц – модули вектора скорости ракеты и цели, м/с;
– угол между составляющими вектора цели, град.;
 1 – угловой размер между двумя фиксированными точками относительно ракеты, град.;
rn, rn+1 – текущие значения дальности до цели, м.
10. Способ по п.1, отличающийся тем, что на основе анализа значений ракурса цели и скорости сближения ракеты с целью формируют команду на подрыв боевой части ракеты в виде следующих алгоритмов:
если ракурс цели q>qn, то по математическому выражению:

где Тзад – время задержки, с;
qn – пороговое значение ракурса цели, град.;
V0 – начальная скорость разлета осколков, м/с;
Lц – геометрические размеры цели, м;
r4 – промах ракеты относительно цели, м,
если qп и Vсблп, то по математическому выражению:

где Vn – пороговое значение скорости сближения ракеты с целью, м/с,
если qп и Vсбл>Vп, то по математическому выражению:

11. Способ по п.1, отличающийся тем, что формируют команду на управление полем поражения боевой части ракеты, в зависимости от нахождения цели в плоскости, перпендикулярной продольной оси ракеты, определяют положение цели на основе сравнения полярности сигналов, поступающих с датчиков угла места и азимута привода антенны, по математическому выражению:
N(a,b)=2sqn(a)+sqn(b),
где N – сектор нахождения цели относительно продольной оси ракеты;
sgn – определитель знака: ,
а – сигнал от датчика угла места привода антенны;
b – сигнал от датчика угла азимута привода антенны,
осуществляют формирование поля поражения боевой части ракеты в направлении на цель путем подачи сигнала в одну из точек многоточечной системы инициирования боевой части.
12. Способ по п.1, отличающийся тем, что направленный подрыв боевой части ракеты для изменения поля поражения осуществляют за счет формирования детонационной волны по всей длине заряда в заданном секторе боевой части ракеты за счет срабатывания одного из четырех промежуточных детонаторов и формирования кумулятивной струи для одновременного подрыва заданной части взрывчатого вещества по всей длине
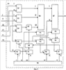
13. Ракета, содержащая боевую часть с устройством для подрыва, последовательно соединенные антенну и приемник сигнала синхронизации, антенну и приемник отраженного сигнала, модуль обработки информационных сигналов и вычислитель параметров рассогласования, а также систему автономных датчиков, усилитель мощности и привод антенны, причем модуль обработки информационных сигналов состоит из устройства поиска, обнаружения, селекции и анализа сигналов, канала оценки дальности и скорости сближения, канала управления антенной, при этом первый, второй, третий, четвертый, пятый, шестой, седьмой, восьмой входы модуля обработки информационных сигналов соответственно соединены с выходом приемника отраженного сигнала, первым выходом приемника сигналов синхронизации, первым и вторым выходом системы автономных датчиков, с выходом для формирования команд подготовки и целеуказания из аппаратуры самолета-носителя, которые одновременно соединены с третьим входом вычислителя параметров рассогласования, с выходом вычислителя автономной системы, вторым и третьим выходом усилителя мощности и привода антенны, первый выход которого механически соединен с антенной отраженного сигнала, при этом первый, второй третий, выходы модуля обработки информационных сигналов соединены соответственно с входом для формирования сигналов контроля и обратной связи аппаратуры самолета-носителя, первым и вторым входом вычислителя параметров рассогласования, при этом второй выход приемника синхронизации соединен со вторым входом приемника отраженного сигнала, первый ключ и вычислитель для формирования команды на подрыв боевой части ракеты, первый, второй входы которого соединены соответственно со вторым и третьими выходами модуля обработки информационных сигналов, которые одновременно являются выходом канала оценивания дальности и скорости сближения и первым выходом канала управления антенной, третий вход – с выходом приемника отраженного сигнала, а четвертый вход – со вторым выходом системы автономных датчиков, первый выход соединен со вторым входом первого ключа, первый вход которого соединен со вторым выходом канала управления антенной, который одновременно является четвертым выходом модуля обработки информационных сигналов, а выход первого ключа соединен с первым входом усилителя мощности и привода антенны, второй вход которого соединен со вторым выходом вычислителя для формирования команды на подрыв боевой части ракеты, третий выход которого является выходом команды на подрыв боевой части ракеты, отличающаяся тем, что она снабжена блоком управления полем поражения боевой части ракеты и многоточечной схемой инициирования боевой части ракеты, при этом первый второй и третий входы блока управления полем поражения боевой части ракеты соединены соответственно с выходом вычислителя для формирования команды на подрыв боевой части ракеты, вторым и третьим выходом усилителя мощности и привода антенны, первый, второй, третий и четвертые выходы блока управления полем поражения боевой части ракеты соединены с первым, вторым, третьим и четвертым входом многоточечной схемы инициирования боевой части ракеты.
14. Ракета по п.13, отличающаяся тем, что вычислитель для формирования команды на подрыв боевой части ракеты состоит из блока фиксации текущих параметров движения цели, блока определения промаха ракеты, блока определения геометрических размеров цели, блока определения ракурса цели и блока формирования команды на подрыв боевой части ракеты, причем первый, второй, третий и четвертый входы вычислителя для формирования команды на подрыв боевой части ракеты являются соответственно первыми и вторыми входами блока фиксации текущих параметров движения цели, блока определения геометрических размеров цели, блока определения ракурса цели, пятым входом блока определения геометрических размеров цели и четвертым входом блока определения ракурса цели, первый, второй, третий, четвертый, пятый и шестой выходы блока фиксации текущих параметров цели соединены соответственно с первыми, вторыми и третьими входами блока определения промаха ракеты, вторым входом блока формирования команды на подрыв боевой части ракеты, третьим входом блока определения геометрических размеров цели, третьим входом блока формирования команды на подрыв боевой части ракеты и одновременно четвертым входом блока определения геометрических размеров цели, выход блока определения промаха ракеты соединен с первым входом блока формирования команды на подрыв боевой части ракеты, первый, второй и третий выход блока определения геометрических размеров цели соединены соответственно со вторым входом усилителя мощности и привода антенны, четвертым и пятым входом блока формирования команды на подрыв боевой части ракеты, четвертый вход которого соединен с третьим входом блока определения ракурса цели, выход которого соединен с шестым входом блока формирования команды на подрыв боевой части ракеты, пятый выход блока фиксации текущих параметров движения цели, первый выход блока определения геометрических размеров цели и выход блока формирования команды на подрыв боевой части ракеты являются соответственно первым, вторым и третьим выходом вычислителя формирования команды на подрыв боевой части ракеты.
15. Ракета по п.13, отличающаяся тем, что блок фиксации текущих параметров движения цели состоит из первого функционального преобразователя, первого умножителя первого, второго и третьего сравнивающих устройств, первого, второго и третьего запоминающих устройств, а также задатчика постоянных сигналов, причем первый и второй вход блока фиксации текущих параметров движения цели, является соответственно входом первого функционального преобразователя и вторыми входами первого, второго третьего запоминающего устройства, первого умножителя, первый вход которого соединен с выходом первого функционального преобразователя, а выход соединен с первыми входами первого, второго и третьего сравнивающих устройств, вторые входы которых соединены соответственно с первым, вторым, третьим выходом задатчика постоянных сигналов, а выходы первого, второго и третьего сравнивающих устройств соединены с первыми входами первого, второго и третьего запоминающих устройств, выходы которых, а также выход третьего сравнивающего устройства и четвертый выход первого задатчика постоянных сигналов, являются соответственно первым, вторым, третьим, четвертым и пятым выходом блока фиксации текущих параметров движения цели.
16. Ракета по п.13, отличающаяся тем, что блок определения промаха ракеты состоит из первого, второго и третьего квадраторов, второго, третьего и четвертого умножителей, первого вычитающего и второго суммирующего устройства, второго функционального преобразователя, а также из второго задатчика постоянного сигнала, причем первый, второй и третий входы блока определения промаха ракеты являются соответственно входами первого, второго и третьего квадраторов, выходы которых соединены соответственно с первыми входами второго, третьего и четвертого умножителей, вторые входы которых соединены соответственно с первым, вторым и третьим выходом второго задатчика постоянных сигналов, выходы второго, третьего и четвертого умножителей соединены соответственно с первым и вторым входом первого вычитающего устройства и вторым входом второго суммирующего устройства, первый вход которого соединен с выходом первого вычитающего устройства, а выход с входом второго функционального преобразователя, выход которого является выходом блока определения промаха ракеты.
17. Ракета по п.13, отличающаяся тем, что блок определения геометрических размеров цели состоит из первого элемента И, первого элемента И-НЕ, первого генератора импульсов, счетчика импульсов и последовательно соединенных первого сдвигового регистра, цифроаналогового преобразователя, а также из третьего, четвертого, пятого и шестого запоминающих устройств, третьего и четвертого квадраторов, третьего сумматора, второго и третьего вычитающих устройств, третьего и четвертого функциональных преобразователей, пятого умножителя, третьего задатчика постоянных сигналов, причем первый, второй, третий, четвертый и пятый входы блока определения геометрических размеров цели являются соответственно первыми входами третьего и четвертого, пятого и шестого запоминающих устройств, вторым входом первого элемента И, вторым входом счетчика, первым входом первого элемента И и входом первого элемента И-НЕ, выход первого элемента И-НЕ соединен со вторым входом первого сдвигового регистра и одновременно со вторыми входами четвертого и шестого запоминающих устройств, выход первого элемента И соединен со входом первого генератора импульсов и одновременно со вторыми входами третьего и пятого запоминающих устройств, выход первого генератора импульсов соединен с первым входом первого сдвигового регистра и одновременно с первым входом счетчика импульсов, n выходов первого сдвигового регистра соединены с n входами цифроаналогового преобразователя, выходы третьего, четвертого, пятого и шестого запоминающих устройств соединены соответственно с входами третьего и четвертого квадраторов первым и вторым входом четвертого вычитающего устройства, выходы третьего и четвертого запоминающих устройств соединены с первым и вторым входами пятого умножителя, выходы третьего и четвертого квадраторов соединены с первым и вторым входом третьего сумматора, выход которого соединен с первым входом второго вычитающего устройства, выход третьего вычитающего устройства соединен с входом третьего функционального преобразователя, выход которого соединен с третьим входом пятого умножителя, четвертый вход которого соединен с выходом третьего задатчика постоянных сигналов, а выход соединен со вторым входом второго вычитающего устройства, выход которого соединен с входом четвертого функционального преобразователя, выходы цифроаналогового преобразователя, счетчика и четвертого функционального преобразователя, являются соответственно первым, вторым и третьим выходом блока определения геометрических размеров цели.
18. Ракета по п.13, отличающаяся тем, что блок определения ракурса цели состоит из интегратора, шестого, седьмого и восьмого умножителей, первого и второго делителей, пятого, шестого, седьмого, восьмого, девятого и десятого функциональных преобразователей, пятого, шестого, седьмого, восьмого и девятого вычитающих устройств, второго, третьего, четвертого и пятого ключей, второго сдвигового регистра и второго генератора импульсов, причем первый, второй, третий и четвертый входы блока определения ракурса цели являются соответственно первыми входами второго и третьего, четвертого и пятого ключей, первым входом шестого вычитающего устройства и входом интегратора, выход которого соединен с первыми входами шестого умножителя и вторым входом шестого вычитающего устройства, выход которого соединен со вторым входом первого делителя, первый вход которого соединен с выходом шестого умножителя, второй вход которого соединен с выходом шестого функционального преобразователя, вход которого соединен с выходом седьмого вычитающего устройства, выход первого делителя соединен с входом пятого функционального преобразователя, выход которого соединен с первым входом пятого вычитающего устройства, второй вход которого соединен с выходом восьмого функционального преобразователя, выход которого также соединен со вторым входом седьмого вычитающего устройства, выход пятого вычитающего устройства соединен с входом седьмого функционального преобразователя, выходы второго, третьего, четвертого и пятого ключей соединены соответственно с первыми входами восьмого вычитающего устройства, седьмого и одновременно восьмого умножителей, первым и вторым входом девятого вычитающего устройства, с первым входом которого одновременно соединен первый вход седьмого вычитающего устройства, выход которого соединен с входом шестого функционального преобразователя, выход седьмого и восьмого умножителей соединены соответственно со вторыми входами восьмого вычитающего устройства и второго делителя, первый вход которого соединен с выходом восьмого вычитающего устройства, а выход с входом восьмого функционального преобразователя, выход девятого вычитающего устройства соединен с входами девятого и десятого функциональных преобразователей, выходы которых соединены соответственно со вторыми входами седьмого и восьмого умножителей, выход второго генератора импульсов соединен с входом второго сдвигового регистра, первый и второй выходы которого соединены соответственно со вторыми входами четвертого и второго, пятого и третьего ключей, выход седьмого функционального преобразователя является выходом блока определения ракурса цели.
19. Ракета по п.13, отличающаяся тем, что блок формирования команды на подрыв боевой части ракеты состоит из третьего, четвертого и пятого делителей, девятого умножителя, девятого вычитающего устройства, четвертого и пятого суммирующих устройств, четвертого и пятого сравнивающих устройств, второго и третьего элементов И-НЕ, второго и третьего элементов И, шестого, седьмого и восьмого ключей, четвертого задатчика постоянных сигналов причем первый, второй, третий, четвертый, пятый и шестой входы блока формирования команды на подрыв боевой части ракеты являются соответственно первыми и вторыми входами четвертого, третьего делителей, первым входом пятого делителя, входом пятого сравнивающего устройства, кроме того, второй вход третьего делителя соединен со вторым входом пятого делителя и со вторым входом четвертого сравнивающего устройства, выходы третьего, четвертого и пятого делителей соединены соответственно с первым, вторым входами девятого вычитающего устройства и первым входом девятого умножителя, выход которого соединен с третьим входом девятого вычитающего устройства, первый, второй, третий, четвертый, пятый выходы четвертого задатчика постоянных сигналов соединены соответственно с первыми входами пятого и четвертого сравнивающих устройств, вторыми входами шестого, седьмого и восьмого ключей, выходы четвертого и пятого сравнивающих устройств соединены соответственно с первыми входом второго элемента И и входом третьего элемента И-НЕ, первым входом шестого ключа и входом второго элемента И-НЕ, выход которого соединен со вторым входом второго элемента И и первым входом третьего элемента И, выходы которых соответственно соединены с первыми входами седьмого и восьмого ключей, выходы которых соединены соответственно со вторым входом четвертого суммирующего устройства и вторым входом пятого суммирующего устройства, первый вход которого соединен с выходом шестого ключа, а выход со вторым входом девятого умножителя, выход которого соединен с третьим входом девятого вычитающего устройства, выход которого соединен с первым входом четвертого суммирующего устройства, выход которого является выходом блока формирования команды на подрыв боевой части ракеты.
20. Ракета по п.13, отличающаяся тем, что блок управления полем поражения боевой части ракеты состоит из первого, второго, третьего и четвертого диодов, при этом первый и третий диоды соединены по схеме прямого включения, второй и третий диоды по схеме обратного включения, четвертого, пятого, шестого, седьмого, восьмого, девятого, десятого и одиннадцатого элементов И, четвертого, пятого, шестого и седьмого элементов И-НЕ, девятого, десятого, одиннадцатого, двенадцатого ключей, пятого задатчика сигналов, причем первый, второй и третий входы блока управления полем поражения боевой части ракеты соединены соответственно с третьим выходом вычислителя формирования команды на подрыв боевой части ракеты, вторым и третьими выходами усилителя мощности и привода антенны, а первый, второй, третий и четвертый выходы блока управления полем поражения боевой части ракеты соединены соответственно с первой, второй, третьей и четвертой точками инициирования многоточечной схемы инициирования боевой части ракеты, первый, второй, третий входы блока управления полем поражения боевой части ракеты являются соответственно третьими входами восьмого, девятого, десятого и одиннадцатого элементов И, входами первого и второго диодов, и входами третьего и четвертого диодов, выход первого диода соединен с первыми входами четвертого и пятого элементов И, выход второго диода соединен с первыми входами шестого и седьмого элементов И, выход третьего диода соединен со вторыми входами четвертого и седьмого элементов И, выход четвертого диода соединен со вторыми входами пятого и шестого элементов И, выход четвертого элемента И одновременно соединен с первым входом восьмого элемента И и через четвертый элемент И-НЕ со вторым входом десятого элемента И, выход пятого элемента И одновременно соединен с первым входом девятого элемента И, и через седьмой элемент И-НЕ со вторым входом одиннадцатого элемента И, выход шестого элемента И одновременно соединен с первым входом десятого элемента И и через пятый элемент И-НЕ со вторым входом восьмого элемента И, выход седьмого элемента И одновременно соединен с первым входом одиннадцатого элемента И и через шестой элемент И-НЕ со вторым входом девятого элемента И, выходы восьмого, девятого, десятого и одиннадцатого элементов И соединены соответственно первыми входами девятого, десятого, одиннадцатого и двенадцатого ключей, вторые входы которых соединены с выходом пятого задатчика сигналов, выходы девятого, десятого, одиннадцатого и двенадцатого ключей, являются соответственно первым, вторым, третьим и четвертым выходом блока управления полем поражения боевой части ракеты.
21. Ракета по п.13, отличающаяся тем, что устройство для подрыва боевой части ракеты состоит из основного заряда взрывчатого вещества (ВВ) цилиндрической формы, несущей оболочки, двух крышек и многоточечной системы инициирования, выполненной в виде четырех промежуточных детонаторов цилиндрической формы, помещенных в стаканы, вынесенных за пределы основного заряда ВВ и размещенных равномерно по окружности основного заряда, при этом стакан выполнен с кумулятивной выемкой с металлической облицовкой, а в крышке боевой части ракеты, со стороны промежуточных детонаторов, выполнены четыре отверстия для свободного прохождения кумулятивной струи.
РИСУНКИ
|
|