|
|
(21), (22) Заявка: 2006122158/11, 22.06.2006
(24) Дата начала отсчета срока действия патента:
22.06.2006
(43) Дата публикации заявки: 20.01.2008
(46) Опубликовано: 27.08.2008
(56) Список документов, цитированных в отчете о поиске:
RU 2138710 C1, 27.09.1999. RU 2091637 C1, 27.09.1997. SU 1796827 A1, 23.02.1993. JP 57116962 A, 21.07.1982.
Адрес для переписки:
125212, Москва, ул. Адмирала Макарова, 21, кв.14, Э.П. Скорнякову
|
(72) Автор(ы):
Гулиа Нурбей Владимирович (RU)
(73) Патентообладатель(и):
Гулиа Нурбей Владимирович (RU)
|
(54) БЕССТУПЕНЧАТАЯ ПЕРЕДАЧА
(57) Реферат:
Изобретение относится к машиностроению и может быть использовано, в частности, в трансмиссиях транспортных средств, в первую очередь автомобилей. Бесступенчатая передача содержит планетарный дисковый вариатор, поворотные рычаги (12) и механизм изменения передаточного отношения. Последний выполнен в виде механической передачи, которая кинематически связывает водило (10) планетарного дискового вариатора, концы (13) группы поворотных рычагов (12) с тормозными дисками (23) и тормозными элементами (21, 22), кинематически связанными друг с другом для попеременного торможения тормозами. Управление тормозами расположено на корпусе (4). Снижены энергозатраты на управление вариатором, упрощена силовая часть вариатора и повышены возможности бесступенчатой передачи для ее автоматизации. Бесступенчатая передача не содержит силовых зубчатых передач, даже в исполнении ее в качестве коробки передач автомобиля. 8 з.п. ф-лы, 12 ил.
Изобретение относится к машиностроению и может быть использовано, в частности, в трансмиссиях транспортных средств, в первую очередь автомобилей.
Известны планетарные дисковые фрикционные вариаторы, содержащие внешние и внутренние фрикционные диски, водило с сателлитами, входной и выходной валы и механизм для изменения передаточного отношения, выполненный в виде шарикового нажимного устройства. Подобные вариаторы выпускаются, в частности, Германской фирмой «Ленце», и они широко распространены в мире (см., например, Гулиа Н.В. и др. «Детали машин» (учебник), М.: Academia, 2004, С, 93, рис.5.10.). Недостатком этой конструкции, не позволяющей использовать ее в трансмиссиях автомобилей, является крайне медленное, длящееся минутами изменение передаточного отношения, выполняемое путем «выдавливания» сателлитов внешними центральными фрикционными дисками, сдавливаемыми шариковыми нажимными устройствами. Кроме того, эти нажимные устройства вызывают пережим дисков, снижающий кпд устройства.
Известны также бесступенчатые передачи с вариаторами фрикционного типа, позволяющие автоматическое изменение передаточного отношения и применяемые для автомобильных трансмиссий. Одна из них включает планетарный вариатор с быстроходными и тихоходными валами, кинематически связанными соответственно с одним из центральных колес и водилом, регуляторное звено, включающее профилированные поверхности и взаимодействующие с ними толкатели, поворотные рычаги, кинематически связанные с регуляторным звеном и водилом вариатора, несущие на осях промежуточные диски, радиальное перемещение которых меняет передаточное отношение вариатора (см. патент РФ №2091637, F16Н 15/50, 1997, автор Н.В.Гулиа). Данное устройство принято за аналог.
Устройству-аналогу присущ недостаток, заключающийся в том, что толкатели подгружены к профильным поверхностям центробежными силами, вызванными неуравновешенностью поворотного рычага относительно его оси вращения. Такое выполнение вызывает весьма неудобные условия нагружения регуляторного звена, что влечет за собой неточность и ненадежность регулирования. Ведь частота вращения водила с поворотными рычагами меняется почти в 10 раз, а центробежные силы – еще на порядок, что очень неудобно, неточно и ненадежно.
Описанный недостаток устранен в техническом решении – прототипе (патент РФ №2138710, 6 F16Н 15/50, 1999 г., автор Н.В.Гулиа) за счет того, что регуляторное звено выполнено со статическими элементами нагружения поворотных рычагов (например, пружинами, гидро- или пневмоцилиндрами и т.д.), подгружающими их в сторону поворота, соответствующего уменьшению передаточного отношения от быстроходного вала к тихоходному, причем толкатели и профильные поверхности могут быть расположены как на поворотных рычагах, так и на элементе, связанном с тихоходным валом. Отмеченные профильные поверхности выполнены по спиралям, направление которых обеспечивает при опережении водилом тихоходного вала угловое перемещение поворотных рычагов в сторону, соответствующую увеличению передаточного отношения вариатора; причем профильные поверхности могут быть выполнены переменными (неплоскими) в осевом направлении с возможностью их осевого перемещения относительно толкателей; при этом центр масс поворотных рычагов может находиться как на оси их поворота (рычаги уравновешены), так и быть смещенными в ту сторону, движение которой от центра на периферию вызывает уменьшение передаточного отношения вариатора; при необходимости регуляторное звено может быть зафиксировано при сохранении постоянным передаточного отношения вариатора.
Упомянутый быстроходный, как и тихоходный вал, может быть как и ведущим, так и ведомым.
К недостаткам устройства-прототипа можно отнести автоматичность изменения передаточного отношения вариатора в зависимости от крутящего момента на выходном валу, что не всегда требуется, особенно при автоматизации вариатора по многим входным параметрам, а также сложность силовой части вариатора.
Задача изобретения состоит в разработке такой бесступенчатой передачи, в которой устраняется автоматичность изменения передаточного отношения в зависимости от крутящего момента на выходном валу, а также упрощается конструкция силовой части вариатора.
Указанная задача решается тем, что предложена бесступенчатая передача, включающая планетарный дисковый вариатор в корпусе с быстроходным входным и тихоходным выходным валами, внешние и внутренние фрикционные диски, поворотные рычаги, закрепленные на водиле двумя группами по обе стороны от установленных на осях фрикционных дисков – сателлитов, на одних концах которых установлены на осях с возможностью вращения сателлиты, а вторые концы поворотных рычагов, расположенные с одной из сторон по отношению к сателлитам, связаны с механизмом изменения передаточного отношения вариатора, в которой, согласно изобретению, механизм изменения передаточного отношения вариатора выполнен в виде механической передачи, кинематически связывающей водило, концы, по крайней мере, одной группы поворотных рычагов с двумя тормозными дисками, с которыми взаимодействует тормоз, расположенный на корпусе. При наличии между корпусом и тормозными дисками промежуточного звена, например эпицикла, на последнем в прорезях располагается промежуточный тормозной элемент, передающий осевой ход тормоза на корпусе через эпицикл на тормозные диски внутри эпицикла. Привод тормоза осуществляется любым из известных способов – соленоидами, воздушными камерами, пневмо- и гидроцилиндрами, или вручную. При остановленных тормозных дисках вращение водила через зубчато-червячные редукторы и винтовые передачи от червячных колес на гайки, связанные с концами поворотных рычагов, преобразуется в перемещение концов поворотных рычагов, изменяющих передаточное отношение вариатора путем радиального перемещения сателлитов. Упомянутый механизм, называемый далее механизмом изменения передаточного отношения вариатора, может быть выполнен в виде любой механической передачи, эквивалентной вышеупомянутой по связи тормозных дисков с концами поворотных рычагов. Реверсирование вариатора осуществляется соединением с корпусом либо эпицикла (ход вперед), либо водила (ход назад), осуществляемым тормозом, связанным с корпусом, а вращающееся звено – эпицикл или водило, соединяется с выходным валом вариатора.
Технический результат изобретения состоит в устранении автоматичности зависимости передаточного отношения вариатора от крутящего момента на выходном валу и в упрощении силовой части вариатора. Первая часть технического результата достигается тем, что передаточное отношение не образуется само за счет взаимодействия статических элементов нагружения и профильных поверхностей, связанных с выходным валом, как в прототипе, что не всегда требуется, а устанавливается принудительно или автоматическим устройством с сервоприводом. Например, при движении автомобиля по шоссе на экономическом режиме адаптивность или автоматичность вариатора будет стремиться повысить передаточное отношение вариатора для достижения максимальной мощности и скорости. Однако этого не требуется, и водитель должен принудительно регулировать передаточное отношение для достижения требуемой скорости движения. Регулировать скорость изменением подачи топлива – неэкономично, и если имеется вариатор в трансмиссии, то это регулирование скорости выполняется именно упомянутым выше способом. Водитель тормозит соответствующие тормозные диски, что вызывает перемещение концов поворотных рычагов, а следовательно, и изменение передаточного отношения вариатора. Эту функцию может выполнять и автоматическое устройство (например, система “cruise control” – “круиз контроль”), поддерживающая заданную скорость движения и широко применяемая в автомобилях.
Кроме того, упрощается силовая часть вариатора, так как устраняются сложные профильные поверхности и неподвижные статические элементы нагружения, перевод усилия, от которых на вращающиеся вместе с водилом концы поворотных рычагов, представляет существенную проблему и вызывает высокое силовое погружение конструкции. Функции этой силовой части выполняются в предложенном техническом решении механизмом изменения передаточного отношения вариатора.
Сущность изобретения поясняется чертежами.
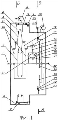
На фиг.1 схематически представлен продольный разрез наиболее простого варианта выполнения устройства.
На фиг.2 изображен схематически поперечный разрез по А-А фиг.1.
На фиг.3 и 4 изображен вид по Б фиг.1, схематически отображающий два рабочих положения тормоза по отношению к эпициклу.
На фиг.5, 6 и 7 схематически изображены три рабочих положения тормоза механизма изменения передаточного отношения вариатора.
На фиг.8 схематически представлен продольный разрез устройства, имеющего реверс выходного вала.
На фиг.9 схематически изображен поперечный разрез по А-А фиг.8.
На фиг.10, 11 и 12 схематически изображены три рабочих положения тормоза по отношению к эпициклу и водилу.
Бесступенчатая передача по первому варианту выполнения (фиг.1) содержит входной (быстроходный) вал 1, соединенный с центральными внутренними фрикционными дисками 2, внешние фрикционные диски 3, закрепленные на эпицикле 5 планетарной передачи, свободно вращающемся в корпусе 4 на подшипниках с возможностью торможения его тормозом 6. Тормоз 6 выполнен (фиг.3 и 4), например, в виде диска, посаженного внешними косыми шлицами или штырями 7 в корпусе 4, в наклонных прорезях 8 с возможностью возвратного движения в них в двух направлениях с помощью сервопривода, например пневмоцилиндра 9. При движении в правую сторону (фиг.4) диск тормоза 6 прижимается к эпициклу 5. Количество прорезей 8 и штырей 7 – не менее двух на окружности корпуса 4. Фрикционные диски-сателлиты 11 закреплены с возможностью их вращения на поворотных рычагах 12, в свою очередь, зафиксированных с возможностью поворота на водиле 10, которое является выходным звеном вариатора. Сателлитов 11, как и связанных с ними пар поворотных рычагов 12, может быть несколько равномерно расположенных по окружности корпуса 4. Сателлиты 11 контактируют с дисками 2 и 3, прижимаемыми к ним осевой упругостью самих дисков или связанных с ними пружин. На концах 13 группы поворотных рычагов 12, расположенных, по крайней мере, с одной стороны водила 10 (в данном случае с правой), закреплены с возможностью поворота гайки 14, связанные кинематически с винтами 15, соединенными с червячными колесами 16, червяки 17 которых несут на себе шестерни 18. Эти шестерни входят в зацепление одновременно с двумя зубчатыми колесами, одним (19) – с внутренним зацеплением и другим (20) – с внешним зацеплением. Колеса 19 и 20 содержат на периферии тормозные элементы 21 и 22, например дисковые или конусные (на фиг.1 изображены дисковые тормозные элементы). С ними взаимодействуют тормозные диски 23, посаженные в наклонные прорези 24 в корпусе 4, аналогично тормозу 6, с помощью наклонных шлицев или штырей 25 и передвигаемые сервоприводом, например соленоидами 26, так же аналогично тормозному диску 6 (см. фиг.5, 6 и 7). При движении влево диск 23 прижимается к тормозному элементу 21 и тормозит колесо 19 (фиг.6), при движении вправо тормозятся элемент 22 и колесо 20 (фиг.7). Положения диска 23 в прорези 24 под действием соленоидов 26 показано на фиг.6 (тормозится элемент 21), на фиг.5 (нейтраль, элементы 21 и 22 свободно вращаются) и фиг.7 (заторможен элемент 22).
По описанному выше варианту выполнения устройство работает следующим образом.
При выполнении устройства по первому варианту (фиг.1) направление движения только одно – вперед. Для троганья с места диском тормоза 6 тормозят и останавливают эпицикл 5 (см. фиг.4), и через систему фрикционных дисков 2-3-11 происходит передача вращения водилу 10, а следовательно, выходному валу 32. При необходимости изменения передаточного отношения вариатора диском 23 тормозится тормозной элемент 21 или 22, шестерни 18, центры которых вращаются вместе с водилом 10, с помощью гаек 14 и винтов 15 начинают обкатываться вокруг колеса 19 с внутренним зацеплением или 20 – с внешним зацеплением соответственно. Вращающиеся от шестерен 18 червяки 17 приводят во вращение червячные колеса 16, а те, в свою очередь, винты 15, которые перемещают вдоль своих осей гайки 14, поворачивающие поворотные рычаги 12, смещающие сателлиты 11 в радиальном направлении, например приближая их к центру или отдаляя от него, что изменяет передаточное отношение вариатора. Такое положение сателлитов 11, поворотных рычагов 12 и гаек 14 показано на фиг.2 штриховой линией. Для сохранения и фиксации передаточного отношения вариатора диск 23 устанавливается в нейтральное положение (фиг.5), и тормозные элементы 21 и 22 вращаются свободно, не изменяя положения гаек 14 на винтах 15.
Изображенный на фиг.8 и 9 вариант выполнения передачи отличается от описанного выше тем, что часть эпицикла 5 расположена между корпусом 4 и тормозными элементами 21 и 22.
При наличии эпицикла 5 между корпусом 4 и тормозными элементами 21 и 22 (см. фиг.8) в эпицикле 5 выполняются прорези 27, в которые входят тормозные секторы 28 (см. фиг.8 и 9). Секторы 28 связаны с диском 29, выполненным с кольцевой прорезью 30 на периферии, и в эту прорезь входит диск 23, совершающий под действием сервопривода осевые перемещения и передвигающий в осевом направлении влево и вправо тормозные секторы 28, тормозящие при этом соответственно тормозные элементы 21 и 22. Диск 29 посажен на цилиндрическую поверхность эпицикла 5 в зоне прорезей 27 с возможностью осевого перемещения влево и вправо, центруясь на упомянутой цилиндрической поверхности и вращаясь вместе с эпициклом. Заметим, что эпицикл 5 на рабочем ходе вариатора неподвижен – заторможен тормозом 6. Блок червячных и зубчатых механизмов 31 имеет возможность свободного поворота вокруг продольной оси вариатора в соответствии с положением, задаваемым позицией гаек 14 при принудительном повороте поворотных рычагов 12.
При этом концы торцевой части эпицикла 5, обращенной к выходному валу 32, снабжены сцепной муфтой 33, а водило 10 не имеет непосредственной связи с выходным валом 32 и снабжено сцепной муфтой 34. Выходной вал 32 снабжен промежуточным звеном 35, на котором закреплена сцепная двусторонняя муфта 36, размещенная между муфтами 33 и 34. На корпусе 4 со стороны выходного вала 32 установлена подвижно вилка 37, которая одним концом 38 взаимодействует с промежуточным звеном 35, осуществляя сцепление муфты 36 либо с муфтой 33, закрепленной на концах торцевой поверхности эпицикла 5 (при ходе транспортного средства назад), либо с муфтой 34, соединенной с водилом 10 (при ходе транспортного средства вперед), либо устанавливая муфту 36 в промежуточное положение между муфтами 33 и 34 (нейтральное положение, изображенное на фиг.5). Промежуточное звено 35 телескопически (например, с помощью шлицев) связано с выходным валом 32.
Особенностью работы второго варианта выполнения передачи (фиг.5, фиг.6) в сравнении с первым вариантом выполнения является то, что для начала движения транспортного средства при вращении вала 1 выбирается направление движения, например, вперед. При этом муфта 36 с помощью вилки 37 перемещается в сторону муфты 34, закрепленной на водиле 10, и обеспечивается связь водила 10 с выходным валом 32. Эпицикл 5 свободно вращается, опираясь, например, на подшипники, установленные между ним и корпусом 4 за счет фрикционной передачи вращения дисками 2,3 и 11. Тормозом 6 осуществляют торможение эпицикла 5 (см. фиг.12), и крутящий момент с вала 1 через фрикционные диски 2, 3 и 11 передается водилу 10, а от него к выходному валу 32.
При этом регулирование передаточного отношения между входным валом 1 и выходным валом 22 осуществляется аналогично тому, как это делается при работе первого варианта выполнения передачи.
Для осуществления заднего хода в нейтральном положении тормоза 6 (см. фиг.10) муфта 36 с помощью вилки 37 сцепляется с муфтой 33, связанной с эпициклом 5. Диском тормоза 6 тормозят водило 10 движением тормоза 6 влево (см. фиг.11). При этом эпицикл 5 вращается в направлении, противоположном валу 1, и передает это вращение выходному валу 32.
Регулирование передаточного отношения на заднем ходу производится так же, как и на переднем.
Отметим, что вариатор и механизм изменения его передаточного отношения работают в условиях смазки, предпочтительно особым высокотяговым вариаторным маслом типа «Сантотрак-50» фирмы Финдетт (США) или отечественным маслом ВТМ.
Формула изобретения
1. Бесступенчатая передача, включающая планетарный дисковый вариатор в корпусе с быстроходным входным и тихоходным выходным валами, внешние и внутренние фрикционные диски, поворотные рычаги, закрепленные на водиле двумя группами по обе стороны от установленных на осях сателлитов, на одних концах которых зафиксированы на осях с возможностью вращения фрикционные диски-сателлиты, а вторые концы поворотных рычагов, расположенные с одной из сторон по отношению к сателлитам, связаны с механизмом изменения передаточного отношения вариатора, отличающаяся тем, что механизм изменения передаточного отношения вариатора выполнен в виде механической передачи, кинематически связывающей водило, вторые концы, по крайней мере, одной группы поворотных рычагов, и тормозные диски, элементы, кинематически связанные друг с другом с возможностью их периодического попеременного торможения тормозами, управление которыми расположено на неподвижном корпусе.
2. Бесступенчатая передача по п.1, отличающаяся тем, что водило выполнено с возможностью остановки при освобожденном от соединения с корпусом эпицикле.
3. Бесступенчатая передача по п.1, отличающаяся тем, что эпицикл и водило выполнены с возможностью соединения с выходным валом вариатора.
4. Бесступенчатая передача по п.1, отличающаяся тем, что в качестве сервопривода тормозов использованы соленоиды.
5. Бесступенчатая передача по п.1, отличающаяся тем, что в качестве привода тормозов использованы гидравлические или пневматические цилиндры.
6. Бесступенчатая передача по пп.2 и 3, отличающаяся тем, что управление торможением тормозных элементов производится автоматически с помощью сервоустройств, срабатывающих от сигналов автоматической системы управления.
7. Бесступенчатая передача по п.1, отличающаяся тем, что при наличии промежуточного эпицикла между корпусом и тормозными элементами, тормоза выполнены с возможностью передачи перемещения тормозного диска через прорези в эпицикле.
8. Бесступенчатая передача по п.1, отличающаяся тем, что реверс передачи осуществляется соединением эпицикла с выходным валом и торможением водила.
9. Бесступенчатая передача по п.7, отличающаяся тем, что регулирование передаточного отношения вариатора при движении задним ходом осуществляется при неподвижном водиле и вращающихся поочередно тормозных элементах, соединенных прорезями с вращающимся эпициклом.
РИСУНКИ
PC4A – Регистрация договора об уступке патента СССР или патента Российской Федерации на изобретение
Прежний патентообладатель:
Гулиа Нурбей Владимирович
(73) Патентообладатель:
Закрытое акционерное общество “Комбарко”
Договор № РД0045762 зарегистрирован 20.01.2009
Извещение опубликовано: 27.02.2009 БИ: 06/2009
MM4A – Досрочное прекращение действия патента СССР или патента Российской Федерации на изобретение из-за неуплаты в установленный срок пошлины за поддержание патента в силе
Дата прекращения действия патента: 23.06.2009
Извещение опубликовано: 27.04.2010 БИ: 12/2010
NF4A – Восстановление действия патента СССР или патента Российской Федерации на изобретение
Дата, с которой действие патента восстановлено: 10.05.2010
Извещение опубликовано: 10.05.2010 БИ: 13/2010
|
|