|
|
(21), (22) Заявка: 2006145148/06, 18.12.2006
(24) Дата начала отсчета срока действия патента:
18.12.2006
(46) Опубликовано: 27.08.2008
(56) Список документов, цитированных в отчете о поиске:
RU 3008 U1, 16.10.1996. RU 2416 U1, 16.07.1996. RU 2172857 C1, 27.08.2001. RU 2172419 C1, 20.08.2001. GB 2228977 A, 12.09.1990. EP 0306064 A2, 08.03.1989.
Адрес для переписки:
450000, Республика Башкортостан, г.Уфа, ул. К. Маркса, 12, УГАТУ, ОИС, В.П. Ефремовой
|
(72) Автор(ы):
Петунин Валерий Иванович (RU), Шендеров Алексей Викторович (RU)
(73) Патентообладатель(и):
Государственное образовательное учреждение высшего профессионального образования Уфимский государственный авиационный технический университет (RU)
|
(54) СИСТЕМА АВТОМАТИЧЕСКОГО РЕГУЛИРОВАНИЯ ГАЗОТУРБИННОГО ДВИГАТЕЛЯ
(57) Реферат:
Использование: изобретение относится к области систем автоматического регулирования газотурбинных двигателей, режим работы которых задается регулированием одного из n параметров. Технический результат: повышение устойчивости CAP, за счет отключения вышедшего из строя канала регулирования, и переход на управление с помощью устойчивого канала ограничения. Сущность изобретения: система дополнительно содержит последовательно соединенные устройство определения возникновения колебаний (состоящее из последовательно соединенных амплитудного детектора и релейного элемента), элемент логического умножения, первое дифференцирующее звено, запоминающее устройство, второе дифференцирующее звено и сумматор, причем вход устройства определения возникновения колебаний подключен к выходу первого элемента сравнения, второй вход сумматора подключен к выходу селектора минимума, а выход сумматора подключен к входу исполнительного устройства, первый вход третьего элемента сравнения подключен к выходу регулятора температуры газа, а выход третьего элемента сравнения соединен со вторым входом запоминающего устройства, второй вход элемента логического умножения подключен к выходу устройства определения зоны совместной работы, а выход элемента логического умножения также соединен с управляющим входом переключателя, причем первый вход переключателя подключен к выходу регулятора частоты вращения ротора, а второй вход переключателя подключен к задатчику сигнала, выход переключателя соединен с первым входом селектора минимума, а также со вторым входом третьего элемента сравнения. 2 ил.
Изобретение относится к области систем автоматического регулирования (CAP) газотурбинного двигателя (ГТД).
Известны CAP ГТД, предназначенные для автоматического регулирования нескольких параметров ГТД с воздействием на расход топлива, выбранные за аналоги, содержащие канал регулирования частоты вращения ротора, который состоит из задатчика частоты вращения ротора, первого элемента сравнения и регулятора частоты вращения ротора, канал ограничения температуры газа, который состоит из задатчика температуры газа, второго элемента сравнения и регулятора температуры газа, селектор минимума, исполнительный механизм, газотурбинный двигатель, измерители параметров частоты вращения ротора и температуры газов [Интегральные системы автоматического управления силовыми установками самолетов. / Под ред А.А.Шевякова. – М.: Машиностроение, 1983. – 283 с., рис.3.26; Свидетельство №2416 на полезную модель: МПК 6 F02C 9/28. Опубл. 16.07.96].
Наличие селектора в системе автоматического регулирования позволяет исключить зону совместной работы каналов и обеспечивает воздействие на регулирующий фактор только одного регулятора, но не обеспечивает устойчивость системы при выходе из строя одного из каналов.
Наиболее близким техническим решением, выбранным за прототип, является CAP ГТД, содержащая первый канал управления, который состоит из первого задатчика, последовательно соединенных первого элемента сравнения и первого регулятора параметра, второй канал управления, который состоит из последовательно соединенных второго задатчика, второго элемента сравнения и второго регулятора параметра, выход каждого регулятора параметра подключен к соответствующему входу селектора, при этом выход селектора подключен к исполнительному механизму, выход которого соединен с двигателем, а двигатель соединен с первым и вторым измерителем регулируемых величин, при этом выход каждого измерителя регулируемой величины подключен к вторым входам первого и второго элемента сравнения соответствующего канала регулирования, устройства определения зоны совместной работы регуляторов, причем первый его вход подключен к выходу первого регулятора параметра, а второй вход – к выходу второго регулятора параметра [Свидетельство №3008 на полезную модель: МПК 6 F02C 9/28. Опубл. 16.10.96].
Как известно, наличие селектора минимума в системе автоматического регулирования позволяет исключить зону совместной работы каналов и обеспечивает воздействие на регулирующий фактор только одного регулятора. Это можно пояснить выражением, описывающим работу селектора минимума, которое относительно разности входных сигналов =U1-U2 имеет вид:

Следовательно, селектор минимума включает в себя нелинейность типа «модуль».
Если канал регулирования выходит из строя и в нем появляются неустойчивые, расходящиеся по амплитуде колебания, то с помощью канала ограничения колебания ограничиваются и на выходе селектора образуются устойчивые колебания. В этом случае возникает режим непрерывных переключений каналов. Условия возникновения таких колебаний определяются путем исследования поведения координаты в нелинейной системе с помощью метода гармонической линеаризации. Изменение знака означает переключение селектируемых каналов. Устойчивые периодические колебания по говорят о наличии колебаний в CAP с селектором минимума. Стремление в бесконечность связано с неустойчивостью исходной CAP.
Оценивая условия существования колебаний координаты 
Поэтому недостатком прототипа является невозможность обеспечения устойчивости всей системы при выходе из строя одного из каналов.
Задачей, на решение которой направлено заявляемое изобретение, является повышение устойчивости CAP за счет отключения вышедшего из строя канала регулирования и переход на управление с помощью устойчивого канала ограничения.
Поставленная задача достигается тем, что в систему автоматического регулирования газотурбинного двигателя, содержащую канал регулирования, который состоит из последовательно соединенных задатчика частоты вращения, первого элемента сравнения и регулятора частоты вращения ротора, канал ограничения, который состоит из последовательно соединенных задатчика температуры газа, второго элемента сравнения и регулятора температуры газа, выход регулятора температуры газа подключен ко второму входу селектора минимума, последовательно соединенные исполнительное устройство и газотурбинный двигатель, первый выход газотурбинного двигателя соединен с измерителем частоты вращения ротора, а второй выход соединен с измерителем температуры газа, при этом выход измерителя частоты вращения ротора соединен со вторым входом первого элемента сравнения, а выход измерителя температуры газа соединен со вторым входом второго элемента сравнения, первый вход устройства определения зоны совместно работы подключен к выходу регулятора частоты вращения ротора, а второй вход подключен к выходу регулятора температуры газа, в отличие от прототипа дополнительно введены устройство определения возникновения колебаний, элемент логического умножения, первое дифференцирующее звено, запоминающее устройство, второе дифференцирующее звено, сумматор, третий элемент сравнения, переключатель, задатчик сигнала, последовательно соединенные устройство определения возникновения колебаний, состоящее из последовательно соединенных амплитудного детектора и релейного элемента, элемент логического умножения, первое дифференцирующее звено, запоминающее устройство, второе дифференцирующее звено и сумматор, причем вход устройства определения возникновения колебаний подключен к выходу первого элемента сравнения, второй вход сумматора подключен к выходу селектора минимума, а выход сумматора подключен к входу исполнительного устройства, первый вход третьего элемента сравнения подключен к выходу регулятора температуры газа, а выход третьего элемента сравнения соединен со вторым входом запоминающего устройства, второй вход элемента логического умножения подключен к выходу устройства определения зоны совместной работы, а выход элемента логического умножения также соединен с управляющим входом переключателя, причем первый вход переключателя подключен к выходу регулятора частоты вращения ротора, а второй вход переключателя подключен к задатчику сигнала, выход переключателя соединен с первым входом селектора минимума, а также со вторым входом третьего элемента сравнения.
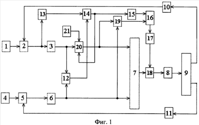
Сущность системы поясняется чертежами. На фигуре 1 изображена структурная схема CAP ГТД, на фигуре 2 изображены результаты моделирования переходных процессов, причем на фигуре 2:
график 1 – сигнал с измерителя частоты вращения ротора в канале регулирования;
график 2 – сигнал с измерителя температуры газа в канале ограничения;
график 3 – сигнал с элемента логического умножения;
отказ канала регулирования частоты вращения ротора происходит на установившемся режиме работы и при t=5с.
Система автоматического регулирования газотурбинного двигателя содержит канал регулирования, который состоит из последовательно соединенных задатчика частоты вращения 1, первого элемента сравнения 2 и регулятора частоты вращения ротора 3, канал ограничения, который состоит из последовательно соединенных задатчика температуры газа 4, второго элемента сравнения 5 и регулятора температуры газа 6, выход регулятора температуры газа 6 подключен ко второму входу селектора минимума 7, последовательно соединенные исполнительное устройство 8 и газотурбинный двигатель 9, первый выход газотурбинного двигателя 9 соединен с измерителем частоты вращения ротора 10, а второй выход соединен с измерителем температуры газа 11, при этом выход измерителя частоты вращения ротора 10 соединен со вторым входом первого элемента сравнения 2, а выход измерителя температуры газа 11 соединен со вторым входом второго элемента сравнения 5, первый вход устройства определения зоны совместной работы 12 подключен к выходу регулятора частоты вращения ротора 3, а второй вход подключен к выходу регулятора температуры газа 6, дополнительно содержит устройство определения возникновения колебаний 13, элемент логического умножения 14, первое дифференцирующее звено 15, запоминающее устройство 16, второе дифференцирующее звено 17, сумматор 18, третий элемент сравнения 19, переключатель 20, задатчик сигнала 21, последовательно соединенные устройство определения возникновения колебаний 13, состоящее из последовательно соединенных амплитудного детектора и релейного элемента (не показаны), элемент логического умножения 14, первое дифференцирующее звено 15, запоминающее устройство 16, второе дифференцирующее звено 17 и сумматор 18, причем вход устройства определения возникновения колебаний 13 подключен к выходу первого элемента сравнения 2, второй вход сумматора 18 подключен к выходу селектора минимума 7, а выход сумматора 18 подключен к входу исполнительного устройства 8, первый вход третьего элемента сравнения 19 подключен к выходу регулятора температуры газа 6, а выход третьего элемента сравнения 19 соединен со вторым входом запоминающего устройства 16, второй вход элемента логического умножения 14 подключен к выходу устройства определения зоны совместной работы 12, а выход элемента логического умножения 14 также соединен с управляющим входом переключателя 20, причем первый вход переключателя 20 подключен к выходу регулятора частоты вращения ротора 3, а второй вход переключателя 20 подключен к задатчику сигнала 21, выход переключателя 20 соединен с первым входом селектора минимума 7, а также со вторым входом третьего элемента сравнения 19.
CAP ГТД работает следующим образом. Сигналы от задатчика частоты вращения ротора ГТД 1 – у10 и задатчика температуры газа 4 – у20 сравниваются с реальными значениями частоты вращения ротора у1 и температуры газа у2, измеренными с помощью датчика частоты вращения ротора 10 и безынерционного датчика температуры газа 11. Сигнал рассогласования частоты вращения ротора 1, полученный на выходе элемента сравнения 2, и сигнал рассогласования температуры газа 2, полученный на выходе элемента сравнения 5, преобразуются регулятором частоты вращения ротора 3 и регулятором температуры газа 6 в U1 и U2 соответственно, которые поступают на входы селектора минимума 7. На выходе селектора минимума формируется сигнал U в соответствии с формулой (2).

где

Логические сигналы с устройства определения возникновения колебаний 13 и с устройства определения зоны совместной работы 12 поступают на элемент логического умножения 14. При условии, что оба логических сигнала равны 1, на выходе элемента логического умножения 14 появляется логический сигнал – L=1.
Логический сигнал L с элемента логического умножения 14 управляет переключателем 20. В случае если L – логическая единица, переключатель размыкает основной контур канала регулирования частоты вращения ротора и подает на первый вход селектора минимума сигнал с задатчика сигнала 21, значение которого заведомо больше значения сигнала на втором входе селектора минимума в канале ограничения температуры газа ГТД. Это приводит к отключению канала регулирования частоты вращения ротора селектором минимума. Во время переключения селектора минимума с неустойчивого канала регулирования на устойчивый канал ограничения происходит импульсное возмущение и заброс по температуре, что плохо влияет на работу ГТД. Для устранения заброса по температуре вводится компенсация импульсного возмущения. В момент переключения каналов сигнал с элемента логического умножения 14 поступает на дифференциатор 15, который формирует импульс. По полученному импульсу в запоминающее устройство 16 записывается разность сигналов на входе селектора минимума 6, полученная на выходе элемента сравнения 19. Таким образом, запоминающее устройство 16 формирует ступенчатый сигнал с амплитудой, равной разности сигналов на входе селектора минимума. Для выделения амплитуды импульсного возмущения необходимо дифференцирующее звено 17, передаточная функция которого:

Сигнал с дифференцирующего звена 17 – UK поступает в основной контур на вход сумматора 18, компенсируя тем самым импульсное возмущение в момент переключения селектора минимума. Результирующий сигнал с сумматора 18 воздействует на исполнительное устройство 8, которое управляет расходом топлива GT газотурбинного двигателя 9. В этом случае работа устойчивого канала ограничения температуры обеспечивает устойчивую работу системы регулирования при неустойчивом канале регулирования частоты вращения.
Благодаря включенному в CAP контуру коррекции компенсируется импульсное возмущение для устранения заброса по температуре в момент переключения селектора минимума с неустойчивого канала регулирования на устойчивый канал ограничения.
Итак, заявляемое изобретение позволяет обеспечить отключение вышедшего из строя канала регулирования и переход на управление с помощью устойчивого канала ограничения, обеспечивая устойчивость всей системы в целом.
Формула изобретения
Система автоматического регулирования газотурбинного двигателя, содержащая канал регулирования, который состоит из последовательно соединенных задатчика частоты вращения, первого элемента сравнения и регулятора частоты вращения ротора, канал ограничения, который состоит из последовательно соединенных задатчика температуры газа, второго элемента сравнения и регулятора температуры газа, выход которого подключен ко второму входу селектора минимума, последовательно соединенные исполнительное устройство и газотурбинный двигатель, первый выход газотурбинного двигателя соединен с измерителем частоты вращения ротора, а второй выход соединен с измерителем температуры газа, при этом выход измерителя частоты вращения ротора соединен со вторым входом первого элемента сравнения, а выход измерителя температуры газа соединен со вторым входом второго элемента сравнения, первый вход устройства определения зоны совместной работы подключен к выходу регулятора частоты вращения ротора, а второй вход подключен к выходу регулятора температуры газа, отличающаяся тем, что дополнительно содержит устройство определения возникновения колебаний, элемент логического умножения, первое дифференцирующее звено, запоминающее устройство, второе дифференцирующее звено, сумматор, третий элемент сравнения, переключатель, задатчик сигнала, последовательно соединенные устройство определения возникновения колебаний, состоящее из последовательно соединенных амплитудного детектора и релейного элемента, элемент логического умножения, первое дифференцирующее звено, запоминающее устройство, второе дифференцирующее звено и сумматор, причем вход устройства определения возникновения колебаний подключен к выходу первого элемента сравнения, второй вход сумматора подключен к выходу селектора минимума, а выход сумматора подключен к входу исполнительного устройства, первый вход третьего элемента сравнения подключен к выходу регулятора температуры газа, а выход третьего элемента сравнения соединен со вторым входом запоминающего устройства, второй вход элемента логического умножения подключен к выходу устройства определения зоны совместной работы, а выход элемента логического умножения также соединен с управляющим входом переключателя, причем первый вход переключателя подключен к выходу регулятора частоты вращения ротора, а второй вход переключателя подключен к задатчику сигнала, выход переключателя соединен с первым входом селектора минимума, а также со вторым входом третьего элемента сравнения.
РИСУНКИ
MM4A – Досрочное прекращение действия патента СССР или патента Российской Федерации на изобретение из-за неуплаты в установленный срок пошлины за поддержание патента в силе
Дата прекращения действия патента: 19.12.2008
Извещение опубликовано: 20.09.2010 БИ: 26/2010
|
|