|
(21), (22) Заявка: 2006116234/15, 11.05.2006
(24) Дата начала отсчета срока действия патента:
11.05.2006
(43) Дата публикации заявки: 10.12.2007
(46) Опубликовано: 27.08.2008
(56) Список документов, цитированных в отчете о поиске:
RU 2087423 C1, 20.08.1997. RU 2047569 C1, 10.11.1995. SU 789435 A1, 23.12.1980. RU 94022195 A1, 27.04.1996. US 5385653 A, 31.01.1995.
Адрес для переписки:
302023, г.Орел, пер. Силикатный, 2, ЗАО “Экология”
|
(72) Автор(ы):
Мельников Геннадий Максимович (RU), Парахин Юрий Алексеевич (RU), Майоров Сергей Александрович (RU), Седов Юрий Андреевич (RU)
(73) Патентообладатель(и):
ЗАО “Экология” (RU)
|
(54) СПОСОБ ОЧИСТКИ ХОЗЯЙСТВЕННО-БЫТОВЫХ И ПРОМФЕКАЛЬНЫХ СТОЧНЫХ ВОД
(57) Реферат:
Изобретение относится к области экологии и может использоваться для очистки водных стоков от неорганических и органических включений и микрофлоры. Способ очистки хозяйственно-бытовых и промфекальных сточных вод включает усреднение потока, механическую очистку, электрокоагуляцию, фильтрацию. Перед электрокоагуляцией усредненный поток насыщают кислородом воздуха до значений 12-14 мг/л, обрабатывают реагентным коагулянтом и флокулянтом, а после электрокоагуляции осветляют и фильтруют через инертные, сорбционные и хемосорбционные материалы в указанной последовательности. Технический эффект – удешевление очистки сточных вод и снижение уровня загрязнений в водных стоках до норм сброса вод в открытые водоемы рыбохозяйственной зоны. 1 ил.
Изобретение относится к области экологии и может быть использовано для очистки водных стоков от взвешенных частиц, микрофлоры, органических и неорганических включений, а также очистки стоков животноводческих комплексов, мясо-, птице-, рыбоперерабатывающих производств и хозяйственно-бытовых сточных вод.
Известны способы очистки фекально-бытовых, хозяйственно-бытовых и других загрязненных сточных вод и стоков микробиологическими, реагентными, физико-химическими, электрохимическими и комбинированными методами.
Микробиологические методы наиболее экологичны, не громоздки в аппаратном оформлении и не обеспечивают полной очистки стоков по тяжелым металлам, сульфатам, хлоридам, нитратам, фосфатам и другим анионам кислот. Сорбционная емкость активного ила по основной группе тяжелых металлов не превышает 80%, а по отдельным металлам – 60%. От 20% до 40% высокотоксичных металлов в виде солей неизбежно поступают в водоностные горизонты и затем в организм человека.
Реагентные, физико-химические, электрохимические методы хорошо уничтожают микрофлору, снижают концентрацию солей тяжелых металлов, но не снижают солевой нагрузки по щелочным и щелочно-земельным металлам в стоках, сбрасываемых в природные водоемы.
Известен способ очистки хозяйственно-бытовых и промфекальных стоков, в котором стоки подвергаются электрокоагуляции в электролизере с растворимыми алюминиевыми электродами и электроокислению на том же электролизере и флотации (см. патент РФ N 2047569, кл. С02F 1/467, 1995 г.).
Недостатком известного способа является то, что он не снижает солевой нагрузки по щелочным, щелочно-земельным металлам и аммонийным солям.
Наиболее близким по техническому решению является способ очистки стоков электрокоагуляцией, напорной флотацией, электрофлотацией, фильтрацией через активированный уголь, возвращением части потока (5-10%), насыщенного воздухом, на напорный флотатор и электрокоагулятор, а пеношламов – в усреднитель стоков (см. патент РФ N 2087423, кл. C02F 1/463, 1997 г.).
Недостаток этого способа состоит в том, что он включает в себя избыточные технологические операции: возврат части потока на электрокоагуляцию и флотацию, а пеношламы – в усреднитель потока, а также избыточные технологические узлы, в частности электрофлотатор и напорный флотатор, а также применение для окончательной доочистки активированного угля, известного узким спектром сорбции, преимущественно органических соединений.
Указанные недостатки не обеспечивают требуемой степени очистки водных потоков от солей щелочных и щелочно-земельных металлов и минимизации энергетических затрат.
Целью данного изобретения является разработка способа, обеспечивающего высокую степень очистки сточных вод при снижении капитальных и эксплуатационных затрат.
Поставленная цель достигается тем, что в способе очистки хозяйственно-бытовых и промфекальных сточных вод, включающем усреднение потока, механическую очистку, электрокоагуляцию, фильтрацию, согласно изобретению перед электрокоагуляцией усредненный поток насыщают кислородом воздуха до значения 12-14 мг/л, обрабатывают реагентным коагулянтом и флокулянтом, а после электрокоагуляции осветляют и фильтруют через инертные, сорбционные и хемосорбционные материалы в указанной последовательности.
Использование заявляемого способа позволяет достичь следующего технического результата.
Подача воздуха (дисперсия) на днище секции устройства не допускает застаивания и загнивания сточной воды, снижает показатель БПК в десятки раз.
Обеспечение оптимального уровня газонасыщения потока кислорода воздуха в пределах 12-14 мг/л повышает эффективность и степень очистки стоков воды, а также способствует интенсивному перемешиванию коагулянта ОХА с водой и ускорению процесса.
Насыщение водного потока кислородом воздуха усиливает деструктирующую способность электрокоагулятора, так как к электрохимическому окислительно-восстановительному процессу электролиза подключается активированная форма кислорода – «возбужденный» кислород (O2 *), который редуцируется из молекулярного кислорода (O2 0) в электрическом поле межэлектродного пространства электролизера.
Повышенная концентрация активных форм кислорода в межэлектродном пространстве не только повышает скорость деструкции органических загрязнителей, но и скорость окисления ионов железа (II) в ионы железа (III) – коагулянта, что ускоряет и процесс коагуляции.
Насыщение водного потока кислородом воздуха позволяет отказаться в заявляемом способе от напорного флотатора и электрофлотатора.
Заявляемый способ очистки хозяйственно-бытовых и промфекальных сточных вод, включающий усреднение потока, механическую очистку, электрокоагуляцию, фильтрацию, отличается от известного, принятого за прототип, тем, что перед электрокоагуляцией усредненный поток насыщают кислородом воздуха до значений 12-14 мг/л, обрабатывают реагентным коагулянтом и флокулянтом, а после электрокоагуляции осветляют и фильтруют через инертные, сорбционные и хемосорбционные материалы в указанной последовательности.
Сопоставимый анализ заявленного решения с известными позволяет сделать вывод о том, что предложенное техническое решение удовлетворяет критерию изобретения «новизна».
Из патентной и научно-технической литературы не известен способ, в котором перед электрокоагуляцией усредненный поток насыщают кислород воздуха до значений 12-14 мг/л, обрабатывают реагентным коагулянтом и флокулянтом, а после электрокоагуляции осветляют и фильтруют через инертные, сорбционные и хемосорбционные материалы в указанной последовательности, позволяющей достичь описанный выше эффект.
Таким образом, предложенное решение удовлетворяет критерию изобретения «изобретательский уровень».
Заявляемое техническое решение может быть использовано в области экологии для очистки сточных вод. Оно применимо в технологии химических производств, машиностроении, в гальванических производствах. Оно позволяет повысить степень очистки сточных вод с понижением капитальных и эксплуатационных затрат. Таким образом предложенное техническое решение удовлетворяет критерию изобретения «промышленная применимость».
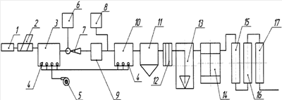
Способ осуществляется с помощью устройства, схематически показанного на чертеже.
Устройство содержит подводящий коллектор (не показан), приемный резервуар 1, механизированную решетку 2 с прозором между собирающими пластинами шириной 3 мм, усреднительный (буферный) резервуар 3, расположенную по днищу секции систему перфорированных труб 4, компрессор или воздуходувку 5, мерник 6 для раствора коагулянта, эжектор 7, мерник 8 для подачи флокулянта, камеру хлопьеобразования 9, камеру хлопьеобразования 10, отстойник 11, электрокоагулятор 12, осветлитель 13, блок-фильтр грубой и тонкой очистки 14, фильтр с угольной загрузкой 15, хемосорбционные, ионообменные фильтры катионовый 16 и анионитовый 17.
Способ осуществляется следующим образом.
Загрязненные сточные воды с рН 8-9 подают по подводящему коллектору в приемный резервуар 1, где происходит отделение крупных взвешенных частиц и песка.
Далее водный поток с плавающими примесями подают через механизированную решетку 2 с прозорами между собирающими пластинами шириной 3 мм в усреднительный (буферный) резервуар 3 с целью выравнивания подачи сточной воды на систему очистки.
В усреднительный резервуар 3 подают воздух от компрессора или воздуходувки 5, который распределяется по днищу секции по системе перфорированных труб 4. Подачу воздуха (диспергацию) в секции усреднительного резервуара 3 производят с целью недопущения застаивания и загнивания сточной воды.
Сточную воду откачивают насосом из усреднительного резервуара 3 и подают в эжектор 7 и далее в камеру хлопьеобразования 9, а через эжектор 7 из мерника 6 туда же подают раствор коагулянта марки ОХА (оксихлорид алюминия). Гидрохлорид алюминия гидролизуется в воде до гидроксида алюминия, хлопья которого собирают на свою поверхность мелкодисперсные взвеси, жиры, масла, спавы и коллоидные частицы.
Основное назначение эжектора 7 – поддерживание уровня газонасыщения потока кислорода воздуха в пределах 12-14 мг/л, а также интенсивное перемешивание коагулянта ОХА с водой.
Непосредственно перед камерой хлопьеобразования 10 в трубу производят дозированную подачу водного раствора флокулянта марки «Праестол» из мерника 8. Флокулянт в камере хлопьеобразования 10 укрупняет скоагулированные частицы до требуемой гидравлической крупности. Удаляют скоагулированные примеси (до 95% всех взвешенных частиц) методом осаждения в отстойнике 11. Принцип действия первичного отстойника основан на удалении взвешенных частиц путем сбора осадка из отстойной части аппарата, а также скребковым механизмом, которым оборудованы первичные отстойники.
Из отстойника 11 водный поток, насыщенный кислородом воздуха, направляют в электрокоагулятор 12 для очистки его от тяжелых металлов, органических соединений и микрофлоры.
Электрокоагулятор 12 представляет собой электролизер с растворимыми железными электродами.
В случае, если рН сточной воды ниже 8, то для повышения эффективности очистки воду подщелачивают до значения рН 8-9 (в среднем 8,5). Для подщелачивания используют 3-5% раствор щелочи (NaOH).
После обработки воды в электрокоагуляторе 12 пульпу со взвешенными хлопьевидными частицами продуктов коагуляции направляют в осветлитель непрерывного действия 13 и далее в блок-фильтр грубой и тонкой очистки 14.
В осветлителе 13 продукты коагуляции удаляют через контактную среду в виде слоя взвешенного осадка.
Блок 14 представляет собой компактную установку пакетного типа с набором инертных и сорбционных фильтрующих материалов, где очищаемый водный поток последовательно направляют через два пеностирольных фильтра с плавающей загрузкой, один из которых работает по прямоточной, а другой – по противоточной схеме фильтрации. Далее воду направляют на сорбционный фильтр из керамзита или цеолита, фильтр из нетканого материала и фильтр 15 с угольной загрузкой.
Загрузку угольного фильтра 15 выбирают из расчета полного удаления (сорбирования) органических соединений, специфических для данного вида стоков. Рекомендуется технологией использование в фильтрах сорбционно-активных углеродных волокнистых материалов типа УВИС.
Окончательную доочистку водного потока до норм сброса воды в открытые водоемы рыбохозяйственной зоны производят на хемосорбционных, ионообменных (катионитовых и анионитовых) фильтрах 16 и 17, позволяющих удалить из воды избыточную солевую нагрузку по щелочным, щелочно-земельным металлам и солям аммония.
Степень очистки водных стоков от взвесей, микрофлоры, органических и неорганических загрязнений 99,9%. Производительность рабочей установки 5-50 м3/час.
Предложенный способ очистки хозяйственно-бытовых и промфекальных сточных вод позволяет снизить уровень загрязнений водных стоков до норм сброса в открытые водоемы рыбохозяйственного назначения.
Формула изобретения
Способ очистки хозяйственно-бытовых и промфекальных сточных вод, включающий усреднение потока, механическую очистку, электрокоагуляцию, фильтрацию, отличающийся тем, что перед электрокоагуляцией усредненный поток насыщают кислородом воздуха до значений 12-14 мг/л, обрабатывают реагентным коагулянтом и флокулянтом, а после электрокоагуляции осветляют и фильтруют через инертные, сорбционные и хемосорбционные материалы в указанной последовательности.
РИСУНКИ
|