|
|
(21), (22) Заявка: 2006143911/11, 11.12.2006
(24) Дата начала отсчета срока действия патента:
11.12.2006
(46) Опубликовано: 27.08.2008
(56) Список документов, цитированных в отчете о поиске:
RU 2216457 С2, 20.11.2003. SU 1303455 А1, 15.04.1987. US 6157148 А, 05.12.2000. FR 2630274 А1, 20.10.1989.
Адрес для переписки:
190031, Санкт-Петербург, Московский пр., 9, ПГУПС, патентный отдел
|
(72) Автор(ы):
Мазнев Александр Сергеевич (RU), Евстафьев Андрей Михайлович (RU)
(73) Патентообладатель(и):
Государственное образовательное учреждение высшего профессионального образования “Петербургский государственный университет путей сообщения” (RU)
|
(54) МНОГОДВИГАТЕЛЬНЫЙ ЭЛЕКТРОПРИВОД
(57) Реферат:
Изобретение относится к области железнодорожного транспорта и может быть применено на транспортных средствах с тяговыми двигателями постоянного тока. Изобретение относится к области железнодорожного транспорта и может быть применено на транспортных средствах с тяговыми двигателями постоянного тока. Многодвигательный электропривод содержит два тяговых электродвигателя постоянного тока. Пуск и торможение тяговых электродвигателей осуществляется с помощью первого и второго биполярных транзисторов с изолированными затворами. Для накопления энергии при торможении многодвигательный электропривод содержит понижающий преобразователь, выполненный на биполярном транзисторе с изолированным затвором, диоде, дросселе, и конденсаторный накопитель. В режиме пуска конденсаторный накопитель через повышающий преобразователь, выполненный на биполярном транзисторе с изолированным затвором, дросселе и диоде, отдает энергию тяговым двигателям. Таким образом, многодвигательный электропривод обеспечивает возможность рекуперативного торможения с наилучшим использованием энергетических возможностей конденсаторного накопителя. Технический результат заключается в повышении экономичности и надежности многодвигательного электропривода. 1 ил.
Изобретение относится к области железнодорожного транспорта и может быть применено на транспортных средствах с тяговыми двигателями постоянного тока.
Известен многодвигательный электропривод, который содержит источник питания, четыре тяговых двигателя постоянного тока, три тиристора, конденсаторные накопители энергии, зарядное устройство (RU №2238858, B60L 15/08, 2004).
Недостатки многодвигательного электропривода: неполное использование энергии конденсаторных накопителей и необходимость в дополнительном зарядном устройстве, большое количество контакторов для многоступенчатого пуска от конденсаторных накопителей, ухудшают массогабаритные показатели и снижают надежность многодвигательного электропривода.
Известен многодвигательный электропривод, который содержит источник питания, индуктивно-емкостной фильтр, четыре тяговых двигателя постоянного тока, четыре тиристорных регулятора, десять тиристоров, восемь диодов, шесть контакторов, два накопителя энергии, два дросселя (RU №2216457, B60L 7/08, 2003 – прототип).
Недостаток многодвигательного электропривода: повышенный расход электроэнергии, так как конденсаторные накопители заряжаются при пуске, требуется большое количество контакторов для многоступенчатого заряда конденсаторных накопителей, что снижает надежность многодвигательного электропривода.
Задача изобретения – повысить экономичность и надежность многодвигательного электропривода и улучшить его массогабаритные показатели.
Технический результат достигается тем, что в многодвигательный электропривод, содержащий источник питания, последовательно .
соединенные первый контактор, якорные обмотки первого и второго тяговых двигателей постоянного тока, к общему выводу первого контактора и якорной обмотки первого тягового двигателя постоянного тока через второй контактор подключен катод первого диода, последовательно соединенные обмотки возбуждения первого и второго тяговых двигателей постоянного тока, последовательно соединенные дроссель и анод второго диода, последовательно соединенные третий контактор и анод третьего диода, катод которого соединен с общим выводом четвертого и пятого контакторов, резистор, конденсаторный накопитель, четвертый диод, шестой контактор, землю, дополнительно введены седьмой, восьмой, девятый контакторы, два биполярных транзистора с изолированными затворами, свободный вывод первого контактора соединен с источником питания, анод первого диода и свободные выводы якорной обмотки второго тягового двигателя постоянного тока и пятого контактора объединены и через резистор соединены с анодом третьего диода, к свободному выводу третьего контактора подключен общий вывод анода четвертого диода, эммитера первого биполярного транзистора с изолированным затвором, шестого контактора и минусовой вывод конденсаторного накопителя, плюсовой вывод которого соединен со свободным выводом дросселя, к катоду первого диода подключен общий вывод катода второго диода и коллектора второго биполярного транзистора с изолированным затвором, его эммитер соединен с коллектором первого биполярного транзистора с изолированным затвором, анодом второго и катодом четвертого диодов, свободный вывод четвертого контактора соединен с свободным выводом обмотки возбуждения первого тягового двигателя постоянного тока и первым выводом седьмого контактора, свободный вывод обмотки возбуждения второго тягового двигателя постоянного тока через восьмой контактор соединен с землей, общий вывод четвертого и пятого контакторов через девятый контактор соединен с общим выводом обмотки возбуждения второго тягового двигателя постоянного тока и восьмого контактора, свободный вывод шестого и второй вывод седьмого контакторов объединены и подключены к земле.
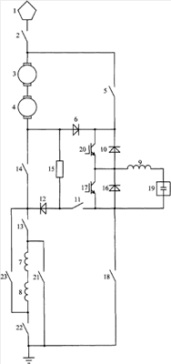
На чертеже изображена принципиальная электрическая схема предлагаемого устройства.
В соответствии с чертежом многодвигательный электропривод, содержащий источник питания 1, последовательно соединенные первый контактор 2, якорные обмотки первого 3 и второго 4 тяговых двигателей постоянного тока, к общему выводу первого контактора 2 и якорной обмотки 3 первого тягового двигателя постоянного тока через второй контактор 5 подключен катод первого диода 6, последовательно соединенные обмотки возбуждения первого 7 и второго 8 тяговых двигателей постоянного тока, последовательно соединенные дроссель 9 и анод второго диода 10, последовательно соединенные третий контактор 11 и анод третьего диода 12, катод которого соединен с общим выводом четвертого 13 и пятого 14 контакторов, свободный вывод первого контактора 2 соединен с источником питания 1, анод первого диода 6 и свободные выводы якорной обмотки 4 второго тягового двигателя постоянного тока и пятого контактора 14 объединены и через резистор 15 соединены с анодом третьего диода 12, к свободному выводу третьего контактора 11 подключен общий вывод анода четвертого диода 16, эммитера первого биполярного транзистора с изолированным затвором 17, шестого контактора 18 и минусовой вывод конденсаторного накопителя 19 (например, конденсатор большой емкости – ионистор), плюсовой вывод которого соединен со свободным выводом дросселя 9, к катоду первого диода 6 подключен общий вывод катода второго диода 10 и коллектора второго биполярного транзистора с изолированным затвором 20, его эммитер соединен с коллектором первого биполярного транзистора с изолированным затвором 17, анодом второго 10 и катодом четвертого 16 диодов, свободный вывод четвертого контактора 13 соединен с свободным выводом обмотки возбуждения 7 первого тягового двигателя постоянного тока и первым выводом седьмого контактора 21, свободный вывод обмотки возбуждения 8 второго тягового двигателя постоянного тока через восьмой контактор 22 соединен с землей, общий вывод четвертого 13 и пятого 14 контакторов через девятый контактор 23 соединен с общим выводом обмотки возбуждения 8 второго тягового двигателя постоянного тока и восьмого контактора 22, свободный вывод шестого 18 и второй вывод седьмого 21 контакторов объединены и подключены к земле.
Многодвигательный электропривод работает следующим образом. В режиме пуска ток от источника питания 1 протекает по цепи: включенный контактор 2, якорные обмотки 3, 4 тяговых двигателей постоянного тока, резистор 15, диод 12, включенные контакторы реверсора 13, 22, обмотки возбуждения 7, 8 тяговых двигателей постоянного тока, земля. Приложенное к тяговым двигателям постоянного тока напряжение регулируется импульсами управления, приложенными к затворам первого 17 и второго 20 биполярных транзисторов с изолированными затворами, включенных параллельно резистору 15 через диод 6 и контактор 11. Напряжение на двигателях:

где Uип – напряжение источника питания;
Iпуск – заданный пусковой ток;
– коэффициент заполнения управляющих импульсов, приложенных к затворам первого 17 и второго 20 биполярных транзисторов с изолированными затворами;
R – сопротивление резистора 15.
При скважности управляющих импульсов =1 эквивалентное сопротивление резистора 15 становится равным нулю и выводится из схемы пуска замыканием контактора 14.
При электрическом торможении включатся контакторы 5, 11 и 18, а контактор 2 отключается. Контакторы реверсора 13, 22 выключаются, а 21, 23 включаются, изменяя направление тока в обмотках возбуждения 7, 8 тяговых двигателей постоянного тока. Ток якорных обмоток 3, 4 протекает по цепи: якорная обмотка 3, контактор 5, второй биполярный транзистор с изолированным затвором 20, дроссель 9, конденсаторный накопитель 19, контактор 18, контактор 21, обмотки возбуждения 7, 8 тяговых двигателей, контакторы 23, 14, якорная обмотка 4. Диод 6 закрыт, так как к нему приложено обратное напряжение. Биполярный транзистор с изолированным затвором 20, диод 16, дроссель 9 и конденсаторный накопитель 19 образуют понижающий преобразователь. Ток заряда конденсатора (ток торможения) регулируют скважностью импульсов на затворе второго биполярного транзистора с изолированным затвором 20. При последующем пуске используется энергия конденсаторного накопителя 19, для этого собирается электрическая цепь: конденсаторный накопитель 19, повышающий преобразователь на первом биполярном транзисторе с изолированным затвором 17, дросселе 9 и диоде 10, контактор 5, якорные обмотки 3, 4 тяговых двигателей постоянного тока, контактор 14, включенные контакторы 13, 22 реверсора, контактор 18. Контактор 2 выключен, диод 6 заперт обратным напряжением. Необходимое напряжение по мере разгона электропривода и разряда накопителя энергии регулируется скважностью импульсов управления на затворе первого биполярного транзистора с изолированным затвором 17. Когда энергии конденсаторного накопителя 19 становится не достаточно для дальнейшего увеличения скорости электропривода, контакторы 5 и 14 размыкаются, а контакторы 2 и 11 замыкаются и схема переходит в режим реостатного пуска.
Предлагаемое схемное решение реализует поставленную задачу – повысить экономичность и надежность многодвигательного электропривода и улучшить его массогабаритные показатели за счет более полного использования емкости конденсаторного накопителя и уменьшения количества силовых ключевых элементов, выполняющих функции пусковых и зарядно-разрядных регуляторов токов.
Формула изобретения
Многодвигательный электропривод, содержащий источник питания, последовательно соединенные первый контактор, якорные обмотки первого и второго тяговых двигателей постоянного тока, к общему выводу первого контактора и якорной обмотки первого тягового двигателя постоянного тока через второй контактор подключен катод первого диода, последовательно соединенные обмотки возбуждения первого и второго тяговых двигателей постоянного тока, последовательно соединенные дроссель и анод второго диода, последовательно соединенные третий контактор и анод третьего диода, катод которого соединен с общим выводом четвертого и пятого контакторов, резистор, конденсаторный накопитель, четвертый диод, шестой контактор, землю, отличающийся тем, что в него дополнительно введены седьмой, восьмой, девятый контакторы, два биполярных транзистора с изолированными затворами, свободный вывод первого контактора соединен с источником питания, анод первого диода и свободные выводы якорной обмотки второго тягового двигателя постоянного тока и пятого контактора объединены и через резистор соединены с анодом третьего диода, к свободному выводу третьего контактора подключен общий вывод анода четвертого диода, эммитера первого биполярного транзистора с изолированным затвором, шестого контактора и минусовой вывод конденсаторного накопителя, плюсовой вывод которого соединен со свободным выводом дросселя, к катоду первого диода подключен общий вывод катода второго диода и коллектора второго биполярного транзистора с изолированным затвором, его эммитер соединен с коллектором первого биполярного транзистора с изолированным затвором, анодом второго и катодом четвертого диодов, свободный вывод четвертого контактора соединен с свободным выводом обмотки возбуждения первого тягового двигателя постоянного тока и первым выводом седьмого контактора, свободный вывод обмотки возбуждения второго тягового двигателя постоянного тока через восьмой контактор соединен с землей, общий вывод четвертого и пятого контакторов через девятый контактор соединен с общим выводом обмотки возбуждения второго тягового двигателя постоянного тока и восьмого контактора, свободный вывод шестого и второй вывод седьмого контакторов объединены и подключены к земле.
РИСУНКИ
|
|