|
|
(21), (22) Заявка: 2006134450/14, 29.09.2006
(24) Дата начала отсчета срока действия патента:
29.09.2006
(43) Дата публикации заявки: 10.04.2008
(46) Опубликовано: 27.08.2008
(56) Список документов, цитированных в отчете о поиске:
RU 2233620 С1, 10.08.2004. RU 2175523 С1, 10.11.2001. RU 2194445 С2, 04.12.2002. US 5485847 А, 23.01.1996. СТЕРЛИН Ю.Г. Специфические проблемы разработки пульсовых оксиметров. Медицинская техника, 1993, № 6, с.26-30.
Адрес для переписки:
107258, Москва, ул. 1-я Бухвостова, 12/11, ООО “МЕДПЛАНТ”, Г.Г. Мамджяну
|
(72) Автор(ы):
Мамджян Гарегин Григорьевич (RU), Смелов Владимир Сергеевич (RU), Сакс Евгений Карлович (RU)
(73) Патентообладатель(и):
ООО “МЕДПЛАНТ” (RU), Мамджян Гарегин Григорьевич (RU)
|
(54) ПУЛЬСОВОЙ ОКСИМЕТР
(57) Реферат:
Изобретение относится к медицинской технике и предназначено для неинвазивного измерения насыщения артериальной крови кислородом в режиме непрерывного мониторинга. Пульсовой оксиметр содержит источник излучения в красном диапазоне излучения, генератор импульсов засветки красного светодиода, источник излучения в инфракрасном диапазоне излучения, генератор импульсов засветки инфракрасного светодиода, фотоприемник, преобразователь ток-напряжение, устройство выборки и хранения, первый сумматор, первый усилитель напряжения, второй сумматор, первый фильтр низких частот, первый фильтр высоких частот, второй фильтр низких частот, второй фильтр высоких частот, первый и второй коммутаторы, второй усилитель напряжения, третий фильтр низкой частоты и третий фильтр высокой частоты, четвертый фильтр низкой частоты и четвертый фильтр высокой частоты, блок управления, блок индикации, автономный источник питания и определитель наличия датчика. Разработанный пульсовой оксиметр отличается повышенной точностью измерения коэффициента сатурации, даже при низком наполнении пульса и значительных двигательных помехах. Это позволяет повысить надежность и достоверность получаемых диагностических и прогностических показателей и тем самым повысить безопасность пациента при использовании данного оксиметра в отделениях анестезиологии, реанимации, интенсивной терапии и других медицинских учреждениях. 1 з.п. ф-лы, 6 ил.
Изобретение относится к медицинской технике и предназначено для неинвазивного измерения насыщения артериальной крови кислородом в режиме непрерывного мониторинга.
Безопасность пациента – основная проблема в анестезиологии, интенсивной терапии, реанимации, хирургии, педиатрии и других областях медицины. Одним из главных диагностических и прогностических факторов обеспечения безопасности пациента является непрерывное наблюдение (мониторинг) за таким параметром сердечной деятельности, как степень насыщения циркулирующей крови кислородом, которая характеризуется коэффициентом сатурации. Определение коэффициента сатурации осуществляют методом спектрометрии тканей пальца или мочки уха, для чего используют пульсовые оксиметры.
Известны различные схемотехнические реализации пульсовых оксиметров (см., например, МПК А61В 5/145, патенты РФ №№2175523, 2194445, 2221485). При различии конечной схемотехнической реализации, всем приведенным пульсовым оксиметрам характерен такой общий существенный недостаток как пониженная точность измерения коэффициента сатурации. Невысокая точность измерения обусловлена изменением параметров, входящих в пульсовой оксиметр элементов и блоков, а также отклонением от номинальных значений длин волн источников излучения в красном и инфракрасном диапазонах излучения.
Известен пульсовой оксиметр, описанный в патенте РФ №2259161 (А61В 5/145, заявлен 26.12.2003 г.), содержащий блок красного излучателя, блок инфракрасного излучателя, формирователь импульсов, блок фотоприемника, первый и второй синхронные детекторы, входы которых соединены с выходом блока фотоприемника. Управляющий вход первого синхронного детектора соединен с входом блока красного излучателя и первым выходом формирователя импульсов, второй выход которого соединен с входом блока инфракрасного излучателя и управляющим входом второго синхронного детектора.
Оксиметр содержит блок вычисления и индикации, а формирователь импульсов выполнен с возможностью циклического последовательного формирования трех импульсов на соответствующих выходах. В устройство введены первый и второй вычитатели и третий синхронный детектор, вход которого соединен с выходом блока фотоприемника, управляющий вход соединен с третьим выходом формирователя импульсов, а выход соединен с соответствующими входами вычитателей, другие входы которых соединены с выходами соответствующих синхронных детекторов, а выходы соединены с соответствующими входами блока вычисления и индикации.
Достоинством пульсового оксиметра, описанного в патенте РФ №2259161, является возможность определенной компенсации помеховой составляющей внешней световой засветки, что положительно сказывается на точности измерений. Вместе с тем, существенным недостатком данного пульсового оксиметра является в целом невысокая точность определения коэффициента сатурации, поскольку фоновая засветка не убирается полностью, а только частично. Нет компенсации фоновых электрических помех.
Известен также пульсовой оксиметр, описанный в патенте РФ №2233620 (А61В 5/145, заявлен 23.06.2003 г.), наиболее близкий по технической сущности и выбранный в качестве прототипа патентуемого изобретения.
Пульсовой оксиметр по патенту РФ №2233620 содержит источник излучения в красном диапазоне излучения, подключенный к первому источнику тока, источник излучения в инфракрасном диапазоне излучения, подключенный к второму источнику тока, фотоприемник, подключенный к преобразователю ток-напряжение, преобразователь напряжения с логарифмической характеристикой преобразования, последовательно соединенные первый синхронный детектор, первый вход которого подключен к выходу преобразователя напряжения с логарифмической характеристикой преобразования, первый фильтр верхних частот и первый усилитель напряжения переменного тока, последовательно соединенные второй синхронный детектор, первый вход которого подключен к выходу преобразователя напряжения с логарифмической характеристикой преобразования, второй фильтр верхних частот и второй усилитель напряжения переменного тока, формирователь сигналов управления, а также блок вычисления и индикатор. Выход преобразователя ток-напряжение подключен к первому входу преобразователя напряжения с логарифмической характеристикой преобразования. Выходы первого и второго усилителей напряжения переменного тока подключены соответственно к первому и второму входам блока вычисления, выход которого подключен к индикатору, а второй выход формирователя сигналов управления соединен с управляющим входом первого источника тока и управляющим входом первого синхронного детектора. Третий выход формирователя сигналов управления соединен с управляющим входом второго источника тока и управляющим входом второго синхронного детектора. Пульсовой оксиметр содержит устройство выборки и хранения и фильтр нижних частот. Выход преобразователя ток-напряжение соединен с входом устройства выборки и хранения. Первый выход формирователя сигналов управления соединен с управляющим входом устройства выборки и хранения, выход которого соединен с входом фильтра нижних частот, выход которого соединен с вторым входом преобразователя напряжения с логарифмической характеристикой преобразования.
Схемотехническим достоинством пульсового оксиметра, выбранного в качестве прототипа, является учет влияния внешнего освещения, а также использование логарифмической характеристики преобразования амплитуды переменных составляющих сигналов, что позволяет в определенной степени повысить точность измерения коэффициента сатурации.
Как показывает анализ, существенным недостатком прототипа является все же невысокая конечная точность определения коэффициента сатурации, поскольку:
– фоновая засветка компенсируется частично, а не полностью;
– устройство не обеспечивает учет толщины пальца пациента и его проницаемости (загрязнения);
– нет схемотехнической компенсации фоновых электрических помех, в частности дрейфа нуля операционных усилителей, а также подавления шумов и помех, находящихся вне зоны рабочего диапзона.
Настоящее изобретение решает задачу повышения точности измерения коэффициента сатурации за счет:
– устранения влияния на конечный результат измерений фоновой засветки, фоновых электрических помех;
– учета при измерениях толщины и проницаемости пальца пациента;
– подавления шумов и помех, находящихся вне зоны рабочего диапазона (от 0,5 Гц до 4 Гц).
Решение поставленной задачи достигается следующим образом.
Пульсовой оксиметр, содержащий аналогично устройству по патенту РФ №2233620 источник излучения в красном диапазоне излучения, подключенный к генератору импульсов засветки источника излучения в красном диапазоне, источник излучения в инфракрасном диапазоне излучения, подключенный к генератору импульсов засветки источника излучения в инфракрасном диапазоне, фотоприемник, подключенный к преобразователю ток-напряжение, выход которого подключен к четвертому входу устройства выборки и хранения, первый и второй усилители напряжения, первый и второй фильтры низких частот, первый и второй фильтры высоких частот, блок управления, первый и второй выход которого подключены соответственно к входу генератора импульсов засветки источника излучения в красном диапазоне и к входу генератора импульсов засветки источника излучения в инфракрасном диапазоне излучения, третий выход блока управления подключен к первому входу устройства выборки и хранения, а также блок индикации, согласно настоящему изобретению в него введены первый и второй сумматоры, первый вход первого сумматора соединен с выходом устройства хранения и выборки, второй вход – с пятым выходом блока управления, а выход – с входом первого усилителя напряжения. Первый вход второго сумматора соединен с выходом первого усилителя напряжения, а второй, третий и четвертый вход соответственно – с третьим, четвертым и пятым выходами блока управления. Первый выход второго сумматора подключен к входу первого фильтра низких частот, выход которого подключен к входу первого фильтра высоких частот и первому входу блока управления. Второй выход второго сумматора подключен к входу второго фильтра низких частот, выход которого подключен к входу второго фильтра высоких частот и второму входу блока управления.
В пульсовой оксиметр введены первый и второй коммутаторы. Первый, второй, третий и четвертый входы первого коммутатора подключены соответственно к выходу первого фильтра высоких частот, выходу второго фильтра высоких частот, четвертому и третьему выходу блока управления. Выход первого коммутатора соединен с входом второго усилителя напряжения, первый, второй и третий входы второго коммутатора подключены соответственно к выходу второго усилителя напряжения, четвертому и третьему выходу блока управления.
На первом выходе второго коммутатора установлены последовательно соединенные третий фильтр низкой частоты и третий фильтр высокой частоты, выход которого подключен к четвертому входу блока управления, а на втором выходе второго коммутатора – последовательно соединенные четвертый фильтр низкой частоты и четвертый фильтр высокой частоты, выход которого подключен к третьему входу блока управления. Четвертый и пятый выходы блока управления подключены соответственно к второму и третьему входам устройства выборки и хранения, а многоразрядный и трехразрядный выход – к многоразрядному и трехразрядному входу блока индикации. Первый, второй и третий выходы автономного блока питания подключены к блокам устройства и обеспечивают его работу соответственно номиналам напряжений +6v, -6v и +5v.
Изложенная сущность изобретения свидетельствует, что в основе патентуемой схемотехнической реализации пульсового оксиметра лежит ряд новых оригинальных технических решений, которые приводят к следующему техническому результату.
Определяющим достижением и техническим достоинством разработанного пульсового оксиметра является его повышенная точность измерения коэффициента сатурации, даже при низком наполнении пульса и значительных двигательных помехах. Это позволяет повысить надежность и достоверность получаемых диагностических и прогностических показателей и тем самым повысить безопасность пациента при использовании патентуемого оксиметра в отделениях анестезиологии, реанимации, интенсивной терапии и других медицинских учреждениях.
Повышенная точность определения коэффициента сатурации обусловлена тем, что в патентуемом пульсовом оксиметре фоновая засветка «убрана» полностью, а не частично, как имеет место в прототипе. При этом полностью устранена зависимость измерений коэффициента сатурации от толщины пальца пациента и его проницаемости (различные загрязнения) за счет определения сигналов постоянных и переменных составляющих красного и инфракрасного каналов и деления их друг на друга по формуле
S=S(R), здесь R=(Uar/Ucr)·(Uair/Ucir), в то время как в прототипе эта зависимость только уменьшается с помощью логарифмической характеристики преобразования амплитуды переменных составляющих сигналов.
Кроме того, в прототипе переменные составляющие красного и инфракрасного каналов усиливаются на разных усилителях. Это увеличивает ошибку определения сатурации, так как нет операционных усилителей с одинаковыми характеристиками. В патентуемом схемотехническом решении оба сигнала усиливаются одним и тем же операционным усилителем, что также обуславливает повышение точности определения коэффициента сатурации.
Сущность изобретения поясняется описанием примера конкретной реализации пульсового оксиметра и чертежами:
фиг.1 – блок-схема патентуемого пульсового оксиметра;
фиг.2 – пример реализации блока управления 22;
фиг.3 – пример реализации блока индикации 23;
фиг.4 – пример реализации автономного блока питания 24;
фиг.5 – кривая вычисления сатурации;
фиг.6 – укрупненная блок-схема алгоритма работы.
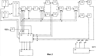
Пульсовой оксиметр содержит (фиг.1) источник излучения 1 в красном диапазоне излучения, подключенный к генератору 2 импульсов засветки красного светодиода, источник излучения 3 в инфракрасном диапазоне излучения, подключенный к генератору 4 импульсов засветки инфракрасного светодиода, фотоприемник 5, подключенный к преобразователю ток-напряжение 6, первый выход которого подключен к четвертому входу устройства выборки и хранения 7, а второй выход – к пятому входу блока управления 22.
Первый, второй и третий входы устройства выборки и хранения 7 подключены соответственно к третьему, четвертому и пятому выходам блока управления 22. Первый и второй выходы блока управления 22 подключены соответственно к входу генератора 2 импульсов засветки красного светодиода и входу генератора 4 засветки инфракрасного светодиода. Многоразрядный и трехразрядный выходы блока управления 22 подключены к многоразрядному и трехразрядному входам блока индикации 23.
Выход устройства хранения и выборки 7 подключен к первому входу первого сумматора 8, выход которого соединен с входом первого усилителя напряжения 9, выход которого подключен к первому входу второго сумматора 10. Вторые входы первого 8 и второго 10 сумматоров подключены соответственно к пятому и к третьему выходам блока управления 22, а третий и четвертый входы второго сумматора 10 подключены соответственно к четвертому и пятому выходам блока управления 22.
Первый выход второго сумматора 10 подключен к входу первого фильтра низких частот 11, выход которого соединен с входом первого фильтра высоких частот 13 и первым входом блока управления 22.
Второй выход второго сумматора 10 подключен к входу второго фильтра низких частот 12, выход которого соединен с входом второго фильтра высоких частот 14 и вторым входом блока управления 22.
Патентуемый пульсовой оксиметр содержит первый 15 и второй 17 коммутаторы. Первый, второй, третий и четвертый входы первого коммутатора 15 подключены соответственно к выходу первого фильтра высоких частот 13, выходу второго фильтра высоких частот 14, четвертому и третьему выходам блока управления 22, а выход первого коммутатора 15 соединен с входом второго усилителя напряжения 16.
Первый, второй и третий входы второго коммутатора 17 подключены соответственно к выходу второго усилителя напряжения 16, четвертому и третьему выходам блока управления 22.
На первом выходе второго коммутатора 17 установлены последовательно соединенные третий фильтр низкой частоты 18 и третий фильтр высокой частоты 20, выход которого подключен к четвертому входу блока управления 22.
На втором выходе второго коммутатора 17 установлены последовательно соединенные четвертый фильтр низкой частоты 19 и четвертый фильтр высокой частоты 21, выход которого подключен к третьему входу блока управления 22.
Пульсовой оксиметр содержит автономный источник питания 24, который подключен к источнику напряжения 12 v и который обеспечивает соответствующее электропитание всех элементов устройства. Первый, второй и третий выходы блока питания 24 обеспечивают соответственно следующие номиналы напряжений: +6v, -6v, +5v. Первый и второй выходы блока питания соединены с блоками 6-21 (не показаны). Первый выход автономного блока питания 24 соединен также с блоками 2, 4 и 22 (не показаны). Третий выход автономного блока питания 24 подключен к блоку управления 22. Кроме того, питание номиналом 2,5 V подается на блоки 2, 4, 7, 8, 10, 15, 17, 25 (не показаны).
В патентуемой схеме пульсового оксиметра предусмотрен определитель 25, с помощью которого определяют наличие / или отсутствие датчика на пальце пациента и осуществляют его калибровку. Определитель 25 подключен к шестому входу блока управления 22 и может быть реализован в виде резистора.
Схемотехническая реализация патентуемого устройства может быть осуществлена с использованием, например, следующих общеизвестных и стандартных компонентов.
Источник излучения 1 в красном диапазоне излучения и источник излучения 2 в инфракрасном диапазоне излучения выполнены в виде светодиодов, которые обеспечивают засветку объекта. Длина волны излучения источника 1 лежит в красном диапазоне и составляет, например, (660±10) нм. Длина волны излучения источника 2 лежит в инфракрасном диапазоне излучения и составляет, например, (940±15) нм. Конструктивно источники излучения 1 и 2 и фотоприемник 5 выполнены в виде клипсы, которая надевается на палец пациента и функционально представляет собой датчик.
Источники излучения 1 и 2 поочередно формируют световые потоки в красном и инфракрасном диапазонах, которые пройдя через исследуемый объект, вызывают ток в цепи фотоприемника 5, пропорциональный в каждый момент времени интенсивности засветки.
Генератор 2 импульсов засветки красного светодиода и генератор 4 импульсов засветки инфракрасного светодиода обеспечивают подачу тока через светодиоды и могут быть реализованы, например, на основе транзистора КТ 503.
Фотоприемник 5 предназначен для регистрации световых импульсов светодиодов и выполнен в виде фотодиода, например, марки BPW 34.
Преобразователь ток-напряжение 6 осуществляет преобразование тока в напряжение и может быть реализован по любой известной схеме, например, на основе микросхемы TL 072.
Устройство выборки и хранения 7 запоминает амплитуды напряжений, соответствующих красному каналу (она складывается из амплитуды, соответствующей интенсивности засветки красного светодиода (источник излучения 1 и амплитуды, соответствующей интенсивности фоновой засветки), инфракрасному каналу (она складывается из амплитуды, соответствующей интенсивности засветки инфракрасного светодиода (источник излучения 2 и амплитуды, соответствующей интенсивности фоновой засветки) и внешнему фоновому излучению. На выходе имеются чистые сигналы красного и инфракрасного светодиодов. Устройство выборки и хранения 7 может быть реализовано на основе микросхемы ADG 444.
Первый сумматор 8 обеспечивает вычитание (полное с точностью до периода импульсов засветки, а не приблизительное с помощью логарифма, как в прототипе) амплитуды фоновой засветки из амплитуд красного и инфракрасного каналов.
Первый усилитель напряжения 9 обеспечивает усиление сигналов красного и инфракрасного излучения. Реализован по известной схеме, например, на основе микросхемы TL 072.
Второй сумматор 10 (аналогичный сумматору 8) обеспечивает вычитание фоновых электрических помех. Основная из них – дрейф нуля операционных усилителей. Вычитание фоновых электрических помех обеспечивает повышение точности измерения постоянных составляющих красного Ucr и инфракрасного Ucir сигналов. Сумматоры 8 и 10 могут быть реализованы, например, на основе ADG 444. Первый 11 и второй 12 фильтры низких частот (ФНЧ) соответственно красного и инфракрасного каналов излучения обеспечивают поступление сигналов Ucr и Ucir в блок управления 22.
Первый 13 и второй 14 фильтры высокой частоты (ФВЧ) соответственно красного и инфракрасного каналов излучения обеспечивают выделение переменной составляющей сигналов красного и инфракрасного каналов излучения.
Первый коммутатор 15 дискретизирует непрерывные сигналы красного и инфракрасного каналов излучения и подает их по очереди на второй усилитель напряжения 16 – усилитель переменной составляющей сигнала.
Второй коммутатор 17 «разводит» дискретные сигналы красного и инфракрасного излучения по соответствующим каналам и подает по очереди на ФНЧ 11 и ФНЧ 12 красного и инфракрасного каналов. Коммутаторы 15 и 17 могут быть реализованы, например, на основе микросхемы ADG 444.
Второй усилитель напряжения 16 – усилитель переменной составляющей сигнала, может быть реализован по известной схеме, например на основе микросхемы TL 072.
Третий 18 и четвертый 19 фильтры низких частот (ФНЧ) красного и инфракрасного каналов формируют непрерывный сигнал из импульсов. Совместно с ФНЧ 11 и ФНЧ 12 обеспечивают «срез фильтра» более крутым и улучшают подавление шумов и помех, находящихся вне рабочего диапазона (от 0,5 Гц до 4 Гц – это рабочий диапазон). Фильтры низких частот (ФНЧ) 11, 12, 18 и 19 могут быть реализованы, например, на основе микросхемы TL 062.
Третий 20 и четвертый 21 фильтры высоких частот (ФВЧ) красного и инфракрасного каналов «убирают» в переменных составляющих сигналов красного и инфракрасного каналов постоянные составляющие, которые могут возникнуть на втором усилителе напряжения 16 из-за входного смещения и дрейфа нуля операционных усилителей. Отсюда переменные сигналы Uar – красного канала и Uair – и инфракрасного канала поступают на блок управления 22. Фильтры высоких частот (ФВЧ) 13, 14, 20 и 21 могут быть выполнены, например, на основе микросхемы TL 062 и проходного конденсатора.
Блок управления 22 управляет работой всей схемы, измеряет Ucr, Ucir, Uar и Uair, вычисляет сатурацию и выдает определенные значения сатурации и пульса на блок индикации 23.
Сатурация S вычисляется по кривой S=S(R) (фиг.5). Здесь R=(Uar/Ucr)·(Uair/Ucir), где Uar, Ucr, Uair и Ucir – соответственно переменная красная, постоянная красная, переменная инфракрасная и постоянная инфракрасная составляющая.
Блок управления 22 содержит (фиг.2) процессор 27 и аналого-цифровой преобразователь (АЦП) 26, выход которого соединен с входом процессора 27, и генератор опорного напряжения 35 на (+2,5 В). Вход генератора опорного напряжения 35 подключен к первому выходу (+6v) автономного блока питания 24, первый выход соединен с седьмым входом АЦП 26, а второй выход служит для подачи номинала 2,5 v на блоки 2, 4, 7, 8, 10, 15, 17 и 25.
Первый, второй, третий, четвертый, пятый, трехразрядный и многоразрядный выходы процессора 27 являются выходами блока управления 22, а первый, второй, третий, четвертый, пятый и шестой входы АЦП 26 являются соответственно первым, вторым, третьим, четвертым, пятым и шестым входами блока управления 22. Блок управления 22 может быть реализован, например, на основе микросхемы AT Mega 128.
Работа блока управления 22 осуществляется по специальной программе, разработанной заявителем для патентуемого пульсового оксиметра. Укрупненная блок-схема алгоритма работы блока управления приведена на фиг.6. Блок управления 22, который является программируемым блоком, позволяет вычислять значения сатурации. Полная программная информация работы блока управления 22 содержится в технической документации заявителя.
Блок индикации 23 обеспечивает визуализацию измеряемых значений сатурации и пульса, наличие датчика, наличие пациента, качества сигнала, сигналов тревоги, зарядки и разрядки аккумулятора. Блок индикации 23 содержит (фиг.3) светодиоды 28, дешифратор 29, семисегментные индикаторы 30. Семисегментные индикаторы 30 обеспечивают индикацию пульса и сатурации (например, марки DA 08-11-SRWA и ВА 56-12 SRWA), индикацию разрядки аккумулятора (например, L 13), индикацию тревоги (например, L 113). Дешифратор 29 обеспечивает динамический режим работы семисегментных индикаторов и может быть реализован, например, на основе элементов 74НС 138.
Автономный блок питания 24 включает (фиг.4) светодиод 31, устройство зарядки аккумулятора 32, преобразователь 33 DC/DC, обеспечивающий номиналы плюс/минус 6 V и плюс 5V (на базе микросхемы МС 34063), преобразователь 34 DC/DC, обеспечивающий номинал плюс 6,3 V (на базе микросхемы LM 2575 AD JF).
Светодиод 31 (например, L 115) служит для индикации завершения зарядки аккумулятора. Устройство зарядки аккумулятора 32 может быть реализовано на основе компаратора 393, логики 74 НС 00 и транзистора si 23 05.
Необходимо отметить, что специалисты, работающие в области пульсовой оксиметрии, располагают соответствующими знаниями о наличии многообразных конкретных технических средств для конечной реализации каждого узла и блока патентуемого аппарата, помимо тех средств, что приведены в качестве возможных вариантов реализаций. Конкретная техническая реализация отдельных элементов и узлов разработанного устройства не представляет труда для специалистов, поскольку вытекает из уровня техники на основе практических данных и включает в себя известные стандартные элементы и компоненты. Сущность патентуемого пульсового оксиметра не затрагивает этих вопросов, в силу чего более подробное раскрытие этих элементов нецелесообразно.
Патентуемый пульсовой оксиметр работает следующим образом.
Блок управления 22 синхронизирует работу всей схемы по трем тактовым импульсам: К – импульс красного канала, ИК – импульс инфракрасного канала и Т – импульс темного поля. На время импульса К включается красный светодиод 1 и выключается инфракрасный светодиод 3, на время импульса ИК включается инфракрасный светодиод 3 и выключается красный светодиод 1, на время Т оба светодиода выключаются.
Блок управления 22 на время засветки красного светодиода 1 выдает на первый выход код, соответствующий определенному значению тока на красном светодиоде 1. Этот код поступает на генератор 2 импульсов засветки красного светодиода 1.
На время засветки инфракрасного светодиода 3 блок управления 22 выдает на второй выход код, соответствующий определенному значению тока на инфракрасном светодиоде 3. Этот код поступает на генератор 4 импульсов засветки инфракрасного светодиода 3.
На время темного поля Т блок управления 22 выключает красный светодиод 1 и инфракрасный светодиод 3.
Световые импульсы со светодиодов 1 и 3, проходя через исследуемый объект, попадают на фотодиод (ФД) 5 и вызывают на нем появление импульсов тока. ФД 5 подключен к преобразователю ток-напряжение 6. С преобразователя 6 импульсы тока, преобразованные в импульсы напряжения и усиленные, подаются на устройство выборки-хранения 7 и на пятый вход АЦП 26. Шестой вход АЦП 26 подключен к выходу определителя 25, по которому определяют наличие или отсутствие датчика на пальце пациента.
Устройство выборки-хранения 7 запоминает амплитуду импульсов, вызванных красным светодиодом по команде с третьего выхода блока управления 22, инфракрасным светодиодом по команде с четвертого выхода блока управления 22, а также амплитуду импульса соответствующему темному полю по команде с пятого выхода блока управления 22. В момент темного поля Т оба светодиода выключены. Амплитуда импульса соответствует величине фоновой засветки.
Далее импульсы красного и инфракрасного сигналов попадают последовательно на первый сумматор 8, где происходит вычитание фоновой засветки.
С выхода первого сумматора 8 красный и инфракрасный сигналы, очищенные от фоновой засветки, последовательно попадают на усилитель 9.
С выхода усилителя 9 усиленные сигналы попадают на второй сумматор 10, на котором осуществляется вычитание дрейфа усилителя 9. Это позволяет использовать недорогие операционные усилители. Кроме того, второй сумматор 10 «разводит» последовательно идущие импульсы красного и инфракрасного сигналов на два канала.
Красный импульс попадает на первый фильтр нижних частот 11, а импульс инфракрасного сигнала попадает на второй фильтр нижних частот 12. Фильтры 11 и 12 соответственно формируют из импульсов непрерывные сигналы красного и инфракрасного каналов. Эти сигналы поступают соответственно через первый и второй входы блока управления 22 на АЦП 26. Из этих сигналов процессор 27 выделяет постоянные составляющие. Кроме этого, эти сигналы поступают на фильтры высоких частот 13 и 14. Эти фильтры выделяют переменные составляющие.
С помощью первого коммутатора 15 эти сигналы последовательно подаются на усилитель 16. Очень важно, чтобы оба сигнала (красный и инфракрасный) усиливались одним и тем же усилителем. В этом случае исключаются ошибки, связанные с различием в характеристиках операционных усилителей.
Второй коммутатор 17 подает последовательно идущие красный и инфракрасный сигналы на фильтры низких частот 18 и 19 соответственно.
Фильтры 18 и 19 формируют из импульсов непрерывные сигналы красного и инфракрасного каналов соответственно.
Фильтры 20 и 21 убирают постоянные составляющие из сигналов красного и инфракрасного каналов. Эти постоянные составляющие могут возникнуть из-за дрейфа нуля операционного усилителя. Наличие этих фильтров позволяет использовать недорогие операционные усилители, а не инструментальные, которые отличаются своей повышенной стоимостью. Кроме того, эти фильтры добавляют в знакопеременные сигналы постоянное смещение и делают сигналы однополярными. Это упрощает его обработку на АЦП 26.
Сигналы с фильтров 20 и 21 подаются соответственно на третий и четвертый входы блока управления 22.
Сигналы красного и инфракрасного каналов и переменные составляющие сигналы красного и инфракрасного каналов поступают на первый-четвертый входы АЦП 26. На АЦП сигналы преобразуются в цифровые коды и подаются на процессор 27.
Разработанная схемотехническая реализация пульсового оксиметра успешно прошла многочисленные медицинские испытания, которые подтвердили:
– повышенную точность измерения коэффициента сатурации, что позволяет повысить надежность и достоверность диагностических и прогностических показателей и соответственно безопасность пациента при использовании патентуемого оксиметра в отделениях анестезиологии, реанимации, интенсивной терапии и т.п.;
– устойчивость измерения коэффициента сатурации при низком наполнении пульса и значительных двигательных помехах;
– наличие защиты аккумуляторной батареи как от полного ее разряда, так и от перезарядки.
Опытные образцы патентуемого пульсового оксиметра подтвердили его технические и эксплуатационные преимущества по сравнению с известными устройствами аналогичного назначения.
Формула изобретения
1. Пульсовой оксиметр, содержащий источник излучения в красном диапазоне излучения, подключенный к генератору импульсов засветки источника излучения в красном диапазоне, источник излучения в инфракрасном диапазоне излучения, подключенный к генератору импульсов засветки источника излучения в инфракрасном диапазоне, фотоприемник, подключенный к преобразователю ток-напряжение, первый выход которого подключен к четвертому входу устройства выборки и хранения, первый и второй усилители напряжения, первый и второй фильтры низких частот, первый и второй фильтры высоких частот, блок управления, первый и второй выход которого подключен соответственно к входу генератора импульсов засветки источника излучения в красном диапазоне, и к входу генератора импульсов засветки источника излучения в инфракрасном диапазоне излучения, третий выход блока управления подключен к первому входу устройства выборки и хранения, а также блок индикации, отличающийся тем, что в него введены первый и второй коммутаторы, определитель наличия или отсутствия датчика на пальце пациента, первый и второй сумматоры и автономный источник питания, при этом первый вход первого сумматора соединен с выходом устройства хранения и выборки, второй вход – с пятым выходом блока управления, а выход – с входом первого усилителя напряжения, первый вход второго сумматора соединен с выходом первого усилителя напряжения, а второй, третий и четвертый вход соответственно – с третьим, четвертым и пятым выходом блока управления, первый выход второго сумматора подключен к входу первого фильтра низких частот, выход которого подключен к входу первого фильтра высоких частот и первому входу блока управления, второй выход второго сумматора подключен к входу второго фильтра низких частот, выход которого подключен к входу второго фильтра высоких частот и второму входу блока управления, первый, второй, третий и четвертый входы первого коммутатора подключены соответственно к выходу первого фильтра высоких частот, выходу второго фильтра высоких частот, четвертому и третьему выходу блока управления, выход первого коммутатора соединен с входом второго усилителя напряжения, первый, второй и третий входы второго коммутатора подключены соответственно к выходу второго усилителя напряжения, четвертому и третьему выходу блока управления, на первом выходе второго коммутатора установлены последовательно соединенные третий фильтр низкой частоты и третий фильтр высокой частоты, выход которого подключен к четвертому входу блока управления, а на втором выходе второго коммутатора – последовательно соединенные четвертый фильтр низкой частоты и четвертый фильтр высокой частоты, выход которого подключен к третьему входу блока управления, четвертый и пятый выходы которого подключены соответственно к второму и третьему входу устройства выборки и хранения, многоразрядный и трехразрядный выход блока управления подключен соответственно к многоразрядному и трехразрядному входу блока индикации, причем выход определителя наличия или отсутствия датчика на пальце пациента подключен к шестому входу блока управления, а автономный источник питания выполнен с возможностью обеспечения питания с номиналами напряжений +6 v, -6 v, +5 v.
2. Пульсовой оксиметр по п.1, отличающийся тем, что источники излучения в красном и инфракрасном диапазоне излучения и фотоприемник конструктивно объединены и выполнены в виде датчика-клипсы с возможностью его закрепления на пальце пациента.
РИСУНКИ
|
|