|
|
(21), (22) Заявка: 2004137812/03, 09.05.2003
(24) Дата начала отсчета срока действия патента:
09.05.2003
(30) Конвенционный приоритет:
24.05.2002 ES P200201199
(43) Дата публикации заявки: 10.06.2005
(46) Опубликовано: 27.08.2008
(56) Список документов, цитированных в отчете о поиске:
JP 08-010190 А, 16.01.1996. SU 1000018 А, 28.02.1983. US 4351132 А, 28.09.1982. FR 2654652 A, 24.05.1991.
(85) Дата перевода заявки PCT на национальную фазу:
24.12.2004
(86) Заявка PCT:
ES 03/00208 (09.05.2003)
(87) Публикация PCT:
WO 03/100192 (04.12.2003)
Адрес для переписки:
129010, Москва, ул. Б.Спасская, 25, строение 3, ООО “Юридическая фирма Городисский и партнеры”, пат.пов. С.А.Дорофееву, рег.№ 146
|
(72) Автор(ы):
АКИНФЬЕВ Теодор (ES), АРМАДА РОДРИГЕС Мануэль Анхель (ES)
(73) Патентообладатель(и):
КОНСЕХО СУПЕРИОР ДЕ ИНВЕСТИГАСИОНЕС СЬЕНТИФИКАС (ES)
|
(54) МАШИНА ДЛЯ ОЧИСТКИ ПОВЕРХНОСТЕЙ
(57) Реферат:
Изобретение относится к области очистки и ухода за поверхностями. Машина для очистки в основном вертикальных поверхностей содержит корпус, прикрепленный к тросу крана, щетки с приводом, прикрепленные к корпусу с возможностью вращения, по меньшей мере, три основных колеса, прикрепленных к корпусу с возможностью поворота и таким образом, что рабочие компоненты находятся в одной плоскости, коробку с открытой стенкой на стороне обрабатываемой поверхности, упругое уплотнение, расположенное по периметру открытой части коробки и устройства для вытягивания воздуха из коробки. При этом машина имеет расположенное в коробке, по меньшей мере, одно дополнительное колесо, размещенное таким образом, что при опирании основных колес на плоскую обрабатываемую поверхность и отсутствии перепада давления между окружающей средой и пространством внутри коробки расстояние между дополнительным колесом и обрабатываемой поверхностью имеет заданное значение. 13 з.п. ф-лы, 6 ил.
Настоящее изобретение относится к области автоматической обработки, а более конкретно к процессам для очистки и ухода за поверхностями, особенно в зданиях.
Известные технические решения раскрыты в патенте Японии №08150379 А, патенте США №4351132, патенте Франции №2654652 A1.
В указанных патентах раскрыты устройства для очистки поверхностей, содержащие корпус со щетками и с другими приспособлениями для распыления жидкостей.
Известна машина для очистки в основном вертикальных поверхностей, которая содержит корпус, прикрепленный к тросу крана, щетки с приводом, прикрепленные к корпусу с возможностью вращения, по меньшей мере три основных колеса, прикрепленных к корпусу с возможностью поворота и таким образом, что рабочие компоненты находятся в одной плоскости, коробку с открытой стенкой на стороне обрабатываемой поверхности, упругое уплотнение, расположенное по периметру открытой части коробки и устройства для вытягивания воздуха из коробки (см., например, патент Японии 8010190 от 16.01.1996 г.).
Недостаток известных технических решений заключается в том, что при использовании устройства между очищающими элементами и обрабатываемой поверхностью не поддерживается постоянное расстояние, что приводит к неполной и низкокачественной очистке поверхности и абразивному истирающему воздействию на обрабатываемую поверхность. Кроме того, невозможность поддержания при обработке поверхности постоянного расстояния между устройствами и поверхностью приводит к значительным вибрациям в указанных устройствах, вызывающим повреждение поверхности и повышающим опасность поломок.
Техническим результатом настоящего изобретения является создание машины для очистки поверхностей, обеспечивающей полную и качественную очистку поверхностей и вытягивание воздуха из коробки машины во время осуществления очистки.
Указанный результат достигается тем, что машина для очистки в основном вертикальных поверхностей содержит корпус, прикрепленный к тросу крана, щетки с приводом, прикрепленные к корпусу с возможностью вращения, по меньшей мере три основных колеса, прикрепленных к корпусу с возможностью поворота и таким образом, что рабочие компоненты находятся в одной плоскости, коробку с открытой стенкой на стороне обрабатываемой поверхности, упругое уплотнение, расположенное по периметру открытой части коробки и устройства для вытягивания воздуха из коробки. Согласно изобретению устройство содержит расположенное в коробке по меньшей мере одно дополнительное колесо, размещенное таким образом, что при опирании основных колес на плоскую обрабатываемую поверхность и отсутствии перепада давления между окружающей средой и пространством внутри коробки расстояние между дополнительным колесом и обрабатываемой поверхностью имеет заданное значение.
Упругое уплотнение может иметь сечение криволинейной формы, при этом один конец уплотнения прикреплен к стенкам коробки, а другой его конец расположен за пределами коробки таким образом, что при опирании основных колес на плоскую обрабатываемую поверхность упругое уплотнение также частично опирается на эту поверхность и проходит параллельно поверхности.
Колеса могут быть выполнены с возможностью поворота на по меньшей мере 90° и содержат специальный привод. Основные колеса могут иметь устройство, обеспечивающее их поворот на одинаковый угол. По меньшей мере некоторые из основных колес могут иметь устройства для очистки рабочей поверхности колес.
Коробка может иметь отверстие, соединяющее ее с окружающей средой, и клапан, расположенный в отверстии и открывающий отверстие при наличии перепада давления между окружающей средой и пространством внутри коробки, превышающего заданное значение Р1, и закрывающий отверстие при перепаде давления, меньшем заданного значения Р2.
В машине точка прикрепления троса к корпусу может быть расположена так, что при опирании основных колес на плоскую вертикальную обрабатываемую поверхность расстояние между точкой прикрепления троса и обрабатываемой поверхностью равно расстоянию между центром тяжести машины и обрабатываемой поверхностью.
Дополнительное колесо может быть закреплено в коробке с возможностью свободного вращения.
Машина может иметь по меньшей мере одну трубу, закрепленную на коробке и имеющую один конец, открытый в окружающую среду, и другой конец, введенный в коробку и заканчивающийся вблизи обрабатываемой поверхности.
Машина может иметь датчик перепада давления между пространством внутри коробки и окружающей средой, устройство для вытягивания воздуха из коробки имеет систему управления, и датчик подключен к системе управления.
Используемые в машине щетки могут иметь различную жесткость. По меньшей мере несколько щеток могут быть размещены внутри коробки. По меньшей мере несколько щеток могут иметь устройство для введения щеток в соприкосновение с поверхностью.
Устройство для вытягивания воздуха может быть выполнено в виде вентилятора с приводом, закрепленного в корпусе и содержащего фильтр для воздуха, вытягиваемого из коробки.
Вышеописанная машина обеспечивает улучшение процесса очистки и ухода за обрабатываемыми поверхностями, а также вытягивание воздуха из коробки во время его осуществления. Вместе с упругим уплотнением, расположенным вокруг открытой части коробки, это позволяет оказывать давление на поверхность при ее обработке, так что между щетками и поверхностью достигается более равномерный контакт, вследствие чего повышается качество процесса очистки.
Машина может быть снабжена системой, которая распыляет продукт, улучшающий технологический процесс (например, жидкость), на поверхность при ее обработке.
Машина может быть снабжена системой, обеспечивающей контактирование со щетками продукта, который улучшает технологический процесс (например, жидкость).
Ниже изобретение описывается подробно с помощью примера и со ссылками на сопровождающие чертежи, на которых изображено следующее:
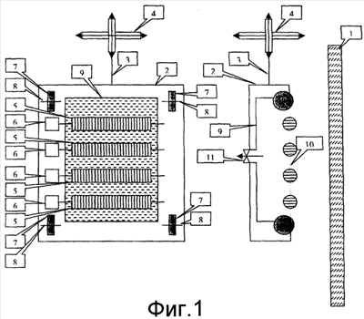
фиг.1 – машина для очистки поверхностей;
фиг.2 – иллюстрация начала рабочего процесса;
фиг.3 – щетки;
фиг.4 – упругое уплотнение;
фиг.5 – привод для поворота колес;
фиг.6 – дополнительные колеса.
Машина для очистки вертикальных поверхностей 1 содержит корпус 2, прикрепленный к тросу 3 крана 4, щетки 5, прикрепленные к корпусу 2 и снабженные приводом 6, который обеспечивает возможность их вращения, четыре основные колеса 7, прикрепленные к корпусу 2 с возможностью поворота. Это прикрепление выполнено так, что их рабочие компоненты находятся в одной и той же плоскости. Машина содержит коробку 9 с открытой стенкой на стороне обрабатываемой поверхности, с упругим уплотнением 10, расположенным по периметру открытой части коробки 9 и устройства 11 для вытягивания воздуха из коробки. Это устройство выполнено в виде вентилятора с приводом, закрепленным внутри корпуса 2, и с фильтром для воздуха, вытягиваемого из коробки 9.
Точка прикрепления троса 3 к корпусу 2 машины выбрана таким образом, что, когда основные колеса 7 опираются на плоскую вертикальную обрабатываемую поверхность 1, расстояние между точкой, в которой прикреплен трос 3, и обрабатываемой поверхностью 2 то же самое, что и расстояние между центром тяжести машины и обрабатываемой поверхностью 2.
Упругое уплотнение 10 имеет сечение криволинейной формы, при этом один его конец прикреплен к стенкам коробки 9, а другой конец находится за пределами коробки 9. При такой конфигурации в том случае, когда основные колеса 7 опираются на плоскую поверхность 1, упругое уплотнение 10 также частично опирается на эту поверхность 1 и имеет длину, параллельную поверхности 1.
Колеса 7 сконструированы таким образом, что они могут поворачиваться в пределах 90° в результате действия специального привода. Этим приводом также гарантируется одновременный поворот на одинаковый угол.
Внутри коробки 9 находятся шесть дополнительных колес 12, которые свободно вращаются и которые расположены таким образом, что в случае, когда основные колеса опираются на плоскую поверхность при ее обработке и отсутствует перепад давления между окружающей средой и пространством внутри коробки 9, расстояние между дополнительными колесами 12 и обрабатываемой поверхностью составляет 2 мм.
Внутри коробки 9 также имеются три щетки 5. Центральная щетка отличается тем, что она имеет меньший диаметр, чем две другие.
Машина работает следующим образом.
В исходном положении корпус 2 машины прикреплен к тросу 3 крана 4 и находится на некотором расстоянии от обрабатываемой поверхности 1 (например, опирается на грунт на расстоянии от вертикальной поверхности). С помощью крана 4 машину поднимают (если, например, она опиралась на грунт) и приближают к поверхности 1. Как только упругое уплотнение 10, окружающее открытую часть коробки 9, контактирует с поверхностью 1 или приближается к ней, приводится в действие устройство 11 для вытягивания воздуха из коробки 9. Когда воздух вытягивается из коробки 9, создается сила, притягивающая корпус 2 к поверхности 1 до тех пор, пока основные колеса 7, способные поворачиваться с помощью средства 8 поворота и прикрепленные к корпусу 2, не соприкаснутся с поверхностью 1. В этом положении щетки 5 с заданной деформацией контактируют с поверхностью 1.
Щетки 5, способные вращаться, приводятся в движение приводами 6 и взаимодействуют с поверхностью 1, осуществляя ее очистку. При осуществлении очистки поверхности 1 посредством щеток 5 действует устройство 11 для вытягивания воздуха из коробки 9. После некоторого заданного периода времени (отсчитываемого, например, при помощи устройства задержки) корпус 2 машины перемещают (например, вверх или вниз) с помощью троса 3, которым он присоединен к крану 4. Во время этого перемещения действует устройство 11 для вытягивания воздуха из коробки 9. В этом случае основные колеса 7 соприкасаются с поверхностью 1 и поворачиваются, способствуя перемещению корпуса.
При очистки поверхности 1 сила притяжения, создаваемая устройством 11 для вытягивания воздуха из коробки 9, удерживает основные колеса 7 в контакте с поверхностью 1, предотвращая отделение корпуса 2 машины от поверхности 1 и гарантируя постоянное расстояние контакта между щетками 5 и поверхностью 1.
После выполнения очистки поверхности 1 корпус 2 машины может быть перемещен горизонтально (вправо или влево) при вертикальных перемещениях вверх или вниз с помощью троса 3, соединяющего корпус 2 с краном 4. Для обеспечения горизонтального перемещения корпуса 2 колеса 7 могут иметь специальный привод, обеспечивающий возможность их поворота на по меньшей мере 90°, и при этом можно уменьшить силу притяжения, создаваемую устройством 11 для вытягивания воздуха из коробки.
Формула изобретения
1. Машина для очистки в основном вертикальных поверхностей, содержащая корпус, прикрепленный к тросу крана, щетки с приводом, прикрепленные к корпусу с возможностью вращения, по меньшей мере, три основных колеса, прикрепленных к корпусу с возможностью поворота и таким образом, что рабочие компоненты находятся в одной плоскости, коробку с открытой стенкой на стороне обрабатываемой поверхности, упругое уплотнение, расположенное по периметру открытой части коробки и устройства для вытягивания воздуха из коробки, отличающаяся тем, что имеет расположенное в коробке, по меньшей мере, одно дополнительное колесо, размещенное таким образом, что при опирании основных колес на плоскую обрабатываемую поверхность и отсутствии перепада давления между окружающей средой и пространством внутри коробки расстояние между дополнительным колесом и обрабатываемой поверхностью имеет заданное значение.
2. Машина по п.1, отличающаяся тем, что упругое уплотнение имеет сечение криволинейной формы, при этом один конец уплотнения прикреплен к стенкам коробки, а другой его конец расположен за пределами коробки таким образом, что при опирании основных колес на плоскую обрабатываемую поверхность упругое уплотнение также частично опирается на эту поверхность и проходит параллельно поверхности.
3. Машина по п.1 или 2, отличающаяся тем, что колеса выполнены с возможностью поворота на, по меньшей мере, 90° и содержат специальный привод.
4. Машина по п.3, отличающаяся тем, что основные колеса имеют устройство, обеспечивающее их поворот на одинаковый угол.
5. Машина по любому из пп.1 и 2, 4, отличающаяся тем, что, по меньшей мере, некоторые из основных колес имеют устройства для очистки рабочей поверхности колес.
6. Машина по любому из пп.1 и 2, 4, отличающаяся тем, что коробка имеет отверстие, соединяющее ее с окружающей средой, и клапан, расположенный в отверстии и открывающий отверстие при наличии перепада давления между окружающей средой и пространством внутри коробки, превышающего заданное значение Р1, и закрывающего отверстие при перепаде давления, меньшем заданного значения Р2.
7. Машина по любому из пп.1 и 2, 4, отличающаяся тем, что точка прикрепления троса к корпусу расположена так, что при опирании основных колес на плоскую вертикальную обрабатываемую поверхность расстояние между точкой прикрепления троса и обрабатываемой поверхностью равно расстоянию между центром тяжести машины и обрабатываемой поверхностью.
8. Машина по п.7, отличающаяся тем, что, по меньшей мере, одно дополнительное колесо закреплено в коробке с возможностью свободного вращения.
9. Машина по любому из пп.1 и 2, 4, 8, отличающаяся тем, что имеет, по меньшей мере, одну трубу, закрепленную на коробке и имеющую один конец, открытый в окружающую среду, и другой конец, введенный в коробку и заканчивающийся вблизи обрабатываемой поверхности.
10. Машина по любому из пп.1 и 2, 4, 8, отличающаяся тем, что имеет датчик перепада давления между пространством внутри коробки и окружающей средой, устройство для вытягивания воздуха из коробки имеет систему управления, и датчик подключен к системе управления.
11. Машина по любому из пп.1 и 2, 4, 8, отличающаяся тем, что щетки имеют различную жесткость.
12. Машина по любому из пп.1 и 2, 4, 8, отличающаяся тем, что, по меньшей мере, несколько щеток размещены внутри коробки.
13. Машина по любому из пп.1 и 2, 4, 8, отличающаяся тем, что, по меньшей мере, несколько щеток имеют устройство для введения щеток к соприкосновению с поверхностью.
14. Машина по любому из пп.1 и 2, 4, 8, отличающаяся тем, что устройство для вытягивания воздуха выполнено в виде вентилятора с приводом, закрепленного в корпусе и содержащего фильтр для воздуха, вытягиваемого из коробки.
Приоритет установлен: 24.05.2002 по дате подачи первой заявки Р 200201199, поданной в патентное ведомство Испании.
РИСУНКИ
|
|