|
(21), (22) Заявка: 2007117847/09, 14.05.2007
(24) Дата начала отсчета срока действия патента:
14.05.2007
(46) Опубликовано: 20.08.2008
(56) Список документов, цитированных в отчете о поиске:
US 4600893, 15.07.1986. SU 1224969 A, 15.04.1986. US 5422600 A, 06.06.1995. US 5734296 A, 31.03.1998. US 5786729 A, 28.07.1998.
Адрес для переписки:
346500, Ростовская обл., г. Шахты, ул. Шевченко, 147, ЮРГУЭС, Патентная служба
|
(72) Автор(ы):
Прокопенко Николай Николаевич (RU), Ковбасюк Николай Васильевич (RU), Хорунжий Андрей Васильевич (RU)
(73) Патентообладатель(и):
ГОУ ВПО “Южно-Российский государственный университет экономики и сервиса” (ЮРГУЭС) (RU)
|
(54) ДИФФЕРЕНЦИАЛЬНЫЙ УСИЛИТЕЛЬ С ПОВЫШЕННЫМ КОЭФФИЦИЕНТОМ УСИЛЕНИЯ ПО НАПРЯЖЕНИЮ
(57) Реферат:
Изобретение относится к области радиотехники и связи и может быть использовано в качестве устройства усиления аналоговых сигналов, в структуре аналоговых микросхем различного функционального назначения (например, операционных усилителях (ОУ), компараторах). Технический результат заключается в повышении коэффициента усиления по напряжению. Дифференциальный усилитель (ДУ) содержит входной дифференциальный каскад (ДК) (1) с источником опорного тока (2) в общей эмиттерной цепи, первый (3) и второй (4) выходные транзисторы (Т), эмиттеры которых соединены с токовыми выходами (5) и (6) ДК (1) и через первый (7) и второй (8) токостабилизирующие двухполюсники связаны с шиной источника питания (9), причем базы Т (3) и Т (4) объединены и подключены к источнику напряжения смещения (10), коллектор Т (3) соединен с первым (11) входом активной нагрузки (12), коллектор Т (4) связан со вторым (13) входом активной нагрузки (12). В схему введен первый дополнительный Т (14), база которого соединена с коллектором Т (4), коллектор подключен к эмиттеру Т (3), а эмиттер соединен с первым дополнительным источником опорного тока (15). 3 з.п. ф-лы, 10 ил.
Изобретение относится к области радиотехники и связи и может быть использовано в качестве устройства усиления аналоговых сигналов, в структуре аналоговых микросхем различного функционального назначения (например, операционных усилителях (ОУ), компараторах).
Известны схемы так называемых «перегнутых» каскодных дифференциальных усилителей (ДУ) на n – p – n- и p – n- p-транзисторах [1-40], которые стали основой более чем 20 серийных операционных усилителей, выпускаемых как зарубежными (НА2520, НА5190, AD797, AD8631, AD8632, ОР90 и др.), так и российскими (154УД3 и др.) микроэлектронными фирмами. В связи с высокой популярностью такой архитектуры ДУ на их модификации выдано более 100 патентов для ведущих производителей микроэлектронных изделий. Предлагаемое изобретение относится к этому подклассу устройств.
Среди ДУ данного подкласса можно выделить два типа устройств – имеющие в качестве нагрузки токовые зеркала (патент США №4.600.893 (фиг.7) или содержащие синтетическую нагрузку в виде резисторов или источников опорного тока (патент США №4.600.893).
Ближайшим прототипом (фиг.1) заявляемого устройства является дифференциальный усилитель, описанный в патенте США №4.600.893, фиг.7, содержащий входной дифференциальный каскад 1 с источником опорного тока 2 в общей эмиттерной цепи, первый 3 и второй 4 выходные транзисторы, эмиттеры которых соединены с токовыми выходами 5 и 6 входного дифференциального каскада 1 и через первый 7 и второй 8 токостабилизирующие двухполюсники связаны с шиной источника питания 9, причем базы первого 3 и второго 4 выходных транзисторов объединены и подключены к источнику напряжения смещения 10, коллектор первого выходного транзистора 3 соединен с первым 11 входом активной нагрузки 12, коллектор второго выходного транзистора 4 связан со вторым 13 входом активной нагрузки 12.
Существенный недостаток известного ДУ состоит в том, что он имеет сравнительно невысокий предельный коэффициент усиления по напряжению Кy.max, существенно зависящий от выходного сопротивления (Rвых) активной нагрузки 12. Для классической активной нагрузки 12 (фиг.2) и современных интегральных транзисторов

где Uэ=15÷20 В – напряжение Эрли;
Iэ – статический ток эмиттера выходного транзистора.
Основная цель предлагаемого изобретения состоит в повышении коэффициента усиления по напряжению.
Поставленная цель достигается тем, что в дифференциальном усилителе фиг.1, содержащем входной дифференциальный каскад 1 с источником опорного тока 2 в общей эмиттерной цепи, первый 3 и второй 4 выходные транзисторы, эмиттеры которых соединены с токовыми выходами 5 и 6 входного дифференциального каскада 1 и через первый 7 и второй 8 токостабилизирующие двухполюсники связаны с шиной источника питания 9, причем базы первого 3 и второго 4 выходных транзисторов объединены и подключены к источнику напряжения смещения 10, коллектор первого выходного транзистора 3 соединен с первым 11 входом активной нагрузки 12, коллектор второго выходного транзистора 4 связан со вторым 13 входом активной нагрузки 12, предусмотрены новые элементы и связи – в схему введен первый дополнительный транзистор 14, база которого соединена с коллектором второго выходного транзистора 4, коллектор подключен к эмиттеру первого выходного транзистора 3, а эмиттер соединен с первым дополнительным источником опорного тока 15.
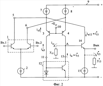
Схема заявляемого устройства в соответствии с п.1 и п.2 формулы изобретения показана на фиг.2. На этом чертеже выходные проводимости активной нагрузки 12 и дополнительного источника опорного тока 15 обозначены как y12 и соответственно.
На фиг.3 и фиг.4 показаны частные варианты выполнения активной нагрузки, соответствующие п.2 и п.3 формулы изобретения.
На фиг.5 показана схема заявляемого устройства.
На фиг.6 и фиг.8 показаны схемы заявляемого устройства в среде компьютерного моделирования PSpice на моделях интегральных транзисторов ФГУП НПП «Пульсар», а на фиг.7 и фиг.9 – результаты их компьютерного моделирования.
На фиг.10 показана схема ДУ, иллюстрирующая дальнейшее развитие схемотехники заявляемого устройства.
Дифференциальный усилитель фиг.2 содержит входной дифференциальный каскад 1 с источником опорного тока 2 в общей эмиттерной цепи, первый 3 и второй 4 выходные транзисторы, эмиттеры которых соединены с токовыми выходами 5 и 6 входного дифференциального каскада 1 и через первый 7 и второй 8 токостабилизирующие двухполюсники связаны с шиной источника питания 9, причем базы первого 3 и второго 4 выходных транзисторов объединены и подключены к источнику напряжения смещения 10, коллектор первого выходного транзистора 3 соединен с первым 11 входом активной нагрузки 12, коллектор второго выходного транзистора 4 связан со вторым 13 входом активной нагрузки 12. В схему введен первый дополнительный транзистор 14, база которого соединена с коллектором второго выходного транзистора 4, коллектор подключен к эмиттеру первого выходного транзистора 3, а эмиттер соединен с первым дополнительным источником опорного тока 15.
Активная нагрузка 12 (фиг.3) содержит токовое зеркало на вспомогательном транзисторе 16 и p – n-переходе 17, причем вход токового зеркала является первым входом 11 активной нагрузки 12, а коллектор вспомогательного транзистора 16 токового зеркала является вторым входом 13 активной нагрузки 12.
Активная нагрузка 12 (фиг.3) содержит первый 18 и второй 19 дополнительные токостабилизирующие двухполюсники, причем первый вход 11 активной нагрузки 12 соединен с первым 18 дополнительным токостабилизирующим двухполюсником, а второй вход 13 активной нагрузки 12 соединен со вторым 19 дополнительным токостабилизирующим двухполюсником.
Дифференциальный усилитель фиг.5 содержит второй дополнительный транзистор 20, база которого соединена с коллектором первого выходного транзистора 3, коллектор подключен к эмиттеру второго выходного транзистора 4, а эмиттер соединен со вторым источником опорного тока 21.
Рассмотрим работу заявляемого устройства на примере анализа схемы ДУ фиг.5 для случая, когда выходной сигнал снимается с эмиттера транзистора 14.
При отрицательном приращении напряжения на входе ДУ (uвх<0) напряжение в узле 11 увеличивается, а в узле 13 уменьшается. Эти изменения u11 с единичным коэффициентом передачи (K20 1) передаются на двухполюсник 21, что вызывает изменение его тока i21:

где R21 – сопротивление двухполюсника 21.
С другой стороны ток через двухполюсник 19

где – сопротивление двухполюсника 19.
Приращение тока i21 поступает в эмиттер транзистора 20, а затем в эмиттер и коллектор транзистора 4:


где К20 1 – коэффициент передачи по напряжению эмиттерного повторителя на транзисторе 20;
i 1 – коэффициент усиления по току эмиттера i-го транзистора;
R21 – сопротивление двухполюсника 21.
В связи с симметрией схемы u11=u13, поэтому эффективная проводимость в узле 13 уменьшается

или

В схеме-прототипе эффективная проводимость в узле 13

Как следствие, коэффициент усиления по напряжению в рассматриваемом ДУ
Ky.max=SДУ/yэф.13,
где SДУ=iк4/uвх – крутизна преобразования входного напряжения uвх ДУ в ток коллектора транзистора 4.
Таким образом, взаимная компенсация сопротивлений 19 и 21 повышает коэффициент усиления по напряжению ДУ фиг.5 в Nк раз, где

где 
Практически численные значения Nк достигает величины 10÷50 раз.
Полученные выше выводы подтверждаются результатами моделирования предлагаемых схем в среде PSpice.
БИБЛИОГРАФИЧЕСКИЙ СПИСОК
1. Патент США №6.304.143.
2. Патент США №5.418.491.
3. Патент США №4.463.319.
4. Патент США №6.717.474.
5. Патент США №6.734.720.
6. Патент США №4.723.111.
7. Патент США №4.293.824.
8. Патент США №5.323.121.
9. Патент США №5.091.701.
10. Патент США №4.406.990.
11. Патент США №5.422.600.
12. Патент США №6.788.143.
13. Патент США №4.274.061.
14. Патент США №5.327.100.
15. Патент США №5.786.729.
16. Патент США №3.644.838.
17. Патент США №4.600.893.
18. Патент США №4.390.850.
19. Патент США №6.628.168.
20. Матавкин В.В. Быстродействующие операционные усилители. – М., Радио и связь, 1989. – С.74, рис.4.15, с.98, рис.6.7.
21. Патент США №6.218.900, фиг.1.
22. Патентная заявка US 2002/0196079.
23. Патент США Re 30.587.
24. Патент ЕР 1.227.580.
25. Патент США №6.714.076.
26. Патентная заявка US 2004/0090268 A1.
27. Патент США №4.959.622, фиг.1.
28. Патент США №6.018.268.
29. Патент США №5.952.882.
30. Патент США №6.580.325.
31. Патент США №6.965.266.
32. Патент США №6.867.643.
33. Патент США №6.236.270.
34. Патент США №6.229,394.
35. Патент США №5.734.296.
36. Патент США №5.477.190.
37. Патент США №6.084.475.
38. Патент США №3.733.559.
39. Патентная заявка US 2005/0001682 A1.
40. Патент США №6.300.831.
Формула изобретения
1. Дифференциальный усилитель с повышенным коэффициентом усиления по напряжению, содержащий входной дифференциальный каскад (1) с источником опорного тока (2) в общей эмиттерной цепи, первый (3) и второй (4) выходные транзисторы, эмиттеры которых соединены с токовыми выходами (5) и (6) входного дифференциального каскада (1) и через первый (7) и второй (8) токостабилизирующие двухполюсники связаны с шиной источника питания (9), причем базы первого (3) и второго (4) выходных транзисторов объединены и подключены к источнику напряжения смещения (10), коллектор первого выходного транзистора (3) соединен с первым входом (11) активной нагрузки (12), коллектор второго выходного транзистора (4) связан со вторым входом (13) активной нагрузки (12), отличающийся тем, что в схему введен первый дополнительный транзистор (14), база которого соединена с коллектором второго выходного транзистора (4), коллектор подключен к эмиттеру первого выходного транзистора (3), а эмиттер соединен с первым дополнительным источником опорного тока (15).
2. Устройство по п.1, отличающееся тем, что активная нагрузка (12) выполнена в виде токового зеркала на вспомогательном транзисторе (16) и р-n-переходе (17), причем вход токового зеркала является первым входом (11) активной нагрузки (12), а коллектор вспомогательного транзистора (16) токового зеркала является вторым входом (13) активной нагрузки (12).
3. Устройство по п.1, отличающееся тем, что активная нагрузка (12) выполнена в виде первого (18) и второго (19) дополнительных токостабилизирующих двухполюсников, причем первый вход (11) активной нагрузки (12) соединен с первым дополнительным токостабилизирующим двухполюсником (18), а второй вход (13) активной нагрузки (12) соединен со вторым дополнительным токостабилизирующим двухполюсником (19).
4. Устройство по п.1, отличающееся тем, что в схему введен второй дополнительный транзистор (20), база которого соединена с коллектором первого выходного транзистора (3), коллектор подключен к эмиттеру второго выходного транзистора (4), а эмиттер соединен со вторым источником опорного тока (21).
РИСУНКИ
|