|
|
(21), (22) Заявка: 2007117423/09, 10.05.2007
(24) Дата начала отсчета срока действия патента:
10.05.2007
(46) Опубликовано: 20.08.2008
(56) Список документов, цитированных в отчете о поиске:
SU 1669067 A1, 07.08.1991. SU 1019565 A1, 23.05.1983. DE 3427634 A, 30.01.1986.
Адрес для переписки:
620042, Свердловская обл., Екатеринбург, пр. Орджоникидзе, 25, кв.46, Е.И.Ждановских
|
(72) Автор(ы):
Аржанников Борис Алексеевич (RU), Светоносов Валерий Петрович (RU)
(73) Патентообладатель(и):
Аржанников Борис Алексеевич (RU)
|
(54) ТРЕХФАЗНЫЙ РЕГУЛИРУЕМЫЙ ПРЕОБРАЗОВАТЕЛЬ ПЕРЕМЕННОГО НАПРЯЖЕНИЯ В ПОСТОЯННОЕ
(57) Реферат:
Изобретение относится к электротехнике, в частности к преобразовательной технике, и может найти применение в устройствах регулирования выходного напряжения на шинах тяговых подстанций электрифицированных железных дорог постоянного тока. Изобретением решается задача создания трехфазного преобразователя переменного напряжения в постоянное, характеризующегося широкими возможностями регулирования напряжения в контактной сети, а также высокими энергетическими показателями при относительной простоте реализации. Для решения поставленной задачи в трехфазном регулируемом преобразователе переменного напряжения в постоянное, содержащем преобразовательный трансформатор с трехфазной первичной обмоткой, соединенной в звезду, концы которой соединены с входными выводами, предназначенными для подключения питающей сети, и двумя трехфазными вторичными обмотками, по крайней мере одна из которых соединена в звезду, первый вентильный выпрямитель, вольтодобавочный трансформатор, имеющий одну трехфазную первичную и две трехфазные вторичные обмотки, соединенные в каждой фазе последовательно с соответствующими вторичными обмотками преобразовательного трансформатора, к каждой фазе вторичной обмотки преобразовательного трансформатора, соединенной в звезду, подключена вторичная обмотка вольтодобавочного трансформатора, последовательно с которой включен управляемый реактор, образующий совместно с вторичной обмоткой вольтодобавочного трансформатора цепь, параллельно которой включен неуправляемый реактор, концы обмоток которого образуют с концами цепей, содержащих последовательно соединенную вторичную обмотку вольтодобавочного трансформатора и обмотку управляемого реактора общие точки, предложено, согласно настоящему изобретению, ввести второй вентильный выпрямитель, идентичный первому и соединенный последовательно с ним, при этом оба вентильных выпрямителя предназначены для подключения нагрузки; вторую вторичную обмотку вольтодобавочного трансформатора соединить в зигзаг и подключить к второй вторичной обмотке преобразовательного трансформатора, соединенной в треугольник; каждый из двух вентильных выпрямителей выполнить в виде трехфазного моста, к одному из которых подключить общие точки соединений управляемого и неуправляемого реакторов; концы каждой фазы вторичной обмотки вольтодобавочного трансформатора, соединенной в зигзаг, соединить с управляемыми реакторами, а неуправляемые реакторы соединить параллельно цепи из вторичной обмотки вольтодобавочного трансформатора, соединенной в зигзаг, и последовательно с ней соединенной обмоткой управляемого реактора, при этом концы обмоток управляемого и неуправляемого реакторов образуют в каждой фазе общую точку, соединенную со вторым вентильным мостом. Технический результат – упрощение, повышение энергетических показателей. 1 ил.
Изобретение относится к электротехнике, в частности к преобразовательной технике, и может найти применение в устройствах регулирования выходного напряжения на шинах тяговых подстанций электрифицированных железных дорог постоянного тока.
Известен трехфазный регулируемый преобразователь переменного напряжения в постоянное, содержащий преобразовательный трансформатор с трехфазной первичной обмоткой, соединенной в звезду, концы которой соединены с входными выводами для подключения трехфазной питающей сети и двумя трехфазными вторичными обмотками, каждая из которых соединена в звезду, причем между нулевыми выводами указанных звезд включен уравнительный реактор, отвод от середины витков которого образует один из выходных выводов для подключения нагрузки, вентильный выпрямитель, в котором одни одноименные силовые электроды вентилей объединены в общую точку, образующую другой выходной вывод, и вольтодобавочный трансформатор с трехфазной первичной и двумя трехфазными вторичными обмотками, соединенными в каждой фазе последовательно с соответствующими вторичными обмотками преобразовательного трансформатора, при этом в каждой фазе содержатся управляемый и неуправляемый реакторы, причем в каждой фазе первая обмотка управляемого реактора включена последовательно с первой вторичной обмоткой вольтодобавочного трансформатора между свободным выводом этой обмотки и свободным выводом силового электрода соответствующего вентиля выпрямителя, вторая обмотка этого же управляемого реактора включена последовательно с вторичной обмоткой вольтодобавочного трансформатора между свободным выводом этой обмотки и свободным выводом силового электрода другого соответствующего вентиля выпрямителя, первая обмотка неуправляемого реактора включена параллельно второй цепи из указанных второй обмотки управляемого реактора и второй вторичной обмотки вольтодобавочного трансформатора в том же направлении, что и указанные обмотки, а вторая обмотка неуправляемого реактора включена параллельно первой цепи из первой обмотки вольтодобавочного трансформатора и первой обмотки управляемого реактора в том же направлении, что и указанные обмотки, причем обмотки, входящие в первую цепь, включены в обратном направлении по отношению к обмоткам, входящим во вторую цепь [1].
Трехфазный регулируемый преобразователь переменного напряжения в постоянное в соответствии с [1] характеризуется улучшенной формой кривой выпрямленного напряжения благодаря сведению к минимуму значений составляющих высших гармоник, однако он обладает ограниченными возможностями регулирования напряжения в контактной сети, а также относительно невысокими энергетическими показателями.
Изобретением решается задача создания трехфазного преобразователя переменного напряжения в постоянное, характеризующегося широкими возможностями регулирования напряжения в контактной сети, а также высокими энергетическими показателями при относительной простоте реализации.
Для решения поставленной задачи в трехфазном регулируемом преобразователе переменного напряжения в постоянное, содержащем преобразовательный трансформатор с трехфазной первичной обмоткой, соединенной в звезду, концы которой соединены с входными выводами, предназначенными для подключения питающей сети, и двумя трехфазными вторичными обмотками, по крайней мере одна из которых соединена в звезду, первый вентильный выпрямитель, вольтодобавочный трансформатор, имеющий одну трехфазную первичную и две трехфазные вторичные обмотки, соединенные в каждой фазе последовательно с соответствующими вторичными обмотками преобразовательного трансформатора, к каждой фазе вторичной обмотки преобразовательного трансформатора, соединенной в звезду, подключена вторичная обмотка вольтодобавочного трансформатора, последовательно с которой включен управляемый реактор, образующий совместно с вторичной обмоткой вольтодобавочного трансформатора цепь, параллельно которой включен неуправляемый реактор, концы обмоток которого образуют с концами цепей, содержащих последовательно соединенную вторичную обмотку вольтодобавочного трансформатора и обмотку управляемого реактора общие точки, предложено, согласно настоящему изобретению, ввести второй вентильный выпрямитель, идентичный первому и соединенный последовательно с ним, при этом оба вентильных выпрямителя предназначены для подключения нагрузки; вторую вторичную обмотку вольтодобавочного трансформатора соединить в зигзаг и подключить к второй вторичной обмотке преобразовательного трансформатора, соединенной в треугольник; каждый из двух вентильных выпрямителей выполнить в виде трехфазного моста, к одному из которых подключить общие точки соединений управляемого и неуправляемого реакторов; концы каждой фазы вторичной обмотки вольтодобавочного трансформатора, соединенной в зигзаг, соединить с управляемыми реакторами, а неуправляемые реакторы соединить параллельно цепи из вторичной обмотки вольтодобавочного трансформатора, соединенной в зигзаг, и последовательно с ней соединенной обмоткой управляемого реактора, при этом концы обмоток управляемого и неуправляемого реакторов образуют в каждой фазе общую точку, соединенную со вторым вентильным мостом.
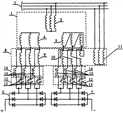
Изобретение поясняется на примере выполнения чертежа, на котором представлена принципиальная схема заявляемого трехфазного регулируемого преобразователя переменного напряжения в постоянное.
Трехфазный регулируемый преобразователь переменного напряжения в постоянное содержит преобразовательный трансформатор 1, трехфазная первичная обмотка 2 которого соединена в звезду. Концы трехфазной первичной обмотки 2 преобразовательного трансформатора 1 предназначены для подключения к питающей сети 3. Преобразовательный трансформатор 1 содержит также две трехфазные вторичные обмотки 4 и 5, при этом трехфазная вторичная обмотка 4 соединена в звезду, а трехфазная вторичная обмотка 5 соединена в треугольник.
Преобразователь содержит также два вентильных выпрямителя: первый выпрямитель 6 и второй выпрямитель 7, идентичных друг другу, каждый из которых выполнен в виде трехфазного моста, соединенных последовательно друг с другом и предназначенных для подключения нагрузки.
Вольтодобавочный трансформатор 8 имеет две трехфазные вторичные обмотки 9 и 10, соединенные в каждой фазе с соответствующими вторичными обмотками 5 преобразовательного трансформатора 1, и одну трехфазную первичную обмотку 11, подключенную к питающей сети,
К каждой фазе вторичной обмотки 4 преобразовательного трансформатора 1, соединенной в звезду, подключена первая вторичная обмотка 9 вольтодобавочного трансформатора 8. Вторая вторичная обмотка 10 вольтодобавочного трансформатора 8 соединена в зигзаг и подключена к вторичной обмотке 5 преобразовательного трансформатора, соединенной в треугольник.
Последовательно с первой вторичной обмоткой 9 вольтодобавочного трансформатора 8 включен управляемый реактор 12, имеющий обмотки 13 и образующий совместно с вторичной обмоткой 9 вольтодобавочного трансформатора 8 цепь, параллельно которой включен неуправляемый реактор 14, имеющий обмотки 15, концы которых образуют с концами обмоток 13 управляемого реактора 12 в каждой фазе общие точки 16, 17, 18 соответственно.
Общие точки 16, 17, 18 соединений управляемого 12 и неуправляемого 14 реакторов подключены к вентильному выпрямителю 6.
Концы каждой фазы вторичной обмотки 10 вольтодобавочного трансформатора 8, соединенной в зигзаг, связаны с управляемыми реакторами 12.
Неуправляемые реакторы 14 соединены параллельно цепи, состоящей из вторичной обмотки 11 вольтодобавочного трансформатора 8, соединенной в зигзаг. Концы обмоток 13 и 15 управляемого 12 и неуправляемого реакторов 14 образуют в каждой фазе общую точку, соединенную со вторым вентильным мостом 7.
Трехфазный регулируемый преобразователь переменного напряжения в постоянное работает следующим образом.
При максимальном сопротивлении управляемого реактора 12 (реактор не подмагничен током в обмотке управления – обмотка управления управляемого реактора 12 не показана), вторичные обмотки 9, 10 вольтодобавочного трансформатора 8 «выключены», т.е. не происходит суммирование эдс вторичных обмоток 4, 5 преобразовательного трансформатора 1 и эдс вторичных обмоток 9, 10 вольтодобавочного трансформатора 8. Ток нагрузки протекает через вторичные обмотки 4, 5 преобразовательного трансформатора 1, через обмотки 15 неуправляемого реактора 14 и поступает на вентильные мосты 6 и 7 соответственно. В результате суммарное выходное напряжение постоянного тока на выходе вентильных мостов 6, 7 будет минимальным.
При минимальном сопротивлении управляемого реактора 12 (реактор подмагничен током в обмотке управления) к эдс вторичных обмоток 4, 5 преобразовательного трансформатора 1 добавляется эдс вторичных обмоток 9, 10 вольтодобавочного трансформатора 8. В результате суммарное выходное напряжение постоянного тока на выходе вентильных мостов 6, 7 будет максимальным.
Регулирование суммарного напряжения вентильных мостов 6, 7 производится изменением сопротивления управляемого реактора 12 путем изменения тока управления в обмотке управления (не показана) управляемого реактора 12.
Реализация заявляемого технического решения позволит относительно простыми средствами повысить напряжение в контактной сети, повысить энергетические показатели преобразователя при упрощении его конструкции. В настоящее время в ООО НПП «Электромаш», г.Екатеринбург, разрабатывается документация и ведется подготовка производства преобразователя переменного напряжения в постоянное, предназначенного для регулирования напряжения на шинах тяговых подстанций электрифицированных железных дорог постоянного тока.
Литература
1. Авторское свидетельство № 1769322, МПК Н02М 7/04, 1992 г.
Формула изобретения
Трехфазный регулируемый преобразователь переменного напряжения в постоянное, содержащий преобразовательный трансформатор с трехфазной первичной обмоткой, соединенной в звезду, концы которой соединены с входными выводами, предназначенными для подключения питающей сети, и двумя трехфазными вторичными обмотками, по крайней мере, одна из которых соединена в звезду, первый вентильный выпрямитель, вольтодобавочный трансформатор, имеющий одну трехфазную первичную и две трехфазные вторичные обмотки, соединенные в каждой фазе последовательно с соответствующими вторичными обмотками преобразовательного трансформатора, к каждой фазе вторичной обмотки преобразовательного трансформатора, соединенной в звезду, подключена вторичная обмотка вольтодобавочного трансформатора, последовательно с которой включен управляемый реактор, образующий совместно с вторичной обмоткой вольтодобавочного трансформатора цепь, параллельно которой включен неуправляемый реактор, концы обмоток которого образуют с концами цепей, содержащих последовательно соединенную вторичную обмотку вольтодобавочного трансформатора и обмотку управляемого реактора, общие точки, отличающийся тем, что он содержит второй вентильный выпрямитель, идентичный первому и соединенный последовательно с ним, при этом оба вентильных выпрямителя предназначены для подключения нагрузки; вторая вторичная обмотка вольтодобавочного трансформатора соединена в зигзаг и подключена к второй вторичной обмотке преобразовательного трансформатора, соединенной в треугольник; каждый из двух вентильных выпрямителей выполнен в виде трехфазного моста, к одному из которых подключены общие точки соединений управляемого и неуправляемого реакторов; концы каждой фазы вторичной обмотки вольтодобавочного трансформатора, соединенной в зигзаг, связаны с управляемыми реакторами, а неуправляемые реакторы соединены параллельно цепи из вторичной обмотки вольтодобавочного трансформатора, соединенной в зигзаг, и последовательно с ней соединенной обмоткой управляемого реактора, при этом концы обмоток управляемого и неуправляемого реакторов образуют в каждой фазе общую точку, соединенную со вторым вентильным мостом.
РИСУНКИ
|
|