|
|
(21), (22) Заявка: 2006116531/09, 16.05.2006
(24) Дата начала отсчета срока действия патента:
16.05.2006
(43) Дата публикации заявки: 27.11.2007
(46) Опубликовано: 20.08.2008
(56) Список документов, цитированных в отчете о поиске:
RU 2214041 C2, 10.10.2003. RU 2201645 C1, 27.03.2003. RU 2200329 C2, 10.03.2003. SU 609174 A1, 05.05.1978. EP 0239268 A, 30.09.1987.
Адрес для переписки:
141070, Московская обл., г. Королев, ул. Ленина, 4а, ОАО “РКК “Энергия” им. С.П. Королева”, отдел интеллектуальной собственности
|
(72) Автор(ы):
Федосов Алексей Александрович (RU)
(73) Патентообладатель(и):
Открытое акционерное общество “Ракетно-космическая корпорация “Энергия” имени С.П. Королева” (RU)
|
(54) СИСТЕМА РАСПРЕДЕЛЕНИЯ ЭЛЕКТРОЭНЕРГИИ
(57) Реферат:
Использование: в электротехнике, в частности в системах распределения электроэнергии самолета, корабля или космического аппарата (КА). Технический результат заключается в увеличении эксплуатационной надежности системы распределения электроэнергии путем снятия зарядов статического электричества и снижения напряжения на ключах. Система распределения электроэнергии содержит блок питания, подключенные к его выходным шинам коммутаторы цепей питания приборов, блок управления коммутаторами цепей питания приборов и резисторы, имеющие попарно одинаковые номиналы, при этом выходные шины блока питания через первую пару дополнительно введенных резисторов соединены с корпусом («землей») изделия, цепи питания приборов через другие пары дополнительно введенных резисторов также соединены с корпусом («землей») изделия. 1 ил.
Изобретение относятся к области электротехники и может быть использовано в системах распределения электроэнергии, например, в составе самолета, корабля или космического аппарата (КА).
Системы распределения электроэнергии в аппаратуре КА обычно выполняются с использованием шин питания, полностью изолированных от корпуса изделия. Не соединенной с корпусом в части первичных цепей распределения электроэнергии выполняется и иная аппаратура КА [1]. При таком построении системы распределения электроэнергии замыкание на корпус любой шины питания или любой цепи внутри питаемых приборов не приводит к возникновению аварийных ситуации в отличие от того, когда одна из шин питания соединена с корпусом изделия («заземлена») штатно, а в цепи второй шины питания появляется дефект в виде утечки или короткого замыкания на корпус («землю») изделия.
Вместе с тем следует отметить, что идеальная изоляция электрических цепей от корпуса (сопротивление изоляции стремится к бесконечности) имеет и отрицательные стороны, а именно: в зависимости от условий эксплуатации, особенно в составе КА, на цепях, выведенных в открытый космос, и на поверхностях КА накапливаются электрические заряды, которые создают электрические потенциалы, способные привести к возникновению электростатических разрядов вплоть до пробоя изоляции. При большом количестве приборов, подключаемых к единой системе распределения электроэнергии, между их разобщенными цепями возникают разности потенциалов, а при электростатических разрядах – импульсы напряжения, прикладываемые, в конце концов, к коммутаторам системы распределения электроэнергии, и способные вывести их из строя.
Известна система распределения электроэнергии [2], содержащая блок питания, подключенные к его выходным шинам коммутаторы цепей питания приборов и блок управления коммутаторами цепей питания приборов (входная шина управления в прототипе).
Недостатком этого технического решения, как и иных, является то, что в процессе эксплуатации, особенно в условиях воздействия ионизирующего излучения космического пространства, на шинах питания (солнечных батареях), на цепях и приборах, вынесенных в открытый космос (исполнительные реактивные двигатели, датчики, научная аппаратура и т.п.), возникают статические потенциалы, способные привести к пробою изоляции. Это обстоятельство снижает эксплуатационную надежность систем распределения электроэнергии и аппаратуры КА в целом.
Задача предложения – увеличение эксплуатационной надежности системы распределения электроэнергии путем снятия зарядов статического электричества и снижения напряжения на закрытых коммутаторах.
Поставленная цель достигается тем, что в систему распределения электроэнергии, содержащую блок питания, подключенные к его выходным шинам коммутаторы цепей питания приборов и блок управления коммутаторами цепей питания приборов, в нее дополнительно введены резисторы, имеющие попарно одинаковые сопротивления, при этом выходные шины блока питания через первую пару дополнительно введенных резисторов соединены с корпусом («землей») изделия, цепи питания приборов через другие пары дополнительно введенных резисторов также соединены с корпусом («землей») изделия.
В данном случае вопреки «здравому смыслу», предполагающему обеспечивать высокое сопротивление изоляции и осуществлять контроль за этим высоким сопротивлением изоляции (малыми токами утечки) [3], предложенная система распределения электроэнергии снабжена резисторами, обеспечивающими принудительно отекание зарядов с изолированных от корпуса шин и цепей питания и принудительно увеличивающими токи с шин питания на «землю» (уменьшающими эквивалентное значение сопротивления изоляции) и включенными между шинами блока питания и «землей» изделия, а также между цепями питания приборов и корпусом («землей»). Отдельно следует отметить, что электризация и пробои электрической изоляции с непредсказуемыми последствиями могут происходить и в иных областях человеческой деятельности, далеких от космонавтики, так, например, в мукомольной, сахарной, угольной промышленности.
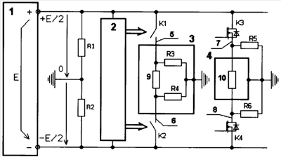
На чертеже приведена блок-схема предложенной системы распределения электроэнергии.
На чертеже обозначены:
1 – блок питания;
2 – блок управления коммутаторами цепей питания приборов;
3, 4 – приборы;
5, 6, 7 и 8 – цепи питания приборов;
9, 10 – сопротивление приборов 3, 4.
Е – выходное напряжение блока питания 1;
Знаки «+» и «-» на выводах блока питания 1 обозначают шины питания системы распределения электроэнергии, +Е/2 и -Е/2 – напряжения на этих шинах питания относительно корпуса («земли») изделия;
К1, К2, К3, К4 – коммутаторы (релейные и/или электронные);
R1 и R2, R3 и R4, R5 и R6 – дополнительные пары резисторы.
Каждая цепь питания 5, 6, 7 и 8 приборов 3, 4 начинается на выходе соответствующего коммутатора и заканчивается внутри прибора.
Выполнена система распределения электроэнергии следующим образом.
Шины «+» и «-» блока питания 1 соединены с корпусом («землей») через пару резисторов R1 и R2 с одинаковыми номиналами сопротивления, а также подключены к блоку управления 2 и к входам коммутаторов К1-К4, к выходам которых подключены соответствующие приборы 3, 4. Коммутаторы К1-К4 могут быть выполнены как на контактах реле, так и на мощных силовых транзисторах. На чертеже показаны оба варианта. Блок управления 2 осуществляет управление этими коммутаторами (показано стрелками). Такое построение системы распределения электроэнергии обеспечивает двухполярную коммутацию обеих цепей питания 5, 6, 7 и 8 приборов 3, 4. Тип приборов 3, 4, их количество и их эквивалентное комплексное сопротивление 9, 10 непринципиальны.
На цепях питания 5, 6, 7 и 8 приборов 3, 4 установлены пары резисторы R3 и R4, R5 и R6, включенные между этими цепями и корпусом («землей») изделия. Эти резисторы могут подключаться к цепям питания приборов как внутри соответствующего прибора (показано в приборе 3), так и за его пределами (как показано для прибора 4).
Система распределения электроэнергии, показанная на фиг.1, работает следующим образом.
Еще до включения блока питания 1 пары резисторов R1 и R2 обеспечивают отекание зарядов с шин питания системы распределения электроэнергии, а пары резисторы R3 и R4, R 5 и R6 обеспечивают отекание зарядов с цепей питания приборов 3, 4. После включения блока питания 1 одинаковые номиналы пары резисторов R1 и R2 образуют искусственную заземленную среднюю точку и шины блока питания 1 принимают потенциалы относительно корпуса («земли») изделия, равные половине напряжения питания Е, а именно +Е/2 – на шине «+» и -Е/2 – на шине «-». Цепи питания 5, 6, 7 и 8 приборов 3, 4 принимают нулевой потенциал корпуса («земли») изделия. При этом напряжение на всех коммутаторах в выключенном состоянии равно половине напряжения Е блока питания 1.
При штатном включении любого прибора 3, 4 с помощью соответствующих коммутаторов упомянутые пары резисторов R3 и R4, R5 и R6 с одинаковыми сопротивлениями (могут быть одинаковыми попарно для каждого из приборов 3, 4 индивидуально) не изменяют потенциалы шин питания относительно корпуса («земли») изделия и не влияют на режим работы остальных выключенных коммутаторов.
Предложенная система распределения электроэнергии увеличивает эксплуатационную надежность ее работы в течение длительного времени в условиях космического пространства, во-первых, за счет того, что со всех цепей питания снимаются любые потенциалы относительно корпуса изделия, чем исключаются какие-либо электростатические разряды, способные привести к пробою изоляции или выходу из строя коммутаторов цепей питания приборов, во-вторых, силовые коммутаторы К1, К2, К3, К4 (в подавляющем большинстве случаев – это мощные полевые транзисторы, к сожалению, снижающие радиационную стойкостью при повышении напряжениях питания) в данной схеме имеют напряжение питания в закрытом (выключенном) состоянии, равное половине напряжения Е блока питания 1. Обеспечивается это, как отмечено выше, за счет того, что цепи питания и выходы коммутаторов выключенного прибора через свои заземляющие резисторы всегда имеют нулевой потенциал корпуса («земли») изделия, а на шинах блока питания 1 и на входах коммутаторов напряжения равны половине напряжения блока питания.
Совокупность признаков, подобная рассмотренной в данном предложении, не встречалась ранее для решения поставленной задачи и не следует явным образом из уровня техники, что позволяет сделать вывод о соответствии технического решения критериям “новизна” и “изобретательский уровень”.
Изобретение предполагается использовать на изделиях предприятия в составе систем распределения электроэнергии.
В настоящее время предложенная концепция построения системы распределения электроэнергии рассматривается на предмет включения ее в техническое задание на изделие.
Использованная литература
1. Пинигин Н.Я., Болдырев В.И. Система распределения электроэнергии на постоянном токе от шин общего источника. Патент РФ №2201645, H02J 1/00.
2. Леденев Г.Я., Федосов А.А. Многоканальный коммутатор напряжения. Патент РФ №2214041, Н03К 17/08.
3. Бородянский М.Е., Бородянский И.М. Способ измерения электрического сопротивления изоляции. Патент РФ №2200329, G01R 27/16.
Формула изобретения
Система распределения электроэнергии, содержащая блок питания, подключенные к его выходным шинам коммутаторы цепей питания приборов и блок управления коммутаторами цепей питания приборов, отличающаяся тем, что в нее дополнительно введены резисторы, имеющие попарно одинаковые сопротивления, при этом выходные шины блока питания через первую пару дополнительно введенных резисторов соединены с корпусом («землей») изделия, цепи питания приборов через другие пары дополнительно введенных резисторов также соединены с корпусом («землей») изделия.
РИСУНКИ
|
|