|
(21), (22) Заявка: 2007111228/09, 27.03.2007
(24) Дата начала отсчета срока действия патента:
27.03.2007
(46) Опубликовано: 20.08.2008
(56) Список документов, цитированных в отчете о поиске:
RU 2294581 C1, 27.02.2007. RU 2084055 C1, 10.07.1997. RU 2216827 C1, 20.11.2005. US 5629601 A, 13.05.1997. US 20050176 B2, 27.01.2005.
Адрес для переписки:
662972, Красноярский край, ЗАТО Железногорск, г. Железногорск, ул. Ленина, 52, ФГУП НПО ПМ, Р.П. Туркеничу
|
(72) Автор(ы):
Коротких Виктор Владимирович (RU)
(73) Патентообладатель(и):
ФЕДЕРАЛЬНОЕ ГОСУДАРСТВЕННОЕ УНИТАРНОЕ ПРЕДПРИЯТИЕ “Научно-производственное объединение прикладной механики им. академика М.Ф. Решетнева” (RU)
|
(54) СПОСОБ ЭКСПЛУАТАЦИИ ГЕРМЕТИЧНОЙ НИКЕЛЬ-ВОДОРОДНОЙ АККУМУЛЯТОРНОЙ БАТАРЕИ В АВТОНОМНОЙ СИСТЕМЕ ЭЛЕКТРОПИТАНИЯ ИСКУССТВЕННОГО СПУТНИКА ЗЕМЛИ
(57) Реферат:
Изобретение относится к электротехнической промышленности и может быть использовано при эксплуатации никель-водородных аккумуляторных батарей преимущественно в автономных системах электропитания ИСЗ. Способ эксплуатации герметичной никель-водородной аккумуляторной батареи в автономной системе электропитания искусственного спутника Земли осуществляется путем проведения заряд-разрядных циклов, контроля уровня заряженности по давлению или плотности водорода в аккумуляторах, контроля напряжения и температуры аккумуляторов, отключения заряда после достижения контролируемого нижнего уровня заряженности аккумуляторов и сообщения дополнительной емкости заранее заданной величины с ограничением ее по предельно допустимой температуре аккумуляторов, корректировки величины дополнительной емкости, сообщаемой от контролируемого нижнего уровня заряженности аккумуляторов в процессе эксплуатации аккумуляторной батареи, исходя из уровня достигаемой на конец заряда температуры аккумуляторов. Величину контролируемого нижнего уровня заряженности аккумуляторов периодически корректируют в сторону увеличения в пределах до 0,5 сообщаемой дополнительной емкости с равнозначным уменьшением последней, причем корректировку нижнего уровня заряженности проводят в случае снижения напряжения на каком-либо аккумуляторе в процессе разряда аккумуляторной батареи до нижнего контрольного значения. Технический результат – повышение функциональной надежности способа эксплуатации никель-водородной аккумуляторной батареи. 1 ил.
Предлагаемое изобретение относится к электротехнической промышленности и может быть использовано при эксплуатации герметичных никель-водородных аккумуляторных батарей преимущественно в автономных системах электропитания ИСЗ.
Известен способ эксплуатации никель-водородной аккумуляторной батареи (см. “Металл-водородные электрохимические системы”. Б.И.Центер, Н.Ю.Лызлов. Л.: Химия, Ленинградское отделение, 1989 г., стр.262).
Способ эксплуатации заключается в следующем. При снижении за счет саморазряда или разряда давления в аккумуляторах батареи до установленного в алгоритме управления уровня по показаниям аналоговых датчиков давления подключают зарядное устройство к батарее. При повышении в процессе заряда давления в аккумуляторах батареи до установленного в алгоритме управления уровня по показаниям аналоговых датчиков давления отключают зарядное устройство от аккумуляторной батареи.
Заряд отключается также при срабатывании контактов дискретного датчика давления, настроенного на предельно допустимое давление.
Описанный способ позволяет эксплуатировать батарею не на предельных уровнях давления, гибко управлять уровнем заряженности батареи в зависимости от требуемой для питания нагрузки разрядной энергии, т.е. эксплуатировать батарею на минимально необходимом уровне заряженности.
Однако этот способ не позволяет эффективно осуществлять управление зарядом при изменениях температуры аккумуляторной батареи. Этот способ можно применять только при какой-то определенной температуре (узком диапазоне температур), так как давление водорода, как и любого газа, зависит от температуры. Кроме того, этот способ неизбежно ведет к разбалансу аккумуляторов в аккумуляторной батарее по емкости, что снижает эффективность использования аккумуляторной батареи.
Известен способ эксплуатации герметичной никель-водородной батареи, включающий измерение давления водорода в батарее и проведение заряд-разрядных циклов при отклонении величины измеряемого параметра от заданного значения, отличающийся тем, что дополнительно измеряют температуру батареи и на основании полученных данных вычисляют плотность водорода, сравнивают полученное значение плотности с заданным, отключают заряд батареи при равенстве или превышении плотности заданной величины и включают заряд батареи при снижении плотности на 5-10% ниже заданного уровня (см. патент РФ 2084055, кл. Н01М 10/44, 1995 г.).
Недостатком известного способа является его низкая функциональная надежность при обеспечении эффективного использования (обеспечение максимальной разрядной емкости) аккумуляторной батареи.
Наиболее близким к изобретению по технической сущности и достигаемым результатам является способ эксплуатации герметичной никель-водородной аккумуляторной батареи в автономной системе электропитания искусственного спутника Земли путем проведения заряд-разрядных циклов, с отключением заряда по заданному уровню измеряемых степени заряженности и температуре аккумуляторов и включением заряда батареи при снижении давления водорода в аккумуляторах до контролируемого нижнего уровня заряженности, при этом отключают заряд после сообщения, от контролируемого нижнего уровня заряженности аккумуляторов, емкости заранее заданной величины, с ограничением ее по предельно допустимой температуре аккумуляторов, причем величину емкости, сообщаемой от контролируемого нижнего уровня заряженности аккумуляторов, корректируют в процессе эксплуатации аккумуляторной батареи исходя из уровня достигаемой на конец заряда температуры аккумуляторов, принятый за прототип (см. патент РФ №2294581, кл. Н01М 10/44, 2007 г.).
Недостатком известного способа является его низкая функциональная надежность при обеспечении длительной (10 лет и более) эксплуатации аккумуляторной батареи.
Это обусловлено тем, что известный способ не учитывает ресурсные изменения характеристик аккумуляторов в процессе длительной эксплуатации, таких как накопление балластного водорода в результате коррозии активной массы (“Металл-водородные электрохимические системы”. Б.И.Центер, Н.Ю.Лызлов. Л.: Химия, Ленинградское отделение, 1989 г., стр.268).
Целью предлагаемого изобретения является повышение функциональной надежности способа эксплуатации никель-водородной аккумуляторной батареи.
Поставленная цель достигается тем, что величину контролируемого нижнего уровня заряженности аккумуляторов периодически корректируют в сторону увеличения в пределах до 0,5 сообщаемой дополнительной емкости с равнозначным уменьшением последней, причем корректировку нижнего уровня заряженности проводят в случае снижения напряжения на каком-либо аккумуляторе в процессе разряда аккумуляторной батареи до нижнего контрольного значения.
Действительно, при эксплуатации аккумуляторной батареи в составе ИСЗ более важным параметром является нижний уровень давления (плотности водорода) в аккумуляторах, иначе говоря, уровень заряженности аккумуляторов (в сравнении с верхним уровнем), определяющий энергетические возможности автономной системы электропитания, который берется в расчет организацией, эксплуатирующей ИСЗ, для обеспечения гарантированной связи потребителей.
Поэтому важнейшей задачей является сохранение именно нижнего уровня заряженности всех аккумуляторов, а это достигается зарядом аккумуляторной батареи до верхнего уровня заряженности, при котором «лучшие» (имеющие меньший саморазряд) аккумуляторы подвергаются перезаряду, но при этом «худшие» (имеющие больший саморазряд) аккумуляторы достигают верхнего уровня их заряженности, что положительно сказывается на емкостных характеристиках аккумуляторной батареи в целом.
Следует отметить, что выбор контрольной точки давления или плотности водорода, соответствующих верхнему уровню заряженности, является очень непростой задачей. Ошибка в расчете может привести к тому, что установленный уровень не будет достигнут из-за так называемого явления «теплового разгона».
При превышении температуры аккумуляторов выше расчетной величины для данной конструкции аккумуляторной батареи может развиваться явление так называемого «теплового разгона», состоящего в том, что дальнейшее повышение температуры при перезаряде вызывает более интенсивное выделение кислорода из положительного электрода и увеличивает активность отрицательного электрода, что увеличивает, в свою очередь, скорость рекомбинации кислорода с водородом и интенсифицирует тепловыделение. В итоге процесс развивается с положительной обратной связью. В этом случае заданного уровня давления или плотности водорода в аккумуляторах можно не достигнуть, что приведет к выводу аккумуляторной батареи из строя. Это снижает эффективность и надежность эксплуатации аккумуляторной батареи.
При этом контролируемый нижний уровень заряженности заранее известен и надежен.
Известны также емкостные характеристики аккумуляторной батареи.
Поэтому заряд выше контролируемого нижнего уровня на величину заранее заданной емкости с ограничением ее по предельно допустимой температуре аккумуляторов эффективен и функционально высоконадежен, так как не может привести к критичному перезаряду аккумуляторной батареи (тепловому разгону).
Величину заранее заданной емкости в процессе эксплуатации аккумуляторной батареи корректируют исходя из уровня достигаемой на конец заряда температуры аккумуляторов.
В то же время нельзя относиться и к нижнему уровню заряженности как к догме, так как уровень заряженности, определяемый по давлению (или плотности) водорода, деградирует в процессе длительной эксплуатации аккумуляторной батареи по отношению к ее истинной емкости вследствие коррозии активной массы (“Металл-водородные электрохимические системы”. Б.И.Центер, Н.Ю.Лызлов. Л.: Химия, Ленинградское отделение, 1989 г., стр.262).
Проводя мониторинг аккумуляторной батареи в процессе длительной эксплуатации ИСЗ будут фиксироваться факты снижения напряжения отдельных аккумуляторов до нижнего контрольного значения 0,8-0,9 В (“Металл-водородные электрохимические системы”. Б.И.Центер, Н.Ю.Лызлов. Л.: Химия, Ленинградское отделение, 1989 г., стр.255), особенно в случаях, когда разряд аккумуляторной батареи начался после длительного перерыва от момента последнего окончания заряда. Наихудший случай – когда время включения очередного заряда для компенсации саморазряда совпадает со входом ИСЗ на «теневой» участок орбиты.
В таких случаях для исключения возможного срыва сеанса связи ИСЗ по причине недостаточной емкости аккумуляторной батареи необходимо изменить нижний уровень заряженности аккумуляторов в сторону увеличения для создания «запаса» емкости на «наихудший случай». Наиболее рационально и безопасно сделать это в пределах до 0,5 сообщаемой на текущий момент дополнительной емкости с равнозначным уменьшением последней. Увеличение нижнего уровня заряженности выше 0,5 дополнительной емкости приведет к необоснованно частым переключениям автоматики системы электропитания ИСЗ управляющей зарядом (в пределе – до «дребезга» в работе зарядного преобразователя), что нежелательно.
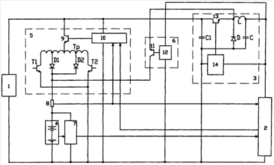
На чертеже приведена функциональная схема автономной системы электропитания, поясняющая работу по предлагаемому способу.
Устройство содержит солнечную батарею 1, подключенную к нагрузке 2, через преобразователь напряжения 3, аккумуляторную батарею 4, подключенную через зарядный преобразователь 5 к солнечной батарее 1, а через разрядный преобразователь 6 к входу выходного фильтра преобразователя напряжения 3.
При этом нагрузка 2 в своем составе содержит бортовую ЭВМ, систему телеметрии и командно-измерительную радиолинию.
Параллельно аккумуляторной батарее 4 подключено устройство контроля аккумуляторов 7 (в частности, напряжения, давления и температуры аккумуляторов) аккумуляторной батареи, связанное входом с аккумуляторной батареей 4, а выходом с нагрузкой 2 (с бортовой ЭВМ).
В цепи заряда-разряда аккумуляторной батареи установлен измерительный шунт 8.
Зарядный преобразователь 5 состоит из регулирующего ключа 9, управляемого схемой управления 10, вольтодобавочного узла, выполненного на трансформаторе Тр, транзисторах Т1 и Т2 и выпрямителя на диодах D1 и D2.
Разрядный преобразователь 6 состоит из регулирующего ключа 11, управляемого схемой управления 12.
Преобразователь напряжения 3 состоит из регулирующего ключа 13, управляемого схемой управления 14, входного фильтра С1 и выходного фильтра на диоде D, дросселе L и конденсаторе С.
Схемы управления: 10-зарядного преобразователя 5, 12 – разрядного преобразователя 6, 14 – преобразователя напряжения 3, выполнены в виде широтно-импульсных модуляторов, входом подключенных к шинам стабилизируемого напряжения. Схема управления 10 зарядного преобразователя 5 дополнительно связана с измерительным шунтом 8 и нагрузкой 2.
Устройство работает следующим образом. В процессе эксплуатации аккумуляторная батарея 4 работает в основном (на геостационарных ИС3-98% ресурса) в режиме хранения и периодических дозарядов от солнечной батареи 1 через зарядный преобразователь 5. Такой режим работы позволяет содержать ее в постоянной готовности на случай аварийных ситуаций (потеря ориентации ИСЗ на Солнце) или на прохождение штатных теневых участков орбиты.
Питание нагрузки 2 осуществляется при этом от солнечной батареи 1 через преобразователь напряжения 3.
При прохождении теневых участков орбиты либо при нарушении ориентации нагрузка 2 питается от аккумуляторной батареи 4 через разрядный преобразователь 6.
Устройство контроля аккумуляторов 7 контролирует напряжение, давление и температуру аккумуляторов и передает информацию об их состоянии в нагрузку 2, в которой реализуют программу, состоящую из следующих операций:
1. Обрабатываются данные по текущему значению давления, напряжения и температуры аккумуляторов, при необходимости рассчитывается текущая плотность водорода в аккумуляторах.
2. При достижении контролируемого нижнего уровня заряженности аккумуляторов, запускается контроль сообщаемой зарядной емкости заранее заданной величины. После сообщения аккумуляторной батарее дополнительной емкости заранее заданной величины либо достижения предельно допустимой температуры аккумуляторов формируется команда на выключение зарядного преобразователя.
3. При снижении уровня заряженности аккумуляторов до нижнего контролируемого уровня формируется команда на включение зарядного преобразователя и начинается очередной отсчет сообщаемой аккумуляторной батарее емкости с последующим отключением зарядного преобразователя и так далее.
4. Если снижение уровня заряженности аккумуляторов до нижнего контролируемого уровня произошло в режиме разряда аккумуляторной батареи (например, на «теневом» участке орбиты ИСЗ), то отсчет сообщаемой емкости начинается после появления зарядного тока (выход ИСЗ на освещенный участок орбиты) и достижения уровня заряженности аккумуляторов нижнего контролируемого значения.
5. В процессе эксплуатации аккумуляторной батареи по результатам анализа телеметрических данных о величине достигаемой на конец заряда температуры аккумуляторов, периодически, по командам с Земли через командно-измерительную радиолинию, корректируют величину емкости, сообщаемой от контролируемого нижнего уровня заряженности аккумуляторов, а по результатам анализа телеметрических данных о величине напряжения аккумуляторов в конце разряда корректируют величину контролируемого нижнего уровня заряженности аккумуляторов в сторону увеличения в пределах до 0,5 сообщаемой на текущий период дополнительной емкости с равнозначным уменьшением величины сообщаемой дополнительной емкости.
Таким образом, предлагаемый способ позволяет поддерживать высокую степень заряженности аккумуляторной батареи и при этом повышает функциональную надежность эксплуатации никель-водородной аккумуляторной батареи и, следовательно, надежность автономной системы электропитания и ИСЗ в целом.
Формула изобретения
Способ эксплуатации герметичной никель-водородной аккумуляторной батареи в автономной системе электропитания искусственного спутника Земли путем проведения заряд-разрядных циклов, контроля уровня заряженности по давлению или плотности водорода в аккумуляторах, контроля напряжения и температуры аккумуляторов, отключения заряда после достижения контролируемого нижнего уровня заряженности аккумуляторов и сообщения дополнительной емкости заранее заданной величины с ограничением ее по предельно допустимой температуре аккумуляторов, корректировки величины дополнительной емкости, сообщаемой от контролируемого нижнего уровня заряженности аккумуляторов в процессе эксплуатации аккумуляторной батареи, исходя из уровня достигаемой на конец заряда температуры аккумуляторов, отличающийся тем, что величину контролируемого нижнего уровня заряженности аккумуляторов периодически корректируют в сторону увеличения в пределах до 0,5 сообщаемой дополнительной емкости с равнозначным уменьшением последней, причем корректировку нижнего уровня заряженности проводят в случае снижения напряжения на каком-либо аккумуляторе в процессе разряда аккумуляторной батареи до нижнего контрольного значения.
РИСУНКИ
|